Colt introduced a single action cal.22 identical to the model 1873 line but smaller in size. It was called the “Frontier Scout”. The shape of the grips, the fixed or adjustable sights are identical to the Single Action 1873 Cattleman. Calibers .22LR and .22Mag have interchangeable cylinders. The model Lightning is made only in .38Sp, 38LC. and 41 Colt.
FinishesTechnicalParts and Schematics
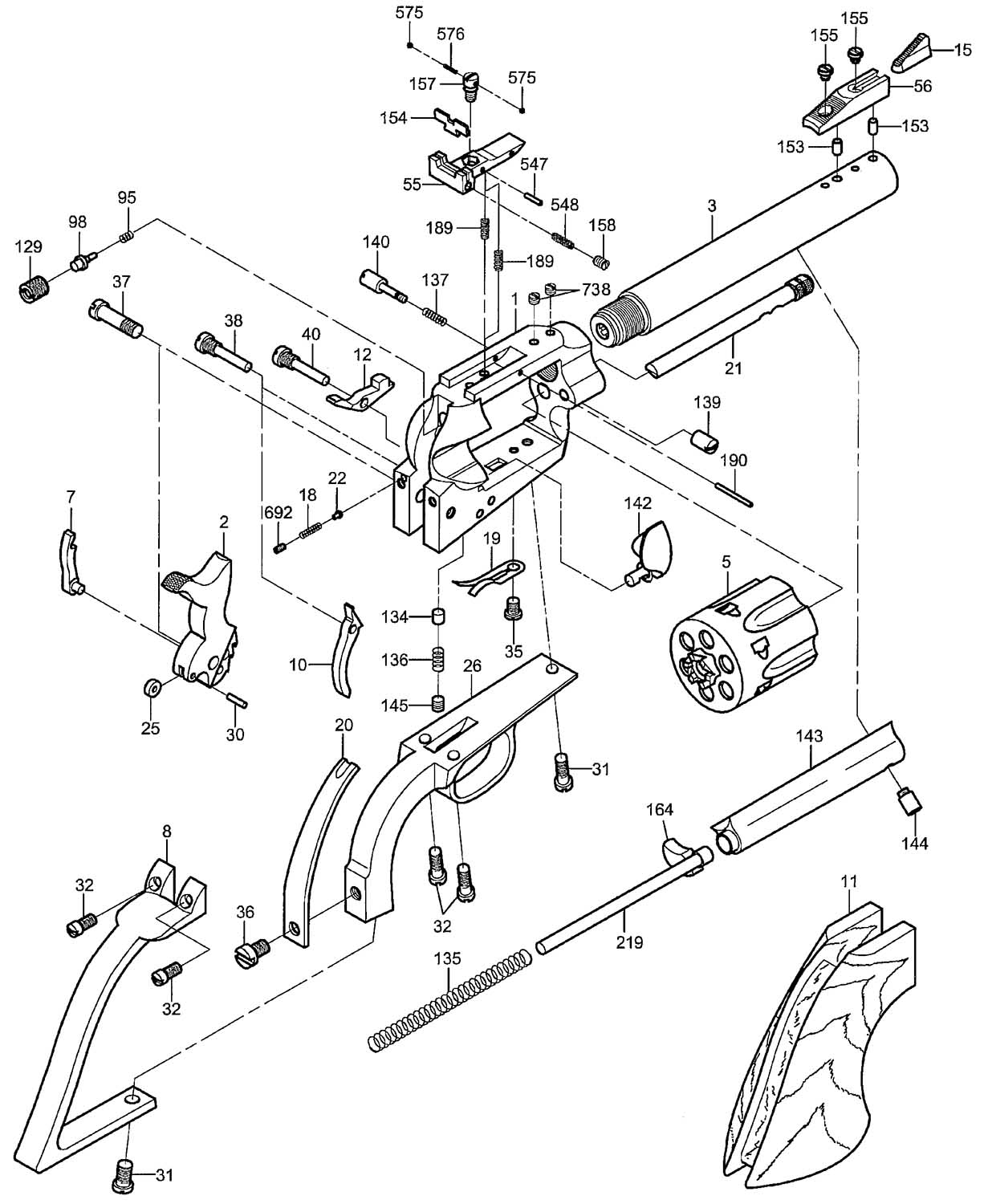
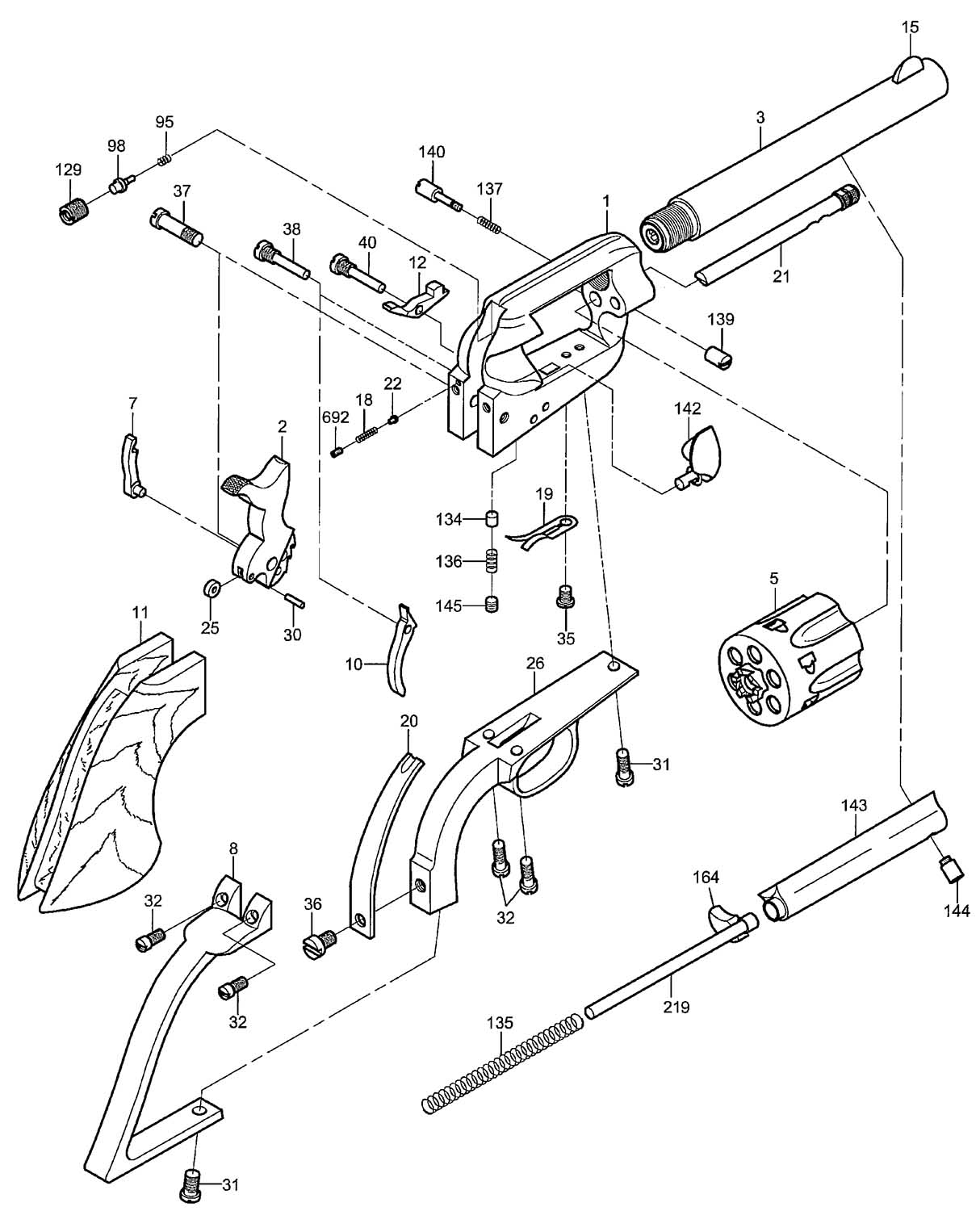
| 000: |
STANDARD |
| A00: |
OLD WEST ANTIQUE PATINA FINISH REV. |
| C00: |
CHARCOAL BLUE FINISH |
| W00: |
WHITE FINISH FOR REV. |
| N00: |
NICKEL PLATING FOR REV. |
| Caliber: |
.17HMR-.17MACH2-.22LR-.22MAG-.32/20-.32H&RM-.38SP-.41COLT |
| Length of Barrel: |
3½” – 4¾” – 5½” – 6½” |
| Overall Length: |
bbl.4¾” 10.31″ |
| Weight: |
bbl.4¾” 1.86 lbs |
| Barrel: |
Forged steel |
| Frame: |
Forged steel and color case |
| Twist: |
Left |
| Cylinder: |
Fluted |
| Triggerguard: |
Steel or brass |
| Grip: |
One piece walnut |
| Cylinder: |
6-10 ( 10shot avalable only on 22lr ) |
| Barrel Shape: |
Round Tapered |
| Sight: |
Fixed or adjustable |
| Item |
Model |
Barrel |
Length cal. |
| 0297 |
STALLION TARG.STEEL 5.1/2″.22LR REV CAT.1539 |
5.1/2” |
22LR |

| N. |
Code No. |
Q.ty |
Description |
| 1 |
A0297001 |
1 |
STALLION TARGET .22 FRAME ASSEMBLY |
| 2 |
A0300002 |
1 |
STALLION HAMMER ASSEMBLY |
| 3 |
0297003 |
1 |
BARREL .22LR 5.1/2″ TARGET |
| 5 |
0300005 |
1 |
CYLINDER STALLION .22LR |
| 7 |
0300007 |
1 |
HAND |
| 8 |
0300008 |
1 |
BACKSTRAP IN STEEL |
| 10 |
0300010 |
1 |
TRIGGER |
| 11 |
0300011 |
1 |
GRIPS |
| 12 |
0300012 |
1 |
BOLT |
| 15 |
0101015 |
1 |
SIGHT |
| 18 |
0400018 |
1 |
HAND SPRING -COIL TYPE |
| 19 |
0300019 |
1 |
SEAR AND BOLT SPRING |
| 20 |
0300020 |
1 |
MAINSPRING |
| 21 |
0300021 |
1 |
BASE PIN |
| 22 |
0400022 |
1 |
HAND PIN |
| 26 |
0300026 |
1 |
TRIGGERGUARD IN STEEL |
| 31 |
0000031 |
2 |
TRIGGERGUARD SCREW |
| 32 |
0000032 |
4 |
REAR BACKSTRAP SCREW |
| 35 |
0000035 |
1 |
SCREW |
| 36 |
0000036 |
1 |
MAIN SPRING SCREW |
| 37 |
0300037 |
1 |
HAMMER SCREW |
| 38 |
0300038 |
1 |
TRIGGER SCREW |
| 40 |
0300040 |
1 |
BOLT SCREW |
| 55 |
0310055 |
1 |
REAR |
| 56 |
0310056 |
1 |
FRONT SIGHT RAMP |
| 95 |
4510095 |
1 |
FIRING PIN SPRING |
| 98 |
0299098 |
1 |
FIRING PIN |
| 129 |
0300129 |
1 |
FIRING PIN BEARING |
| 135 |
4500135 |
1 |
EJECTOR SPRING |
| 137 |
4500137 |
1 |
BASE PIN SPRING |
| 139 |
0400139 |
1 |
BASE PIN NUT |
| 140 |
0400140 |
1 |
BASE PIN SCREW |
| 143 |
0300143 |
1 |
EJECTOR ROD TUBE |
| 144 |
0400144 |
1 |
EJECTOR TUBE SCREW |
| 153 |
|
2 |
|
| 154 |
0310154 |
1 |
REAR SIGHT BLADE |
| 155 |
0310155 |
2 |
FRONT SIGHT RAMP RET.SCREW |
| 157 |
0310157 |
1 |
REAR SIGHT ELEV. SCREW |
| 158 |
0310158 |
1 |
REAR SIGHT SCREW |
| 189 |
0310189 |
2 |
REAR SIGHT SPRING |
| 190 |
0310190 |
1 |
REAR SIGHT PIN |
| 219 |
A3011219 |
1 |
STALLION EJECTOR 4.3/4″ .17HMR ASSEMBLY |
| 547 |
0310547 |
1 |
REAR SIGHT ELEV.SCREW PIN |
| 548 |
0310548 |
1 |
REAR SIGHT WINDAGE SPRING |
| 575 |
0310575 |
2 |
REAR SIGHT SCREW SPHERE |
| 576 |
0310576 |
1 |
REAR SIGHT DETENT BALL SPRING |
| 692 |
0400692 |
1 |
HAND PIN SCREW |
| 0298 |
STALLION TARG.BRASS 5.1/2″.22LR REV CAT.1539 |
5.1/2” |
22LR |

| N. |
Code No. |
Q.ty |
Description |
| 1 |
A0297001 |
1 |
STALLION TARGET .22 FRAME ASSEMBLY |
| 2 |
A0300002 |
1 |
STALLION HAMMER ASSEMBLY |
| 3 |
0297003 |
1 |
BARREL .22LR 5.1/2″ TARGET |
| 5 |
0300005 |
1 |
CYLINDER STALLION .22LR |
| 7 |
0300007 |
1 |
HAND |
| 8 |
0305008 |
1 |
BACKSTRAP |
| 10 |
0300010 |
1 |
TRIGGER |
| 11 |
0305011 |
1 |
GRIPS |
| 12 |
0300012 |
1 |
BOLT |
| 15 |
0101015 |
1 |
SIGHT |
| 18 |
0400018 |
1 |
HAND SPRING -COIL TYPE |
| 19 |
0300019 |
1 |
SEAR AND BOLT SPRING |
| 20 |
0300020 |
1 |
MAINSPRING |
| 21 |
0300021 |
1 |
BASE PIN |
| 22 |
0400022 |
1 |
HAND PIN |
| 26 |
0305026 |
1 |
TRIGGERGUARD |
| 31 |
0000031 |
2 |
TRIGGERGUARD SCREW |
| 32 |
0000032 |
4 |
REAR BACKSTRAP SCREW |
| 35 |
0000035 |
1 |
SCREW |
| 36 |
0000036 |
1 |
MAIN SPRING SCREW |
| 37 |
0300037 |
1 |
HAMMER SCREW |
| 38 |
0300038 |
1 |
TRIGGER SCREW |
| 40 |
0300040 |
1 |
BOLT SCREW |
| 55 |
0310055 |
1 |
REAR |
| 56 |
0310056 |
1 |
FRONT SIGHT RAMP |
| 95 |
4510095 |
1 |
FIRING PIN SPRING |
| 98 |
0299098 |
1 |
FIRING PIN |
| 129 |
0300129 |
1 |
FIRING PIN BEARING |
| 135 |
4500135 |
1 |
EJECTOR SPRING |
| 137 |
4500137 |
1 |
BASE PIN SPRING |
| 139 |
0400139 |
1 |
BASE PIN NUT |
| 140 |
0400140 |
1 |
BASE PIN SCREW |
| 143 |
0300143 |
1 |
EJECTOR ROD TUBE |
| 144 |
0400144 |
1 |
EJECTOR TUBE SCREW |
| 153 |
|
2 |
|
| 154 |
0310154 |
1 |
REAR SIGHT BLADE |
| 155 |
0310155 |
2 |
FRONT SIGHT RAMP RET.SCREW |
| 157 |
0310157 |
1 |
REAR SIGHT ELEV. SCREW |
| 158 |
0310158 |
1 |
REAR SIGHT SCREW |
| 189 |
0310189 |
2 |
REAR SIGHT SPRING |
| 190 |
0310190 |
1 |
REAR SIGHT PIN |
| 219 |
A3011219 |
1 |
STALLION EJECTOR 4.3/4″ .17HMR ASSEMBLY |
| 547 |
0310547 |
1 |
REAR SIGHT ELEV.SCREW PIN |
| 548 |
0310548 |
1 |
REAR SIGHT WINDAGE SPRING |
| 575 |
0310575 |
2 |
REAR SIGHT SCREW SPHERE |
| 576 |
0310576 |
1 |
REAR SIGHT DETENT BALL SPRING |
| 692 |
0400692 |
1 |
HAND PIN SCREW |
| 0299 |
STALLION QD STEEL 5.1/2″ .22LR REV. CAT.1537 |
5.1/2” |
22LR |

| N. |
Code No. |
Q.ty |
Description |
| 1 |
A0300001 |
1 |
STALLION .22 FRAME ASSEMBLY |
| 2 |
A0300002 |
1 |
STALLION HAMMER ASSEMBLY |
| 3 |
|
1 |
|
| 5 |
0300005 |
1 |
CYLINDER STALLION .22LR |
| 7 |
0300007 |
1 |
HAND |
| 8 |
0300008 |
1 |
BACKSTRAP IN STEEL |
| 10 |
0300010 |
1 |
TRIGGER |
| 11 |
0300011 |
1 |
GRIPS |
| 12 |
0300012 |
1 |
BOLT |
| 15 |
0300015 |
1 |
SIGHT |
| 18 |
0400018 |
1 |
HAND SPRING -COIL TYPE |
| 19 |
0300019 |
1 |
SEAR AND BOLT SPRING |
| 20 |
0300020 |
1 |
MAINSPRING |
| 21 |
0300021 |
1 |
BASE PIN |
| 22 |
0400022 |
1 |
HAND PIN |
| 26 |
0300026 |
1 |
TRIGGERGUARD IN STEEL |
| 31 |
0000031 |
2 |
TRIGGERGUARD SCREW |
| 32 |
0000032 |
4 |
REAR BACKSTRAP SCREW |
| 35 |
0000035 |
1 |
SCREW |
| 36 |
0000036 |
1 |
MAIN SPRING SCREW |
| 37 |
0300037 |
1 |
HAMMER SCREW |
| 38 |
0300038 |
1 |
TRIGGER SCREW |
| 40 |
0300040 |
1 |
BOLT SCREW |
| 95 |
4510095 |
1 |
FIRING PIN SPRING |
| 98 |
0299098 |
1 |
FIRING PIN |
| 129 |
0300129 |
1 |
FIRING PIN BEARING |
| 135 |
4500135 |
1 |
EJECTOR SPRING |
| 137 |
4500137 |
1 |
BASE PIN SPRING |
| 139 |
0400139 |
1 |
BASE PIN NUT |
| 140 |
0400140 |
1 |
BASE PIN SCREW |
| 143 |
0300143 |
1 |
EJECTOR ROD TUBE |
| 144 |
0400144 |
1 |
EJECTOR TUBE SCREW |
| 219 |
A3011219 |
1 |
STALLION EJECTOR 4.3/4″ .17HMR ASSEMBLY |
| 692 |
0400692 |
1 |
HAND PIN SCREW |
| 0300 |
STALLION Q.D.CONV.4.3/4″.22LR-22MAG REV.WITH EXTRA CYL.STEEL CAT.1536 |
4.3/4” |
22LR/MAG |

| N. |
Code No. |
Q.ty |
Description |
| 1 |
A0300001 |
1 |
STALLION .22 FRAME ASSEMBLY |
| 2 |
A0300002 |
1 |
STALLION HAMMER ASSEMBLY |
| 3 |
0300003 |
1 |
BARREL |
| 5 |
0302005 |
1 |
CYLINDER STALLION .22MAG |
| 5 |
0300005 |
1 |
CYLINDER STALLION .22LR |
| 7 |
0300007 |
1 |
HAND |
| 8 |
0300008 |
1 |
BACKSTRAP IN STEEL |
| 10 |
0300010 |
1 |
TRIGGER |
| 11 |
0300011 |
1 |
GRIPS |
| 12 |
0300012 |
1 |
BOLT |
| 15 |
0300015 |
1 |
SIGHT |
| 18 |
0400018 |
1 |
HAND SPRING -COIL TYPE |
| 19 |
0300019 |
1 |
SEAR AND BOLT SPRING |
| 20 |
0300020 |
1 |
MAINSPRING |
| 21 |
0300021 |
1 |
BASE PIN |
| 22 |
0400022 |
1 |
HAND PIN |
| 26 |
0300026 |
1 |
TRIGGERGUARD IN STEEL |
| 31 |
0000031 |
2 |
TRIGGERGUARD SCREW |
| 32 |
0000032 |
4 |
REAR BACKSTRAP SCREW |
| 35 |
0000035 |
1 |
SCREW |
| 36 |
0000036 |
1 |
MAIN SPRING SCREW |
| 37 |
0300037 |
1 |
HAMMER SCREW |
| 38 |
0300038 |
1 |
TRIGGER SCREW |
| 40 |
0300040 |
1 |
BOLT SCREW |
| 95 |
4510095 |
1 |
FIRING PIN SPRING |
| 98 |
0299098 |
1 |
FIRING PIN |
| 129 |
0300129 |
1 |
FIRING PIN BEARING |
| 135 |
4500135 |
1 |
EJECTOR SPRING |
| 137 |
4500137 |
1 |
BASE PIN SPRING |
| 139 |
0400139 |
1 |
BASE PIN NUT |
| 140 |
0400140 |
1 |
BASE PIN SCREW |
| 143 |
0300143 |
1 |
EJECTOR ROD TUBE |
| 144 |
0400144 |
1 |
EJECTOR TUBE SCREW |
| 219 |
A3011219 |
1 |
STALLION EJECTOR 4.3/4″ .17HMR ASSEMBLY |
| 692 |
0400692 |
1 |
HAND PIN SCREW |
| 0301 |
STALLION Q.D. 5 1/2″ .22LR-22M REV.WITH EXTRA CYL. STEEL CAT.1537 |
5.1/2” |
22LR/MAG |

| N. |
Code No. |
Q.ty |
Description |
| 1 |
A0300001 |
1 |
STALLION .22 FRAME ASSEMBLY |
| 2 |
A0300002 |
1 |
STALLION HAMMER ASSEMBLY |
| 3 |
|
1 |
|
| 5 |
0302005 |
1 |
CYLINDER STALLION .22MAG |
| 5 |
0300005 |
1 |
CYLINDER STALLION .22LR |
| 7 |
0300007 |
1 |
HAND |
| 8 |
0300008 |
1 |
BACKSTRAP IN STEEL |
| 10 |
0300010 |
1 |
TRIGGER |
| 11 |
0300011 |
1 |
GRIPS |
| 12 |
0300012 |
1 |
BOLT |
| 15 |
0300015 |
1 |
SIGHT |
| 18 |
0400018 |
1 |
HAND SPRING -COIL TYPE |
| 19 |
0300019 |
1 |
SEAR AND BOLT SPRING |
| 20 |
0300020 |
1 |
MAINSPRING |
| 21 |
0300021 |
1 |
BASE PIN |
| 22 |
0400022 |
1 |
HAND PIN |
| 26 |
0300026 |
1 |
TRIGGERGUARD IN STEEL |
| 31 |
0000031 |
2 |
TRIGGERGUARD SCREW |
| 32 |
0000032 |
4 |
REAR BACKSTRAP SCREW |
| 35 |
0000035 |
1 |
SCREW |
| 36 |
0000036 |
1 |
MAIN SPRING SCREW |
| 37 |
0300037 |
1 |
HAMMER SCREW |
| 38 |
0300038 |
1 |
TRIGGER SCREW |
| 40 |
0300040 |
1 |
BOLT SCREW |
| 95 |
4510095 |
1 |
FIRING PIN SPRING |
| 98 |
0299098 |
1 |
FIRING PIN |
| 129 |
0300129 |
1 |
FIRING PIN BEARING |
| 135 |
4500135 |
1 |
EJECTOR SPRING |
| 137 |
4500137 |
1 |
BASE PIN SPRING |
| 139 |
0400139 |
1 |
BASE PIN NUT |
| 140 |
0400140 |
1 |
BASE PIN SCREW |
| 143 |
0300143 |
1 |
EJECTOR ROD TUBE |
| 144 |
0400144 |
1 |
EJECTOR TUBE SCREW |
| 219 |
A3011219 |
1 |
STALLION EJECTOR 4.3/4″ .17HMR ASSEMBLY |
| 692 |
0400692 |
1 |
HAND PIN SCREW |
| 0305 |
STALLION Q.D.CONV.22LR-22MAG 4.3/4″ REV.WITH EXTRA CYL.BRASS CAT.1536 |
4.3/4” |
22LR/MAG |

| N. |
Code No. |
Q.ty |
Description |
| 1 |
A0300001 |
1 |
STALLION .22 FRAME ASSEMBLY |
| 2 |
A0300002 |
1 |
STALLION HAMMER ASSEMBLY |
| 3 |
0300003 |
1 |
BARREL |
| 5 |
0302005 |
1 |
CYLINDER STALLION .22MAG |
| 5 |
0300005 |
1 |
CYLINDER STALLION .22LR |
| 7 |
0300007 |
1 |
HAND |
| 8 |
0305008 |
1 |
BACKSTRAP |
| 10 |
0300010 |
1 |
TRIGGER |
| 11 |
0305011 |
1 |
GRIPS |
| 12 |
0300012 |
1 |
BOLT |
| 15 |
0300015 |
1 |
SIGHT |
| 18 |
0400018 |
1 |
HAND SPRING -COIL TYPE |
| 19 |
0300019 |
1 |
SEAR AND BOLT SPRING |
| 20 |
0300020 |
1 |
MAINSPRING |
| 21 |
0300021 |
1 |
BASE PIN |
| 22 |
0400022 |
1 |
HAND PIN |
| 26 |
0305026 |
1 |
TRIGGERGUARD |
| 31 |
0000031 |
2 |
TRIGGERGUARD SCREW |
| 32 |
0000032 |
4 |
REAR BACKSTRAP SCREW |
| 35 |
0000035 |
1 |
SCREW |
| 36 |
0000036 |
1 |
MAIN SPRING SCREW |
| 37 |
0300037 |
1 |
HAMMER SCREW |
| 38 |
0300038 |
1 |
TRIGGER SCREW |
| 40 |
0300040 |
1 |
BOLT SCREW |
| 95 |
4510095 |
1 |
FIRING PIN SPRING |
| 98 |
0299098 |
1 |
FIRING PIN |
| 129 |
0300129 |
1 |
FIRING PIN BEARING |
| 135 |
4500135 |
1 |
EJECTOR SPRING |
| 137 |
4500137 |
1 |
BASE PIN SPRING |
| 139 |
0400139 |
1 |
BASE PIN NUT |
| 140 |
0400140 |
1 |
BASE PIN SCREW |
| 143 |
0300143 |
1 |
EJECTOR ROD TUBE |
| 144 |
0400144 |
1 |
EJECTOR TUBE SCREW |
| 219 |
A3011219 |
1 |
STALLION EJECTOR 4.3/4″ .17HMR ASSEMBLY |
| 692 |
0400692 |
1 |
HAND PIN SCREW |
| 0306 |
STALLION Q.D.CONV.22LR-22MAG 5.1/2″ REV.WITH EXTRA CYL.BRASS CAT.1537 |
5.1/2” |
22LR/MAG |

| N. |
Code No. |
Q.ty |
Description |
| 1 |
A0300001 |
1 |
STALLION .22 FRAME ASSEMBLY |
| 2 |
A0300002 |
1 |
STALLION HAMMER ASSEMBLY |
| 3 |
|
1 |
|
| 5 |
0302005 |
1 |
CYLINDER STALLION .22MAG |
| 5 |
0300005 |
1 |
CYLINDER STALLION .22LR |
| 7 |
0300007 |
1 |
HAND |
| 8 |
0305008 |
1 |
BACKSTRAP |
| 10 |
0300010 |
1 |
TRIGGER |
| 11 |
0305011 |
1 |
GRIPS |
| 12 |
0300012 |
1 |
BOLT |
| 15 |
0300015 |
1 |
SIGHT |
| 18 |
0400018 |
1 |
HAND SPRING -COIL TYPE |
| 19 |
0300019 |
1 |
SEAR AND BOLT SPRING |
| 20 |
0300020 |
1 |
MAINSPRING |
| 21 |
0300021 |
1 |
BASE PIN |
| 22 |
0400022 |
1 |
HAND PIN |
| 26 |
0305026 |
1 |
TRIGGERGUARD |
| 31 |
0000031 |
2 |
TRIGGERGUARD SCREW |
| 32 |
0000032 |
4 |
REAR BACKSTRAP SCREW |
| 35 |
0000035 |
1 |
SCREW |
| 36 |
0000036 |
1 |
MAIN SPRING SCREW |
| 37 |
0300037 |
1 |
HAMMER SCREW |
| 38 |
0300038 |
1 |
TRIGGER SCREW |
| 40 |
0300040 |
1 |
BOLT SCREW |
| 95 |
4510095 |
1 |
FIRING PIN SPRING |
| 98 |
0299098 |
1 |
FIRING PIN |
| 129 |
0300129 |
1 |
FIRING PIN BEARING |
| 135 |
4500135 |
1 |
EJECTOR SPRING |
| 137 |
4500137 |
1 |
BASE PIN SPRING |
| 139 |
0400139 |
1 |
BASE PIN NUT |
| 140 |
0400140 |
1 |
BASE PIN SCREW |
| 143 |
0300143 |
1 |
EJECTOR ROD TUBE |
| 144 |
0400144 |
1 |
EJECTOR TUBE SCREW |
| 219 |
A3011219 |
1 |
STALLION EJECTOR 4.3/4″ .17HMR ASSEMBLY |
| 692 |
0400692 |
1 |
HAND PIN SCREW |
| 0309 |
STALLION QD BRASS 5.1/2″ .22LR REV. CAT.1537 |
5.1/2” |
22LR |

| N. |
Code No. |
Q.ty |
Description |
| 1 |
A0300001 |
1 |
STALLION .22 FRAME ASSEMBLY |
| 2 |
A0300002 |
1 |
STALLION HAMMER ASSEMBLY |
| 3 |
|
1 |
|
| 5 |
0300005 |
1 |
CYLINDER STALLION .22LR |
| 7 |
0300007 |
1 |
HAND |
| 8 |
0305008 |
1 |
BACKSTRAP |
| 10 |
0300010 |
1 |
TRIGGER |
| 11 |
0305011 |
1 |
GRIPS |
| 12 |
0300012 |
1 |
BOLT |
| 15 |
0300015 |
1 |
SIGHT |
| 18 |
0400018 |
1 |
HAND SPRING -COIL TYPE |
| 19 |
0300019 |
1 |
SEAR AND BOLT SPRING |
| 20 |
0300020 |
1 |
MAINSPRING |
| 21 |
0300021 |
1 |
BASE PIN |
| 22 |
0400022 |
1 |
HAND PIN |
| 26 |
0305026 |
1 |
TRIGGERGUARD |
| 31 |
0000031 |
2 |
TRIGGERGUARD SCREW |
| 32 |
0000032 |
4 |
REAR BACKSTRAP SCREW |
| 35 |
0000035 |
1 |
SCREW |
| 36 |
0000036 |
1 |
MAIN SPRING SCREW |
| 37 |
0300037 |
1 |
HAMMER SCREW |
| 38 |
0300038 |
1 |
TRIGGER SCREW |
| 40 |
0300040 |
1 |
BOLT SCREW |
| 95 |
4510095 |
1 |
FIRING PIN SPRING |
| 98 |
0299098 |
1 |
FIRING PIN |
| 129 |
0300129 |
1 |
FIRING PIN BEARING |
| 135 |
4500135 |
1 |
EJECTOR SPRING |
| 137 |
4500137 |
1 |
BASE PIN SPRING |
| 139 |
0400139 |
1 |
BASE PIN NUT |
| 140 |
0400140 |
1 |
BASE PIN SCREW |
| 143 |
0300143 |
1 |
EJECTOR ROD TUBE |
| 144 |
0400144 |
1 |
EJECTOR TUBE SCREW |
| 219 |
A3011219 |
1 |
STALLION EJECTOR 4.3/4″ .17HMR ASSEMBLY |
| 692 |
0400692 |
1 |
HAND PIN SCREW |
| 0316 |
STALLION TARG.CONV.22LR-22MAG 5.1/2 REV.WITH EXTRA CYL.BRASS CAT.1539 |
5.1/2” |
22LR/MAG |

| N. |
Code No. |
Q.ty |
Description |
| 1 |
A0297001 |
1 |
STALLION TARGET .22 FRAME ASSEMBLY |
| 2 |
A0300002 |
1 |
STALLION HAMMER ASSEMBLY |
| 3 |
0297003 |
1 |
BARREL .22LR 5.1/2″ TARGET |
| 5 |
0302005 |
1 |
CYLINDER STALLION .22MAG |
| 5 |
0300005 |
1 |
CYLINDER STALLION .22LR |
| 7 |
0300007 |
1 |
HAND |
| 8 |
0305008 |
1 |
BACKSTRAP |
| 10 |
0300010 |
1 |
TRIGGER |
| 11 |
0305011 |
1 |
GRIPS |
| 12 |
0300012 |
1 |
BOLT |
| 15 |
0101015 |
1 |
SIGHT |
| 18 |
0400018 |
1 |
HAND SPRING -COIL TYPE |
| 19 |
0300019 |
1 |
SEAR AND BOLT SPRING |
| 20 |
0300020 |
1 |
MAINSPRING |
| 21 |
0300021 |
1 |
BASE PIN |
| 22 |
0400022 |
1 |
HAND PIN |
| 26 |
0305026 |
1 |
TRIGGERGUARD |
| 31 |
0000031 |
2 |
TRIGGERGUARD SCREW |
| 32 |
0000032 |
4 |
REAR BACKSTRAP SCREW |
| 35 |
0000035 |
1 |
SCREW |
| 36 |
0000036 |
1 |
MAIN SPRING SCREW |
| 37 |
0300037 |
1 |
HAMMER SCREW |
| 38 |
0300038 |
1 |
TRIGGER SCREW |
| 40 |
0300040 |
1 |
BOLT SCREW |
| 55 |
0310055 |
1 |
REAR |
| 56 |
0310056 |
1 |
FRONT SIGHT RAMP |
| 95 |
4510095 |
1 |
FIRING PIN SPRING |
| 98 |
0299098 |
1 |
FIRING PIN |
| 129 |
0300129 |
1 |
FIRING PIN BEARING |
| 135 |
4500135 |
1 |
EJECTOR SPRING |
| 137 |
4500137 |
1 |
BASE PIN SPRING |
| 139 |
0400139 |
1 |
BASE PIN NUT |
| 140 |
0400140 |
1 |
BASE PIN SCREW |
| 143 |
0300143 |
1 |
EJECTOR ROD TUBE |
| 144 |
0400144 |
1 |
EJECTOR TUBE SCREW |
| 153 |
|
2 |
|
| 154 |
0310154 |
1 |
REAR SIGHT BLADE |
| 155 |
0310155 |
2 |
FRONT SIGHT RAMP RET.SCREW |
| 157 |
0310157 |
1 |
REAR SIGHT ELEV. SCREW |
| 158 |
0310158 |
1 |
REAR SIGHT SCREW |
| 189 |
0310189 |
2 |
REAR SIGHT SPRING |
| 190 |
0310190 |
1 |
REAR SIGHT PIN |
| 219 |
A3011219 |
1 |
STALLION EJECTOR 4.3/4″ .17HMR ASSEMBLY |
| 547 |
0310547 |
1 |
REAR SIGHT ELEV.SCREW PIN |
| 548 |
0310548 |
1 |
REAR SIGHT WINDAGE SPRING |
| 575 |
0310575 |
2 |
REAR SIGHT SCREW SPHERE |
| 576 |
0310576 |
1 |
REAR SIGHT DETENT BALL SPRING |
| 692 |
0400692 |
1 |
HAND PIN SCREW |
| 0317 |
STALLION TARG.CONV.22LR-22MAG 6.1/2 BRASS CAT.1540 |
6.1/2” |
22LR/MAG |

| N. |
Code No. |
Q.ty |
Description |
| 1 |
A0297001 |
1 |
STALLION TARGET .22 FRAME ASSEMBLY |
| 2 |
A0300002 |
1 |
STALLION HAMMER ASSEMBLY |
| 3 |
0317003 |
1 |
BARREL .22LR 6.1/2″ TARGET |
| 5 |
0302005 |
1 |
CYLINDER STALLION .22MAG |
| 5 |
0300005 |
1 |
CYLINDER STALLION .22LR |
| 7 |
0300007 |
1 |
HAND |
| 8 |
0305008 |
1 |
BACKSTRAP |
| 10 |
0300010 |
1 |
TRIGGER |
| 11 |
0305011 |
1 |
GRIPS |
| 12 |
0300012 |
1 |
BOLT |
| 15 |
0101015 |
1 |
SIGHT |
| 18 |
0400018 |
1 |
HAND SPRING -COIL TYPE |
| 19 |
0300019 |
1 |
SEAR AND BOLT SPRING |
| 20 |
0300020 |
1 |
MAINSPRING |
| 21 |
0300021 |
1 |
BASE PIN |
| 22 |
0400022 |
1 |
HAND PIN |
| 26 |
0305026 |
1 |
TRIGGERGUARD |
| 31 |
0000031 |
2 |
TRIGGERGUARD SCREW |
| 32 |
0000032 |
4 |
REAR BACKSTRAP SCREW |
| 35 |
0000035 |
1 |
SCREW |
| 36 |
0000036 |
1 |
MAIN SPRING SCREW |
| 37 |
0300037 |
1 |
HAMMER SCREW |
| 38 |
0300038 |
1 |
TRIGGER SCREW |
| 40 |
0300040 |
1 |
BOLT SCREW |
| 55 |
0310055 |
1 |
REAR |
| 56 |
0310056 |
1 |
FRONT SIGHT RAMP |
| 95 |
4510095 |
1 |
FIRING PIN SPRING |
| 98 |
0299098 |
1 |
FIRING PIN |
| 129 |
0300129 |
1 |
FIRING PIN BEARING |
| 135 |
4500135 |
1 |
EJECTOR SPRING |
| 137 |
4500137 |
1 |
BASE PIN SPRING |
| 139 |
0400139 |
1 |
BASE PIN NUT |
| 140 |
0400140 |
1 |
BASE PIN SCREW |
| 143 |
0300143 |
1 |
EJECTOR ROD TUBE |
| 144 |
0400144 |
1 |
EJECTOR TUBE SCREW |
| 153 |
|
2 |
|
| 154 |
0310154 |
1 |
REAR SIGHT BLADE |
| 155 |
0310155 |
2 |
FRONT SIGHT RAMP RET.SCREW |
| 157 |
0310157 |
1 |
REAR SIGHT ELEV. SCREW |
| 158 |
0310158 |
1 |
REAR SIGHT SCREW |
| 189 |
0310189 |
2 |
REAR SIGHT SPRING |
| 190 |
0310190 |
1 |
REAR SIGHT PIN |
| 219 |
A3011219 |
1 |
STALLION EJECTOR 4.3/4″ .17HMR ASSEMBLY |
| 547 |
0310547 |
1 |
REAR SIGHT ELEV.SCREW PIN |
| 548 |
0310548 |
1 |
REAR SIGHT WINDAGE SPRING |
| 575 |
0310575 |
2 |
REAR SIGHT SCREW SPHERE |
| 576 |
0310576 |
1 |
REAR SIGHT DETENT BALL SPRING |
| 692 |
0400692 |
1 |
HAND PIN SCREW |
| 0980 |
STALLION POCKET LIGHTNING 3,1/2″ CAL.38SPEC. CAT.10889 |
3.1/2” |
38 SPEC. |

| N. |
Code No. |
Q.ty |
Description |
| 1 |
A0980001 |
1 |
STALLION .38SP FRAME ASSEMBLY |
| 2 |
A0300002 |
1 |
STALLION HAMMER ASSEMBLY |
| 3 |
0980003 |
1 |
BARREL 3.1/2″ .38SPECIAL |
| 5 |
0980005 |
1 |
CYLINDER STALLION .38SPECIAL |
| 7 |
0300007 |
1 |
HAND |
| 8 |
0980008 |
1 |
LIGHTNING BACKSTRAP |
| 10 |
0300010 |
1 |
TRIGGER |
| 11 |
0980011 |
1 |
LIGHTNING GRIP |
| 12 |
0300012 |
1 |
BOLT |
| 15 |
0980015 |
1 |
SIGHT |
| 18 |
0400018 |
1 |
HAND SPRING -COIL TYPE |
| 19 |
0300019 |
1 |
SEAR AND BOLT SPRING |
| 20 |
0300020 |
1 |
MAINSPRING |
| 21 |
0300021 |
1 |
BASE PIN |
| 22 |
0400022 |
1 |
HAND PIN |
| 26 |
0300026 |
1 |
TRIGGERGUARD IN STEEL |
| 31 |
0000031 |
2 |
TRIGGERGUARD SCREW |
| 32 |
0000032 |
4 |
REAR BACKSTRAP SCREW |
| 35 |
0000035 |
1 |
SCREW |
| 36 |
0000036 |
1 |
MAIN SPRING SCREW |
| 37 |
0300037 |
1 |
HAMMER SCREW |
| 38 |
0300038 |
1 |
TRIGGER SCREW |
| 40 |
0300040 |
1 |
BOLT SCREW |
| 95 |
4510095 |
1 |
FIRING PIN SPRING |
| 98 |
0980098 |
1 |
FIRING PIN |
| 129 |
0300129 |
1 |
FIRING PIN BEARING |
| 135 |
0338135 |
1 |
EJECTOR SPRING 3.1/2″ |
| 137 |
4500137 |
1 |
BASE PIN SPRING |
| 139 |
0400139 |
1 |
BASE PIN NUT |
| 140 |
0400140 |
1 |
BASE PIN SCREW |
| 143 |
0980143 |
1 |
EJECTOR ROD TUBE |
| 144 |
0400144 |
1 |
EJECTOR TUBE SCREW |
| 219 |
A0980219 |
1 |
STALLION .38SP EJECTOR 3.1/2″ |
| 692 |
0400692 |
1 |
HAND PIN SCREW |
| 0981 |
STALLION POCKET LIGHTNING 4,3/4″ CAL.38SPEC. CAT.10934 |
4.3/4” |
38 SPEC. |

| N. |
Code No. |
Q.ty |
Description |
| 1 |
A0980001 |
1 |
STALLION .38SP FRAME ASSEMBLY |
| 2 |
A0300002 |
1 |
STALLION HAMMER ASSEMBLY |
| 3 |
0981003 |
1 |
BARREL 4.3/4″ .38SPECIAL |
| 5 |
0980005 |
1 |
CYLINDER STALLION .38SPECIAL |
| 7 |
0300007 |
1 |
HAND |
| 8 |
0980008 |
1 |
LIGHTNING BACKSTRAP |
| 10 |
0300010 |
1 |
TRIGGER |
| 11 |
0980011 |
1 |
LIGHTNING GRIP |
| 12 |
0300012 |
1 |
BOLT |
| 15 |
0980015 |
1 |
SIGHT |
| 18 |
0400018 |
1 |
HAND SPRING -COIL TYPE |
| 19 |
0300019 |
1 |
SEAR AND BOLT SPRING |
| 20 |
0300020 |
1 |
MAINSPRING |
| 21 |
0300021 |
1 |
BASE PIN |
| 22 |
0400022 |
1 |
HAND PIN |
| 26 |
0300026 |
1 |
TRIGGERGUARD IN STEEL |
| 31 |
0000031 |
2 |
TRIGGERGUARD SCREW |
| 32 |
0000032 |
4 |
REAR BACKSTRAP SCREW |
| 35 |
0000035 |
1 |
SCREW |
| 36 |
0000036 |
1 |
MAIN SPRING SCREW |
| 37 |
0300037 |
1 |
HAMMER SCREW |
| 38 |
0300038 |
1 |
TRIGGER SCREW |
| 40 |
0300040 |
1 |
BOLT SCREW |
| 95 |
4510095 |
1 |
FIRING PIN SPRING |
| 98 |
0980098 |
1 |
FIRING PIN |
| 129 |
0300129 |
1 |
FIRING PIN BEARING |
| 135 |
0338135 |
1 |
EJECTOR SPRING 3.1/2″ |
| 137 |
4500137 |
1 |
BASE PIN SPRING |
| 139 |
0400139 |
1 |
BASE PIN NUT |
| 140 |
0400140 |
1 |
BASE PIN SCREW |
| 143 |
0980143 |
1 |
EJECTOR ROD TUBE |
| 144 |
0400144 |
1 |
EJECTOR TUBE SCREW |
| 219 |
A0980219 |
1 |
STALLION .38SP EJECTOR 3.1/2″ |
| 692 |
0400692 |
1 |
HAND PIN SCREW |
| 0982 |
STALLION POCKET LIGHTNING 5,1/2″ CAL.38SPEC. CAT.10935 |
5.1/2” |
38 SPEC. |

| N. |
Code No. |
Q.ty |
Description |
| 1 |
A0980001 |
1 |
STALLION .38SP FRAME ASSEMBLY |
| 2 |
A0300002 |
1 |
STALLION HAMMER ASSEMBLY |
| 3 |
0982003 |
1 |
BARREL 5.1/2″ .38SPECIAL |
| 5 |
0980005 |
1 |
CYLINDER STALLION .38SPECIAL |
| 7 |
0300007 |
1 |
HAND |
| 8 |
0980008 |
1 |
LIGHTNING BACKSTRAP |
| 10 |
0300010 |
1 |
TRIGGER |
| 11 |
0980011 |
1 |
LIGHTNING GRIP |
| 12 |
0300012 |
1 |
BOLT |
| 15 |
0980015 |
1 |
SIGHT |
| 18 |
0400018 |
1 |
HAND SPRING -COIL TYPE |
| 19 |
0300019 |
1 |
SEAR AND BOLT SPRING |
| 20 |
0300020 |
1 |
MAINSPRING |
| 21 |
0300021 |
1 |
BASE PIN |
| 22 |
0400022 |
1 |
HAND PIN |
| 26 |
0300026 |
1 |
TRIGGERGUARD IN STEEL |
| 31 |
0000031 |
2 |
TRIGGERGUARD SCREW |
| 32 |
0000032 |
4 |
REAR BACKSTRAP SCREW |
| 35 |
0000035 |
1 |
SCREW |
| 36 |
0000036 |
1 |
MAIN SPRING SCREW |
| 37 |
0300037 |
1 |
HAMMER SCREW |
| 38 |
0300038 |
1 |
TRIGGER SCREW |
| 40 |
0300040 |
1 |
BOLT SCREW |
| 95 |
4510095 |
1 |
FIRING PIN SPRING |
| 98 |
0980098 |
1 |
FIRING PIN |
| 129 |
0300129 |
1 |
FIRING PIN BEARING |
| 135 |
0338135 |
1 |
EJECTOR SPRING 3.1/2″ |
| 137 |
4500137 |
1 |
BASE PIN SPRING |
| 139 |
0400139 |
1 |
BASE PIN NUT |
| 140 |
0400140 |
1 |
BASE PIN SCREW |
| 143 |
0980143 |
1 |
EJECTOR ROD TUBE |
| 144 |
0400144 |
1 |
EJECTOR TUBE SCREW |
| 219 |
A0980219 |
1 |
STALLION .38SP EJECTOR 3.1/2″ |
| 692 |
0400692 |
1 |
HAND PIN SCREW |
| 0985 |
STALLION STEEL 3,1/2″.38SP.CT.10889 |
3.1/2” |
38 SPEC. |

| N. |
Code No. |
Q.ty |
Description |
| 1 |
A0980001 |
1 |
STALLION .38SP FRAME ASSEMBLY |
| 2 |
A0300002 |
1 |
STALLION HAMMER ASSEMBLY |
| 3 |
0980003 |
1 |
BARREL 3.1/2″ .38SPECIAL |
| 5 |
0980005 |
1 |
CYLINDER STALLION .38SPECIAL |
| 7 |
0300007 |
1 |
HAND |
| 8 |
0300008 |
1 |
BACKSTRAP IN STEEL |
| 10 |
0300010 |
1 |
TRIGGER |
| 11 |
0300011 |
1 |
GRIPS |
| 12 |
0300012 |
1 |
BOLT |
| 15 |
0300015 |
1 |
SIGHT |
| 18 |
0400018 |
1 |
HAND SPRING -COIL TYPE |
| 19 |
0300019 |
1 |
SEAR AND BOLT SPRING |
| 20 |
0300020 |
1 |
MAINSPRING |
| 21 |
0300021 |
1 |
BASE PIN |
| 22 |
0400022 |
1 |
HAND PIN |
| 26 |
0300026 |
1 |
TRIGGERGUARD IN STEEL |
| 31 |
0000031 |
2 |
TRIGGERGUARD SCREW |
| 32 |
0000032 |
4 |
REAR BACKSTRAP SCREW |
| 35 |
0000035 |
1 |
SCREW |
| 36 |
0000036 |
1 |
MAIN SPRING SCREW |
| 37 |
0300037 |
1 |
HAMMER SCREW |
| 38 |
0300038 |
1 |
TRIGGER SCREW |
| 40 |
0300040 |
1 |
BOLT SCREW |
| 95 |
4510095 |
1 |
FIRING PIN SPRING |
| 98 |
0980098 |
1 |
FIRING PIN |
| 129 |
0300129 |
1 |
FIRING PIN BEARING |
| 135 |
0338135 |
1 |
EJECTOR SPRING 3.1/2″ |
| 137 |
4500137 |
1 |
BASE PIN SPRING |
| 139 |
0400139 |
1 |
BASE PIN NUT |
| 140 |
0400140 |
1 |
BASE PIN SCREW |
| 143 |
0980143 |
1 |
EJECTOR ROD TUBE |
| 144 |
0400144 |
1 |
EJECTOR TUBE SCREW |
| 145 |
0300145 |
1 |
GATE CATCH SCREW |
| 219 |
A0980219 |
1 |
STALLION .38SP EJECTOR 3.1/2″ |
| 692 |
0400692 |
1 |
HAND PIN SCREW |
| 0986 |
STALLION STEEL 4,3/4″.38SP.CT.10934 |
4.3/4” |
38 SPEC. |

| N. |
Code No. |
Q.ty |
Description |
| 1 |
A0980001 |
1 |
STALLION .38SP FRAME ASSEMBLY |
| 2 |
A0300002 |
1 |
STALLION HAMMER ASSEMBLY |
| 3 |
0981003 |
1 |
BARREL 4.3/4″ .38SPECIAL |
| 5 |
0980005 |
1 |
CYLINDER STALLION .38SPECIAL |
| 7 |
0300007 |
1 |
HAND |
| 8 |
0300008 |
1 |
BACKSTRAP IN STEEL |
| 10 |
0300010 |
1 |
TRIGGER |
| 11 |
0300011 |
1 |
GRIPS |
| 12 |
0300012 |
1 |
BOLT |
| 15 |
0300015 |
1 |
SIGHT |
| 18 |
0400018 |
1 |
HAND SPRING -COIL TYPE |
| 19 |
0300019 |
1 |
SEAR AND BOLT SPRING |
| 20 |
0300020 |
1 |
MAINSPRING |
| 21 |
0300021 |
1 |
BASE PIN |
| 22 |
0400022 |
1 |
HAND PIN |
| 26 |
0300026 |
1 |
TRIGGERGUARD IN STEEL |
| 31 |
0000031 |
2 |
TRIGGERGUARD SCREW |
| 32 |
0000032 |
4 |
REAR BACKSTRAP SCREW |
| 35 |
0000035 |
1 |
SCREW |
| 36 |
0000036 |
1 |
MAIN SPRING SCREW |
| 37 |
0300037 |
1 |
HAMMER SCREW |
| 38 |
0300038 |
1 |
TRIGGER SCREW |
| 40 |
0300040 |
1 |
BOLT SCREW |
| 95 |
4510095 |
1 |
FIRING PIN SPRING |
| 98 |
0980098 |
1 |
FIRING PIN |
| 129 |
0300129 |
1 |
FIRING PIN BEARING |
| 135 |
0338135 |
1 |
EJECTOR SPRING 3.1/2″ |
| 137 |
4500137 |
1 |
BASE PIN SPRING |
| 139 |
0400139 |
1 |
BASE PIN NUT |
| 140 |
0400140 |
1 |
BASE PIN SCREW |
| 143 |
0980143 |
1 |
EJECTOR ROD TUBE |
| 144 |
0400144 |
1 |
EJECTOR TUBE SCREW |
| 219 |
A0980219 |
1 |
STALLION .38SP EJECTOR 3.1/2″ |
| 692 |
0400692 |
1 |
HAND PIN SCREW |
| 0987 |
STALLION STEEL 5,1/2″.38SP.CT.10935 |
5.1/2” |
38 SPEC. |

| N. |
Code No. |
Q.ty |
Description |
| 1 |
A0980001 |
1 |
STALLION .38SP FRAME ASSEMBLY |
| 2 |
A0300002 |
1 |
STALLION HAMMER ASSEMBLY |
| 3 |
0982003 |
1 |
BARREL 5.1/2″ .38SPECIAL |
| 5 |
0980005 |
1 |
CYLINDER STALLION .38SPECIAL |
| 7 |
0300007 |
1 |
HAND |
| 8 |
0300008 |
1 |
BACKSTRAP IN STEEL |
| 10 |
0300010 |
1 |
TRIGGER |
| 11 |
0300011 |
1 |
GRIPS |
| 12 |
0300012 |
1 |
BOLT |
| 15 |
0300015 |
1 |
SIGHT |
| 18 |
0400018 |
1 |
HAND SPRING -COIL TYPE |
| 19 |
0300019 |
1 |
SEAR AND BOLT SPRING |
| 20 |
0300020 |
1 |
MAINSPRING |
| 21 |
0300021 |
1 |
BASE PIN |
| 22 |
0400022 |
1 |
HAND PIN |
| 26 |
0300026 |
1 |
TRIGGERGUARD IN STEEL |
| 31 |
0000031 |
2 |
TRIGGERGUARD SCREW |
| 32 |
0000032 |
4 |
REAR BACKSTRAP SCREW |
| 35 |
0000035 |
1 |
SCREW |
| 36 |
0000036 |
1 |
MAIN SPRING SCREW |
| 37 |
0300037 |
1 |
HAMMER SCREW |
| 38 |
0300038 |
1 |
TRIGGER SCREW |
| 40 |
0300040 |
1 |
BOLT SCREW |
| 95 |
4510095 |
1 |
FIRING PIN SPRING |
| 98 |
0980098 |
1 |
FIRING PIN |
| 129 |
0300129 |
1 |
FIRING PIN BEARING |
| 135 |
0338135 |
1 |
EJECTOR SPRING 3.1/2″ |
| 137 |
4500137 |
1 |
BASE PIN SPRING |
| 139 |
0400139 |
1 |
BASE PIN NUT |
| 140 |
0400140 |
1 |
BASE PIN SCREW |
| 143 |
0980143 |
1 |
EJECTOR ROD TUBE |
| 144 |
0400144 |
1 |
EJECTOR TUBE SCREW |
| 219 |
A0980219 |
1 |
STALLION .38SP EJECTOR 3.1/2″ |
| 692 |
0400692 |
1 |
HAND PIN SCREW |
| 0988 |
STALLION TARGET STEEL 4,3/4″.38SPEC CAT.10932 |
4.3/4” |
38 SPEC. |

| N. |
Code No. |
Q.ty |
Description |
| 1 |
A0983001 |
1 |
STALLION .38SP TARGET FRAME ASS. |
| 2 |
A0300002 |
1 |
STALLION HAMMER ASSEMBLY |
| 3 |
0983003 |
1 |
BARREL 4.3/4″ .38SP. TARGET |
| 5 |
0980005 |
1 |
CYLINDER STALLION .38SPECIAL |
| 7 |
0300007 |
1 |
HAND |
| 8 |
0300008 |
1 |
BACKSTRAP IN STEEL |
| 10 |
0300010 |
1 |
TRIGGER |
| 11 |
0300011 |
1 |
GRIPS |
| 12 |
0300012 |
1 |
BOLT |
| 15 |
0101015 |
1 |
SIGHT |
| 18 |
0400018 |
1 |
HAND SPRING -COIL TYPE |
| 19 |
0300019 |
1 |
SEAR AND BOLT SPRING |
| 20 |
0300020 |
1 |
MAINSPRING |
| 21 |
0300021 |
1 |
BASE PIN |
| 22 |
0400022 |
1 |
HAND PIN |
| 26 |
0300026 |
1 |
TRIGGERGUARD IN STEEL |
| 31 |
0000031 |
2 |
TRIGGERGUARD SCREW |
| 32 |
0000032 |
4 |
REAR BACKSTRAP SCREW |
| 35 |
0000035 |
1 |
SCREW |
| 36 |
0000036 |
1 |
MAIN SPRING SCREW |
| 37 |
0300037 |
1 |
HAMMER SCREW |
| 38 |
0300038 |
1 |
TRIGGER SCREW |
| 40 |
0300040 |
1 |
BOLT SCREW |
| 55 |
0310055 |
1 |
REAR |
| 56 |
0310056 |
1 |
FRONT SIGHT RAMP |
| 95 |
4510095 |
1 |
FIRING PIN SPRING |
| 98 |
0980098 |
1 |
FIRING PIN |
| 129 |
0300129 |
1 |
FIRING PIN BEARING |
| 135 |
0338135 |
1 |
EJECTOR SPRING 3.1/2″ |
| 137 |
4500137 |
1 |
BASE PIN SPRING |
| 139 |
0400139 |
1 |
BASE PIN NUT |
| 140 |
0400140 |
1 |
BASE PIN SCREW |
| 143 |
0980143 |
1 |
EJECTOR ROD TUBE |
| 144 |
0400144 |
1 |
EJECTOR TUBE SCREW |
| 153 |
|
2 |
|
| 154 |
0310154 |
1 |
REAR SIGHT BLADE |
| 155 |
0310155 |
2 |
FRONT SIGHT RAMP RET.SCREW |
| 157 |
0310157 |
1 |
REAR SIGHT ELEV. SCREW |
| 158 |
0310158 |
1 |
REAR SIGHT SCREW |
| 189 |
0310189 |
2 |
REAR SIGHT SPRING |
| 190 |
0310190 |
1 |
REAR SIGHT PIN |
| 219 |
A0980219 |
1 |
STALLION .38SP EJECTOR 3.1/2″ |
| 547 |
0310547 |
1 |
REAR SIGHT ELEV.SCREW PIN |
| 548 |
0310548 |
1 |
REAR SIGHT WINDAGE SPRING |
| 575 |
0310575 |
2 |
REAR SIGHT SCREW SPHERE |
| 576 |
0310576 |
1 |
REAR SIGHT DETENT BALL SPRING |
| 692 |
0400692 |
1 |
HAND PIN SCREW |
| 0989 |
STALLION TARGET STEEL 5,1/2″.38SPEC CAT.10933 |
5.1/2” |
38 SPEC. |

| N. |
Code No. |
Q.ty |
Description |
| 1 |
A0983001 |
1 |
STALLION .38SP TARGET FRAME ASS. |
| 2 |
A0300002 |
1 |
STALLION HAMMER ASSEMBLY |
| 3 |
0984003 |
1 |
BARREL 5.1/2″ .38SP. TARGET |
| 5 |
0980005 |
1 |
CYLINDER STALLION .38SPECIAL |
| 7 |
0300007 |
1 |
HAND |
| 8 |
0300008 |
1 |
BACKSTRAP IN STEEL |
| 10 |
0300010 |
1 |
TRIGGER |
| 11 |
0300011 |
1 |
GRIPS |
| 12 |
0300012 |
1 |
BOLT |
| 15 |
0101015 |
1 |
SIGHT |
| 18 |
0400018 |
1 |
HAND SPRING -COIL TYPE |
| 19 |
0300019 |
1 |
SEAR AND BOLT SPRING |
| 20 |
0300020 |
1 |
MAINSPRING |
| 21 |
0300021 |
1 |
BASE PIN |
| 22 |
0400022 |
1 |
HAND PIN |
| 26 |
0300026 |
1 |
TRIGGERGUARD IN STEEL |
| 31 |
0000031 |
2 |
TRIGGERGUARD SCREW |
| 32 |
0000032 |
4 |
REAR BACKSTRAP SCREW |
| 35 |
0000035 |
1 |
SCREW |
| 36 |
0000036 |
1 |
MAIN SPRING SCREW |
| 37 |
0300037 |
1 |
HAMMER SCREW |
| 38 |
0300038 |
1 |
TRIGGER SCREW |
| 40 |
0300040 |
1 |
BOLT SCREW |
| 55 |
0310055 |
1 |
REAR |
| 56 |
0310056 |
1 |
FRONT SIGHT RAMP |
| 95 |
4510095 |
1 |
FIRING PIN SPRING |
| 98 |
0980098 |
1 |
FIRING PIN |
| 129 |
0300129 |
1 |
FIRING PIN BEARING |
| 135 |
0338135 |
1 |
EJECTOR SPRING 3.1/2″ |
| 137 |
4500137 |
1 |
BASE PIN SPRING |
| 139 |
0400139 |
1 |
BASE PIN NUT |
| 140 |
0400140 |
1 |
BASE PIN SCREW |
| 143 |
0980143 |
1 |
EJECTOR ROD TUBE |
| 144 |
0400144 |
1 |
EJECTOR TUBE SCREW |
| 153 |
|
2 |
|
| 154 |
0310154 |
1 |
REAR SIGHT BLADE |
| 155 |
0310155 |
2 |
FRONT SIGHT RAMP RET.SCREW |
| 157 |
0310157 |
1 |
REAR SIGHT ELEV. SCREW |
| 158 |
0310158 |
1 |
REAR SIGHT SCREW |
| 189 |
0310189 |
2 |
REAR SIGHT SPRING |
| 190 |
0310190 |
1 |
REAR SIGHT PIN |
| 219 |
A0980219 |
1 |
STALLION .38SP EJECTOR 3.1/2″ |
| 547 |
0310547 |
1 |
REAR SIGHT ELEV.SCREW PIN |
| 548 |
0310548 |
1 |
REAR SIGHT WINDAGE SPRING |
| 575 |
0310575 |
2 |
REAR SIGHT SCREW SPHERE |
| 576 |
0310576 |
1 |
REAR SIGHT DETENT BALL SPRING |
| 692 |
0400692 |
1 |
HAND PIN SCREW |
| 0990 |
STALLION STEEL 3,1/2″ .32-20 13882 |
3.1/2” |
32-20 |

| N. |
Code No. |
Q.ty |
Description |
| 1 |
A0980001 |
1 |
STALLION .38SP FRAME ASSEMBLY |
| 2 |
A0300002 |
1 |
STALLION HAMMER ASSEMBLY |
| 3 |
0990003 |
1 |
BARREL 3.1/2″ .32-20 |
| 5 |
0990005 |
1 |
CYLINDER STALLION .32-20 |
| 7 |
0300007 |
1 |
HAND |
| 8 |
0300008 |
1 |
BACKSTRAP IN STEEL |
| 10 |
0300010 |
1 |
TRIGGER |
| 11 |
0300011 |
1 |
GRIPS |
| 12 |
0300012 |
1 |
BOLT |
| 15 |
0300015 |
1 |
SIGHT |
| 18 |
0400018 |
1 |
HAND SPRING -COIL TYPE |
| 19 |
0300019 |
1 |
SEAR AND BOLT SPRING |
| 20 |
0300020 |
1 |
MAINSPRING |
| 21 |
0300021 |
1 |
BASE PIN |
| 22 |
0400022 |
1 |
HAND PIN |
| 26 |
0300026 |
1 |
TRIGGERGUARD IN STEEL |
| 31 |
0000031 |
2 |
TRIGGERGUARD SCREW |
| 32 |
0000032 |
4 |
REAR BACKSTRAP SCREW |
| 35 |
0000035 |
1 |
SCREW |
| 36 |
0000036 |
1 |
MAIN SPRING SCREW |
| 37 |
0300037 |
1 |
HAMMER SCREW |
| 38 |
0300038 |
1 |
TRIGGER SCREW |
| 40 |
0300040 |
1 |
BOLT SCREW |
| 95 |
4510095 |
1 |
FIRING PIN SPRING |
| 98 |
0980098 |
1 |
FIRING PIN |
| 129 |
0300129 |
1 |
FIRING PIN BEARING |
| 135 |
0338135 |
1 |
EJECTOR SPRING 3.1/2″ |
| 137 |
4500137 |
1 |
BASE PIN SPRING |
| 139 |
0400139 |
1 |
BASE PIN NUT |
| 140 |
0400140 |
1 |
BASE PIN SCREW |
| 143 |
0980143 |
1 |
EJECTOR ROD TUBE |
| 144 |
0400144 |
1 |
EJECTOR TUBE SCREW |
| 219 |
A0980219 |
1 |
STALLION .38SP EJECTOR 3.1/2″ |
| 692 |
0400692 |
1 |
HAND PIN SCREW |
| 0991 |
STALLION STEEL 4,3/4″ .32-20 13725 |
4.3/4” |
32-20 |

| N. |
Code No. |
Q.ty |
Description |
| 1 |
A0980001 |
1 |
STALLION .38SP FRAME ASSEMBLY |
| 2 |
A0300002 |
1 |
STALLION HAMMER ASSEMBLY |
| 3 |
0991003 |
1 |
BARREL 4.3/4″ .32-20 |
| 5 |
0990005 |
1 |
CYLINDER STALLION .32-20 |
| 7 |
0300007 |
1 |
HAND |
| 8 |
0300008 |
1 |
BACKSTRAP IN STEEL |
| 10 |
0300010 |
1 |
TRIGGER |
| 11 |
0300011 |
1 |
GRIPS |
| 12 |
0300012 |
1 |
BOLT |
| 15 |
0300015 |
1 |
SIGHT |
| 18 |
0400018 |
1 |
HAND SPRING -COIL TYPE |
| 19 |
0300019 |
1 |
SEAR AND BOLT SPRING |
| 20 |
0300020 |
1 |
MAINSPRING |
| 21 |
0300021 |
1 |
BASE PIN |
| 22 |
0400022 |
1 |
HAND PIN |
| 26 |
0300026 |
1 |
TRIGGERGUARD IN STEEL |
| 31 |
0000031 |
2 |
TRIGGERGUARD SCREW |
| 32 |
0000032 |
4 |
REAR BACKSTRAP SCREW |
| 35 |
0000035 |
1 |
SCREW |
| 36 |
0000036 |
1 |
MAIN SPRING SCREW |
| 37 |
0300037 |
1 |
HAMMER SCREW |
| 38 |
0300038 |
1 |
TRIGGER SCREW |
| 40 |
0300040 |
1 |
BOLT SCREW |
| 95 |
4510095 |
1 |
FIRING PIN SPRING |
| 98 |
0980098 |
1 |
FIRING PIN |
| 129 |
0300129 |
1 |
FIRING PIN BEARING |
| 135 |
0338135 |
1 |
EJECTOR SPRING 3.1/2″ |
| 137 |
4500137 |
1 |
BASE PIN SPRING |
| 139 |
0400139 |
1 |
BASE PIN NUT |
| 140 |
0400140 |
1 |
BASE PIN SCREW |
| 143 |
0980143 |
1 |
EJECTOR ROD TUBE |
| 144 |
0400144 |
1 |
EJECTOR TUBE SCREW |
| 219 |
A0980219 |
1 |
STALLION .38SP EJECTOR 3.1/2″ |
| 692 |
0400692 |
1 |
HAND PIN SCREW |
| 0992 |
STALLION STEEL 5,1/2″ .32-20 13726 |
5.1/2” |
32-20 |

| N. |
Code No. |
Q.ty |
Description |
| 1 |
A0980001 |
1 |
STALLION .38SP FRAME ASSEMBLY |
| 2 |
A0300002 |
1 |
STALLION HAMMER ASSEMBLY |
| 3 |
0992003 |
1 |
BARREL 5.1/2″ .32-20 |
| 5 |
0990005 |
1 |
CYLINDER STALLION .32-20 |
| 7 |
0300007 |
1 |
HAND |
| 8 |
0300008 |
1 |
BACKSTRAP IN STEEL |
| 10 |
0300010 |
1 |
TRIGGER |
| 11 |
0300011 |
1 |
GRIPS |
| 12 |
0300012 |
1 |
BOLT |
| 15 |
0300015 |
1 |
SIGHT |
| 18 |
0400018 |
1 |
HAND SPRING -COIL TYPE |
| 19 |
0300019 |
1 |
SEAR AND BOLT SPRING |
| 20 |
0300020 |
1 |
MAINSPRING |
| 21 |
0300021 |
1 |
BASE PIN |
| 22 |
0400022 |
1 |
HAND PIN |
| 26 |
0300026 |
1 |
TRIGGERGUARD IN STEEL |
| 31 |
0000031 |
2 |
TRIGGERGUARD SCREW |
| 32 |
0000032 |
4 |
REAR BACKSTRAP SCREW |
| 35 |
0000035 |
1 |
SCREW |
| 36 |
0000036 |
1 |
MAIN SPRING SCREW |
| 37 |
0300037 |
1 |
HAMMER SCREW |
| 38 |
0300038 |
1 |
TRIGGER SCREW |
| 40 |
0300040 |
1 |
BOLT SCREW |
| 95 |
4510095 |
1 |
FIRING PIN SPRING |
| 98 |
0980098 |
1 |
FIRING PIN |
| 129 |
0300129 |
1 |
FIRING PIN BEARING |
| 135 |
0338135 |
1 |
EJECTOR SPRING 3.1/2″ |
| 137 |
4500137 |
1 |
BASE PIN SPRING |
| 139 |
0400139 |
1 |
BASE PIN NUT |
| 140 |
0400140 |
1 |
BASE PIN SCREW |
| 143 |
0980143 |
1 |
EJECTOR ROD TUBE |
| 144 |
0400144 |
1 |
EJECTOR TUBE SCREW |
| 219 |
A0980219 |
1 |
STALLION .38SP EJECTOR 3.1/2″ |
| 692 |
0400692 |
1 |
HAND PIN SCREW |
| 3000 |
STALLION LIGHTN. 3,1/2″.32-20 13882 |
3.1/2” |
32-20 |

| N. |
Code No. |
Q.ty |
Description |
| 1 |
A0980001 |
1 |
STALLION .38SP FRAME ASSEMBLY |
| 2 |
A0300002 |
1 |
STALLION HAMMER ASSEMBLY |
| 3 |
0990003 |
1 |
BARREL 3.1/2″ .32-20 |
| 5 |
0990005 |
1 |
CYLINDER STALLION .32-20 |
| 7 |
0300007 |
1 |
HAND |
| 8 |
0980008 |
1 |
LIGHTNING BACKSTRAP |
| 10 |
0300010 |
1 |
TRIGGER |
| 11 |
0980011 |
1 |
LIGHTNING GRIP |
| 12 |
0300012 |
1 |
BOLT |
| 15 |
0980015 |
1 |
SIGHT |
| 18 |
0400018 |
1 |
HAND SPRING -COIL TYPE |
| 19 |
0300019 |
1 |
SEAR AND BOLT SPRING |
| 20 |
0300020 |
1 |
MAINSPRING |
| 21 |
0300021 |
1 |
BASE PIN |
| 22 |
0400022 |
1 |
HAND PIN |
| 26 |
0300026 |
1 |
TRIGGERGUARD IN STEEL |
| 31 |
0000031 |
2 |
TRIGGERGUARD SCREW |
| 32 |
0000032 |
4 |
REAR BACKSTRAP SCREW |
| 35 |
0000035 |
1 |
SCREW |
| 36 |
0000036 |
1 |
MAIN SPRING SCREW |
| 37 |
0300037 |
1 |
HAMMER SCREW |
| 38 |
0300038 |
1 |
TRIGGER SCREW |
| 40 |
0300040 |
1 |
BOLT SCREW |
| 95 |
4510095 |
1 |
FIRING PIN SPRING |
| 98 |
0980098 |
1 |
FIRING PIN |
| 129 |
0300129 |
1 |
FIRING PIN BEARING |
| 135 |
0338135 |
1 |
EJECTOR SPRING 3.1/2″ |
| 137 |
4500137 |
1 |
BASE PIN SPRING |
| 139 |
0400139 |
1 |
BASE PIN NUT |
| 140 |
0400140 |
1 |
BASE PIN SCREW |
| 143 |
0980143 |
1 |
EJECTOR ROD TUBE |
| 144 |
0400144 |
1 |
EJECTOR TUBE SCREW |
| 219 |
A0980219 |
1 |
STALLION .38SP EJECTOR 3.1/2″ |
| 692 |
0400692 |
1 |
HAND PIN SCREW |
| 3001 |
STALLION LIGHTN. 4,3/4″.32-20 13725 |
4.3/4” |
32-20 |

| N. |
Code No. |
Q.ty |
Description |
| 1 |
A0980001 |
1 |
STALLION .38SP FRAME ASSEMBLY |
| 2 |
A0300002 |
1 |
STALLION HAMMER ASSEMBLY |
| 3 |
0991003 |
1 |
BARREL 4.3/4″ .32-20 |
| 5 |
0990005 |
1 |
CYLINDER STALLION .32-20 |
| 7 |
0300007 |
1 |
HAND |
| 8 |
0980008 |
1 |
LIGHTNING BACKSTRAP |
| 10 |
0300010 |
1 |
TRIGGER |
| 11 |
0980011 |
1 |
LIGHTNING GRIP |
| 12 |
0300012 |
1 |
BOLT |
| 15 |
0980015 |
1 |
SIGHT |
| 18 |
0400018 |
1 |
HAND SPRING -COIL TYPE |
| 19 |
0300019 |
1 |
SEAR AND BOLT SPRING |
| 20 |
0300020 |
1 |
MAINSPRING |
| 21 |
0300021 |
1 |
BASE PIN |
| 22 |
0400022 |
1 |
HAND PIN |
| 26 |
0300026 |
1 |
TRIGGERGUARD IN STEEL |
| 31 |
0000031 |
2 |
TRIGGERGUARD SCREW |
| 32 |
0000032 |
4 |
REAR BACKSTRAP SCREW |
| 35 |
0000035 |
1 |
SCREW |
| 36 |
0000036 |
1 |
MAIN SPRING SCREW |
| 37 |
0300037 |
1 |
HAMMER SCREW |
| 38 |
0300038 |
1 |
TRIGGER SCREW |
| 40 |
0300040 |
1 |
BOLT SCREW |
| 95 |
4510095 |
1 |
FIRING PIN SPRING |
| 98 |
0980098 |
1 |
FIRING PIN |
| 129 |
0300129 |
1 |
FIRING PIN BEARING |
| 135 |
0338135 |
1 |
EJECTOR SPRING 3.1/2″ |
| 137 |
4500137 |
1 |
BASE PIN SPRING |
| 139 |
0400139 |
1 |
BASE PIN NUT |
| 140 |
0400140 |
1 |
BASE PIN SCREW |
| 143 |
0980143 |
1 |
EJECTOR ROD TUBE |
| 144 |
0400144 |
1 |
EJECTOR TUBE SCREW |
| 219 |
A0980219 |
1 |
STALLION .38SP EJECTOR 3.1/2″ |
| 692 |
0400692 |
1 |
HAND PIN SCREW |
| 3002 |
STALLION LIGHTN. 5,1/2″.32-20 13726 |
5.1/2” |
32-20 |

| N. |
Code No. |
Q.ty |
Description |
| 1 |
A0980001 |
1 |
STALLION .38SP FRAME ASSEMBLY |
| 2 |
A0300002 |
1 |
STALLION HAMMER ASSEMBLY |
| 3 |
0992003 |
1 |
BARREL 5.1/2″ .32-20 |
| 5 |
0990005 |
1 |
CYLINDER STALLION .32-20 |
| 7 |
0300007 |
1 |
HAND |
| 8 |
0980008 |
1 |
LIGHTNING BACKSTRAP |
| 10 |
0300010 |
1 |
TRIGGER |
| 11 |
0980011 |
1 |
LIGHTNING GRIP |
| 12 |
0300012 |
1 |
BOLT |
| 15 |
0980015 |
1 |
SIGHT |
| 18 |
0400018 |
1 |
HAND SPRING -COIL TYPE |
| 19 |
0300019 |
1 |
SEAR AND BOLT SPRING |
| 20 |
0300020 |
1 |
MAINSPRING |
| 21 |
0300021 |
1 |
BASE PIN |
| 22 |
0400022 |
1 |
HAND PIN |
| 26 |
0300026 |
1 |
TRIGGERGUARD IN STEEL |
| 31 |
0000031 |
2 |
TRIGGERGUARD SCREW |
| 32 |
0000032 |
4 |
REAR BACKSTRAP SCREW |
| 35 |
0000035 |
1 |
SCREW |
| 36 |
0000036 |
1 |
MAIN SPRING SCREW |
| 37 |
0300037 |
1 |
HAMMER SCREW |
| 38 |
0300038 |
1 |
TRIGGER SCREW |
| 40 |
0300040 |
1 |
BOLT SCREW |
| 95 |
4510095 |
1 |
FIRING PIN SPRING |
| 98 |
0980098 |
1 |
FIRING PIN |
| 129 |
0300129 |
1 |
FIRING PIN BEARING |
| 135 |
0338135 |
1 |
EJECTOR SPRING 3.1/2″ |
| 137 |
4500137 |
1 |
BASE PIN SPRING |
| 139 |
0400139 |
1 |
BASE PIN NUT |
| 140 |
0400140 |
1 |
BASE PIN SCREW |
| 143 |
0980143 |
1 |
EJECTOR ROD TUBE |
| 144 |
0400144 |
1 |
EJECTOR TUBE SCREW |
| 219 |
A0980219 |
1 |
STALLION .38SP EJECTOR 3.1/2″ |
| 692 |
0400692 |
1 |
HAND PIN SCREW |
| 3003 |
STALLION POCKET BIRDHEAD 3.1/2″ CAL.38SPEC. CAT.10889 |
3.1/2” |
38 SPEC. |

| N. |
Code No. |
Q.ty |
Description |
| 1 |
A0980001 |
1 |
STALLION .38SP FRAME ASSEMBLY |
| 2 |
A0300002 |
1 |
STALLION HAMMER ASSEMBLY |
| 3 |
0980003 |
1 |
BARREL 3.1/2″ .38SPECIAL |
| 5 |
0980005 |
1 |
CYLINDER STALLION .38SPECIAL |
| 7 |
0300007 |
1 |
HAND |
| 8 |
3003008 |
1 |
BIRDHEAD BACKSTRAP |
| 10 |
0300010 |
1 |
TRIGGER |
| 11 |
0482011 |
1 |
BIRDHEAD GRIP |
| 12 |
0300012 |
1 |
BOLT |
| 15 |
0980015 |
1 |
SIGHT |
| 18 |
0400018 |
1 |
HAND SPRING -COIL TYPE |
| 19 |
0300019 |
1 |
SEAR AND BOLT SPRING |
| 20 |
0300020 |
1 |
MAINSPRING |
| 21 |
0300021 |
1 |
BASE PIN |
| 22 |
0400022 |
1 |
HAND PIN |
| 26 |
0300026 |
1 |
TRIGGERGUARD IN STEEL |
| 31 |
0000031 |
2 |
TRIGGERGUARD SCREW |
| 32 |
0000032 |
4 |
REAR BACKSTRAP SCREW |
| 35 |
0000035 |
1 |
SCREW |
| 36 |
0000036 |
1 |
MAIN SPRING SCREW |
| 37 |
0300037 |
1 |
HAMMER SCREW |
| 38 |
0300038 |
1 |
TRIGGER SCREW |
| 40 |
0300040 |
1 |
BOLT SCREW |
| 95 |
4510095 |
1 |
FIRING PIN SPRING |
| 98 |
0980098 |
1 |
FIRING PIN |
| 129 |
0300129 |
1 |
FIRING PIN BEARING |
| 135 |
0338135 |
1 |
EJECTOR SPRING 3.1/2″ |
| 137 |
4500137 |
1 |
BASE PIN SPRING |
| 139 |
0400139 |
1 |
BASE PIN NUT |
| 140 |
0400140 |
1 |
BASE PIN SCREW |
| 143 |
0980143 |
1 |
EJECTOR ROD TUBE |
| 144 |
0400144 |
1 |
EJECTOR TUBE SCREW |
| 219 |
A0980219 |
1 |
STALLION .38SP EJECTOR 3.1/2″ |
| 692 |
0400692 |
1 |
HAND PIN SCREW |
| 3004 |
STALLION POCKET BIRDHEAD 4.3/4″ CAL.38SPEC. CAT.10934 |
4.3/4” |
38 SPEC. |

| N. |
Code No. |
Q.ty |
Description |
| 1 |
A0980001 |
1 |
STALLION .38SP FRAME ASSEMBLY |
| 2 |
A0300002 |
1 |
STALLION HAMMER ASSEMBLY |
| 3 |
0981003 |
1 |
BARREL 4.3/4″ .38SPECIAL |
| 5 |
0980005 |
1 |
CYLINDER STALLION .38SPECIAL |
| 7 |
0300007 |
1 |
HAND |
| 8 |
3003008 |
1 |
BIRDHEAD BACKSTRAP |
| 10 |
0300010 |
1 |
TRIGGER |
| 11 |
0482011 |
1 |
BIRDHEAD GRIP |
| 12 |
0300012 |
1 |
BOLT |
| 15 |
0980015 |
1 |
SIGHT |
| 18 |
0400018 |
1 |
HAND SPRING -COIL TYPE |
| 19 |
0300019 |
1 |
SEAR AND BOLT SPRING |
| 20 |
0300020 |
1 |
MAINSPRING |
| 21 |
0300021 |
1 |
BASE PIN |
| 22 |
0400022 |
1 |
HAND PIN |
| 26 |
0300026 |
1 |
TRIGGERGUARD IN STEEL |
| 31 |
0000031 |
2 |
TRIGGERGUARD SCREW |
| 32 |
0000032 |
4 |
REAR BACKSTRAP SCREW |
| 35 |
0000035 |
1 |
SCREW |
| 36 |
0000036 |
1 |
MAIN SPRING SCREW |
| 37 |
0300037 |
1 |
HAMMER SCREW |
| 38 |
0300038 |
1 |
TRIGGER SCREW |
| 40 |
0300040 |
1 |
BOLT SCREW |
| 95 |
4510095 |
1 |
FIRING PIN SPRING |
| 98 |
0980098 |
1 |
FIRING PIN |
| 129 |
0300129 |
1 |
FIRING PIN BEARING |
| 135 |
0338135 |
1 |
EJECTOR SPRING 3.1/2″ |
| 137 |
4500137 |
1 |
BASE PIN SPRING |
| 139 |
0400139 |
1 |
BASE PIN NUT |
| 140 |
0400140 |
1 |
BASE PIN SCREW |
| 143 |
0980143 |
1 |
EJECTOR ROD TUBE |
| 144 |
0400144 |
1 |
EJECTOR TUBE SCREW |
| 219 |
A0980219 |
1 |
STALLION .38SP EJECTOR 3.1/2″ |
| 692 |
0400692 |
1 |
HAND PIN SCREW |
| 3005 |
STALLION POCKET BIRDHEAD 5.1/2″ CAL.38SPEC. CAT.10935 |
5.1/2” |
38 SPEC. |

| N. |
Code No. |
Q.ty |
Description |
| 1 |
A0980001 |
1 |
STALLION .38SP FRAME ASSEMBLY |
| 2 |
A0300002 |
1 |
STALLION HAMMER ASSEMBLY |
| 3 |
0982003 |
1 |
BARREL 5.1/2″ .38SPECIAL |
| 5 |
0980005 |
1 |
CYLINDER STALLION .38SPECIAL |
| 7 |
0300007 |
1 |
HAND |
| 8 |
3003008 |
1 |
BIRDHEAD BACKSTRAP |
| 10 |
0300010 |
1 |
TRIGGER |
| 11 |
0482011 |
1 |
BIRDHEAD GRIP |
| 12 |
0300012 |
1 |
BOLT |
| 15 |
0980015 |
1 |
SIGHT |
| 18 |
0400018 |
1 |
HAND SPRING -COIL TYPE |
| 19 |
0300019 |
1 |
SEAR AND BOLT SPRING |
| 20 |
0300020 |
1 |
MAINSPRING |
| 21 |
0300021 |
1 |
BASE PIN |
| 22 |
0400022 |
1 |
HAND PIN |
| 26 |
0300026 |
1 |
TRIGGERGUARD IN STEEL |
| 31 |
0000031 |
2 |
TRIGGERGUARD SCREW |
| 32 |
0000032 |
4 |
REAR BACKSTRAP SCREW |
| 35 |
0000035 |
1 |
SCREW |
| 36 |
0000036 |
1 |
MAIN SPRING SCREW |
| 37 |
0300037 |
1 |
HAMMER SCREW |
| 38 |
0300038 |
1 |
TRIGGER SCREW |
| 40 |
0300040 |
1 |
BOLT SCREW |
| 95 |
4510095 |
1 |
FIRING PIN SPRING |
| 98 |
0980098 |
1 |
FIRING PIN |
| 129 |
0300129 |
1 |
FIRING PIN BEARING |
| 135 |
0338135 |
1 |
EJECTOR SPRING 3.1/2″ |
| 137 |
4500137 |
1 |
BASE PIN SPRING |
| 139 |
0400139 |
1 |
BASE PIN NUT |
| 140 |
0400140 |
1 |
BASE PIN SCREW |
| 143 |
0980143 |
1 |
EJECTOR ROD TUBE |
| 144 |
0400144 |
1 |
EJECTOR TUBE SCREW |
| 219 |
A0980219 |
1 |
STALLION .38SP EJECTOR 3.1/2″ |
| 692 |
0400692 |
1 |
HAND PIN SCREW |
| 3008 |
STALLION POCKET BIRDHEAD 4.3/4″ CAL.22 LR CAT.1536 |
4.3/4” |
22LR |

| N. |
Code No. |
Q.ty |
Description |
| 1 |
A0300001 |
1 |
STALLION .22 FRAME ASSEMBLY |
| 2 |
A0300002 |
1 |
STALLION HAMMER ASSEMBLY |
| 3 |
0300003 |
1 |
BARREL |
| 5 |
0300005 |
1 |
CYLINDER STALLION .22LR |
| 7 |
0300007 |
1 |
HAND |
| 8 |
3003008 |
1 |
BIRDHEAD BACKSTRAP |
| 10 |
0300010 |
1 |
TRIGGER |
| 11 |
0482011 |
1 |
BIRDHEAD GRIP |
| 12 |
0300012 |
1 |
BOLT |
| 15 |
0300015 |
1 |
SIGHT |
| 18 |
0400018 |
1 |
HAND SPRING -COIL TYPE |
| 19 |
0300019 |
1 |
SEAR AND BOLT SPRING |
| 20 |
0300020 |
1 |
MAINSPRING |
| 21 |
0300021 |
1 |
BASE PIN |
| 22 |
0400022 |
1 |
HAND PIN |
| 26 |
0300026 |
1 |
TRIGGERGUARD IN STEEL |
| 31 |
0000031 |
2 |
TRIGGERGUARD SCREW |
| 32 |
0000032 |
4 |
REAR BACKSTRAP SCREW |
| 35 |
0000035 |
1 |
SCREW |
| 36 |
0000036 |
1 |
MAIN SPRING SCREW |
| 37 |
0300037 |
1 |
HAMMER SCREW |
| 38 |
0300038 |
1 |
TRIGGER SCREW |
| 40 |
0300040 |
1 |
BOLT SCREW |
| 95 |
4510095 |
1 |
FIRING PIN SPRING |
| 98 |
0299098 |
1 |
FIRING PIN |
| 129 |
0300129 |
1 |
FIRING PIN BEARING |
| 135 |
0338135 |
1 |
EJECTOR SPRING 3.1/2″ |
| 137 |
4500137 |
1 |
BASE PIN SPRING |
| 139 |
0400139 |
1 |
BASE PIN NUT |
| 140 |
0400140 |
1 |
BASE PIN SCREW |
| 143 |
0300143 |
1 |
EJECTOR ROD TUBE |
| 144 |
0400144 |
1 |
EJECTOR TUBE SCREW |
| 219 |
A3011219 |
1 |
STALLION EJECTOR 4.3/4″ .17HMR ASSEMBLY |
| 692 |
0400692 |
1 |
HAND PIN SCREW |
| 3009 |
STALLION POCKET BIRDHEAD 5.1/2″ CAL.22 LR CAT.1537 |
5.1/2” |
22LR |

| N. |
Code No. |
Q.ty |
Description |
| 1 |
A0300001 |
1 |
STALLION .22 FRAME ASSEMBLY |
| 2 |
A0300002 |
1 |
STALLION HAMMER ASSEMBLY |
| 3 |
|
1 |
|
| 5 |
0300005 |
1 |
CYLINDER STALLION .22LR |
| 7 |
0300007 |
1 |
HAND |
| 8 |
3003008 |
1 |
BIRDHEAD BACKSTRAP |
| 10 |
0300010 |
1 |
TRIGGER |
| 12 |
0300012 |
1 |
BOLT |
| 15 |
0300015 |
1 |
SIGHT |
| 18 |
0400018 |
1 |
HAND SPRING -COIL TYPE |
| 19 |
0300019 |
1 |
SEAR AND BOLT SPRING |
| 20 |
0300020 |
1 |
MAINSPRING |
| 21 |
0300021 |
1 |
BASE PIN |
| 22 |
0400022 |
1 |
HAND PIN |
| 26 |
0300026 |
1 |
TRIGGERGUARD IN STEEL |
| 31 |
0000031 |
2 |
TRIGGERGUARD SCREW |
| 32 |
0000032 |
4 |
REAR BACKSTRAP SCREW |
| 35 |
0000035 |
1 |
SCREW |
| 36 |
0000036 |
1 |
MAIN SPRING SCREW |
| 37 |
0300037 |
1 |
HAMMER SCREW |
| 38 |
0300038 |
1 |
TRIGGER SCREW |
| 40 |
0300040 |
1 |
BOLT SCREW |
| 95 |
4510095 |
1 |
FIRING PIN SPRING |
| 98 |
0299098 |
1 |
FIRING PIN |
| 129 |
0300129 |
1 |
FIRING PIN BEARING |
| 135 |
0338135 |
1 |
EJECTOR SPRING 3.1/2″ |
| 137 |
4500137 |
1 |
BASE PIN SPRING |
| 139 |
0400139 |
1 |
BASE PIN NUT |
| 140 |
0400140 |
1 |
BASE PIN SCREW |
| 143 |
0300143 |
1 |
EJECTOR ROD TUBE |
| 144 |
0400144 |
1 |
EJECTOR TUBE SCREW |
| 219 |
A3011219 |
1 |
STALLION EJECTOR 4.3/4″ .17HMR ASSEMBLY |
| 692 |
0400692 |
1 |
HAND PIN SCREW |
| 3011 |
STALLION STEEL Q.D.4.3/4″.17HMR CAT.14796 |
4.3/4” |
17HMR |

| N. |
Code No. |
Q.ty |
Description |
| 1 |
A0300001 |
1 |
STALLION .22 FRAME ASSEMBLY |
| 2 |
A0300002 |
1 |
STALLION HAMMER ASSEMBLY |
| 3 |
3011003 |
1 |
BARREL .17HMR 4.3/4″ |
| 5 |
3010005 |
1 |
CYLINDER STALLION .17HMR |
| 7 |
0300007 |
1 |
HAND |
| 8 |
0300008 |
1 |
BACKSTRAP IN STEEL |
| 10 |
0300010 |
1 |
TRIGGER |
| 11 |
0300011 |
1 |
GRIPS |
| 12 |
0300012 |
1 |
BOLT |
| 15 |
0300015 |
1 |
SIGHT |
| 18 |
0400018 |
1 |
HAND SPRING -COIL TYPE |
| 19 |
0300019 |
1 |
SEAR AND BOLT SPRING |
| 20 |
0300020 |
1 |
MAINSPRING |
| 21 |
0300021 |
1 |
BASE PIN |
| 22 |
0400022 |
1 |
HAND PIN |
| 26 |
0300026 |
1 |
TRIGGERGUARD IN STEEL |
| 31 |
0000031 |
2 |
TRIGGERGUARD SCREW |
| 32 |
0000032 |
4 |
REAR BACKSTRAP SCREW |
| 35 |
0000035 |
1 |
SCREW |
| 36 |
0000036 |
1 |
MAIN SPRING SCREW |
| 37 |
0300037 |
1 |
HAMMER SCREW |
| 38 |
0300038 |
1 |
TRIGGER SCREW |
| 40 |
0300040 |
1 |
BOLT SCREW |
| 95 |
4510095 |
1 |
FIRING PIN SPRING |
| 98 |
0299098 |
1 |
FIRING PIN |
| 129 |
0300129 |
1 |
FIRING PIN BEARING |
| 135 |
4500135 |
1 |
EJECTOR SPRING |
| 137 |
4500137 |
1 |
BASE PIN SPRING |
| 139 |
0400139 |
1 |
BASE PIN NUT |
| 140 |
0400140 |
1 |
BASE PIN SCREW |
| 143 |
0300143 |
1 |
EJECTOR ROD TUBE |
| 144 |
0400144 |
1 |
EJECTOR TUBE SCREW |
| 219 |
A3011219 |
1 |
STALLION EJECTOR 4.3/4″ .17HMR ASSEMBLY |
| 692 |
0400692 |
1 |
HAND PIN SCREW |
| 3012 |
STALLION STEEL Q.D.5.1/2″.17HMR CAT.14797 |
5.1/2” |
17HMR |

| N. |
Code No. |
Q.ty |
Description |
| 1 |
A0300001 |
1 |
STALLION .22 FRAME ASSEMBLY |
| 2 |
A0300002 |
1 |
STALLION HAMMER ASSEMBLY |
| 3 |
3012003 |
1 |
BARREL .17HMR 5,1/2″ |
| 5 |
3010005 |
1 |
CYLINDER STALLION .17HMR |
| 7 |
0300007 |
1 |
HAND |
| 8 |
0300008 |
1 |
BACKSTRAP IN STEEL |
| 10 |
0300010 |
1 |
TRIGGER |
| 11 |
0300011 |
1 |
GRIPS |
| 12 |
0300012 |
1 |
BOLT |
| 15 |
0300015 |
1 |
SIGHT |
| 18 |
0400018 |
1 |
HAND SPRING -COIL TYPE |
| 19 |
0300019 |
1 |
SEAR AND BOLT SPRING |
| 20 |
0300020 |
1 |
MAINSPRING |
| 21 |
0300021 |
1 |
BASE PIN |
| 22 |
0400022 |
1 |
HAND PIN |
| 26 |
0300026 |
1 |
TRIGGERGUARD IN STEEL |
| 31 |
0000031 |
2 |
TRIGGERGUARD SCREW |
| 32 |
0000032 |
4 |
REAR BACKSTRAP SCREW |
| 35 |
0000035 |
1 |
SCREW |
| 36 |
0000036 |
1 |
MAIN SPRING SCREW |
| 37 |
0300037 |
1 |
HAMMER SCREW |
| 38 |
0300038 |
1 |
TRIGGER SCREW |
| 40 |
0300040 |
1 |
BOLT SCREW |
| 95 |
4510095 |
1 |
FIRING PIN SPRING |
| 98 |
0299098 |
1 |
FIRING PIN |
| 129 |
0300129 |
1 |
FIRING PIN BEARING |
| 135 |
4500135 |
1 |
EJECTOR SPRING |
| 137 |
4500137 |
1 |
BASE PIN SPRING |
| 139 |
0400139 |
1 |
BASE PIN NUT |
| 140 |
0400140 |
1 |
BASE PIN SCREW |
| 143 |
0300143 |
1 |
EJECTOR ROD TUBE |
| 144 |
0400144 |
1 |
EJECTOR TUBE SCREW |
| 219 |
A3011219 |
1 |
STALLION EJECTOR 4.3/4″ .17HMR ASSEMBLY |
| 692 |
0400692 |
1 |
HAND PIN SCREW |
| 3016 |
STALLION STEEL TARGET 4.3/4″.17HMR CAT.14796 |
4.3/4” |
17HMR |

| N. |
Code No. |
Q.ty |
Description |
| 1 |
A0297001 |
1 |
STALLION TARGET .22 FRAME ASSEMBLY |
| 2 |
A0300002 |
1 |
STALLION HAMMER ASSEMBLY |
| 3 |
|
1 |
|
| 5 |
3010005 |
1 |
CYLINDER STALLION .17HMR |
| 7 |
0300007 |
1 |
HAND |
| 8 |
0300008 |
1 |
BACKSTRAP IN STEEL |
| 10 |
0300010 |
1 |
TRIGGER |
| 11 |
0300011 |
1 |
GRIPS |
| 12 |
0300012 |
1 |
BOLT |
| 15 |
0101015 |
1 |
SIGHT |
| 18 |
0400018 |
1 |
HAND SPRING -COIL TYPE |
| 19 |
0300019 |
1 |
SEAR AND BOLT SPRING |
| 20 |
0300020 |
1 |
MAINSPRING |
| 21 |
0300021 |
1 |
BASE PIN |
| 22 |
0400022 |
1 |
HAND PIN |
| 26 |
0300026 |
1 |
TRIGGERGUARD IN STEEL |
| 31 |
0000031 |
2 |
TRIGGERGUARD SCREW |
| 32 |
0000032 |
4 |
REAR BACKSTRAP SCREW |
| 35 |
0000035 |
1 |
SCREW |
| 36 |
0000036 |
1 |
MAIN SPRING SCREW |
| 37 |
0300037 |
1 |
HAMMER SCREW |
| 38 |
0300038 |
1 |
TRIGGER SCREW |
| 40 |
0300040 |
1 |
BOLT SCREW |
| 55 |
0310055 |
1 |
REAR |
| 56 |
0310056 |
1 |
FRONT SIGHT RAMP |
| 95 |
4510095 |
1 |
FIRING PIN SPRING |
| 98 |
0299098 |
1 |
FIRING PIN |
| 129 |
0300129 |
1 |
FIRING PIN BEARING |
| 135 |
4500135 |
1 |
EJECTOR SPRING |
| 137 |
4500137 |
1 |
BASE PIN SPRING |
| 139 |
0400139 |
1 |
BASE PIN NUT |
| 140 |
0400140 |
1 |
BASE PIN SCREW |
| 143 |
0300143 |
1 |
EJECTOR ROD TUBE |
| 144 |
0400144 |
1 |
EJECTOR TUBE SCREW |
| 153 |
|
2 |
|
| 154 |
0310154 |
1 |
REAR SIGHT BLADE |
| 155 |
0310155 |
2 |
FRONT SIGHT RAMP RET.SCREW |
| 157 |
0310157 |
1 |
REAR SIGHT ELEV. SCREW |
| 158 |
0310158 |
1 |
REAR SIGHT SCREW |
| 189 |
0310189 |
2 |
REAR SIGHT SPRING |
| 190 |
0310190 |
1 |
REAR SIGHT PIN |
| 219 |
A3011219 |
1 |
STALLION EJECTOR 4.3/4″ .17HMR ASSEMBLY |
| 547 |
0310547 |
1 |
REAR SIGHT ELEV.SCREW PIN |
| 548 |
0310548 |
1 |
REAR SIGHT WINDAGE SPRING |
| 575 |
0310575 |
2 |
REAR SIGHT SCREW SPHERE |
| 576 |
0310576 |
1 |
REAR SIGHT DETENT BALL SPRING |
| 692 |
0400692 |
1 |
HAND PIN SCREW |
| 3017 |
STALLION STEEL TARGET 5.1/2″.17HMR CAT.14797 |
5.1/2” |
17HMR |

| N. |
Code No. |
Q.ty |
Description |
| 1 |
A0297001 |
1 |
STALLION TARGET .22 FRAME ASSEMBLY |
| 2 |
A0300002 |
1 |
STALLION HAMMER ASSEMBLY |
| 3 |
|
1 |
|
| 5 |
3010005 |
1 |
CYLINDER STALLION .17HMR |
| 7 |
0300007 |
1 |
HAND |
| 8 |
0300008 |
1 |
BACKSTRAP IN STEEL |
| 10 |
0300010 |
1 |
TRIGGER |
| 11 |
0300011 |
1 |
GRIPS |
| 12 |
0300012 |
1 |
BOLT |
| 15 |
0101015 |
1 |
SIGHT |
| 18 |
0400018 |
1 |
HAND SPRING -COIL TYPE |
| 19 |
0300019 |
1 |
SEAR AND BOLT SPRING |
| 20 |
0300020 |
1 |
MAINSPRING |
| 21 |
0300021 |
1 |
BASE PIN |
| 22 |
0400022 |
1 |
HAND PIN |
| 26 |
0300026 |
1 |
TRIGGERGUARD IN STEEL |
| 31 |
0000031 |
2 |
TRIGGERGUARD SCREW |
| 32 |
0000032 |
4 |
REAR BACKSTRAP SCREW |
| 35 |
0000035 |
1 |
SCREW |
| 36 |
0000036 |
1 |
MAIN SPRING SCREW |
| 37 |
0300037 |
1 |
HAMMER SCREW |
| 38 |
0300038 |
1 |
TRIGGER SCREW |
| 40 |
0300040 |
1 |
BOLT SCREW |
| 55 |
0310055 |
1 |
REAR |
| 56 |
0310056 |
1 |
FRONT SIGHT RAMP |
| 95 |
4510095 |
1 |
FIRING PIN SPRING |
| 98 |
0299098 |
1 |
FIRING PIN |
| 129 |
0300129 |
1 |
FIRING PIN BEARING |
| 135 |
4500135 |
1 |
EJECTOR SPRING |
| 137 |
4500137 |
1 |
BASE PIN SPRING |
| 139 |
0400139 |
1 |
BASE PIN NUT |
| 140 |
0400140 |
1 |
BASE PIN SCREW |
| 143 |
0300143 |
1 |
EJECTOR ROD TUBE |
| 144 |
0400144 |
1 |
EJECTOR TUBE SCREW |
| 153 |
|
2 |
|
| 154 |
0310154 |
1 |
REAR SIGHT BLADE |
| 155 |
0310155 |
2 |
FRONT SIGHT RAMP RET.SCREW |
| 157 |
0310157 |
1 |
REAR SIGHT ELEV. SCREW |
| 158 |
0310158 |
1 |
REAR SIGHT SCREW |
| 189 |
0310189 |
2 |
REAR SIGHT SPRING |
| 190 |
0310190 |
1 |
REAR SIGHT PIN |
| 219 |
A3011219 |
1 |
STALLION EJECTOR 4.3/4″ .17HMR ASSEMBLY |
| 547 |
0310547 |
1 |
REAR SIGHT ELEV.SCREW PIN |
| 548 |
0310548 |
1 |
REAR SIGHT WINDAGE SPRING |
| 575 |
0310575 |
2 |
REAR SIGHT SCREW SPHERE |
| 576 |
0310576 |
1 |
REAR SIGHT DETENT BALL SPRING |
| 692 |
0400692 |
1 |
HAND PIN SCREW |
| 3018 |
STALLION STEEL TARGET 7.1/2″.17HMR |
7.1/2” |
17HMR |

| N. |
Code No. |
Q.ty |
Description |
| 1 |
A0297001 |
1 |
STALLION TARGET .22 FRAME ASSEMBLY |
| 2 |
A0300002 |
1 |
STALLION HAMMER ASSEMBLY |
| 3 |
|
1 |
|
| 5 |
3010005 |
1 |
CYLINDER STALLION .17HMR |
| 7 |
0300007 |
1 |
HAND |
| 8 |
0300008 |
1 |
BACKSTRAP IN STEEL |
| 10 |
0300010 |
1 |
TRIGGER |
| 11 |
0300011 |
1 |
GRIPS |
| 12 |
0300012 |
1 |
BOLT |
| 15 |
0101015 |
1 |
SIGHT |
| 18 |
0400018 |
1 |
HAND SPRING -COIL TYPE |
| 19 |
0300019 |
1 |
SEAR AND BOLT SPRING |
| 20 |
0300020 |
1 |
MAINSPRING |
| 21 |
0300021 |
1 |
BASE PIN |
| 22 |
0400022 |
1 |
HAND PIN |
| 26 |
0300026 |
1 |
TRIGGERGUARD IN STEEL |
| 31 |
0000031 |
2 |
TRIGGERGUARD SCREW |
| 32 |
0000032 |
4 |
REAR BACKSTRAP SCREW |
| 35 |
0000035 |
1 |
SCREW |
| 36 |
0000036 |
1 |
MAIN SPRING SCREW |
| 37 |
0300037 |
1 |
HAMMER SCREW |
| 38 |
0300038 |
1 |
TRIGGER SCREW |
| 40 |
0300040 |
1 |
BOLT SCREW |
| 55 |
0310055 |
1 |
REAR |
| 56 |
0310056 |
1 |
FRONT SIGHT RAMP |
| 95 |
4510095 |
1 |
FIRING PIN SPRING |
| 98 |
0299098 |
1 |
FIRING PIN |
| 129 |
0300129 |
1 |
FIRING PIN BEARING |
| 135 |
4500135 |
1 |
EJECTOR SPRING |
| 137 |
4500137 |
1 |
BASE PIN SPRING |
| 139 |
0400139 |
1 |
BASE PIN NUT |
| 140 |
0400140 |
1 |
BASE PIN SCREW |
| 143 |
0300143 |
1 |
EJECTOR ROD TUBE |
| 144 |
0400144 |
1 |
EJECTOR TUBE SCREW |
| 153 |
|
2 |
|
| 154 |
0310154 |
1 |
REAR SIGHT BLADE |
| 155 |
0310155 |
2 |
FRONT SIGHT RAMP RET.SCREW |
| 157 |
0310157 |
1 |
REAR SIGHT ELEV. SCREW |
| 158 |
0310158 |
1 |
REAR SIGHT SCREW |
| 189 |
0310189 |
2 |
REAR SIGHT SPRING |
| 190 |
0310190 |
1 |
REAR SIGHT PIN |
| 219 |
A3011219 |
1 |
STALLION EJECTOR 4.3/4″ .17HMR ASSEMBLY |
| 547 |
0310547 |
1 |
REAR SIGHT ELEV.SCREW PIN |
| 548 |
0310548 |
1 |
REAR SIGHT WINDAGE SPRING |
| 575 |
0310575 |
2 |
REAR SIGHT SCREW SPHERE |
| 576 |
0310576 |
1 |
REAR SIGHT DETENT BALL SPRING |
| 692 |
0400692 |
1 |
HAND PIN SCREW |
| 3019 |
STALLION STEEL TARGET 9.1/2″.17HMR |
9.1/2” |
17HMR |

| N. |
Code No. |
Q.ty |
Description |
| 1 |
A0297001 |
1 |
STALLION TARGET .22 FRAME ASSEMBLY |
| 2 |
A0300002 |
1 |
STALLION HAMMER ASSEMBLY |
| 3 |
|
1 |
|
| 5 |
3010005 |
1 |
CYLINDER STALLION .17HMR |
| 7 |
0300007 |
1 |
HAND |
| 8 |
0300008 |
1 |
BACKSTRAP IN STEEL |
| 10 |
0300010 |
1 |
TRIGGER |
| 11 |
0300011 |
1 |
GRIPS |
| 12 |
0300012 |
1 |
BOLT |
| 15 |
0101015 |
1 |
SIGHT |
| 18 |
0400018 |
1 |
HAND SPRING -COIL TYPE |
| 19 |
0300019 |
1 |
SEAR AND BOLT SPRING |
| 20 |
0300020 |
1 |
MAINSPRING |
| 21 |
0300021 |
1 |
BASE PIN |
| 22 |
0400022 |
1 |
HAND PIN |
| 26 |
0300026 |
1 |
TRIGGERGUARD IN STEEL |
| 31 |
0000031 |
2 |
TRIGGERGUARD SCREW |
| 32 |
0000032 |
4 |
REAR BACKSTRAP SCREW |
| 35 |
0000035 |
1 |
SCREW |
| 36 |
0000036 |
1 |
MAIN SPRING SCREW |
| 37 |
0300037 |
1 |
HAMMER SCREW |
| 38 |
0300038 |
1 |
TRIGGER SCREW |
| 40 |
0300040 |
1 |
BOLT SCREW |
| 55 |
0310055 |
1 |
REAR |
| 56 |
0310056 |
1 |
FRONT SIGHT RAMP |
| 95 |
4510095 |
1 |
FIRING PIN SPRING |
| 98 |
0299098 |
1 |
FIRING PIN |
| 129 |
0300129 |
1 |
FIRING PIN BEARING |
| 135 |
4500135 |
1 |
EJECTOR SPRING |
| 137 |
4500137 |
1 |
BASE PIN SPRING |
| 139 |
0400139 |
1 |
BASE PIN NUT |
| 140 |
0400140 |
1 |
BASE PIN SCREW |
| 143 |
0300143 |
1 |
EJECTOR ROD TUBE |
| 144 |
0400144 |
1 |
EJECTOR TUBE SCREW |
| 153 |
|
2 |
|
| 154 |
0310154 |
1 |
REAR SIGHT BLADE |
| 155 |
0310155 |
2 |
FRONT SIGHT RAMP RET.SCREW |
| 157 |
0310157 |
1 |
REAR SIGHT ELEV. SCREW |
| 158 |
0310158 |
1 |
REAR SIGHT SCREW |
| 189 |
0310189 |
2 |
REAR SIGHT SPRING |
| 190 |
0310190 |
1 |
REAR SIGHT PIN |
| 219 |
A3011219 |
1 |
STALLION EJECTOR 4.3/4″ .17HMR ASSEMBLY |
| 547 |
0310547 |
1 |
REAR SIGHT ELEV.SCREW PIN |
| 548 |
0310548 |
1 |
REAR SIGHT WINDAGE SPRING |
| 575 |
0310575 |
2 |
REAR SIGHT SCREW SPHERE |
| 576 |
0310576 |
1 |
REAR SIGHT DETENT BALL SPRING |
| 692 |
0400692 |
1 |
HAND PIN SCREW |
| 3021 |
STALLION BRASS Q.D.4.3/4″.17HMR CAT.14796 |
4.3/4” |
17HMR |

| N. |
Code No. |
Q.ty |
Description |
| 1 |
A0300001 |
1 |
STALLION .22 FRAME ASSEMBLY |
| 2 |
A0300002 |
1 |
STALLION HAMMER ASSEMBLY |
| 3 |
3011003 |
1 |
BARREL .17HMR 4.3/4″ |
| 5 |
3010005 |
1 |
CYLINDER STALLION .17HMR |
| 7 |
0300007 |
1 |
HAND |
| 8 |
0305008 |
1 |
BACKSTRAP |
| 10 |
0300010 |
1 |
TRIGGER |
| 11 |
0305011 |
1 |
GRIPS |
| 12 |
0300012 |
1 |
BOLT |
| 15 |
0300015 |
1 |
SIGHT |
| 18 |
0400018 |
1 |
HAND SPRING -COIL TYPE |
| 19 |
0300019 |
1 |
SEAR AND BOLT SPRING |
| 20 |
0300020 |
1 |
MAINSPRING |
| 21 |
0300021 |
1 |
BASE PIN |
| 22 |
0400022 |
1 |
HAND PIN |
| 26 |
0305026 |
1 |
TRIGGERGUARD |
| 31 |
0000031 |
2 |
TRIGGERGUARD SCREW |
| 32 |
0000032 |
4 |
REAR BACKSTRAP SCREW |
| 35 |
0000035 |
1 |
SCREW |
| 36 |
0000036 |
1 |
MAIN SPRING SCREW |
| 37 |
0300037 |
1 |
HAMMER SCREW |
| 38 |
0300038 |
1 |
TRIGGER SCREW |
| 40 |
0300040 |
1 |
BOLT SCREW |
| 95 |
4510095 |
1 |
FIRING PIN SPRING |
| 98 |
0299098 |
1 |
FIRING PIN |
| 129 |
0300129 |
1 |
FIRING PIN BEARING |
| 135 |
4500135 |
1 |
EJECTOR SPRING |
| 137 |
4500137 |
1 |
BASE PIN SPRING |
| 139 |
0400139 |
1 |
BASE PIN NUT |
| 140 |
0400140 |
1 |
BASE PIN SCREW |
| 143 |
0300143 |
1 |
EJECTOR ROD TUBE |
| 144 |
0400144 |
1 |
EJECTOR TUBE SCREW |
| 219 |
A3011219 |
1 |
STALLION EJECTOR 4.3/4″ .17HMR ASSEMBLY |
| 692 |
0400692 |
1 |
HAND PIN SCREW |
| 3022 |
STALLION BRASS Q.D.5.1/2″.17HMR CAT.14797 |
5.1/2” |
17HMR |

| N. |
Code No. |
Q.ty |
Description |
| 1 |
A0300001 |
1 |
STALLION .22 FRAME ASSEMBLY |
| 2 |
A0300002 |
1 |
STALLION HAMMER ASSEMBLY |
| 3 |
3012003 |
1 |
BARREL .17HMR 5,1/2″ |
| 5 |
3010005 |
1 |
CYLINDER STALLION .17HMR |
| 7 |
0300007 |
1 |
HAND |
| 8 |
0305008 |
1 |
BACKSTRAP |
| 10 |
0300010 |
1 |
TRIGGER |
| 11 |
0305011 |
1 |
GRIPS |
| 12 |
0300012 |
1 |
BOLT |
| 15 |
0300015 |
1 |
SIGHT |
| 18 |
0400018 |
1 |
HAND SPRING -COIL TYPE |
| 19 |
0300019 |
1 |
SEAR AND BOLT SPRING |
| 20 |
0300020 |
1 |
MAINSPRING |
| 21 |
0300021 |
1 |
BASE PIN |
| 22 |
0400022 |
1 |
HAND PIN |
| 26 |
0305026 |
1 |
TRIGGERGUARD |
| 31 |
0000031 |
2 |
TRIGGERGUARD SCREW |
| 32 |
0000032 |
4 |
REAR BACKSTRAP SCREW |
| 35 |
0000035 |
1 |
SCREW |
| 36 |
0000036 |
1 |
MAIN SPRING SCREW |
| 37 |
0300037 |
1 |
HAMMER SCREW |
| 38 |
0300038 |
1 |
TRIGGER SCREW |
| 40 |
0300040 |
1 |
BOLT SCREW |
| 95 |
4510095 |
1 |
FIRING PIN SPRING |
| 98 |
0299098 |
1 |
FIRING PIN |
| 129 |
0300129 |
1 |
FIRING PIN BEARING |
| 135 |
4500135 |
1 |
EJECTOR SPRING |
| 137 |
4500137 |
1 |
BASE PIN SPRING |
| 139 |
0400139 |
1 |
BASE PIN NUT |
| 140 |
0400140 |
1 |
BASE PIN SCREW |
| 143 |
0300143 |
1 |
EJECTOR ROD TUBE |
| 144 |
0400144 |
1 |
EJECTOR TUBE SCREW |
| 219 |
A3011219 |
1 |
STALLION EJECTOR 4.3/4″ .17HMR ASSEMBLY |
| 692 |
0400692 |
1 |
HAND PIN SCREW |
| 3027 |
STALLION BRASS TARGET 5.1/2″.17HMR CAT.14797 |
5.1/2” |
17HMR |

| N. |
Code No. |
Q.ty |
Description |
| 1 |
A0297001 |
1 |
STALLION TARGET .22 FRAME ASSEMBLY |
| 2 |
A0300002 |
1 |
STALLION HAMMER ASSEMBLY |
| 3 |
|
1 |
|
| 5 |
3010005 |
1 |
CYLINDER STALLION .17HMR |
| 7 |
0300007 |
1 |
HAND |
| 8 |
0305008 |
1 |
BACKSTRAP |
| 10 |
0300010 |
1 |
TRIGGER |
| 11 |
0305011 |
1 |
GRIPS |
| 12 |
0300012 |
1 |
BOLT |
| 15 |
0101015 |
1 |
SIGHT |
| 18 |
0400018 |
1 |
HAND SPRING -COIL TYPE |
| 19 |
0300019 |
1 |
SEAR AND BOLT SPRING |
| 20 |
0300020 |
1 |
MAINSPRING |
| 21 |
0300021 |
1 |
BASE PIN |
| 22 |
0400022 |
1 |
HAND PIN |
| 26 |
0305026 |
1 |
TRIGGERGUARD |
| 31 |
0000031 |
2 |
TRIGGERGUARD SCREW |
| 32 |
0000032 |
4 |
REAR BACKSTRAP SCREW |
| 35 |
0000035 |
1 |
SCREW |
| 36 |
0000036 |
1 |
MAIN SPRING SCREW |
| 37 |
0300037 |
1 |
HAMMER SCREW |
| 38 |
0300038 |
1 |
TRIGGER SCREW |
| 40 |
0300040 |
1 |
BOLT SCREW |
| 55 |
0310055 |
1 |
REAR |
| 56 |
0310056 |
1 |
FRONT SIGHT RAMP |
| 95 |
4510095 |
1 |
FIRING PIN SPRING |
| 98 |
0299098 |
1 |
FIRING PIN |
| 129 |
0300129 |
1 |
FIRING PIN BEARING |
| 135 |
4500135 |
1 |
EJECTOR SPRING |
| 137 |
4500137 |
1 |
BASE PIN SPRING |
| 139 |
0400139 |
1 |
BASE PIN NUT |
| 140 |
0400140 |
1 |
BASE PIN SCREW |
| 143 |
0300143 |
1 |
EJECTOR ROD TUBE |
| 144 |
0400144 |
1 |
EJECTOR TUBE SCREW |
| 153 |
|
2 |
|
| 154 |
0310154 |
1 |
REAR SIGHT BLADE |
| 155 |
0310155 |
2 |
FRONT SIGHT RAMP RET.SCREW |
| 157 |
0310157 |
1 |
REAR SIGHT ELEV. SCREW |
| 158 |
0310158 |
1 |
REAR SIGHT SCREW |
| 189 |
0310189 |
2 |
REAR SIGHT SPRING |
| 190 |
0310190 |
1 |
REAR SIGHT PIN |
| 219 |
A3011219 |
1 |
STALLION EJECTOR 4.3/4″ .17HMR ASSEMBLY |
| 547 |
0310547 |
1 |
REAR SIGHT ELEV.SCREW PIN |
| 548 |
0310548 |
1 |
REAR SIGHT WINDAGE SPRING |
| 575 |
0310575 |
2 |
REAR SIGHT SCREW SPHERE |
| 576 |
0310576 |
1 |
REAR SIGHT DETENT BALL SPRING |
| 692 |
0400692 |
1 |
HAND PIN SCREW |
| 3030 |
STALL.STEEL 3.1/2″ .32H&RMAG. 14903 |
3.1/2” |
32H&Rmag |

| N. |
Code No. |
Q.ty |
Description |
| 1 |
A0980001 |
1 |
STALLION .38SP FRAME ASSEMBLY |
| 2 |
A0300002 |
1 |
STALLION HAMMER ASSEMBLY |
| 3 |
0990003 |
1 |
BARREL 3.1/2″ .32-20 |
| 5 |
3030005 |
1 |
CYLINDER STALLION .32H&RMAG. |
| 7 |
0300007 |
1 |
HAND |
| 8 |
0300008 |
1 |
BACKSTRAP IN STEEL |
| 10 |
0300010 |
1 |
TRIGGER |
| 11 |
0300011 |
1 |
GRIPS |
| 12 |
0300012 |
1 |
BOLT |
| 15 |
0300015 |
1 |
SIGHT |
| 18 |
0400018 |
1 |
HAND SPRING -COIL TYPE |
| 19 |
0300019 |
1 |
SEAR AND BOLT SPRING |
| 20 |
0300020 |
1 |
MAINSPRING |
| 21 |
0300021 |
1 |
BASE PIN |
| 22 |
0400022 |
1 |
HAND PIN |
| 26 |
0300026 |
1 |
TRIGGERGUARD IN STEEL |
| 31 |
0000031 |
2 |
TRIGGERGUARD SCREW |
| 32 |
0000032 |
4 |
REAR BACKSTRAP SCREW |
| 35 |
0000035 |
1 |
SCREW |
| 36 |
0000036 |
1 |
MAIN SPRING SCREW |
| 37 |
0300037 |
1 |
HAMMER SCREW |
| 38 |
0300038 |
1 |
TRIGGER SCREW |
| 40 |
0300040 |
1 |
BOLT SCREW |
| 95 |
4510095 |
1 |
FIRING PIN SPRING |
| 98 |
0980098 |
1 |
FIRING PIN |
| 129 |
0300129 |
1 |
FIRING PIN BEARING |
| 135 |
0338135 |
1 |
EJECTOR SPRING 3.1/2″ |
| 137 |
4500137 |
1 |
BASE PIN SPRING |
| 139 |
0400139 |
1 |
BASE PIN NUT |
| 140 |
0400140 |
1 |
BASE PIN SCREW |
| 143 |
0980143 |
1 |
EJECTOR ROD TUBE |
| 144 |
0400144 |
1 |
EJECTOR TUBE SCREW |
| 219 |
A0980219 |
1 |
STALLION .38SP EJECTOR 3.1/2″ |
| 692 |
0400692 |
1 |
HAND PIN SCREW |
| 3032 |
STALL.STEEL 5.1/2″ .32H&RMAG. 14905 |
5.1/2” |
32H&Rmag |

| N. |
Code No. |
Q.ty |
Description |
| 1 |
A0980001 |
1 |
STALLION .38SP FRAME ASSEMBLY |
| 2 |
A0300002 |
1 |
STALLION HAMMER ASSEMBLY |
| 3 |
0992003 |
1 |
BARREL 5.1/2″ .32-20 |
| 5 |
3030005 |
1 |
CYLINDER STALLION .32H&RMAG. |
| 7 |
0300007 |
1 |
HAND |
| 8 |
0300008 |
1 |
BACKSTRAP IN STEEL |
| 10 |
0300010 |
1 |
TRIGGER |
| 11 |
0300011 |
1 |
GRIPS |
| 12 |
0300012 |
1 |
BOLT |
| 15 |
0300015 |
1 |
SIGHT |
| 18 |
0400018 |
1 |
HAND SPRING -COIL TYPE |
| 19 |
0300019 |
1 |
SEAR AND BOLT SPRING |
| 20 |
0300020 |
1 |
MAINSPRING |
| 21 |
0300021 |
1 |
BASE PIN |
| 22 |
0400022 |
1 |
HAND PIN |
| 26 |
0300026 |
1 |
TRIGGERGUARD IN STEEL |
| 31 |
0000031 |
2 |
TRIGGERGUARD SCREW |
| 32 |
0000032 |
4 |
REAR BACKSTRAP SCREW |
| 35 |
0000035 |
1 |
SCREW |
| 36 |
0000036 |
1 |
MAIN SPRING SCREW |
| 37 |
0300037 |
1 |
HAMMER SCREW |
| 38 |
0300038 |
1 |
TRIGGER SCREW |
| 40 |
0300040 |
1 |
BOLT SCREW |
| 95 |
4510095 |
1 |
FIRING PIN SPRING |
| 98 |
0980098 |
1 |
FIRING PIN |
| 129 |
0300129 |
1 |
FIRING PIN BEARING |
| 135 |
0338135 |
1 |
EJECTOR SPRING 3.1/2″ |
| 137 |
4500137 |
1 |
BASE PIN SPRING |
| 139 |
0400139 |
1 |
BASE PIN NUT |
| 140 |
0400140 |
1 |
BASE PIN SCREW |
| 143 |
0980143 |
1 |
EJECTOR ROD TUBE |
| 144 |
0400144 |
1 |
EJECTOR TUBE SCREW |
| 219 |
A0980219 |
1 |
STALLION .38SP EJECTOR 3.1/2″ |
| 692 |
0400692 |
1 |
HAND PIN SCREW |
| 3033 |
STALL.LIGH. 3.1/2″.32H&RMAG. 14903 |
3.1/2” |
32H&Rmag |

| N. |
Code No. |
Q.ty |
Description |
| 1 |
A0980001 |
1 |
STALLION .38SP FRAME ASSEMBLY |
| 2 |
A0300002 |
1 |
STALLION HAMMER ASSEMBLY |
| 3 |
0990003 |
1 |
BARREL 3.1/2″ .32-20 |
| 5 |
3030005 |
1 |
CYLINDER STALLION .32H&RMAG. |
| 7 |
0300007 |
1 |
HAND |
| 8 |
0980008 |
1 |
LIGHTNING BACKSTRAP |
| 10 |
0300010 |
1 |
TRIGGER |
| 11 |
0980011 |
1 |
LIGHTNING GRIP |
| 12 |
0300012 |
1 |
BOLT |
| 15 |
0980015 |
1 |
SIGHT |
| 18 |
0400018 |
1 |
HAND SPRING -COIL TYPE |
| 19 |
0300019 |
1 |
SEAR AND BOLT SPRING |
| 20 |
0300020 |
1 |
MAINSPRING |
| 21 |
0300021 |
1 |
BASE PIN |
| 22 |
0400022 |
1 |
HAND PIN |
| 26 |
0300026 |
1 |
TRIGGERGUARD IN STEEL |
| 31 |
0000031 |
2 |
TRIGGERGUARD SCREW |
| 32 |
0000032 |
4 |
REAR BACKSTRAP SCREW |
| 35 |
0000035 |
1 |
SCREW |
| 36 |
0000036 |
1 |
MAIN SPRING SCREW |
| 37 |
0300037 |
1 |
HAMMER SCREW |
| 38 |
0300038 |
1 |
TRIGGER SCREW |
| 40 |
0300040 |
1 |
BOLT SCREW |
| 95 |
4510095 |
1 |
FIRING PIN SPRING |
| 98 |
0980098 |
1 |
FIRING PIN |
| 129 |
0300129 |
1 |
FIRING PIN BEARING |
| 135 |
0338135 |
1 |
EJECTOR SPRING 3.1/2″ |
| 137 |
4500137 |
1 |
BASE PIN SPRING |
| 139 |
0400139 |
1 |
BASE PIN NUT |
| 140 |
0400140 |
1 |
BASE PIN SCREW |
| 143 |
0980143 |
1 |
EJECTOR ROD TUBE |
| 144 |
0400144 |
1 |
EJECTOR TUBE SCREW |
| 219 |
A0980219 |
1 |
STALLION .38SP EJECTOR 3.1/2″ |
| 692 |
0400692 |
1 |
HAND PIN SCREW |
| 3034 |
STALL.LIGH. 4.3/4″.32H&RMAG. 14904 |
4.3/4” |
32H&Rmag |

| N. |
Code No. |
Q.ty |
Description |
| 1 |
A0980001 |
1 |
STALLION .38SP FRAME ASSEMBLY |
| 2 |
A0300002 |
1 |
STALLION HAMMER ASSEMBLY |
| 3 |
0991003 |
1 |
BARREL 4.3/4″ .32-20 |
| 5 |
3030005 |
1 |
CYLINDER STALLION .32H&RMAG. |
| 7 |
0300007 |
1 |
HAND |
| 8 |
0980008 |
1 |
LIGHTNING BACKSTRAP |
| 10 |
0300010 |
1 |
TRIGGER |
| 11 |
0980011 |
1 |
LIGHTNING GRIP |
| 12 |
0300012 |
1 |
BOLT |
| 15 |
0980015 |
1 |
SIGHT |
| 18 |
0400018 |
1 |
HAND SPRING -COIL TYPE |
| 19 |
0300019 |
1 |
SEAR AND BOLT SPRING |
| 20 |
0300020 |
1 |
MAINSPRING |
| 21 |
0300021 |
1 |
BASE PIN |
| 22 |
0400022 |
1 |
HAND PIN |
| 26 |
0300026 |
1 |
TRIGGERGUARD IN STEEL |
| 31 |
0000031 |
2 |
TRIGGERGUARD SCREW |
| 32 |
0000032 |
4 |
REAR BACKSTRAP SCREW |
| 35 |
0000035 |
1 |
SCREW |
| 36 |
0000036 |
1 |
MAIN SPRING SCREW |
| 37 |
0300037 |
1 |
HAMMER SCREW |
| 38 |
0300038 |
1 |
TRIGGER SCREW |
| 40 |
0300040 |
1 |
BOLT SCREW |
| 95 |
4510095 |
1 |
FIRING PIN SPRING |
| 98 |
0980098 |
1 |
FIRING PIN |
| 129 |
0300129 |
1 |
FIRING PIN BEARING |
| 135 |
0338135 |
1 |
EJECTOR SPRING 3.1/2″ |
| 137 |
4500137 |
1 |
BASE PIN SPRING |
| 139 |
0400139 |
1 |
BASE PIN NUT |
| 140 |
0400140 |
1 |
BASE PIN SCREW |
| 143 |
0980143 |
1 |
EJECTOR ROD TUBE |
| 144 |
0400144 |
1 |
EJECTOR TUBE SCREW |
| 219 |
A0980219 |
1 |
STALLION .38SP EJECTOR 3.1/2″ |
| 692 |
0400692 |
1 |
HAND PIN SCREW |
| 3035 |
STALL.LIGH. 5.1/2″.32H&RMAG. 14905 |
5.1/2” |
32H&Rmag |

| N. |
Code No. |
Q.ty |
Description |
| 1 |
A0980001 |
1 |
STALLION .38SP FRAME ASSEMBLY |
| 2 |
A0300002 |
1 |
STALLION HAMMER ASSEMBLY |
| 3 |
0992003 |
1 |
BARREL 5.1/2″ .32-20 |
| 5 |
3030005 |
1 |
CYLINDER STALLION .32H&RMAG. |
| 7 |
0300007 |
1 |
HAND |
| 8 |
0980008 |
1 |
LIGHTNING BACKSTRAP |
| 10 |
0300010 |
1 |
TRIGGER |
| 11 |
0980011 |
1 |
LIGHTNING GRIP |
| 12 |
0300012 |
1 |
BOLT |
| 15 |
0980015 |
1 |
SIGHT |
| 18 |
0400018 |
1 |
HAND SPRING -COIL TYPE |
| 19 |
0300019 |
1 |
SEAR AND BOLT SPRING |
| 20 |
0300020 |
1 |
MAINSPRING |
| 21 |
0300021 |
1 |
BASE PIN |
| 22 |
0400022 |
1 |
HAND PIN |
| 26 |
0300026 |
1 |
TRIGGERGUARD IN STEEL |
| 31 |
0000031 |
2 |
TRIGGERGUARD SCREW |
| 32 |
0000032 |
4 |
REAR BACKSTRAP SCREW |
| 35 |
0000035 |
1 |
SCREW |
| 36 |
0000036 |
1 |
MAIN SPRING SCREW |
| 37 |
0300037 |
1 |
HAMMER SCREW |
| 38 |
0300038 |
1 |
TRIGGER SCREW |
| 40 |
0300040 |
1 |
BOLT SCREW |
| 95 |
4510095 |
1 |
FIRING PIN SPRING |
| 98 |
0980098 |
1 |
FIRING PIN |
| 129 |
0300129 |
1 |
FIRING PIN BEARING |
| 135 |
0338135 |
1 |
EJECTOR SPRING 3.1/2″ |
| 137 |
4500137 |
1 |
BASE PIN SPRING |
| 139 |
0400139 |
1 |
BASE PIN NUT |
| 140 |
0400140 |
1 |
BASE PIN SCREW |
| 143 |
0980143 |
1 |
EJECTOR ROD TUBE |
| 144 |
0400144 |
1 |
EJECTOR TUBE SCREW |
| 219 |
A0980219 |
1 |
STALLION .38SP EJECTOR 3.1/2″ |
| 692 |
0400692 |
1 |
HAND PIN SCREW |
| 3036 |
STALLION LIGHTN. 4.3/4″.22LR 1536 |
4.3/4” |
22LR |

| N. |
Code No. |
Q.ty |
Description |
| 1 |
A0300001 |
1 |
STALLION .22 FRAME ASSEMBLY |
| 2 |
A0300002 |
1 |
STALLION HAMMER ASSEMBLY |
| 3 |
0300003 |
1 |
BARREL |
| 5 |
0300005 |
1 |
CYLINDER STALLION .22LR |
| 7 |
0300007 |
1 |
HAND |
| 8 |
0980008 |
1 |
LIGHTNING BACKSTRAP |
| 10 |
0300010 |
1 |
TRIGGER |
| 11 |
0980011 |
1 |
LIGHTNING GRIP |
| 12 |
0300012 |
1 |
BOLT |
| 15 |
0300015 |
1 |
SIGHT |
| 18 |
0400018 |
1 |
HAND SPRING -COIL TYPE |
| 19 |
0300019 |
1 |
SEAR AND BOLT SPRING |
| 20 |
0300020 |
1 |
MAINSPRING |
| 21 |
0300021 |
1 |
BASE PIN |
| 22 |
0400022 |
1 |
HAND PIN |
| 26 |
0300026 |
1 |
TRIGGERGUARD IN STEEL |
| 31 |
0000031 |
2 |
TRIGGERGUARD SCREW |
| 32 |
0000032 |
4 |
REAR BACKSTRAP SCREW |
| 35 |
0000035 |
1 |
SCREW |
| 36 |
0000036 |
1 |
MAIN SPRING SCREW |
| 37 |
0300037 |
1 |
HAMMER SCREW |
| 38 |
0300038 |
1 |
TRIGGER SCREW |
| 40 |
0300040 |
1 |
BOLT SCREW |
| 95 |
4510095 |
1 |
FIRING PIN SPRING |
| 98 |
0299098 |
1 |
FIRING PIN |
| 129 |
0300129 |
1 |
FIRING PIN BEARING |
| 135 |
0338135 |
1 |
EJECTOR SPRING 3.1/2″ |
| 137 |
4500137 |
1 |
BASE PIN SPRING |
| 139 |
0400139 |
1 |
BASE PIN NUT |
| 140 |
0400140 |
1 |
BASE PIN SCREW |
| 143 |
0300143 |
1 |
EJECTOR ROD TUBE |
| 144 |
0400144 |
1 |
EJECTOR TUBE SCREW |
| 219 |
A3011219 |
1 |
STALLION EJECTOR 4.3/4″ .17HMR ASSEMBLY |
| 692 |
0400692 |
1 |
HAND PIN SCREW |
| 3037 |
STALLION LIGHTN. 5.1/2″.22LR 1537 |
5.1/2” |
22LR |

| N. |
Code No. |
Q.ty |
Description |
| 1 |
A0300001 |
1 |
STALLION .22 FRAME ASSEMBLY |
| 2 |
A0300002 |
1 |
STALLION HAMMER ASSEMBLY |
| 3 |
|
1 |
|
| 5 |
0300005 |
1 |
CYLINDER STALLION .22LR |
| 7 |
0300007 |
1 |
HAND |
| 8 |
0980008 |
1 |
LIGHTNING BACKSTRAP |
| 10 |
0300010 |
1 |
TRIGGER |
| 11 |
0980011 |
1 |
LIGHTNING GRIP |
| 12 |
0300012 |
1 |
BOLT |
| 15 |
0300015 |
1 |
SIGHT |
| 18 |
0400018 |
1 |
HAND SPRING -COIL TYPE |
| 19 |
0300019 |
1 |
SEAR AND BOLT SPRING |
| 20 |
0300020 |
1 |
MAINSPRING |
| 21 |
0300021 |
1 |
BASE PIN |
| 22 |
0400022 |
1 |
HAND PIN |
| 26 |
0300026 |
1 |
TRIGGERGUARD IN STEEL |
| 31 |
0000031 |
2 |
TRIGGERGUARD SCREW |
| 32 |
0000032 |
4 |
REAR BACKSTRAP SCREW |
| 35 |
0000035 |
1 |
SCREW |
| 36 |
0000036 |
1 |
MAIN SPRING SCREW |
| 37 |
0300037 |
1 |
HAMMER SCREW |
| 38 |
0300038 |
1 |
TRIGGER SCREW |
| 40 |
0300040 |
1 |
BOLT SCREW |
| 95 |
4510095 |
1 |
FIRING PIN SPRING |
| 98 |
0299098 |
1 |
FIRING PIN |
| 129 |
0300129 |
1 |
FIRING PIN BEARING |
| 135 |
0338135 |
1 |
EJECTOR SPRING 3.1/2″ |
| 137 |
4500137 |
1 |
BASE PIN SPRING |
| 139 |
0400139 |
1 |
BASE PIN NUT |
| 140 |
0400140 |
1 |
BASE PIN SCREW |
| 143 |
0300143 |
1 |
EJECTOR ROD TUBE |
| 144 |
0400144 |
1 |
EJECTOR TUBE SCREW |
| 219 |
A3011219 |
1 |
STALLION EJECTOR 4.3/4″ .17HMR ASSEMBLY |
| 692 |
0400692 |
1 |
HAND PIN SCREW |
| 3038 |
STALLION STEEL 4.3/4″.22LR CAT.1536 |
4.3/4” |
22LR |

| N. |
Code No. |
Q.ty |
Description |
| 1 |
A0300001 |
1 |
STALLION .22 FRAME ASSEMBLY |
| 2 |
A0300002 |
1 |
STALLION HAMMER ASSEMBLY |
| 3 |
0300003 |
1 |
BARREL |
| 5 |
0300005 |
1 |
CYLINDER STALLION .22LR |
| 7 |
0300007 |
1 |
HAND |
| 8 |
0300008 |
1 |
BACKSTRAP IN STEEL |
| 10 |
0300010 |
1 |
TRIGGER |
| 11 |
0300011 |
1 |
GRIPS |
| 12 |
0300012 |
1 |
BOLT |
| 15 |
0300015 |
1 |
SIGHT |
| 18 |
0400018 |
1 |
HAND SPRING -COIL TYPE |
| 19 |
0300019 |
1 |
SEAR AND BOLT SPRING |
| 20 |
0300020 |
1 |
MAINSPRING |
| 21 |
0300021 |
1 |
BASE PIN |
| 22 |
0400022 |
1 |
HAND PIN |
| 26 |
0300026 |
1 |
TRIGGERGUARD IN STEEL |
| 31 |
0000031 |
2 |
TRIGGERGUARD SCREW |
| 32 |
0000032 |
4 |
REAR BACKSTRAP SCREW |
| 35 |
0000035 |
1 |
SCREW |
| 36 |
0000036 |
1 |
MAIN SPRING SCREW |
| 37 |
0300037 |
1 |
HAMMER SCREW |
| 38 |
0300038 |
1 |
TRIGGER SCREW |
| 40 |
0300040 |
1 |
BOLT SCREW |
| 95 |
4510095 |
1 |
FIRING PIN SPRING |
| 98 |
0299098 |
1 |
FIRING PIN |
| 129 |
0300129 |
1 |
FIRING PIN BEARING |
| 135 |
0338135 |
1 |
EJECTOR SPRING 3.1/2″ |
| 137 |
4500137 |
1 |
BASE PIN SPRING |
| 139 |
0400139 |
1 |
BASE PIN NUT |
| 140 |
0400140 |
1 |
BASE PIN SCREW |
| 143 |
0300143 |
1 |
EJECTOR ROD TUBE |
| 144 |
0400144 |
1 |
EJECTOR TUBE SCREW |
| 219 |
A3011219 |
1 |
STALLION EJECTOR 4.3/4″ .17HMR ASSEMBLY |
| 692 |
0400692 |
1 |
HAND PIN SCREW |
| 3039 |
STALLION BRASS 4.3/4″.22LR CAT.1536 |
4.3/4” |
22LR |

| N. |
Code No. |
Q.ty |
Description |
| 1 |
A0300001 |
1 |
STALLION .22 FRAME ASSEMBLY |
| 2 |
A0300002 |
1 |
STALLION HAMMER ASSEMBLY |
| 3 |
0300003 |
1 |
BARREL |
| 5 |
0300005 |
1 |
CYLINDER STALLION .22LR |
| 7 |
0300007 |
1 |
HAND |
| 8 |
0305008 |
1 |
BACKSTRAP |
| 10 |
0300010 |
1 |
TRIGGER |
| 11 |
0305011 |
1 |
GRIPS |
| 12 |
0300012 |
1 |
BOLT |
| 15 |
0300015 |
1 |
SIGHT |
| 18 |
0400018 |
1 |
HAND SPRING -COIL TYPE |
| 19 |
0300019 |
1 |
SEAR AND BOLT SPRING |
| 20 |
0300020 |
1 |
MAINSPRING |
| 21 |
0300021 |
1 |
BASE PIN |
| 22 |
0400022 |
1 |
HAND PIN |
| 26 |
0305026 |
1 |
TRIGGERGUARD |
| 31 |
0000031 |
2 |
TRIGGERGUARD SCREW |
| 32 |
0000032 |
4 |
REAR BACKSTRAP SCREW |
| 35 |
0000035 |
1 |
SCREW |
| 36 |
0000036 |
1 |
MAIN SPRING SCREW |
| 37 |
0300037 |
1 |
HAMMER SCREW |
| 38 |
0300038 |
1 |
TRIGGER SCREW |
| 40 |
0300040 |
1 |
BOLT SCREW |
| 95 |
4510095 |
1 |
FIRING PIN SPRING |
| 98 |
0299098 |
1 |
FIRING PIN |
| 129 |
0300129 |
1 |
FIRING PIN BEARING |
| 135 |
0338135 |
1 |
EJECTOR SPRING 3.1/2″ |
| 137 |
4500137 |
1 |
BASE PIN SPRING |
| 139 |
0400139 |
1 |
BASE PIN NUT |
| 140 |
0400140 |
1 |
BASE PIN SCREW |
| 143 |
0300143 |
1 |
EJECTOR ROD TUBE |
| 144 |
0400144 |
1 |
EJECTOR TUBE SCREW |
| 219 |
A3011219 |
1 |
STALLION EJECTOR 4.3/4″ .17HMR ASSEMBLY |
| 692 |
0400692 |
1 |
HAND PIN SCREW |
| 3050 |
STALLION STEEL 3.1/2″.41LC C.15985 |
3.1/2” |
41LC |

| N. |
Code No. |
Q.ty |
Description |
| 1 |
A0980001 |
1 |
STALLION .38SP FRAME ASSEMBLY |
| 2 |
A0300002 |
1 |
STALLION HAMMER ASSEMBLY |
| 3 |
3050003 |
1 |
BARREL 3.1/2″ .38SPECIAL |
| 5 |
3050005 |
1 |
CYLINDER STALLION .32-20 |
| 7 |
0300007 |
1 |
HAND |
| 8 |
0300008 |
1 |
BACKSTRAP IN STEEL |
| 10 |
0300010 |
1 |
TRIGGER |
| 11 |
0300011 |
1 |
GRIPS |
| 12 |
0300012 |
1 |
BOLT |
| 15 |
0300015 |
1 |
SIGHT |
| 18 |
0400018 |
1 |
HAND SPRING -COIL TYPE |
| 19 |
0300019 |
1 |
SEAR AND BOLT SPRING |
| 20 |
0300020 |
1 |
MAINSPRING |
| 21 |
0300021 |
1 |
BASE PIN |
| 22 |
0400022 |
1 |
HAND PIN |
| 26 |
0300026 |
1 |
TRIGGERGUARD IN STEEL |
| 31 |
0000031 |
2 |
TRIGGERGUARD SCREW |
| 32 |
0000032 |
4 |
REAR BACKSTRAP SCREW |
| 35 |
0000035 |
1 |
SCREW |
| 36 |
0000036 |
1 |
MAIN SPRING SCREW |
| 37 |
0300037 |
1 |
HAMMER SCREW |
| 38 |
0300038 |
1 |
TRIGGER SCREW |
| 40 |
0300040 |
1 |
BOLT SCREW |
| 95 |
4510095 |
1 |
FIRING PIN SPRING |
| 98 |
0980098 |
1 |
FIRING PIN |
| 129 |
0300129 |
1 |
FIRING PIN BEARING |
| 135 |
0338135 |
1 |
EJECTOR SPRING 3.1/2″ |
| 137 |
4500137 |
1 |
BASE PIN SPRING |
| 139 |
0400139 |
1 |
BASE PIN NUT |
| 140 |
0400140 |
1 |
BASE PIN SCREW |
| 143 |
0980143 |
1 |
EJECTOR ROD TUBE |
| 144 |
0400144 |
1 |
EJECTOR TUBE SCREW |
| 219 |
A0980219 |
1 |
STALLION .38SP EJECTOR 3.1/2″ |
| 692 |
0400692 |
1 |
HAND PIN SCREW |
| 3051 |
STALLION STEEL 4.3/4″.41LC C.15986 |
4.3/4” |
41LC |

| N. |
Code No. |
Q.ty |
Description |
| 1 |
A0980001 |
1 |
STALLION .38SP FRAME ASSEMBLY |
| 2 |
A0300002 |
1 |
STALLION HAMMER ASSEMBLY |
| 3 |
3051003 |
1 |
BARREL 4.3/4″ .38SPECIAL |
| 5 |
3050005 |
1 |
CYLINDER STALLION .32-20 |
| 7 |
0300007 |
1 |
HAND |
| 8 |
0300008 |
1 |
BACKSTRAP IN STEEL |
| 10 |
0300010 |
1 |
TRIGGER |
| 11 |
0300011 |
1 |
GRIPS |
| 12 |
0300012 |
1 |
BOLT |
| 15 |
0300015 |
1 |
SIGHT |
| 18 |
0400018 |
1 |
HAND SPRING -COIL TYPE |
| 19 |
0300019 |
1 |
SEAR AND BOLT SPRING |
| 20 |
0300020 |
1 |
MAINSPRING |
| 21 |
0300021 |
1 |
BASE PIN |
| 22 |
0400022 |
1 |
HAND PIN |
| 26 |
0300026 |
1 |
TRIGGERGUARD IN STEEL |
| 31 |
0000031 |
2 |
TRIGGERGUARD SCREW |
| 32 |
0000032 |
4 |
REAR BACKSTRAP SCREW |
| 35 |
0000035 |
1 |
SCREW |
| 36 |
0000036 |
1 |
MAIN SPRING SCREW |
| 37 |
0300037 |
1 |
HAMMER SCREW |
| 38 |
0300038 |
1 |
TRIGGER SCREW |
| 40 |
0300040 |
1 |
BOLT SCREW |
| 95 |
4510095 |
1 |
FIRING PIN SPRING |
| 98 |
0980098 |
1 |
FIRING PIN |
| 129 |
0300129 |
1 |
FIRING PIN BEARING |
| 135 |
0338135 |
1 |
EJECTOR SPRING 3.1/2″ |
| 137 |
4500137 |
1 |
BASE PIN SPRING |
| 139 |
0400139 |
1 |
BASE PIN NUT |
| 140 |
0400140 |
1 |
BASE PIN SCREW |
| 143 |
0980143 |
1 |
EJECTOR ROD TUBE |
| 144 |
0400144 |
1 |
EJECTOR TUBE SCREW |
| 219 |
A0980219 |
1 |
STALLION .38SP EJECTOR 3.1/2″ |
| 692 |
0400692 |
1 |
HAND PIN SCREW |
| 3052 |
STALLION STEEL 5.1/2″.41LC C.15987 |
5.1/2” |
41LC |

| N. |
Code No. |
Q.ty |
Description |
| 1 |
A0980001 |
1 |
STALLION .38SP FRAME ASSEMBLY |
| 2 |
A0300002 |
1 |
STALLION HAMMER ASSEMBLY |
| 3 |
3052003 |
1 |
BARREL 5.1/2″ .38SPECIAL |
| 5 |
3050005 |
1 |
CYLINDER STALLION .32-20 |
| 7 |
0300007 |
1 |
HAND |
| 8 |
0300008 |
1 |
BACKSTRAP IN STEEL |
| 10 |
0300010 |
1 |
TRIGGER |
| 11 |
0300011 |
1 |
GRIPS |
| 12 |
0300012 |
1 |
BOLT |
| 15 |
0300015 |
1 |
SIGHT |
| 18 |
0400018 |
1 |
HAND SPRING -COIL TYPE |
| 19 |
0300019 |
1 |
SEAR AND BOLT SPRING |
| 20 |
0300020 |
1 |
MAINSPRING |
| 21 |
0300021 |
1 |
BASE PIN |
| 22 |
0400022 |
1 |
HAND PIN |
| 26 |
0300026 |
1 |
TRIGGERGUARD IN STEEL |
| 31 |
0000031 |
2 |
TRIGGERGUARD SCREW |
| 32 |
0000032 |
4 |
REAR BACKSTRAP SCREW |
| 35 |
0000035 |
1 |
SCREW |
| 36 |
0000036 |
1 |
MAIN SPRING SCREW |
| 37 |
0300037 |
1 |
HAMMER SCREW |
| 38 |
0300038 |
1 |
TRIGGER SCREW |
| 40 |
0300040 |
1 |
BOLT SCREW |
| 95 |
4510095 |
1 |
FIRING PIN SPRING |
| 98 |
0980098 |
1 |
FIRING PIN |
| 129 |
0300129 |
1 |
FIRING PIN BEARING |
| 135 |
0338135 |
1 |
EJECTOR SPRING 3.1/2″ |
| 137 |
4500137 |
1 |
BASE PIN SPRING |
| 139 |
0400139 |
1 |
BASE PIN NUT |
| 140 |
0400140 |
1 |
BASE PIN SCREW |
| 143 |
0980143 |
1 |
EJECTOR ROD TUBE |
| 144 |
0400144 |
1 |
EJECTOR TUBE SCREW |
| 219 |
A0980219 |
1 |
STALLION .38SP EJECTOR 3.1/2″ |
| 692 |
0400692 |
1 |
HAND PIN SCREW |
| 3053 |
STALLION STEEL 6.1/2″.41LC C.15988 |
6.1/2” |
41LC |

| N. |
Code No. |
Q.ty |
Description |
| 1 |
A0980001 |
1 |
STALLION .38SP FRAME ASSEMBLY |
| 2 |
A0300002 |
1 |
STALLION HAMMER ASSEMBLY |
| 3 |
3053003 |
1 |
BARREL 5.1/2″ .32-20 |
| 5 |
3050005 |
1 |
CYLINDER STALLION .32-20 |
| 7 |
0300007 |
1 |
HAND |
| 8 |
0300008 |
1 |
BACKSTRAP IN STEEL |
| 10 |
0300010 |
1 |
TRIGGER |
| 11 |
0300011 |
1 |
GRIPS |
| 12 |
0300012 |
1 |
BOLT |
| 15 |
0300015 |
1 |
SIGHT |
| 18 |
0400018 |
1 |
HAND SPRING -COIL TYPE |
| 19 |
0300019 |
1 |
SEAR AND BOLT SPRING |
| 20 |
0300020 |
1 |
MAINSPRING |
| 21 |
0300021 |
1 |
BASE PIN |
| 22 |
0400022 |
1 |
HAND PIN |
| 26 |
0300026 |
1 |
TRIGGERGUARD IN STEEL |
| 31 |
0000031 |
2 |
TRIGGERGUARD SCREW |
| 32 |
0000032 |
4 |
REAR BACKSTRAP SCREW |
| 35 |
0000035 |
1 |
SCREW |
| 36 |
0000036 |
1 |
MAIN SPRING SCREW |
| 37 |
0300037 |
1 |
HAMMER SCREW |
| 38 |
0300038 |
1 |
TRIGGER SCREW |
| 40 |
0300040 |
1 |
BOLT SCREW |
| 95 |
4510095 |
1 |
FIRING PIN SPRING |
| 98 |
0980098 |
1 |
FIRING PIN |
| 129 |
0300129 |
1 |
FIRING PIN BEARING |
| 135 |
0338135 |
1 |
EJECTOR SPRING 3.1/2″ |
| 137 |
4500137 |
1 |
BASE PIN SPRING |
| 139 |
0400139 |
1 |
BASE PIN NUT |
| 140 |
0400140 |
1 |
BASE PIN SCREW |
| 143 |
0980143 |
1 |
EJECTOR ROD TUBE |
| 144 |
0400144 |
1 |
EJECTOR TUBE SCREW |
| 219 |
A0980219 |
1 |
STALLION .38SP EJECTOR 3.1/2″ |
| 692 |
0400692 |
1 |
HAND PIN SCREW |
| 3054 |
STALLION LIGHTN. 3.1/2″.41LC 15985 |
3.1/2” |
41LC |

| N. |
Code No. |
Q.ty |
Description |
| 1 |
A0980001 |
1 |
STALLION .38SP FRAME ASSEMBLY |
| 2 |
A0300002 |
1 |
STALLION HAMMER ASSEMBLY |
| 3 |
3050003 |
1 |
BARREL 3.1/2″ .38SPECIAL |
| 5 |
3050005 |
1 |
CYLINDER STALLION .32-20 |
| 7 |
0300007 |
1 |
HAND |
| 8 |
0980008 |
1 |
LIGHTNING BACKSTRAP |
| 10 |
0300010 |
1 |
TRIGGER |
| 11 |
0980011 |
1 |
LIGHTNING GRIP |
| 12 |
0300012 |
1 |
BOLT |
| 15 |
0980015 |
1 |
SIGHT |
| 18 |
0400018 |
1 |
HAND SPRING -COIL TYPE |
| 19 |
0300019 |
1 |
SEAR AND BOLT SPRING |
| 20 |
0300020 |
1 |
MAINSPRING |
| 21 |
0300021 |
1 |
BASE PIN |
| 22 |
0400022 |
1 |
HAND PIN |
| 26 |
0300026 |
1 |
TRIGGERGUARD IN STEEL |
| 31 |
0000031 |
2 |
TRIGGERGUARD SCREW |
| 32 |
0000032 |
4 |
REAR BACKSTRAP SCREW |
| 35 |
0000035 |
1 |
SCREW |
| 36 |
0000036 |
1 |
MAIN SPRING SCREW |
| 37 |
0300037 |
1 |
HAMMER SCREW |
| 38 |
0300038 |
1 |
TRIGGER SCREW |
| 40 |
0300040 |
1 |
BOLT SCREW |
| 95 |
4510095 |
1 |
FIRING PIN SPRING |
| 98 |
0980098 |
1 |
FIRING PIN |
| 129 |
0300129 |
1 |
FIRING PIN BEARING |
| 135 |
0338135 |
1 |
EJECTOR SPRING 3.1/2″ |
| 137 |
4500137 |
1 |
BASE PIN SPRING |
| 139 |
0400139 |
1 |
BASE PIN NUT |
| 140 |
0400140 |
1 |
BASE PIN SCREW |
| 143 |
0980143 |
1 |
EJECTOR ROD TUBE |
| 144 |
0400144 |
1 |
EJECTOR TUBE SCREW |
| 219 |
A0980219 |
1 |
STALLION .38SP EJECTOR 3.1/2″ |
| 692 |
0400692 |
1 |
HAND PIN SCREW |
| 3055 |
STALLION LIGHTN. 4.3/4″.41LC 15986 |
4.3/4” |
41LC |

| N. |
Code No. |
Q.ty |
Description |
| 1 |
A0980001 |
1 |
STALLION .38SP FRAME ASSEMBLY |
| 2 |
A0300002 |
1 |
STALLION HAMMER ASSEMBLY |
| 3 |
3051003 |
1 |
BARREL 4.3/4″ .38SPECIAL |
| 5 |
3050005 |
1 |
CYLINDER STALLION .32-20 |
| 7 |
0300007 |
1 |
HAND |
| 8 |
0980008 |
1 |
LIGHTNING BACKSTRAP |
| 10 |
0300010 |
1 |
TRIGGER |
| 11 |
0980011 |
1 |
LIGHTNING GRIP |
| 12 |
0300012 |
1 |
BOLT |
| 15 |
0980015 |
1 |
SIGHT |
| 18 |
0400018 |
1 |
HAND SPRING -COIL TYPE |
| 19 |
0300019 |
1 |
SEAR AND BOLT SPRING |
| 20 |
0300020 |
1 |
MAINSPRING |
| 21 |
0300021 |
1 |
BASE PIN |
| 22 |
0400022 |
1 |
HAND PIN |
| 26 |
0300026 |
1 |
TRIGGERGUARD IN STEEL |
| 31 |
0000031 |
2 |
TRIGGERGUARD SCREW |
| 32 |
0000032 |
4 |
REAR BACKSTRAP SCREW |
| 35 |
0000035 |
1 |
SCREW |
| 36 |
0000036 |
1 |
MAIN SPRING SCREW |
| 37 |
0300037 |
1 |
HAMMER SCREW |
| 38 |
0300038 |
1 |
TRIGGER SCREW |
| 40 |
0300040 |
1 |
BOLT SCREW |
| 95 |
4510095 |
1 |
FIRING PIN SPRING |
| 98 |
0980098 |
1 |
FIRING PIN |
| 129 |
0300129 |
1 |
FIRING PIN BEARING |
| 135 |
0338135 |
1 |
EJECTOR SPRING 3.1/2″ |
| 137 |
4500137 |
1 |
BASE PIN SPRING |
| 139 |
0400139 |
1 |
BASE PIN NUT |
| 140 |
0400140 |
1 |
BASE PIN SCREW |
| 143 |
0980143 |
1 |
EJECTOR ROD TUBE |
| 144 |
0400144 |
1 |
EJECTOR TUBE SCREW |
| 219 |
A0980219 |
1 |
STALLION .38SP EJECTOR 3.1/2″ |
| 692 |
0400692 |
1 |
HAND PIN SCREW |
| 3056 |
STALLION LIGHTN. 5.1/2″.41LC 15987 |
5.1/2” |
41LC |

| N. |
Code No. |
Q.ty |
Description |
| 1 |
A0980001 |
1 |
STALLION .38SP FRAME ASSEMBLY |
| 2 |
A0300002 |
1 |
STALLION HAMMER ASSEMBLY |
| 3 |
3052003 |
1 |
BARREL 5.1/2″ .38SPECIAL |
| 5 |
3050005 |
1 |
CYLINDER STALLION .32-20 |
| 7 |
0300007 |
1 |
HAND |
| 8 |
0980008 |
1 |
LIGHTNING BACKSTRAP |
| 10 |
0300010 |
1 |
TRIGGER |
| 11 |
0980011 |
1 |
LIGHTNING GRIP |
| 12 |
0300012 |
1 |
BOLT |
| 15 |
0980015 |
1 |
SIGHT |
| 18 |
0400018 |
1 |
HAND SPRING -COIL TYPE |
| 19 |
0300019 |
1 |
SEAR AND BOLT SPRING |
| 20 |
0300020 |
1 |
MAINSPRING |
| 21 |
0300021 |
1 |
BASE PIN |
| 22 |
0400022 |
1 |
HAND PIN |
| 26 |
0300026 |
1 |
TRIGGERGUARD IN STEEL |
| 31 |
0000031 |
2 |
TRIGGERGUARD SCREW |
| 32 |
0000032 |
4 |
REAR BACKSTRAP SCREW |
| 35 |
0000035 |
1 |
SCREW |
| 36 |
0000036 |
1 |
MAIN SPRING SCREW |
| 37 |
0300037 |
1 |
HAMMER SCREW |
| 38 |
0300038 |
1 |
TRIGGER SCREW |
| 40 |
0300040 |
1 |
BOLT SCREW |
| 95 |
4510095 |
1 |
FIRING PIN SPRING |
| 98 |
0980098 |
1 |
FIRING PIN |
| 129 |
0300129 |
1 |
FIRING PIN BEARING |
| 135 |
0338135 |
1 |
EJECTOR SPRING 3.1/2″ |
| 137 |
4500137 |
1 |
BASE PIN SPRING |
| 139 |
0400139 |
1 |
BASE PIN NUT |
| 140 |
0400140 |
1 |
BASE PIN SCREW |
| 143 |
0980143 |
1 |
EJECTOR ROD TUBE |
| 144 |
0400144 |
1 |
EJECTOR TUBE SCREW |
| 219 |
A0980219 |
1 |
STALLION .38SP EJECTOR 3.1/2″ |
| 692 |
0400692 |
1 |
HAND PIN SCREW |
| 3057 |
STALLION LIGHTN. 6.1/2″.41LC 15988 |
6.1/2” |
41LC |

| N. |
Code No. |
Q.ty |
Description |
| 1 |
A0980001 |
1 |
STALLION .38SP FRAME ASSEMBLY |
| 2 |
A0300002 |
1 |
STALLION HAMMER ASSEMBLY |
| 3 |
3053003 |
1 |
BARREL 5.1/2″ .32-20 |
| 5 |
3050005 |
1 |
CYLINDER STALLION .32-20 |
| 7 |
0300007 |
1 |
HAND |
| 8 |
0980008 |
1 |
LIGHTNING BACKSTRAP |
| 10 |
0300010 |
1 |
TRIGGER |
| 11 |
0980011 |
1 |
LIGHTNING GRIP |
| 12 |
0300012 |
1 |
BOLT |
| 15 |
0980015 |
1 |
SIGHT |
| 18 |
0400018 |
1 |
HAND SPRING -COIL TYPE |
| 19 |
0300019 |
1 |
SEAR AND BOLT SPRING |
| 20 |
0300020 |
1 |
MAINSPRING |
| 21 |
0300021 |
1 |
BASE PIN |
| 22 |
0400022 |
1 |
HAND PIN |
| 26 |
0300026 |
1 |
TRIGGERGUARD IN STEEL |
| 31 |
0000031 |
2 |
TRIGGERGUARD SCREW |
| 32 |
0000032 |
4 |
REAR BACKSTRAP SCREW |
| 35 |
0000035 |
1 |
SCREW |
| 36 |
0000036 |
1 |
MAIN SPRING SCREW |
| 37 |
0300037 |
1 |
HAMMER SCREW |
| 38 |
0300038 |
1 |
TRIGGER SCREW |
| 40 |
0300040 |
1 |
BOLT SCREW |
| 95 |
4510095 |
1 |
FIRING PIN SPRING |
| 98 |
0980098 |
1 |
FIRING PIN |
| 129 |
0300129 |
1 |
FIRING PIN BEARING |
| 135 |
0338135 |
1 |
EJECTOR SPRING 3.1/2″ |
| 137 |
4500137 |
1 |
BASE PIN SPRING |
| 139 |
0400139 |
1 |
BASE PIN NUT |
| 140 |
0400140 |
1 |
BASE PIN SCREW |
| 143 |
0980143 |
1 |
EJECTOR ROD TUBE |
| 144 |
0400144 |
1 |
EJECTOR TUBE SCREW |
| 219 |
A0980219 |
1 |
STALLION .38SP EJECTOR 3.1/2″ |
| 692 |
0400692 |
1 |
HAND PIN SCREW |
| 3200 |
STALL.BRASS 10 SH.5.1/2″.22LR 18047 |
5.1/2” |
22LR |

| N. |
Code No. |
Q.ty |
Description |
| 1 |
A0300001 |
1 |
STALLION .22 FRAME ASSEMBLY |
| 2 |
A3200002 |
1 |
STALLION .22 10 SHOT HAMMER ASSEMBLY |
| 3 |
|
1 |
|
| 5 |
3200005 |
1 |
CYLINDER STALLION .22LR |
| 7 |
3200007 |
1 |
HAND |
| 8 |
0305008 |
1 |
BACKSTRAP |
| 10 |
0300010 |
1 |
TRIGGER |
| 11 |
0305011 |
1 |
GRIPS |
| 12 |
3200012 |
1 |
BOLT |
| 15 |
0300015 |
1 |
SIGHT |
| 18 |
0400018 |
1 |
HAND SPRING -COIL TYPE |
| 19 |
0300019 |
1 |
SEAR AND BOLT SPRING |
| 20 |
0300020 |
1 |
MAINSPRING |
| 21 |
0300021 |
1 |
BASE PIN |
| 22 |
0400022 |
1 |
HAND PIN |
| 26 |
0305026 |
1 |
TRIGGERGUARD |
| 31 |
0000031 |
2 |
TRIGGERGUARD SCREW |
| 32 |
0000032 |
4 |
REAR BACKSTRAP SCREW |
| 35 |
0000035 |
1 |
SCREW |
| 36 |
0000036 |
1 |
MAIN SPRING SCREW |
| 37 |
0300037 |
1 |
HAMMER SCREW |
| 38 |
0300038 |
1 |
TRIGGER SCREW |
| 40 |
0300040 |
1 |
BOLT SCREW |
| 95 |
4510095 |
1 |
FIRING PIN SPRING |
| 98 |
0299098 |
1 |
FIRING PIN |
| 129 |
0300129 |
1 |
FIRING PIN BEARING |
| 135 |
4500135 |
1 |
EJECTOR SPRING |
| 137 |
4500137 |
1 |
BASE PIN SPRING |
| 139 |
0400139 |
1 |
BASE PIN NUT |
| 140 |
0400140 |
1 |
BASE PIN SCREW |
| 143 |
0300143 |
1 |
EJECTOR ROD TUBE |
| 144 |
0400144 |
1 |
EJECTOR TUBE SCREW |
| 219 |
A3011219 |
1 |
STALLION EJECTOR 4.3/4″ .17HMR ASSEMBLY |
| 692 |
0400692 |
1 |
HAND PIN SCREW |
| 3201 |
STALL.STEEL 10 SH.5.1/2″.22LR 18047 |
5.1/2” |
22LR |

| N. |
Code No. |
Q.ty |
Description |
| 1 |
A0300001 |
1 |
STALLION .22 FRAME ASSEMBLY |
| 2 |
A3200002 |
1 |
STALLION .22 10 SHOT HAMMER ASSEMBLY |
| 3 |
|
1 |
|
| 5 |
3200005 |
1 |
CYLINDER STALLION .22LR |
| 7 |
3200007 |
1 |
HAND |
| 8 |
0300008 |
1 |
BACKSTRAP IN STEEL |
| 10 |
0300010 |
1 |
TRIGGER |
| 11 |
0300011 |
1 |
GRIPS |
| 12 |
3200012 |
1 |
BOLT |
| 15 |
0300015 |
1 |
SIGHT |
| 18 |
0400018 |
1 |
HAND SPRING -COIL TYPE |
| 19 |
0300019 |
1 |
SEAR AND BOLT SPRING |
| 20 |
0300020 |
1 |
MAINSPRING |
| 21 |
0300021 |
1 |
BASE PIN |
| 22 |
0400022 |
1 |
HAND PIN |
| 26 |
0300026 |
1 |
TRIGGERGUARD IN STEEL |
| 31 |
0000031 |
2 |
TRIGGERGUARD SCREW |
| 32 |
0000032 |
4 |
REAR BACKSTRAP SCREW |
| 35 |
0000035 |
1 |
SCREW |
| 36 |
0000036 |
1 |
MAIN SPRING SCREW |
| 37 |
0300037 |
1 |
HAMMER SCREW |
| 38 |
0300038 |
1 |
TRIGGER SCREW |
| 40 |
0300040 |
1 |
BOLT SCREW |
| 95 |
4510095 |
1 |
FIRING PIN SPRING |
| 98 |
0299098 |
1 |
FIRING PIN |
| 129 |
0300129 |
1 |
FIRING PIN BEARING |
| 135 |
4500135 |
1 |
EJECTOR SPRING |
| 137 |
4500137 |
1 |
BASE PIN SPRING |
| 139 |
0400139 |
1 |
BASE PIN NUT |
| 140 |
0400140 |
1 |
BASE PIN SCREW |
| 143 |
0300143 |
1 |
EJECTOR ROD TUBE |
| 144 |
0400144 |
1 |
EJECTOR TUBE SCREW |
| 219 |
A3011219 |
1 |
STALLION EJECTOR 4.3/4″ .17HMR ASSEMBLY |
| 692 |
0400692 |
1 |
HAND PIN SCREW |
| 3202 |
STALLION TARGET BRASS 10 SH.5.1/2″ .22 LR CAT.18098 |
5.1/2” |
22LR |

| N. |
Code No. |
Q.ty |
Description |
| 1 |
A0297001 |
1 |
STALLION TARGET .22 FRAME ASSEMBLY |
| 2 |
A3200002 |
1 |
STALLION .22 10 SHOT HAMMER ASSEMBLY |
| 3 |
0297003 |
1 |
BARREL .22LR 5.1/2″ TARGET |
| 5 |
3200005 |
1 |
CYLINDER STALLION .22LR |
| 7 |
3200007 |
1 |
HAND |
| 8 |
0305008 |
1 |
BACKSTRAP |
| 10 |
0300010 |
1 |
TRIGGER |
| 11 |
0305011 |
1 |
GRIPS |
| 12 |
3200012 |
1 |
BOLT |
| 15 |
0101015 |
1 |
SIGHT |
| 18 |
0400018 |
1 |
HAND SPRING -COIL TYPE |
| 19 |
0300019 |
1 |
SEAR AND BOLT SPRING |
| 20 |
0300020 |
1 |
MAINSPRING |
| 21 |
0300021 |
1 |
BASE PIN |
| 22 |
0400022 |
1 |
HAND PIN |
| 26 |
0305026 |
1 |
TRIGGERGUARD |
| 31 |
0000031 |
2 |
TRIGGERGUARD SCREW |
| 32 |
0000032 |
4 |
REAR BACKSTRAP SCREW |
| 35 |
0000035 |
1 |
SCREW |
| 36 |
0000036 |
1 |
MAIN SPRING SCREW |
| 37 |
0300037 |
1 |
HAMMER SCREW |
| 38 |
0300038 |
1 |
TRIGGER SCREW |
| 40 |
0300040 |
1 |
BOLT SCREW |
| 55 |
0310055 |
1 |
REAR |
| 56 |
0310056 |
1 |
FRONT SIGHT RAMP |
| 95 |
4510095 |
1 |
FIRING PIN SPRING |
| 98 |
0299098 |
1 |
FIRING PIN |
| 129 |
0300129 |
1 |
FIRING PIN BEARING |
| 135 |
4500135 |
1 |
EJECTOR SPRING |
| 137 |
4500137 |
1 |
BASE PIN SPRING |
| 139 |
0400139 |
1 |
BASE PIN NUT |
| 140 |
0400140 |
1 |
BASE PIN SCREW |
| 143 |
0300143 |
1 |
EJECTOR ROD TUBE |
| 144 |
0400144 |
1 |
EJECTOR TUBE SCREW |
| 153 |
|
2 |
|
| 154 |
0310154 |
1 |
REAR SIGHT BLADE |
| 155 |
0310155 |
2 |
FRONT SIGHT RAMP RET.SCREW |
| 157 |
0310157 |
1 |
REAR SIGHT ELEV. SCREW |
| 158 |
0310158 |
1 |
REAR SIGHT SCREW |
| 189 |
0310189 |
2 |
REAR SIGHT SPRING |
| 190 |
0310190 |
1 |
REAR SIGHT PIN |
| 219 |
A3011219 |
1 |
STALLION EJECTOR 4.3/4″ .17HMR ASSEMBLY |
| 547 |
0310547 |
1 |
REAR SIGHT ELEV.SCREW PIN |
| 548 |
0310548 |
1 |
REAR SIGHT WINDAGE SPRING |
| 575 |
0310575 |
2 |
REAR SIGHT SCREW SPHERE |
| 576 |
0310576 |
1 |
REAR SIGHT DETENT BALL SPRING |
| 692 |
0400692 |
1 |
HAND PIN SCREW |
| 738 |
3202738 |
2 |
FRAME SCREW PLUG |
| 3203 |
STALLION TARGET STEEL 10 SH.5.1/2″ .22 LR CAT.18098 |
5.1/2” |
22LR |

| N. |
Code No. |
Q.ty |
Description |
| 1 |
A0297001 |
1 |
STALLION TARGET .22 FRAME ASSEMBLY |
| 2 |
A3200002 |
1 |
STALLION .22 10 SHOT HAMMER ASSEMBLY |
| 3 |
0297003 |
1 |
BARREL .22LR 5.1/2″ TARGET |
| 5 |
3200005 |
1 |
CYLINDER STALLION .22LR |
| 7 |
3200007 |
1 |
HAND |
| 8 |
0300008 |
1 |
BACKSTRAP IN STEEL |
| 10 |
0300010 |
1 |
TRIGGER |
| 11 |
0300011 |
1 |
GRIPS |
| 12 |
3200012 |
1 |
BOLT |
| 15 |
0101015 |
1 |
SIGHT |
| 18 |
0400018 |
1 |
HAND SPRING -COIL TYPE |
| 19 |
0300019 |
1 |
SEAR AND BOLT SPRING |
| 20 |
0300020 |
1 |
MAINSPRING |
| 21 |
0300021 |
1 |
BASE PIN |
| 22 |
0400022 |
1 |
HAND PIN |
| 26 |
0300026 |
1 |
TRIGGERGUARD IN STEEL |
| 31 |
0000031 |
2 |
TRIGGERGUARD SCREW |
| 32 |
0000032 |
4 |
REAR BACKSTRAP SCREW |
| 35 |
0000035 |
1 |
SCREW |
| 36 |
0000036 |
1 |
MAIN SPRING SCREW |
| 37 |
0300037 |
1 |
HAMMER SCREW |
| 38 |
0300038 |
1 |
TRIGGER SCREW |
| 40 |
0300040 |
1 |
BOLT SCREW |
| 55 |
0310055 |
1 |
REAR |
| 56 |
0310056 |
1 |
FRONT SIGHT RAMP |
| 95 |
4510095 |
1 |
FIRING PIN SPRING |
| 98 |
0299098 |
1 |
FIRING PIN |
| 129 |
0300129 |
1 |
FIRING PIN BEARING |
| 135 |
4500135 |
1 |
EJECTOR SPRING |
| 137 |
4500137 |
1 |
BASE PIN SPRING |
| 139 |
0400139 |
1 |
BASE PIN NUT |
| 140 |
0400140 |
1 |
BASE PIN SCREW |
| 143 |
0300143 |
1 |
EJECTOR ROD TUBE |
| 144 |
0400144 |
1 |
EJECTOR TUBE SCREW |
| 153 |
|
2 |
|
| 154 |
0310154 |
1 |
REAR SIGHT BLADE |
| 155 |
0310155 |
2 |
FRONT SIGHT RAMP RET.SCREW |
| 157 |
0310157 |
1 |
REAR SIGHT ELEV. SCREW |
| 158 |
0310158 |
1 |
REAR SIGHT SCREW |
| 189 |
0310189 |
2 |
REAR SIGHT SPRING |
| 190 |
0310190 |
1 |
REAR SIGHT PIN |
| 219 |
A3011219 |
1 |
STALLION EJECTOR 4.3/4″ .17HMR ASSEMBLY |
| 547 |
0310547 |
1 |
REAR SIGHT ELEV.SCREW PIN |
| 548 |
0310548 |
1 |
REAR SIGHT WINDAGE SPRING |
| 575 |
0310575 |
2 |
REAR SIGHT SCREW SPHERE |
| 576 |
0310576 |
1 |
REAR SIGHT DETENT BALL SPRING |
| 692 |
0400692 |
1 |
HAND PIN SCREW |
| 738 |
3202738 |
2 |
FRAME SCREW PLUG |
| 3204 |
STALL.BRASS 10 SH.3.1/2″.22LR 18045 |
3.1/2” |
22LR |

| N. |
Code No. |
Q.ty |
Description |
| 1 |
A0300001 |
1 |
STALLION .22 FRAME ASSEMBLY |
| 2 |
A3200002 |
1 |
STALLION .22 10 SHOT HAMMER ASSEMBLY |
| 3 |
3204003 |
1 |
BARREL 3.1/2″ .22LR |
| 5 |
3200005 |
1 |
CYLINDER STALLION .22LR |
| 7 |
3200007 |
1 |
HAND |
| 8 |
0305008 |
1 |
BACKSTRAP |
| 10 |
0300010 |
1 |
TRIGGER |
| 11 |
0305011 |
1 |
GRIPS |
| 12 |
3200012 |
1 |
BOLT |
| 15 |
0300015 |
1 |
SIGHT |
| 18 |
0400018 |
1 |
HAND SPRING -COIL TYPE |
| 19 |
0300019 |
1 |
SEAR AND BOLT SPRING |
| 20 |
0300020 |
1 |
MAINSPRING |
| 21 |
0300021 |
1 |
BASE PIN |
| 22 |
0400022 |
1 |
HAND PIN |
| 26 |
0305026 |
1 |
TRIGGERGUARD |
| 31 |
0000031 |
2 |
TRIGGERGUARD SCREW |
| 32 |
0000032 |
4 |
REAR BACKSTRAP SCREW |
| 35 |
0000035 |
1 |
SCREW |
| 36 |
0000036 |
1 |
MAIN SPRING SCREW |
| 37 |
0300037 |
1 |
HAMMER SCREW |
| 38 |
0300038 |
1 |
TRIGGER SCREW |
| 40 |
0300040 |
1 |
BOLT SCREW |
| 95 |
4510095 |
1 |
FIRING PIN SPRING |
| 98 |
0299098 |
1 |
FIRING PIN |
| 129 |
0300129 |
1 |
FIRING PIN BEARING |
| 135 |
0338135 |
1 |
EJECTOR SPRING 3.1/2″ |
| 137 |
4500137 |
1 |
BASE PIN SPRING |
| 139 |
0400139 |
1 |
BASE PIN NUT |
| 140 |
0400140 |
1 |
BASE PIN SCREW |
| 143 |
0980143 |
1 |
EJECTOR ROD TUBE |
| 144 |
0400144 |
1 |
EJECTOR TUBE SCREW |
| 219 |
A3204219 |
1 |
STALLION .22 EJECTOR 3.1/2″ ASSEMBLY |
| 692 |
0400692 |
1 |
HAND PIN SCREW |
| 3205 |
STALL.BRASS 10 SH.4.3/4″.22LR 18046 |
4.3/4” |
22LR |

| N. |
Code No. |
Q.ty |
Description |
| 1 |
A0300001 |
1 |
STALLION .22 FRAME ASSEMBLY |
| 2 |
A3200002 |
1 |
STALLION .22 10 SHOT HAMMER ASSEMBLY |
| 3 |
0300003 |
1 |
BARREL |
| 5 |
3200005 |
1 |
CYLINDER STALLION .22LR |
| 7 |
3200007 |
1 |
HAND |
| 8 |
0305008 |
1 |
BACKSTRAP |
| 10 |
0300010 |
1 |
TRIGGER |
| 11 |
0305011 |
1 |
GRIPS |
| 12 |
3200012 |
1 |
BOLT |
| 15 |
0300015 |
1 |
SIGHT |
| 18 |
0400018 |
1 |
HAND SPRING -COIL TYPE |
| 19 |
0300019 |
1 |
SEAR AND BOLT SPRING |
| 20 |
0300020 |
1 |
MAINSPRING |
| 21 |
0300021 |
1 |
BASE PIN |
| 22 |
0400022 |
1 |
HAND PIN |
| 26 |
0305026 |
1 |
TRIGGERGUARD |
| 31 |
0000031 |
2 |
TRIGGERGUARD SCREW |
| 32 |
0000032 |
4 |
REAR BACKSTRAP SCREW |
| 35 |
0000035 |
1 |
SCREW |
| 36 |
0000036 |
1 |
MAIN SPRING SCREW |
| 37 |
0300037 |
1 |
HAMMER SCREW |
| 38 |
0300038 |
1 |
TRIGGER SCREW |
| 40 |
0300040 |
1 |
BOLT SCREW |
| 95 |
4510095 |
1 |
FIRING PIN SPRING |
| 98 |
0299098 |
1 |
FIRING PIN |
| 129 |
0300129 |
1 |
FIRING PIN BEARING |
| 135 |
4500135 |
1 |
EJECTOR SPRING |
| 137 |
4500137 |
1 |
BASE PIN SPRING |
| 139 |
0400139 |
1 |
BASE PIN NUT |
| 140 |
0400140 |
1 |
BASE PIN SCREW |
| 143 |
0300143 |
1 |
EJECTOR ROD TUBE |
| 144 |
0400144 |
1 |
EJECTOR TUBE SCREW |
| 219 |
A3011219 |
1 |
STALLION EJECTOR 4.3/4″ .17HMR ASSEMBLY |
| 692 |
0400692 |
1 |
HAND PIN SCREW |
| 3206 |
STALL.BRASS 10 SH.6.1/2″.22LR 18048 |
6.1/2” |
22LR |

| N. |
Code No. |
Q.ty |
Description |
| 1 |
A0300001 |
1 |
STALLION .22 FRAME ASSEMBLY |
| 2 |
A3200002 |
1 |
STALLION .22 10 SHOT HAMMER ASSEMBLY |
| 3 |
0302003 |
1 |
BARREL 6.1/2″ STALLION |
| 5 |
3200005 |
1 |
CYLINDER STALLION .22LR |
| 7 |
3200007 |
1 |
HAND |
| 8 |
0305008 |
1 |
BACKSTRAP |
| 10 |
0300010 |
1 |
TRIGGER |
| 11 |
0305011 |
1 |
GRIPS |
| 12 |
3200012 |
1 |
BOLT |
| 15 |
0300015 |
1 |
SIGHT |
| 18 |
0400018 |
1 |
HAND SPRING -COIL TYPE |
| 19 |
0300019 |
1 |
SEAR AND BOLT SPRING |
| 20 |
0300020 |
1 |
MAINSPRING |
| 21 |
0300021 |
1 |
BASE PIN |
| 22 |
0400022 |
1 |
HAND PIN |
| 26 |
0305026 |
1 |
TRIGGERGUARD |
| 31 |
0000031 |
2 |
TRIGGERGUARD SCREW |
| 32 |
0000032 |
4 |
REAR BACKSTRAP SCREW |
| 35 |
0000035 |
1 |
SCREW |
| 36 |
0000036 |
1 |
MAIN SPRING SCREW |
| 37 |
0300037 |
1 |
HAMMER SCREW |
| 38 |
0300038 |
1 |
TRIGGER SCREW |
| 40 |
0300040 |
1 |
BOLT SCREW |
| 95 |
4510095 |
1 |
FIRING PIN SPRING |
| 98 |
0299098 |
1 |
FIRING PIN |
| 129 |
0300129 |
1 |
FIRING PIN BEARING |
| 135 |
4500135 |
1 |
EJECTOR SPRING |
| 137 |
4500137 |
1 |
BASE PIN SPRING |
| 139 |
0400139 |
1 |
BASE PIN NUT |
| 140 |
0400140 |
1 |
BASE PIN SCREW |
| 143 |
0300143 |
1 |
EJECTOR ROD TUBE |
| 144 |
0400144 |
1 |
EJECTOR TUBE SCREW |
| 219 |
A3011219 |
1 |
STALLION EJECTOR 4.3/4″ .17HMR ASSEMBLY |
| 692 |
0400692 |
1 |
HAND PIN SCREW |