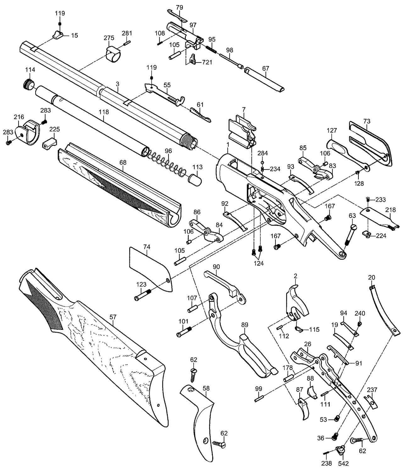
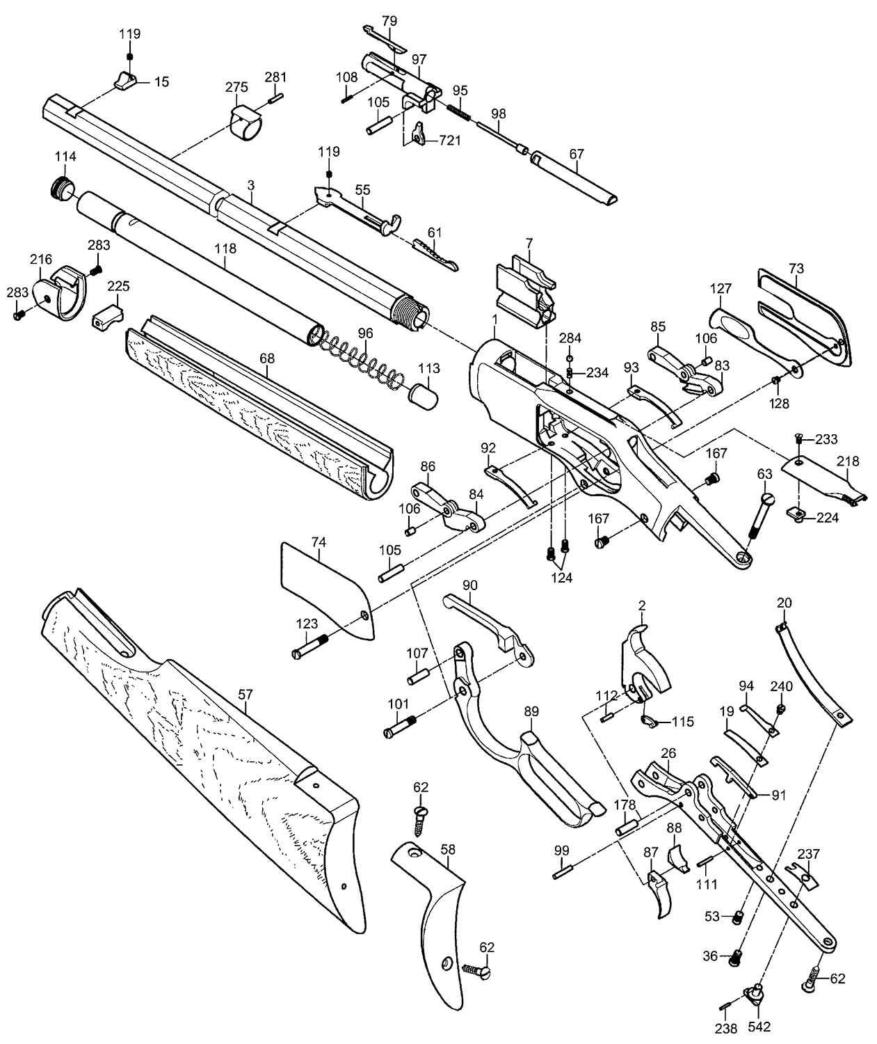
Winchester’s Model 1873 was the “Rifle that Won the West.” The Model 1873 was chambered in a new more powerful cartridge the .44/40 — a .44 caliber bullet propelled by 40 grains of black powder. However one big factor that really insured the success of the 1873 was that Colt quickly responded by offering its frontier six-shooter chambered in .44/40. A cowboy could have both a lever action rifle and his “Peacemaker” and only need one cartridge belt. Buffalo Bill Cody carried an 1873 and a pair of Colts chambered in .44/40 in 1876 when he worked as an Army scout. Chappo son of Apache Warchief Geronimo packed an 1873 as did most Texas Rangers along with every Old West Cowboy worth his salt. Uberti has recreated the 1873 in five distinctive models including the 1873 Carbine and the Special Sporting Rifle.
FinishesTechnicalParts and Schematics
| 000: |
STANDARD |
| A01: |
ANTIQUE PATINA FINISH OLD WEST RIFLES |
| G05: |
HAND RUBBED OIL ON DELUXE WOOD |
| C03: |
CHARCOAL BLUE |
| W03: |
WHITE FINISH FOR W73-SLIDE |
| Caliber: |
.32/20 – 38SP. – .38/40 – .357MAG. – .44SP. – .44/40 – 45LC |
| Length of Barrel: |
16¹/8″ – 18″ – 19″ – 20″ – 24¼” – 30″ |
| Overall Length: |
bbl.19″ 38.42″ |
| Weight: |
bbl.19″ 7.05 lbs |
| Barrel: |
Forged steel |
| Frame: |
Forged steel |
| Barrel Shape: |
carbine ROUND TAPERED – rifle OCTAGONAL TAPERED |
| Stock: |
Walnut |
| Forend: |
Walnut |
| Item |
Model |
Barrel |
Length cal. |
| 0204 |
73 MOD. SPORTING RIFLE .45LC 20″ WITH CHECKERED PISTOL GRIP CAT.5989 |
20” |
45LC |

| N. |
Code No. |
Q.ty |
Description |
| 1 |
0240001 |
1 |
FRAME |
| 2 |
0240002 |
1 |
HAMMER |
| 3 |
0281003 |
1 |
BARREL SHORT 20″ .45LC |
| 7 |
0230007 |
1 |
CARRIER BLOCK |
| 15 |
0202015 |
1 |
SIGHT |
| 16 |
0070016 |
1 |
SPRING |
| 19 |
0240019 |
1 |
TRIGGER SPRING |
| 20 |
0200020 |
1 |
MAIN SPRING |
| 26 |
0275026 |
1 |
PISTOL GRIP TRIGGERGUARD |
| 36 |
0200036 |
1 |
MAIN SPRING SCREW |
| 51 |
0100051 |
1 |
GRIP PIN |
| 53 |
0240053 |
1 |
MAIN SPRING ADJ.SCREW |
| 55 |
0242055 |
1 |
REAR |
| 57 |
0275057 |
1 |
W73 RIFLE CKECHERED PISTOL GRIP BUTT STOCK |
| 58 |
0242058 |
1 |
BUTT PLATE |
| 61 |
0242061 |
1 |
REAR SIGHT |
| 62 |
0200062 |
4 |
BUTT PLATE SCREW |
| 63 |
0275063 |
1 |
PISTOL GRIP TANG SCREW |
| 67 |
0240067 |
1 |
FIRING PIN EXTENSION |
| 68 |
0241068 |
1 |
FOREND |
| 73 |
0240073 |
1 |
RIGHT SIDE PLATE |
| 74 |
0240074 |
1 |
LEFT SIDE PLATE |
| 79 |
0240079 |
1 |
EXTRACTOR |
| 83 |
0220083 |
1 |
RIGHT REAR LINK |
| 84 |
0220084 |
1 |
LEFT REAR LINK |
| 85 |
0220085 |
1 |
RIGHT FRONT LINK |
| 86 |
0220086 |
1 |
LEFT FRONT LINK |
| 87 |
0240087 |
1 |
TRIGGER |
| 88 |
0240088 |
1 |
PLAIN SEAR |
| 89 |
0240089 |
1 |
LEVER |
| 90 |
0200090 |
1 |
LIFTER ARM |
| 91 |
0240091 |
1 |
SAFETY BAR |
| 92 |
0200092 |
1 |
RIGHT LEVER SPRING |
| 93 |
0200093 |
1 |
LEFT LEVER SPRING |
| 94 |
0240094 |
1 |
SAFETY SPRING |
| 96 |
0230096 |
1 |
MAGAZINE SPRING |
| 97 |
0230097 |
1 |
BREECH BLOCK |
| 98 |
0220098 |
1 |
FIRING PIN |
| 101 |
0240101 |
1 |
LEVER SCREW |
| 105 |
0200105 |
2 |
REAR LINK PIN |
| 107 |
0200107 |
2 |
LEVER PIN |
| 108 |
0230108 |
1 |
EXTRACTOR PIN |
| 111 |
0240111 |
1 |
SAFETY SPRING PIN |
| 112 |
0200112 |
1 |
HAMMER LINK PIN |
| 113 |
0230113 |
1 |
MAGAZINE FOLLOWER |
| 114 |
0230114 |
1 |
MAGAZINE TUBE PLUG |
| 115 |
0200115 |
1 |
STIRRUP |
| 118 |
0241118 |
1 |
MAGAZINE TUBE |
| 123 |
0240123 |
1 |
SIDE PLATE SCREW |
| 124 |
0200124 |
2 |
LEVER SPRING SCREW |
| 127 |
0240127 |
1 |
LADLE |
| 128 |
0240128 |
1 |
LADLE SCREW |
| 134 |
0400134 |
2 |
GATE CATCH |
| 137 |
4500137 |
1 |
BASE PIN SPRING |
| 167 |
0240167 |
2 |
TRIGGERGUARD SCREW |
| 216 |
0242216 |
1 |
FOREND PROTECTION |
| 218 |
0240218 |
1 |
PROTECTION RUNNING |
| 224 |
0240224 |
1 |
PROTECTION RUNNING GUIDE |
| 225 |
0202225 |
1 |
FOREND PROTECTION BEARING |
| 233 |
0240233 |
1 |
PROTECTION RUNNING SCREW |
| 237 |
0240237 |
1 |
LEVER HOOK SPRING |
| 238 |
0240238 |
1 |
LEVER HOOK PIN |
| 240 |
0240240 |
1 |
TRIGGER & LEVER SCREW |
| 275 |
0202275 |
1 |
MAGAZINE TUBE BEARING |
| 281 |
0202281 |
1 |
MAGAZINE TUBE BEARING PIN |
| 283 |
0202283 |
2 |
FOREND PROTECTION SCREW |
| 284 |
0240284 |
1 |
PROTECTION RUNNING SPHERE |
| 542 |
0240542 |
1 |
LEVER HOOK |
| 721 |
0220721 |
1 |
FIRING PIN EXTENSION STOP |
| 0205 |
73 MOD. SPORTING RIFLE .44/40 20″ WITH CHECKERED PISTOL GRIP CAT.5987 |
20” |
44-40 |

| N. |
Code No. |
Q.ty |
Description |
| 1 |
0240001 |
1 |
FRAME |
| 2 |
0240002 |
1 |
HAMMER |
| 3 |
0241003 |
1 |
BARREL SHORT 20″ .44/40 |
| 7 |
0230007 |
1 |
CARRIER BLOCK |
| 15 |
0202015 |
1 |
SIGHT |
| 16 |
0070016 |
1 |
SPRING |
| 19 |
0240019 |
1 |
TRIGGER SPRING |
| 20 |
0200020 |
1 |
MAIN SPRING |
| 26 |
0275026 |
1 |
PISTOL GRIP TRIGGERGUARD |
| 36 |
0200036 |
1 |
MAIN SPRING SCREW |
| 51 |
0100051 |
1 |
GRIP PIN |
| 53 |
0240053 |
1 |
MAIN SPRING ADJ.SCREW |
| 55 |
0242055 |
1 |
REAR |
| 57 |
0275057 |
1 |
W73 RIFLE CKECHERED PISTOL GRIP BUTT STOCK |
| 58 |
0242058 |
1 |
BUTT PLATE |
| 61 |
0242061 |
1 |
REAR SIGHT |
| 62 |
0200062 |
4 |
BUTT PLATE SCREW |
| 63 |
0275063 |
1 |
PISTOL GRIP TANG SCREW |
| 67 |
0240067 |
1 |
FIRING PIN EXTENSION |
| 68 |
0241068 |
1 |
FOREND |
| 73 |
0240073 |
1 |
RIGHT SIDE PLATE |
| 74 |
0240074 |
1 |
LEFT SIDE PLATE |
| 79 |
0240079 |
1 |
EXTRACTOR |
| 83 |
0220083 |
1 |
RIGHT REAR LINK |
| 84 |
0220084 |
1 |
LEFT REAR LINK |
| 85 |
0220085 |
1 |
RIGHT FRONT LINK |
| 86 |
0220086 |
1 |
LEFT FRONT LINK |
| 87 |
0240087 |
1 |
TRIGGER |
| 88 |
0240088 |
1 |
PLAIN SEAR |
| 89 |
0240089 |
1 |
LEVER |
| 90 |
0200090 |
1 |
LIFTER ARM |
| 91 |
0240091 |
1 |
SAFETY BAR |
| 92 |
0200092 |
1 |
RIGHT LEVER SPRING |
| 93 |
0200093 |
1 |
LEFT LEVER SPRING |
| 94 |
0240094 |
1 |
SAFETY SPRING |
| 96 |
0230096 |
1 |
MAGAZINE SPRING |
| 97 |
0230097 |
1 |
BREECH BLOCK |
| 98 |
0220098 |
1 |
FIRING PIN |
| 101 |
0240101 |
1 |
LEVER SCREW |
| 105 |
0200105 |
2 |
REAR LINK PIN |
| 107 |
0200107 |
2 |
LEVER PIN |
| 108 |
0230108 |
1 |
EXTRACTOR PIN |
| 111 |
0240111 |
1 |
SAFETY SPRING PIN |
| 112 |
0200112 |
1 |
HAMMER LINK PIN |
| 113 |
0230113 |
1 |
MAGAZINE FOLLOWER |
| 114 |
0230114 |
1 |
MAGAZINE TUBE PLUG |
| 115 |
0200115 |
1 |
STIRRUP |
| 118 |
0241118 |
1 |
MAGAZINE TUBE |
| 123 |
0240123 |
1 |
SIDE PLATE SCREW |
| 124 |
0200124 |
2 |
LEVER SPRING SCREW |
| 127 |
0240127 |
1 |
LADLE |
| 128 |
0240128 |
1 |
LADLE SCREW |
| 134 |
0400134 |
2 |
GATE CATCH |
| 137 |
4500137 |
1 |
BASE PIN SPRING |
| 167 |
0240167 |
2 |
TRIGGERGUARD SCREW |
| 216 |
0242216 |
1 |
FOREND PROTECTION |
| 218 |
0240218 |
1 |
PROTECTION RUNNING |
| 224 |
0240224 |
1 |
PROTECTION RUNNING GUIDE |
| 225 |
0202225 |
1 |
FOREND PROTECTION BEARING |
| 233 |
0240233 |
1 |
PROTECTION RUNNING SCREW |
| 237 |
0240237 |
1 |
LEVER HOOK SPRING |
| 238 |
0240238 |
1 |
LEVER HOOK PIN |
| 240 |
0240240 |
1 |
TRIGGER & LEVER SCREW |
| 275 |
0202275 |
1 |
MAGAZINE TUBE BEARING |
| 281 |
0202281 |
1 |
MAGAZINE TUBE BEARING PIN |
| 283 |
0202283 |
2 |
FOREND PROTECTION SCREW |
| 284 |
0240284 |
1 |
PROTECTION RUNNING SPHERE |
| 542 |
0240542 |
1 |
LEVER HOOK |
| 721 |
0220721 |
1 |
FIRING PIN EXTENSION STOP |
| 0206 |
73 MOD. SPORTING RIFLE .44 SPEC. 20″ WITH CHECKERED PISTOL GRIP CAT.11712 |
20” |
44SPEC. |

| N. |
Code No. |
Q.ty |
Description |
| 1 |
0240001 |
1 |
FRAME |
| 2 |
0240002 |
1 |
HAMMER |
| 3 |
0285003 |
1 |
BARREL SHORT 20″ .44SPEC. |
| 7 |
0230007 |
1 |
CARRIER BLOCK |
| 15 |
0202015 |
1 |
SIGHT |
| 16 |
0070016 |
1 |
SPRING |
| 19 |
0240019 |
1 |
TRIGGER SPRING |
| 20 |
0200020 |
1 |
MAIN SPRING |
| 26 |
0275026 |
1 |
PISTOL GRIP TRIGGERGUARD |
| 36 |
0200036 |
1 |
MAIN SPRING SCREW |
| 51 |
0100051 |
1 |
GRIP PIN |
| 53 |
0240053 |
1 |
MAIN SPRING ADJ.SCREW |
| 55 |
0242055 |
1 |
REAR |
| 57 |
0275057 |
1 |
W73 RIFLE CKECHERED PISTOL GRIP BUTT STOCK |
| 58 |
0242058 |
1 |
BUTT PLATE |
| 61 |
0242061 |
1 |
REAR SIGHT |
| 62 |
0200062 |
4 |
BUTT PLATE SCREW |
| 63 |
0275063 |
1 |
PISTOL GRIP TANG SCREW |
| 67 |
0240067 |
1 |
FIRING PIN EXTENSION |
| 68 |
0241068 |
1 |
FOREND |
| 73 |
0240073 |
1 |
RIGHT SIDE PLATE |
| 74 |
0240074 |
1 |
LEFT SIDE PLATE |
| 79 |
0240079 |
1 |
EXTRACTOR |
| 83 |
0220083 |
1 |
RIGHT REAR LINK |
| 84 |
0220084 |
1 |
LEFT REAR LINK |
| 85 |
0220085 |
1 |
RIGHT FRONT LINK |
| 86 |
0220086 |
1 |
LEFT FRONT LINK |
| 87 |
0240087 |
1 |
TRIGGER |
| 88 |
0240088 |
1 |
PLAIN SEAR |
| 89 |
0240089 |
1 |
LEVER |
| 90 |
0200090 |
1 |
LIFTER ARM |
| 91 |
0240091 |
1 |
SAFETY BAR |
| 92 |
0200092 |
1 |
RIGHT LEVER SPRING |
| 93 |
0200093 |
1 |
LEFT LEVER SPRING |
| 94 |
0240094 |
1 |
SAFETY SPRING |
| 96 |
0230096 |
1 |
MAGAZINE SPRING |
| 97 |
0230097 |
1 |
BREECH BLOCK |
| 98 |
0220098 |
1 |
FIRING PIN |
| 101 |
0240101 |
1 |
LEVER SCREW |
| 105 |
0200105 |
2 |
REAR LINK PIN |
| 107 |
0200107 |
2 |
LEVER PIN |
| 108 |
0230108 |
1 |
EXTRACTOR PIN |
| 111 |
0240111 |
1 |
SAFETY SPRING PIN |
| 112 |
0200112 |
1 |
HAMMER LINK PIN |
| 113 |
0230113 |
1 |
MAGAZINE FOLLOWER |
| 114 |
0230114 |
1 |
MAGAZINE TUBE PLUG |
| 115 |
0200115 |
1 |
STIRRUP |
| 118 |
0241118 |
1 |
MAGAZINE TUBE |
| 123 |
0240123 |
1 |
SIDE PLATE SCREW |
| 124 |
0200124 |
2 |
LEVER SPRING SCREW |
| 127 |
0240127 |
1 |
LADLE |
| 128 |
0240128 |
1 |
LADLE SCREW |
| 134 |
0400134 |
2 |
GATE CATCH |
| 137 |
4500137 |
1 |
BASE PIN SPRING |
| 167 |
0240167 |
2 |
TRIGGERGUARD SCREW |
| 216 |
0242216 |
1 |
FOREND PROTECTION |
| 218 |
0240218 |
1 |
PROTECTION RUNNING |
| 224 |
0240224 |
1 |
PROTECTION RUNNING GUIDE |
| 225 |
0202225 |
1 |
FOREND PROTECTION BEARING |
| 233 |
0240233 |
1 |
PROTECTION RUNNING SCREW |
| 237 |
0240237 |
1 |
LEVER HOOK SPRING |
| 238 |
0240238 |
1 |
LEVER HOOK PIN |
| 240 |
0240240 |
1 |
TRIGGER & LEVER SCREW |
| 275 |
0202275 |
1 |
MAGAZINE TUBE BEARING |
| 281 |
0202281 |
1 |
MAGAZINE TUBE BEARING PIN |
| 283 |
0202283 |
2 |
FOREND PROTECTION SCREW |
| 284 |
0240284 |
1 |
PROTECTION RUNNING SPHERE |
| 542 |
0240542 |
1 |
LEVER HOOK |
| 721 |
0220721 |
1 |
FIRING PIN EXTENSION STOP |
| 0211 |
73 MOD.CARB. TRAPPER .45LC 16.1/8″ CAT.14123 |
16.1/8” |
45LC |

| N. |
Code No. |
Q.ty |
Description |
| 1 |
0240001 |
1 |
FRAME |
| 2 |
0240002 |
1 |
HAMMER |
| 3 |
0211003 |
1 |
BARREL .45LC 16.1/8″ |
| 7 |
0230007 |
1 |
CARRIER BLOCK |
| 16 |
0070016 |
1 |
SPRING |
| 19 |
0240019 |
1 |
TRIGGER SPRING |
| 20 |
0200020 |
1 |
MAIN SPRING |
| 26 |
0240026 |
1 |
TRIGGERGUARD |
| 36 |
0200036 |
1 |
MAIN SPRING SCREW |
| 51 |
0100051 |
1 |
GRIP PIN |
| 53 |
0240053 |
1 |
MAIN SPRING ADJ.SCREW |
| 55 |
A0240055 |
1 |
W73 CARBINE REAR ASSEMBLY |
| 57 |
0240057 |
1 |
W73 CARBINE BUTT STOCK |
| 58 |
0240058 |
1 |
BUTT PLATE |
| 62 |
0200062 |
3 |
BUTT PLATE SCREW |
| 63 |
0240063 |
1 |
TANG SCREW |
| 67 |
0240067 |
1 |
FIRING PIN EXTENSION |
| 68 |
0200068 |
1 |
FOREND |
| 73 |
0240073 |
1 |
RIGHT SIDE PLATE |
| 74 |
0240074 |
1 |
LEFT SIDE PLATE |
| 79 |
0240079 |
1 |
EXTRACTOR |
| 80 |
0240080 |
1 |
FRONT BAND |
| 81 |
0200081 |
1 |
FOREND BAND |
| 83 |
0220083 |
1 |
RIGHT REAR LINK |
| 84 |
0220084 |
1 |
LEFT REAR LINK |
| 85 |
0220085 |
1 |
RIGHT FRONT LINK |
| 86 |
0220086 |
1 |
LEFT FRONT LINK |
| 87 |
0240087 |
1 |
TRIGGER |
| 88 |
0240088 |
1 |
PLAIN SEAR |
| 89 |
0240089 |
1 |
LEVER |
| 90 |
0200090 |
1 |
LIFTER ARM |
| 91 |
0240091 |
1 |
SAFETY BAR |
| 92 |
0200092 |
1 |
RIGHT LEVER SPRING |
| 93 |
0200093 |
1 |
LEFT LEVER SPRING |
| 94 |
0240094 |
1 |
SAFETY SPRING |
| 96 |
0223096 |
1 |
MAGAZINE SPRING 16.1/8″ |
| 97 |
0230097 |
1 |
BREECH BLOCK |
| 98 |
0220098 |
1 |
FIRING PIN |
| 101 |
0240101 |
1 |
LEVER SCREW |
| 105 |
0200105 |
2 |
REAR LINK PIN |
| 107 |
0200107 |
2 |
LEVER PIN |
| 108 |
0230108 |
1 |
EXTRACTOR PIN |
| 111 |
0240111 |
1 |
SAFETY SPRING PIN |
| 112 |
0200112 |
1 |
HAMMER LINK PIN |
| 113 |
0230113 |
1 |
MAGAZINE FOLLOWER |
| 114 |
0230114 |
1 |
MAGAZINE TUBE PLUG |
| 115 |
0200115 |
1 |
STIRRUP |
| 118 |
0230118 |
1 |
MAGAZINE TUBE |
| 121 |
0200121 |
1 |
BAND SCREW |
| 122 |
0200122 |
1 |
FOREND SCREW |
| 123 |
0240123 |
1 |
SIDE PLATE SCREW |
| 124 |
0200124 |
2 |
LEVER SPRING SCREW |
| 127 |
0240127 |
1 |
LADLE |
| 128 |
0240128 |
1 |
LADLE SCREW |
| 134 |
0400134 |
2 |
GATE CATCH |
| 137 |
4500137 |
1 |
BASE PIN SPRING |
| 167 |
0240167 |
2 |
TRIGGERGUARD SCREW |
| 218 |
0240218 |
1 |
PROTECTION RUNNING |
| 224 |
0240224 |
1 |
PROTECTION RUNNING GUIDE |
| 233 |
0240233 |
1 |
PROTECTION RUNNING SCREW |
| 237 |
0240237 |
1 |
LEVER HOOK SPRING |
| 238 |
0240238 |
1 |
LEVER HOOK PIN |
| 240 |
0240240 |
1 |
TRIGGER & LEVER SCREW |
| 284 |
0240284 |
1 |
PROTECTION RUNNING SPHERE |
| 542 |
0240542 |
1 |
LEVER HOOK |
| 721 |
0220721 |
1 |
FIRING PIN EXTENSION STOP |
| 0213 |
73 MOD.SPORTING RIFLE .357MAG 20″ WITH CHECKERED PISTOL GRIP CAT.5991 |
20” |
357MAG |

| N. |
Code No. |
Q.ty |
Description |
| 1 |
0250001 |
1 |
FRAME |
| 2 |
0240002 |
1 |
HAMMER |
| 3 |
|
1 |
|
| 7 |
0220007 |
1 |
CARRIER BLOCK .38SP/.357MAG. |
| 15 |
0202015 |
1 |
SIGHT |
| 16 |
0070016 |
1 |
SPRING |
| 19 |
0240019 |
1 |
TRIGGER SPRING |
| 20 |
0200020 |
1 |
MAIN SPRING |
| 26 |
0275026 |
1 |
PISTOL GRIP TRIGGERGUARD |
| 36 |
0200036 |
1 |
MAIN SPRING SCREW |
| 51 |
0100051 |
1 |
GRIP PIN |
| 53 |
0240053 |
1 |
MAIN SPRING ADJ.SCREW |
| 55 |
0242055 |
1 |
REAR |
| 57 |
0275057 |
1 |
W73 RIFLE CKECHERED PISTOL GRIP BUTT STOCK |
| 58 |
0242058 |
1 |
BUTT PLATE |
| 61 |
0242061 |
1 |
REAR SIGHT |
| 62 |
0200062 |
4 |
BUTT PLATE SCREW |
| 63 |
0275063 |
1 |
PISTOL GRIP TANG SCREW |
| 67 |
0240067 |
1 |
FIRING PIN EXTENSION |
| 68 |
0241068 |
1 |
FOREND |
| 73 |
0240073 |
1 |
RIGHT SIDE PLATE |
| 74 |
0240074 |
1 |
LEFT SIDE PLATE |
| 79 |
0250079 |
1 |
EXTRACTOR |
| 83 |
0220083 |
1 |
RIGHT REAR LINK |
| 84 |
0220084 |
1 |
LEFT REAR LINK |
| 85 |
0220085 |
1 |
RIGHT FRONT LINK |
| 86 |
0220086 |
1 |
LEFT FRONT LINK |
| 87 |
0240087 |
1 |
TRIGGER |
| 88 |
0240088 |
1 |
PLAIN SEAR |
| 89 |
0240089 |
1 |
LEVER |
| 90 |
0200090 |
1 |
LIFTER ARM |
| 91 |
0240091 |
1 |
SAFETY BAR |
| 92 |
0200092 |
1 |
RIGHT LEVER SPRING |
| 93 |
0200093 |
1 |
LEFT LEVER SPRING |
| 94 |
0240094 |
1 |
SAFETY SPRING |
| 96 |
0230096 |
1 |
MAGAZINE SPRING |
| 97 |
0220097 |
1 |
BREECH BLOCK |
| 98 |
0220098 |
1 |
FIRING PIN |
| 101 |
0240101 |
1 |
LEVER SCREW |
| 105 |
0200105 |
2 |
REAR LINK PIN |
| 107 |
0200107 |
2 |
LEVER PIN |
| 108 |
0220108 |
1 |
EXTRACTOR PIN |
| 111 |
0240111 |
1 |
SAFETY SPRING PIN |
| 112 |
0200112 |
1 |
HAMMER LINK PIN |
| 113 |
0220113 |
1 |
MAGAZINE FOLLOWER |
| 114 |
0230114 |
1 |
MAGAZINE TUBE PLUG |
| 115 |
0200115 |
1 |
STIRRUP |
| 118 |
0241118 |
1 |
MAGAZINE TUBE |
| 123 |
0240123 |
1 |
SIDE PLATE SCREW |
| 124 |
0200124 |
2 |
LEVER SPRING SCREW |
| 127 |
0240127 |
1 |
LADLE |
| 128 |
0240128 |
1 |
LADLE SCREW |
| 134 |
0400134 |
2 |
GATE CATCH |
| 137 |
4500137 |
1 |
BASE PIN SPRING |
| 167 |
0240167 |
2 |
TRIGGERGUARD SCREW |
| 216 |
0242216 |
1 |
FOREND PROTECTION |
| 218 |
0240218 |
1 |
PROTECTION RUNNING |
| 224 |
0240224 |
1 |
PROTECTION RUNNING GUIDE |
| 225 |
0202225 |
1 |
FOREND PROTECTION BEARING |
| 233 |
0240233 |
1 |
PROTECTION RUNNING SCREW |
| 237 |
0240237 |
1 |
LEVER HOOK SPRING |
| 238 |
0240238 |
1 |
LEVER HOOK PIN |
| 240 |
0240240 |
1 |
TRIGGER & LEVER SCREW |
| 275 |
0202275 |
1 |
MAGAZINE TUBE BEARING |
| 281 |
0202281 |
1 |
MAGAZINE TUBE BEARING PIN |
| 283 |
0202283 |
2 |
FOREND PROTECTION SCREW |
| 284 |
0240284 |
1 |
PROTECTION RUNNING SPHERE |
| 542 |
0240542 |
1 |
LEVER HOOK |
| 721 |
0220721 |
1 |
FIRING PIN EXTENSION STOP |
| 0214 |
73 MOD. SPORTING RIFLE .38/40 20″ WITH CHECKERED PISTOL GRIP CAT.11708 |
20” |
38-40 |

| N. |
Code No. |
Q.ty |
Description |
| 1 |
0250001 |
1 |
FRAME |
| 2 |
0240002 |
1 |
HAMMER |
| 3 |
0283003 |
1 |
BARREL SHORT 20″ .38/40 |
| 7 |
0220007 |
1 |
CARRIER BLOCK .38SP/.357MAG. |
| 15 |
0202015 |
1 |
SIGHT |
| 16 |
0070016 |
1 |
SPRING |
| 19 |
0240019 |
1 |
TRIGGER SPRING |
| 20 |
0200020 |
1 |
MAIN SPRING |
| 26 |
0275026 |
1 |
PISTOL GRIP TRIGGERGUARD |
| 36 |
0200036 |
1 |
MAIN SPRING SCREW |
| 51 |
0100051 |
1 |
GRIP PIN |
| 53 |
0240053 |
1 |
MAIN SPRING ADJ.SCREW |
| 55 |
0242055 |
1 |
REAR |
| 57 |
0275057 |
1 |
W73 RIFLE CKECHERED PISTOL GRIP BUTT STOCK |
| 58 |
0242058 |
1 |
BUTT PLATE |
| 61 |
0242061 |
1 |
REAR SIGHT |
| 62 |
0200062 |
4 |
BUTT PLATE SCREW |
| 63 |
0275063 |
1 |
PISTOL GRIP TANG SCREW |
| 67 |
0240067 |
1 |
FIRING PIN EXTENSION |
| 68 |
0241068 |
1 |
FOREND |
| 73 |
0240073 |
1 |
RIGHT SIDE PLATE |
| 74 |
0240074 |
1 |
LEFT SIDE PLATE |
| 79 |
0250079 |
1 |
EXTRACTOR |
| 83 |
0220083 |
1 |
RIGHT REAR LINK |
| 84 |
0220084 |
1 |
LEFT REAR LINK |
| 85 |
0220085 |
1 |
RIGHT FRONT LINK |
| 86 |
0220086 |
1 |
LEFT FRONT LINK |
| 87 |
0240087 |
1 |
TRIGGER |
| 88 |
0240088 |
1 |
PLAIN SEAR |
| 89 |
0240089 |
1 |
LEVER |
| 90 |
0200090 |
1 |
LIFTER ARM |
| 91 |
0240091 |
1 |
SAFETY BAR |
| 92 |
0200092 |
1 |
RIGHT LEVER SPRING |
| 93 |
0200093 |
1 |
LEFT LEVER SPRING |
| 94 |
0240094 |
1 |
SAFETY SPRING |
| 96 |
0230096 |
1 |
MAGAZINE SPRING |
| 97 |
0220097 |
1 |
BREECH BLOCK |
| 98 |
0220098 |
1 |
FIRING PIN |
| 101 |
0240101 |
1 |
LEVER SCREW |
| 105 |
0200105 |
2 |
REAR LINK PIN |
| 107 |
0200107 |
2 |
LEVER PIN |
| 108 |
0220108 |
1 |
EXTRACTOR PIN |
| 111 |
0240111 |
1 |
SAFETY SPRING PIN |
| 112 |
0200112 |
1 |
HAMMER LINK PIN |
| 113 |
0220113 |
1 |
MAGAZINE FOLLOWER |
| 114 |
0230114 |
1 |
MAGAZINE TUBE PLUG |
| 115 |
0200115 |
1 |
STIRRUP |
| 118 |
0241118 |
1 |
MAGAZINE TUBE |
| 123 |
0240123 |
1 |
SIDE PLATE SCREW |
| 124 |
0200124 |
2 |
LEVER SPRING SCREW |
| 127 |
0240127 |
1 |
LADLE |
| 128 |
0240128 |
1 |
LADLE SCREW |
| 134 |
0400134 |
2 |
GATE CATCH |
| 137 |
4500137 |
1 |
BASE PIN SPRING |
| 167 |
0240167 |
2 |
TRIGGERGUARD SCREW |
| 216 |
0242216 |
1 |
FOREND PROTECTION |
| 218 |
0240218 |
1 |
PROTECTION RUNNING |
| 224 |
0240224 |
1 |
PROTECTION RUNNING GUIDE |
| 225 |
0202225 |
1 |
FOREND PROTECTION BEARING |
| 233 |
0240233 |
1 |
PROTECTION RUNNING SCREW |
| 237 |
0240237 |
1 |
LEVER HOOK SPRING |
| 238 |
0240238 |
1 |
LEVER HOOK PIN |
| 240 |
0240240 |
1 |
TRIGGER & LEVER SCREW |
| 275 |
0202275 |
1 |
MAGAZINE TUBE BEARING |
| 281 |
0202281 |
1 |
MAGAZINE TUBE BEARING PIN |
| 283 |
0202283 |
2 |
FOREND PROTECTION SCREW |
| 284 |
0240284 |
1 |
PROTECTION RUNNING SPHERE |
| 542 |
0240542 |
1 |
LEVER HOOK |
| 721 |
0220721 |
1 |
FIRING PIN EXTENSION STOP |
| 0215 |
73 MOD. SPORTING RIFLE .32/20 20″ WITH CHECKERED PISTOL GRIP CAT.11706 |
20” |
32-20 |

| N. |
Code No. |
Q.ty |
Description |
| 1 |
0250001 |
1 |
FRAME |
| 2 |
0240002 |
1 |
HAMMER |
| 3 |
0293003 |
1 |
BARREL SHORT 20″ .32/20 |
| 7 |
0220007 |
1 |
CARRIER BLOCK .38SP/.357MAG. |
| 15 |
0202015 |
1 |
SIGHT |
| 16 |
0070016 |
1 |
SPRING |
| 19 |
0240019 |
1 |
TRIGGER SPRING |
| 20 |
0200020 |
1 |
MAIN SPRING |
| 26 |
0275026 |
1 |
PISTOL GRIP TRIGGERGUARD |
| 36 |
0200036 |
1 |
MAIN SPRING SCREW |
| 51 |
0100051 |
1 |
GRIP PIN |
| 53 |
0240053 |
1 |
MAIN SPRING ADJ.SCREW |
| 55 |
0242055 |
1 |
REAR |
| 57 |
0275057 |
1 |
W73 RIFLE CKECHERED PISTOL GRIP BUTT STOCK |
| 58 |
0242058 |
1 |
BUTT PLATE |
| 61 |
0242061 |
1 |
REAR SIGHT |
| 62 |
0200062 |
4 |
BUTT PLATE SCREW |
| 63 |
0275063 |
1 |
PISTOL GRIP TANG SCREW |
| 67 |
0240067 |
1 |
FIRING PIN EXTENSION |
| 68 |
0241068 |
1 |
FOREND |
| 73 |
0240073 |
1 |
RIGHT SIDE PLATE |
| 74 |
0240074 |
1 |
LEFT SIDE PLATE |
| 79 |
0250079 |
1 |
EXTRACTOR |
| 83 |
0220083 |
1 |
RIGHT REAR LINK |
| 84 |
0220084 |
1 |
LEFT REAR LINK |
| 85 |
0220085 |
1 |
RIGHT FRONT LINK |
| 86 |
0220086 |
1 |
LEFT FRONT LINK |
| 87 |
0240087 |
1 |
TRIGGER |
| 88 |
0240088 |
1 |
PLAIN SEAR |
| 89 |
0240089 |
1 |
LEVER |
| 90 |
0200090 |
1 |
LIFTER ARM |
| 91 |
0240091 |
1 |
SAFETY BAR |
| 92 |
0200092 |
1 |
RIGHT LEVER SPRING |
| 93 |
0200093 |
1 |
LEFT LEVER SPRING |
| 94 |
0240094 |
1 |
SAFETY SPRING |
| 96 |
0230096 |
1 |
MAGAZINE SPRING |
| 97 |
0220097 |
1 |
BREECH BLOCK |
| 98 |
0220098 |
1 |
FIRING PIN |
| 101 |
0240101 |
1 |
LEVER SCREW |
| 105 |
0200105 |
2 |
REAR LINK PIN |
| 107 |
0200107 |
2 |
LEVER PIN |
| 108 |
0220108 |
1 |
EXTRACTOR PIN |
| 111 |
0240111 |
1 |
SAFETY SPRING PIN |
| 112 |
0200112 |
1 |
HAMMER LINK PIN |
| 113 |
0220113 |
1 |
MAGAZINE FOLLOWER |
| 114 |
0230114 |
1 |
MAGAZINE TUBE PLUG |
| 115 |
0200115 |
1 |
STIRRUP |
| 118 |
0241118 |
1 |
MAGAZINE TUBE |
| 123 |
0240123 |
1 |
SIDE PLATE SCREW |
| 124 |
0200124 |
2 |
LEVER SPRING SCREW |
| 127 |
0240127 |
1 |
LADLE |
| 128 |
0240128 |
1 |
LADLE SCREW |
| 134 |
0400134 |
2 |
GATE CATCH |
| 137 |
4500137 |
1 |
BASE PIN SPRING |
| 167 |
0240167 |
2 |
TRIGGERGUARD SCREW |
| 216 |
0242216 |
1 |
FOREND PROTECTION |
| 218 |
0240218 |
1 |
PROTECTION RUNNING |
| 224 |
0240224 |
1 |
PROTECTION RUNNING GUIDE |
| 225 |
0202225 |
1 |
FOREND PROTECTION BEARING |
| 233 |
0240233 |
1 |
PROTECTION RUNNING SCREW |
| 237 |
0240237 |
1 |
LEVER HOOK SPRING |
| 238 |
0240238 |
1 |
LEVER HOOK PIN |
| 240 |
0240240 |
1 |
TRIGGER & LEVER SCREW |
| 275 |
0202275 |
1 |
MAGAZINE TUBE BEARING |
| 281 |
0202281 |
1 |
MAGAZINE TUBE BEARING PIN |
| 283 |
0202283 |
2 |
FOREND PROTECTION SCREW |
| 284 |
0240284 |
1 |
PROTECTION RUNNING SPHERE |
| 542 |
0240542 |
1 |
LEVER HOOK |
| 721 |
0220721 |
1 |
FIRING PIN EXTENSION STOP |
| 0240 |
73 MOD.CARBINE .44/40 19″CAT.1574 |
19” |
44-40 |

| N. |
Code No. |
Q.ty |
Description |
| 1 |
0240001 |
1 |
FRAME |
| 2 |
0240002 |
1 |
HAMMER |
| 3 |
0240003 |
1 |
BARREL 19″ .44/40 |
| 7 |
0230007 |
1 |
CARRIER BLOCK |
| 16 |
0070016 |
1 |
SPRING |
| 19 |
0240019 |
1 |
TRIGGER SPRING |
| 20 |
0200020 |
1 |
MAIN SPRING |
| 26 |
0240026 |
1 |
TRIGGERGUARD |
| 36 |
0200036 |
1 |
MAIN SPRING SCREW |
| 51 |
0100051 |
1 |
GRIP PIN |
| 53 |
0240053 |
1 |
MAIN SPRING ADJ.SCREW |
| 55 |
A0240055 |
1 |
W73 CARBINE REAR ASSEMBLY |
| 57 |
0240057 |
1 |
W73 CARBINE BUTT STOCK |
| 58 |
0240058 |
1 |
BUTT PLATE |
| 62 |
0200062 |
3 |
BUTT PLATE SCREW |
| 63 |
0240063 |
1 |
TANG SCREW |
| 67 |
0240067 |
1 |
FIRING PIN EXTENSION |
| 68 |
0200068 |
1 |
FOREND |
| 73 |
0240073 |
1 |
RIGHT SIDE PLATE |
| 74 |
0240074 |
1 |
LEFT SIDE PLATE |
| 79 |
0240079 |
1 |
EXTRACTOR |
| 80 |
0240080 |
1 |
FRONT BAND |
| 81 |
0200081 |
1 |
FOREND BAND |
| 83 |
0220083 |
1 |
RIGHT REAR LINK |
| 84 |
0220084 |
1 |
LEFT REAR LINK |
| 85 |
0220085 |
1 |
RIGHT FRONT LINK |
| 86 |
0220086 |
1 |
LEFT FRONT LINK |
| 87 |
0240087 |
1 |
TRIGGER |
| 88 |
0240088 |
1 |
PLAIN SEAR |
| 89 |
0240089 |
1 |
LEVER |
| 90 |
0200090 |
1 |
LIFTER ARM |
| 91 |
0240091 |
1 |
SAFETY BAR |
| 92 |
0200092 |
1 |
RIGHT LEVER SPRING |
| 93 |
0200093 |
1 |
LEFT LEVER SPRING |
| 94 |
0240094 |
1 |
SAFETY SPRING |
| 96 |
0230096 |
1 |
MAGAZINE SPRING |
| 97 |
0230097 |
1 |
BREECH BLOCK |
| 98 |
0220098 |
1 |
FIRING PIN |
| 101 |
0240101 |
1 |
LEVER SCREW |
| 105 |
0200105 |
2 |
REAR LINK PIN |
| 107 |
0200107 |
2 |
LEVER PIN |
| 108 |
0230108 |
1 |
EXTRACTOR PIN |
| 111 |
0240111 |
1 |
SAFETY SPRING PIN |
| 112 |
0200112 |
1 |
HAMMER LINK PIN |
| 113 |
0230113 |
1 |
MAGAZINE FOLLOWER |
| 114 |
0230114 |
1 |
MAGAZINE TUBE PLUG |
| 115 |
0200115 |
1 |
STIRRUP |
| 118 |
0230118 |
1 |
MAGAZINE TUBE |
| 121 |
0200121 |
1 |
BAND SCREW |
| 122 |
0200122 |
1 |
FOREND SCREW |
| 123 |
0240123 |
1 |
SIDE PLATE SCREW |
| 124 |
0200124 |
2 |
LEVER SPRING SCREW |
| 127 |
0240127 |
1 |
LADLE |
| 128 |
0240128 |
1 |
LADLE SCREW |
| 134 |
0400134 |
2 |
GATE CATCH |
| 137 |
4500137 |
1 |
BASE PIN SPRING |
| 167 |
0240167 |
2 |
TRIGGERGUARD SCREW |
| 218 |
0240218 |
1 |
PROTECTION RUNNING |
| 224 |
0240224 |
1 |
PROTECTION RUNNING GUIDE |
| 233 |
0240233 |
1 |
PROTECTION RUNNING SCREW |
| 237 |
0240237 |
1 |
LEVER HOOK SPRING |
| 238 |
0240238 |
1 |
LEVER HOOK PIN |
| 240 |
0240240 |
1 |
TRIGGER & LEVER SCREW |
| 284 |
0240284 |
1 |
PROTECTION RUNNING SPHERE |
| 542 |
0240542 |
1 |
LEVER HOOK |
| 721 |
0220721 |
1 |
FIRING PIN EXTENSION STOP |
| 0241 |
73 SHORT RIFLE .44/40 20″ CAT.5987 |
20” |
44-40 |

| N. |
Code No. |
Q.ty |
Description |
| 1 |
0240001 |
1 |
FRAME |
| 2 |
0240002 |
1 |
HAMMER |
| 3 |
0241003 |
1 |
BARREL SHORT 20″ .44/40 |
| 7 |
0230007 |
1 |
CARRIER BLOCK |
| 15 |
0202015 |
1 |
SIGHT |
| 16 |
0070016 |
1 |
SPRING |
| 19 |
0240019 |
1 |
TRIGGER SPRING |
| 20 |
0200020 |
1 |
MAIN SPRING |
| 26 |
0240026 |
1 |
TRIGGERGUARD |
| 36 |
0200036 |
1 |
MAIN SPRING SCREW |
| 51 |
0100051 |
1 |
GRIP PIN |
| 53 |
0240053 |
1 |
MAIN SPRING ADJ.SCREW |
| 55 |
0242055 |
1 |
REAR |
| 57 |
0242057 |
1 |
W73 RIFLE BUTT STOCK |
| 58 |
0242058 |
1 |
BUTT PLATE |
| 61 |
0242061 |
1 |
REAR SIGHT |
| 62 |
0200062 |
4 |
BUTT PLATE SCREW |
| 63 |
0240063 |
1 |
TANG SCREW |
| 67 |
0240067 |
1 |
FIRING PIN EXTENSION |
| 68 |
0241068 |
1 |
FOREND |
| 73 |
0240073 |
1 |
RIGHT SIDE PLATE |
| 74 |
0240074 |
1 |
LEFT SIDE PLATE |
| 79 |
0240079 |
1 |
EXTRACTOR |
| 83 |
0220083 |
1 |
RIGHT REAR LINK |
| 84 |
0220084 |
1 |
LEFT REAR LINK |
| 85 |
0220085 |
1 |
RIGHT FRONT LINK |
| 86 |
0220086 |
1 |
LEFT FRONT LINK |
| 87 |
0240087 |
1 |
TRIGGER |
| 88 |
0240088 |
1 |
PLAIN SEAR |
| 89 |
0240089 |
1 |
LEVER |
| 90 |
0200090 |
1 |
LIFTER ARM |
| 91 |
0240091 |
1 |
SAFETY BAR |
| 92 |
0200092 |
1 |
RIGHT LEVER SPRING |
| 93 |
0200093 |
1 |
LEFT LEVER SPRING |
| 94 |
0240094 |
1 |
SAFETY SPRING |
| 96 |
0230096 |
1 |
MAGAZINE SPRING |
| 97 |
0230097 |
1 |
BREECH BLOCK |
| 98 |
0220098 |
1 |
FIRING PIN |
| 101 |
0240101 |
1 |
LEVER SCREW |
| 105 |
0200105 |
2 |
REAR LINK PIN |
| 107 |
0200107 |
2 |
LEVER PIN |
| 108 |
0230108 |
1 |
EXTRACTOR PIN |
| 111 |
0240111 |
1 |
SAFETY SPRING PIN |
| 112 |
0200112 |
1 |
HAMMER LINK PIN |
| 113 |
0230113 |
1 |
MAGAZINE FOLLOWER |
| 114 |
0230114 |
1 |
MAGAZINE TUBE PLUG |
| 115 |
0200115 |
1 |
STIRRUP |
| 118 |
0241118 |
1 |
MAGAZINE TUBE |
| 123 |
0240123 |
1 |
SIDE PLATE SCREW |
| 124 |
0200124 |
2 |
LEVER SPRING SCREW |
| 127 |
0240127 |
1 |
LADLE |
| 128 |
0240128 |
1 |
LADLE SCREW |
| 134 |
0400134 |
2 |
GATE CATCH |
| 137 |
4500137 |
1 |
BASE PIN SPRING |
| 167 |
0240167 |
2 |
TRIGGERGUARD SCREW |
| 216 |
0242216 |
1 |
FOREND PROTECTION |
| 218 |
0240218 |
1 |
PROTECTION RUNNING |
| 224 |
0240224 |
1 |
PROTECTION RUNNING GUIDE |
| 225 |
0202225 |
1 |
FOREND PROTECTION BEARING |
| 233 |
0240233 |
1 |
PROTECTION RUNNING SCREW |
| 237 |
0240237 |
1 |
LEVER HOOK SPRING |
| 238 |
0240238 |
1 |
LEVER HOOK PIN |
| 240 |
0240240 |
1 |
TRIGGER & LEVER SCREW |
| 275 |
0202275 |
1 |
MAGAZINE TUBE BEARING |
| 281 |
0202281 |
1 |
MAGAZINE TUBE BEARING PIN |
| 283 |
0202283 |
2 |
FOREND PROTECTION SCREW |
| 284 |
0240284 |
1 |
PROTECTION RUNNING SPHERE |
| 542 |
0240542 |
1 |
LEVER HOOK |
| 692 |
0400692 |
2 |
HAND PIN SCREW |
| 721 |
0220721 |
1 |
FIRING PIN EXTENSION STOP |
| 0242 |
73 SPORTING RIFLE .44/40 24.1/4″ CAT.1583 |
24.1/4” |
44-40 |

| N. |
Code No. |
Q.ty |
Description |
| 1 |
0240001 |
1 |
FRAME |
| 2 |
0240002 |
1 |
HAMMER |
| 3 |
0242003 |
1 |
BARREL 24.1/4″ .44/40 |
| 7 |
0230007 |
1 |
CARRIER BLOCK |
| 15 |
0202015 |
1 |
SIGHT |
| 16 |
0070016 |
1 |
SPRING |
| 19 |
0240019 |
1 |
TRIGGER SPRING |
| 20 |
0200020 |
1 |
MAIN SPRING |
| 26 |
0240026 |
1 |
TRIGGERGUARD |
| 36 |
0200036 |
1 |
MAIN SPRING SCREW |
| 51 |
0100051 |
1 |
GRIP PIN |
| 53 |
0240053 |
1 |
MAIN SPRING ADJ.SCREW |
| 55 |
0242055 |
1 |
REAR |
| 57 |
0242057 |
1 |
W73 RIFLE BUTT STOCK |
| 58 |
0242058 |
1 |
BUTT PLATE |
| 61 |
0242061 |
1 |
REAR SIGHT |
| 62 |
0200062 |
4 |
BUTT PLATE SCREW |
| 63 |
0240063 |
1 |
TANG SCREW |
| 67 |
0240067 |
1 |
FIRING PIN EXTENSION |
| 68 |
0202068 |
1 |
FOREND |
| 73 |
0240073 |
1 |
RIGHT SIDE PLATE |
| 74 |
0240074 |
1 |
LEFT SIDE PLATE |
| 79 |
0240079 |
1 |
EXTRACTOR |
| 83 |
0220083 |
1 |
RIGHT REAR LINK |
| 84 |
0220084 |
1 |
LEFT REAR LINK |
| 85 |
0220085 |
1 |
RIGHT FRONT LINK |
| 86 |
0220086 |
1 |
LEFT FRONT LINK |
| 87 |
0240087 |
1 |
TRIGGER |
| 88 |
0240088 |
1 |
PLAIN SEAR |
| 89 |
0240089 |
1 |
LEVER |
| 90 |
0200090 |
1 |
LIFTER ARM |
| 91 |
0240091 |
1 |
SAFETY BAR |
| 92 |
0200092 |
1 |
RIGHT LEVER SPRING |
| 93 |
0200093 |
1 |
LEFT LEVER SPRING |
| 94 |
0240094 |
1 |
SAFETY SPRING |
| 96 |
0232096 |
1 |
MAGAZINE SPRING |
| 97 |
0230097 |
1 |
BREECH BLOCK |
| 98 |
0220098 |
1 |
FIRING PIN |
| 101 |
0240101 |
1 |
LEVER SCREW |
| 105 |
0200105 |
2 |
REAR LINK PIN |
| 107 |
0200107 |
2 |
LEVER PIN |
| 108 |
0230108 |
1 |
EXTRACTOR PIN |
| 111 |
0240111 |
1 |
SAFETY SPRING PIN |
| 112 |
0200112 |
1 |
HAMMER LINK PIN |
| 113 |
0230113 |
1 |
MAGAZINE FOLLOWER |
| 114 |
0230114 |
1 |
MAGAZINE TUBE PLUG |
| 115 |
0200115 |
1 |
STIRRUP |
| 118 |
0232118 |
1 |
MAGAZINE TUBE |
| 123 |
0240123 |
1 |
SIDE PLATE SCREW |
| 124 |
0200124 |
2 |
LEVER SPRING SCREW |
| 127 |
0240127 |
1 |
LADLE |
| 128 |
0240128 |
1 |
LADLE SCREW |
| 134 |
0400134 |
2 |
GATE CATCH |
| 137 |
4500137 |
1 |
BASE PIN SPRING |
| 167 |
0240167 |
2 |
TRIGGERGUARD SCREW |
| 216 |
0242216 |
1 |
FOREND PROTECTION |
| 218 |
0240218 |
1 |
PROTECTION RUNNING |
| 224 |
0240224 |
1 |
PROTECTION RUNNING GUIDE |
| 225 |
0202225 |
1 |
FOREND PROTECTION BEARING |
| 233 |
0240233 |
1 |
PROTECTION RUNNING SCREW |
| 237 |
0240237 |
1 |
LEVER HOOK SPRING |
| 238 |
0240238 |
1 |
LEVER HOOK PIN |
| 240 |
0240240 |
1 |
TRIGGER & LEVER SCREW |
| 275 |
0202275 |
1 |
MAGAZINE TUBE BEARING |
| 281 |
0202281 |
1 |
MAGAZINE TUBE BEARING PIN |
| 283 |
0202283 |
2 |
FOREND PROTECTION SCREW |
| 284 |
0240284 |
1 |
PROTECTION RUNNING SPHERE |
| 542 |
0240542 |
1 |
LEVER HOOK |
| 692 |
0400692 |
2 |
HAND PIN SCREW |
| 721 |
0220721 |
1 |
FIRING PIN EXTENSION STOP |
| 0243 |
73 MOD.CARB. TRAPPER .44/40 16.1/8″ CAT.1578 |
16.1/8” |
44-40 |

| N. |
Code No. |
Q.ty |
Description |
| 1 |
0240001 |
1 |
FRAME |
| 2 |
0240002 |
1 |
HAMMER |
| 3 |
|
1 |
|
| 7 |
0230007 |
1 |
CARRIER BLOCK |
| 16 |
0070016 |
1 |
SPRING |
| 19 |
0240019 |
1 |
TRIGGER SPRING |
| 20 |
0200020 |
1 |
MAIN SPRING |
| 26 |
0240026 |
1 |
TRIGGERGUARD |
| 36 |
0200036 |
1 |
MAIN SPRING SCREW |
| 51 |
0100051 |
1 |
GRIP PIN |
| 53 |
0240053 |
1 |
MAIN SPRING ADJ.SCREW |
| 55 |
A0240055 |
1 |
W73 CARBINE REAR ASSEMBLY |
| 57 |
0240057 |
1 |
W73 CARBINE BUTT STOCK |
| 58 |
0240058 |
1 |
BUTT PLATE |
| 62 |
0200062 |
3 |
BUTT PLATE SCREW |
| 63 |
0240063 |
1 |
TANG SCREW |
| 67 |
0240067 |
1 |
FIRING PIN EXTENSION |
| 68 |
0200068 |
1 |
FOREND |
| 73 |
0240073 |
1 |
RIGHT SIDE PLATE |
| 74 |
0240074 |
1 |
LEFT SIDE PLATE |
| 79 |
0240079 |
1 |
EXTRACTOR |
| 80 |
0240080 |
1 |
FRONT BAND |
| 81 |
0200081 |
1 |
FOREND BAND |
| 83 |
0220083 |
1 |
RIGHT REAR LINK |
| 84 |
0220084 |
1 |
LEFT REAR LINK |
| 85 |
0220085 |
1 |
RIGHT FRONT LINK |
| 86 |
0220086 |
1 |
LEFT FRONT LINK |
| 87 |
0240087 |
1 |
TRIGGER |
| 88 |
0240088 |
1 |
PLAIN SEAR |
| 89 |
0240089 |
1 |
LEVER |
| 90 |
0200090 |
1 |
LIFTER ARM |
| 91 |
0240091 |
1 |
SAFETY BAR |
| 92 |
0200092 |
1 |
RIGHT LEVER SPRING |
| 93 |
0200093 |
1 |
LEFT LEVER SPRING |
| 94 |
0240094 |
1 |
SAFETY SPRING |
| 96 |
0223096 |
1 |
MAGAZINE SPRING 16.1/8″ |
| 97 |
0230097 |
1 |
BREECH BLOCK |
| 98 |
0220098 |
1 |
FIRING PIN |
| 101 |
0240101 |
1 |
LEVER SCREW |
| 105 |
0200105 |
2 |
REAR LINK PIN |
| 107 |
0200107 |
2 |
LEVER PIN |
| 108 |
0230108 |
1 |
EXTRACTOR PIN |
| 111 |
0240111 |
1 |
SAFETY SPRING PIN |
| 112 |
0200112 |
1 |
HAMMER LINK PIN |
| 113 |
0230113 |
1 |
MAGAZINE FOLLOWER |
| 114 |
0230114 |
1 |
MAGAZINE TUBE PLUG |
| 115 |
0200115 |
1 |
STIRRUP |
| 118 |
0230118 |
1 |
MAGAZINE TUBE |
| 121 |
0200121 |
1 |
BAND SCREW |
| 122 |
0200122 |
1 |
FOREND SCREW |
| 123 |
0240123 |
1 |
SIDE PLATE SCREW |
| 124 |
0200124 |
2 |
LEVER SPRING SCREW |
| 127 |
0240127 |
1 |
LADLE |
| 128 |
0240128 |
1 |
LADLE SCREW |
| 134 |
0400134 |
2 |
GATE CATCH |
| 137 |
4500137 |
1 |
BASE PIN SPRING |
| 167 |
0240167 |
2 |
TRIGGERGUARD SCREW |
| 218 |
0240218 |
1 |
PROTECTION RUNNING |
| 224 |
0240224 |
1 |
PROTECTION RUNNING GUIDE |
| 233 |
0240233 |
1 |
PROTECTION RUNNING SCREW |
| 237 |
0240237 |
1 |
LEVER HOOK SPRING |
| 238 |
0240238 |
1 |
LEVER HOOK PIN |
| 240 |
0240240 |
1 |
TRIGGER & LEVER SCREW |
| 284 |
0240284 |
1 |
PROTECTION RUNNING SPHERE |
| 542 |
0240542 |
1 |
LEVER HOOK |
| 721 |
0220721 |
1 |
FIRING PIN EXTENSION STOP |
| 0244 |
73 SPORTING RIFLE .44/40 30″ BBL. CAT.5988 |
30” |
44-40 |

| N. |
Code No. |
Q.ty |
Description |
| 1 |
0240001 |
1 |
FRAME |
| 2 |
0240002 |
1 |
HAMMER |
| 3 |
0244003 |
1 |
BARREL 30″ .44/40 |
| 7 |
0230007 |
1 |
CARRIER BLOCK |
| 15 |
|
1 |
|
| 16 |
0070016 |
1 |
SPRING |
| 19 |
0240019 |
1 |
TRIGGER SPRING |
| 20 |
0200020 |
1 |
MAIN SPRING |
| 26 |
0240026 |
1 |
TRIGGERGUARD |
| 36 |
0200036 |
1 |
MAIN SPRING SCREW |
| 51 |
0100051 |
1 |
GRIP PIN |
| 53 |
0240053 |
1 |
MAIN SPRING ADJ.SCREW |
| 55 |
0242055 |
1 |
REAR |
| 57 |
0242057 |
1 |
W73 RIFLE BUTT STOCK |
| 58 |
0242058 |
1 |
BUTT PLATE |
| 61 |
0242061 |
1 |
REAR SIGHT |
| 62 |
0200062 |
4 |
BUTT PLATE SCREW |
| 63 |
0240063 |
1 |
TANG SCREW |
| 67 |
0240067 |
1 |
FIRING PIN EXTENSION |
| 68 |
0202068 |
1 |
FOREND |
| 73 |
0240073 |
1 |
RIGHT SIDE PLATE |
| 74 |
0240074 |
1 |
LEFT SIDE PLATE |
| 79 |
0240079 |
1 |
EXTRACTOR |
| 83 |
0220083 |
1 |
RIGHT REAR LINK |
| 84 |
0220084 |
1 |
LEFT REAR LINK |
| 85 |
0220085 |
1 |
RIGHT FRONT LINK |
| 86 |
0220086 |
1 |
LEFT FRONT LINK |
| 87 |
0240087 |
1 |
TRIGGER |
| 88 |
0240088 |
1 |
PLAIN SEAR |
| 89 |
0240089 |
1 |
LEVER |
| 90 |
0200090 |
1 |
LIFTER ARM |
| 91 |
0240091 |
1 |
SAFETY BAR |
| 92 |
0200092 |
1 |
RIGHT LEVER SPRING |
| 93 |
0200093 |
1 |
LEFT LEVER SPRING |
| 94 |
0240094 |
1 |
SAFETY SPRING |
| 96 |
0244096 |
1 |
MAGAZINE SPRING |
| 97 |
0230097 |
1 |
BREECH BLOCK |
| 98 |
0220098 |
1 |
FIRING PIN |
| 101 |
0240101 |
1 |
LEVER SCREW |
| 105 |
0200105 |
2 |
REAR LINK PIN |
| 107 |
0200107 |
2 |
LEVER PIN |
| 108 |
0230108 |
1 |
EXTRACTOR PIN |
| 111 |
0240111 |
1 |
SAFETY SPRING PIN |
| 112 |
0200112 |
1 |
HAMMER LINK PIN |
| 113 |
0230113 |
1 |
MAGAZINE FOLLOWER |
| 114 |
0230114 |
1 |
MAGAZINE TUBE PLUG |
| 115 |
0200115 |
1 |
STIRRUP |
| 118 |
0244118 |
1 |
MAGAZINE TUBE |
| 123 |
0240123 |
1 |
SIDE PLATE SCREW |
| 124 |
0200124 |
2 |
LEVER SPRING SCREW |
| 127 |
0240127 |
1 |
LADLE |
| 128 |
0240128 |
1 |
LADLE SCREW |
| 134 |
0400134 |
2 |
GATE CATCH |
| 137 |
4500137 |
1 |
BASE PIN SPRING |
| 167 |
0240167 |
2 |
TRIGGERGUARD SCREW |
| 216 |
0242216 |
1 |
FOREND PROTECTION |
| 218 |
0240218 |
1 |
PROTECTION RUNNING |
| 224 |
0240224 |
1 |
PROTECTION RUNNING GUIDE |
| 225 |
0202225 |
1 |
FOREND PROTECTION BEARING |
| 233 |
0240233 |
1 |
PROTECTION RUNNING SCREW |
| 237 |
0240237 |
1 |
LEVER HOOK SPRING |
| 238 |
0240238 |
1 |
LEVER HOOK PIN |
| 240 |
0240240 |
1 |
TRIGGER & LEVER SCREW |
| 275 |
0202275 |
1 |
MAGAZINE TUBE BEARING |
| 281 |
0202281 |
1 |
MAGAZINE TUBE BEARING PIN |
| 283 |
0202283 |
2 |
FOREND PROTECTION SCREW |
| 284 |
0240284 |
1 |
PROTECTION RUNNING SPHERE |
| 542 |
0240542 |
1 |
LEVER HOOK |
| 692 |
0400692 |
2 |
HAND PIN SCREW |
| 721 |
0220721 |
1 |
FIRING PIN EXTENSION STOP |
| 0249 |
73 MOD.SPORTING RIFLE .44SP 24.1/4″ CAT.7355 |
24.1/4” |
44SPEC. |

| N. |
Code No. |
Q.ty |
Description |
| 1 |
0240001 |
1 |
FRAME |
| 2 |
0240002 |
1 |
HAMMER |
| 3 |
0249003 |
1 |
BARREL 24.1/4″ .44SPEC. |
| 7 |
0230007 |
1 |
CARRIER BLOCK |
| 15 |
0202015 |
1 |
SIGHT |
| 16 |
0070016 |
1 |
SPRING |
| 19 |
0240019 |
1 |
TRIGGER SPRING |
| 20 |
0200020 |
1 |
MAIN SPRING |
| 26 |
0240026 |
1 |
TRIGGERGUARD |
| 36 |
0200036 |
1 |
MAIN SPRING SCREW |
| 51 |
0100051 |
1 |
GRIP PIN |
| 53 |
0240053 |
1 |
MAIN SPRING ADJ.SCREW |
| 55 |
0242055 |
1 |
REAR |
| 57 |
0242057 |
1 |
W73 RIFLE BUTT STOCK |
| 58 |
0242058 |
1 |
BUTT PLATE |
| 61 |
0242061 |
1 |
REAR SIGHT |
| 62 |
0200062 |
4 |
BUTT PLATE SCREW |
| 63 |
0240063 |
1 |
TANG SCREW |
| 67 |
0240067 |
1 |
FIRING PIN EXTENSION |
| 68 |
0202068 |
1 |
FOREND |
| 73 |
0240073 |
1 |
RIGHT SIDE PLATE |
| 74 |
0240074 |
1 |
LEFT SIDE PLATE |
| 79 |
0240079 |
1 |
EXTRACTOR |
| 83 |
0220083 |
1 |
RIGHT REAR LINK |
| 84 |
0220084 |
1 |
LEFT REAR LINK |
| 85 |
0220085 |
1 |
RIGHT FRONT LINK |
| 86 |
0220086 |
1 |
LEFT FRONT LINK |
| 87 |
0240087 |
1 |
TRIGGER |
| 88 |
0240088 |
1 |
PLAIN SEAR |
| 89 |
0240089 |
1 |
LEVER |
| 90 |
0200090 |
1 |
LIFTER ARM |
| 91 |
0240091 |
1 |
SAFETY BAR |
| 92 |
0200092 |
1 |
RIGHT LEVER SPRING |
| 93 |
0200093 |
1 |
LEFT LEVER SPRING |
| 94 |
0240094 |
1 |
SAFETY SPRING |
| 96 |
0232096 |
1 |
MAGAZINE SPRING |
| 97 |
0230097 |
1 |
BREECH BLOCK |
| 98 |
0220098 |
1 |
FIRING PIN |
| 101 |
0240101 |
1 |
LEVER SCREW |
| 105 |
0200105 |
2 |
REAR LINK PIN |
| 107 |
0200107 |
2 |
LEVER PIN |
| 108 |
0230108 |
1 |
EXTRACTOR PIN |
| 111 |
0240111 |
1 |
SAFETY SPRING PIN |
| 112 |
0200112 |
1 |
HAMMER LINK PIN |
| 113 |
0230113 |
1 |
MAGAZINE FOLLOWER |
| 114 |
0230114 |
1 |
MAGAZINE TUBE PLUG |
| 115 |
0200115 |
1 |
STIRRUP |
| 118 |
0232118 |
1 |
MAGAZINE TUBE |
| 123 |
0240123 |
1 |
SIDE PLATE SCREW |
| 124 |
0200124 |
2 |
LEVER SPRING SCREW |
| 127 |
0240127 |
1 |
LADLE |
| 128 |
0240128 |
1 |
LADLE SCREW |
| 134 |
0400134 |
2 |
GATE CATCH |
| 137 |
4500137 |
1 |
BASE PIN SPRING |
| 167 |
0240167 |
2 |
TRIGGERGUARD SCREW |
| 216 |
0242216 |
1 |
FOREND PROTECTION |
| 218 |
0240218 |
1 |
PROTECTION RUNNING |
| 224 |
0240224 |
1 |
PROTECTION RUNNING GUIDE |
| 225 |
0202225 |
1 |
FOREND PROTECTION BEARING |
| 233 |
0240233 |
1 |
PROTECTION RUNNING SCREW |
| 237 |
0240237 |
1 |
LEVER HOOK SPRING |
| 238 |
0240238 |
1 |
LEVER HOOK PIN |
| 240 |
0240240 |
1 |
TRIGGER & LEVER SCREW |
| 275 |
0202275 |
1 |
MAGAZINE TUBE BEARING |
| 281 |
0202281 |
1 |
MAGAZINE TUBE BEARING PIN |
| 283 |
0202283 |
2 |
FOREND PROTECTION SCREW |
| 284 |
0240284 |
1 |
PROTECTION RUNNING SPHERE |
| 542 |
0240542 |
1 |
LEVER HOOK |
| 692 |
0400692 |
2 |
HAND PIN SCREW |
| 721 |
0220721 |
1 |
FIRING PIN EXTENSION STOP |
| 0251 |
73 MOD.CARBINE .38-40 19″ CAT.11704 |
19” |
38-40 |

| N. |
Code No. |
Q.ty |
Description |
| 1 |
0250001 |
1 |
FRAME |
| 2 |
0240002 |
1 |
HAMMER |
| 3 |
0251003 |
1 |
BARREL 19″ .38/40 |
| 7 |
0220007 |
1 |
CARRIER BLOCK .38SP/.357MAG. |
| 16 |
0070016 |
1 |
SPRING |
| 19 |
0240019 |
1 |
TRIGGER SPRING |
| 20 |
0200020 |
1 |
MAIN SPRING |
| 26 |
0240026 |
1 |
TRIGGERGUARD |
| 36 |
0200036 |
1 |
MAIN SPRING SCREW |
| 51 |
0100051 |
1 |
GRIP PIN |
| 53 |
0240053 |
1 |
MAIN SPRING ADJ.SCREW |
| 55 |
A0240055 |
1 |
W73 CARBINE REAR ASSEMBLY |
| 57 |
0240057 |
1 |
W73 CARBINE BUTT STOCK |
| 58 |
0240058 |
1 |
BUTT PLATE |
| 62 |
0200062 |
4 |
BUTT PLATE SCREW |
| 63 |
0240063 |
1 |
TANG SCREW |
| 67 |
0240067 |
1 |
FIRING PIN EXTENSION |
| 68 |
0200068 |
1 |
FOREND |
| 73 |
0240073 |
1 |
RIGHT SIDE PLATE |
| 74 |
0240074 |
1 |
LEFT SIDE PLATE |
| 79 |
0250079 |
1 |
EXTRACTOR |
| 80 |
0240080 |
1 |
FRONT BAND |
| 81 |
0200081 |
1 |
FOREND BAND |
| 83 |
0220083 |
1 |
RIGHT REAR LINK |
| 84 |
0220084 |
1 |
LEFT REAR LINK |
| 85 |
0220085 |
1 |
RIGHT FRONT LINK |
| 86 |
0220086 |
1 |
LEFT FRONT LINK |
| 87 |
0240087 |
1 |
TRIGGER |
| 88 |
0240088 |
1 |
PLAIN SEAR |
| 89 |
0240089 |
1 |
LEVER |
| 90 |
0200090 |
1 |
LIFTER ARM |
| 91 |
0240091 |
1 |
SAFETY BAR |
| 92 |
0200092 |
1 |
RIGHT LEVER SPRING |
| 93 |
0200093 |
1 |
LEFT LEVER SPRING |
| 94 |
0240094 |
1 |
SAFETY SPRING |
| 96 |
0230096 |
1 |
MAGAZINE SPRING |
| 97 |
0220097 |
1 |
BREECH BLOCK |
| 98 |
0220098 |
1 |
FIRING PIN |
| 101 |
0240101 |
1 |
LEVER SCREW |
| 105 |
0200105 |
2 |
REAR LINK PIN |
| 107 |
0200107 |
2 |
LEVER PIN |
| 108 |
0220108 |
1 |
EXTRACTOR PIN |
| 111 |
0240111 |
1 |
SAFETY SPRING PIN |
| 112 |
0200112 |
1 |
HAMMER LINK PIN |
| 113 |
0220113 |
1 |
MAGAZINE FOLLOWER |
| 114 |
0230114 |
1 |
MAGAZINE TUBE PLUG |
| 115 |
0200115 |
1 |
STIRRUP |
| 118 |
0230118 |
1 |
MAGAZINE TUBE |
| 121 |
0200121 |
1 |
BAND SCREW |
| 122 |
0200122 |
1 |
FOREND SCREW |
| 124 |
0200124 |
2 |
LEVER SPRING SCREW |
| 127 |
0240127 |
1 |
LADLE |
| 128 |
0240128 |
1 |
LADLE SCREW |
| 134 |
0400134 |
2 |
GATE CATCH |
| 137 |
4500137 |
1 |
BASE PIN SPRING |
| 167 |
0240167 |
2 |
TRIGGERGUARD SCREW |
| 218 |
0240218 |
1 |
PROTECTION RUNNING |
| 224 |
0240224 |
1 |
PROTECTION RUNNING GUIDE |
| 233 |
0240233 |
1 |
PROTECTION RUNNING SCREW |
| 237 |
0240237 |
1 |
LEVER HOOK SPRING |
| 238 |
0240238 |
1 |
LEVER HOOK PIN |
| 240 |
0240240 |
1 |
TRIGGER & LEVER SCREW |
| 284 |
0240284 |
1 |
PROTECTION RUNNING SPHERE |
| 542 |
0240542 |
1 |
LEVER HOOK |
| 721 |
0220721 |
1 |
FIRING PIN EXTENSION STOP |
| 0253 |
73 MOD.CARB. TRAPPER .38SP 16.1/8″ CAT.1577 |
16.1/8” |
38 SPEC. |

| N. |
Code No. |
Q.ty |
Description |
| 1 |
0250001 |
1 |
FRAME |
| 2 |
0240002 |
1 |
HAMMER |
| 3 |
|
1 |
|
| 7 |
0220007 |
1 |
CARRIER BLOCK .38SP/.357MAG. |
| 16 |
0070016 |
1 |
SPRING |
| 19 |
0240019 |
1 |
TRIGGER SPRING |
| 20 |
0200020 |
1 |
MAIN SPRING |
| 26 |
0240026 |
1 |
TRIGGERGUARD |
| 36 |
0200036 |
1 |
MAIN SPRING SCREW |
| 51 |
0100051 |
1 |
GRIP PIN |
| 53 |
0240053 |
1 |
MAIN SPRING ADJ.SCREW |
| 55 |
A0240055 |
1 |
W73 CARBINE REAR ASSEMBLY |
| 57 |
0240057 |
1 |
W73 CARBINE BUTT STOCK |
| 58 |
0240058 |
1 |
BUTT PLATE |
| 62 |
0200062 |
4 |
BUTT PLATE SCREW |
| 63 |
0240063 |
1 |
TANG SCREW |
| 67 |
0240067 |
1 |
FIRING PIN EXTENSION |
| 68 |
0200068 |
1 |
FOREND |
| 73 |
0240073 |
1 |
RIGHT SIDE PLATE |
| 74 |
0240074 |
1 |
LEFT SIDE PLATE |
| 79 |
0250079 |
1 |
EXTRACTOR |
| 80 |
0240080 |
1 |
FRONT BAND |
| 81 |
0200081 |
1 |
FOREND BAND |
| 83 |
0220083 |
1 |
RIGHT REAR LINK |
| 84 |
0220084 |
1 |
LEFT REAR LINK |
| 85 |
0220085 |
1 |
RIGHT FRONT LINK |
| 86 |
0220086 |
1 |
LEFT FRONT LINK |
| 87 |
0240087 |
1 |
TRIGGER |
| 88 |
0240088 |
1 |
PLAIN SEAR |
| 89 |
0240089 |
1 |
LEVER |
| 90 |
0200090 |
1 |
LIFTER ARM |
| 91 |
0240091 |
1 |
SAFETY BAR |
| 92 |
0200092 |
1 |
RIGHT LEVER SPRING |
| 93 |
0200093 |
1 |
LEFT LEVER SPRING |
| 94 |
0240094 |
1 |
SAFETY SPRING |
| 96 |
0223096 |
1 |
MAGAZINE SPRING 16.1/8″ |
| 97 |
0220097 |
1 |
BREECH BLOCK |
| 98 |
0220098 |
1 |
FIRING PIN |
| 101 |
0240101 |
1 |
LEVER SCREW |
| 105 |
0200105 |
2 |
REAR LINK PIN |
| 107 |
0200107 |
2 |
LEVER PIN |
| 108 |
0220108 |
1 |
EXTRACTOR PIN |
| 111 |
0240111 |
1 |
SAFETY SPRING PIN |
| 112 |
0200112 |
1 |
HAMMER LINK PIN |
| 113 |
0220113 |
1 |
MAGAZINE FOLLOWER |
| 114 |
0230114 |
1 |
MAGAZINE TUBE PLUG |
| 115 |
0200115 |
1 |
STIRRUP |
| 118 |
0230118 |
1 |
MAGAZINE TUBE |
| 121 |
0200121 |
1 |
BAND SCREW |
| 122 |
0200122 |
1 |
FOREND SCREW |
| 124 |
0200124 |
2 |
LEVER SPRING SCREW |
| 127 |
0240127 |
1 |
LADLE |
| 128 |
0240128 |
1 |
LADLE SCREW |
| 134 |
0400134 |
2 |
GATE CATCH |
| 137 |
4500137 |
1 |
BASE PIN SPRING |
| 167 |
0240167 |
2 |
TRIGGERGUARD SCREW |
| 218 |
0240218 |
1 |
PROTECTION RUNNING |
| 224 |
0240224 |
1 |
PROTECTION RUNNING GUIDE |
| 233 |
0240233 |
1 |
PROTECTION RUNNING SCREW |
| 237 |
0240237 |
1 |
LEVER HOOK SPRING |
| 238 |
0240238 |
1 |
LEVER HOOK PIN |
| 240 |
0240240 |
1 |
TRIGGER & LEVER SCREW |
| 284 |
0240284 |
1 |
PROTECTION RUNNING SPHERE |
| 542 |
0240542 |
1 |
LEVER HOOK |
| 721 |
0220721 |
1 |
FIRING PIN EXTENSION STOP |
| 0254 |
73 MOD.CARBINE .32-20 19″ CAT.10508 |
19” |
32-20 |

| N. |
Code No. |
Q.ty |
Description |
| 1 |
0250001 |
1 |
FRAME |
| 2 |
0240002 |
1 |
HAMMER |
| 3 |
0254003 |
1 |
BARREL 19″ .32-20 |
| 7 |
0220007 |
1 |
CARRIER BLOCK .38SP/.357MAG. |
| 16 |
0070016 |
1 |
SPRING |
| 19 |
0240019 |
1 |
TRIGGER SPRING |
| 20 |
0200020 |
1 |
MAIN SPRING |
| 26 |
0240026 |
1 |
TRIGGERGUARD |
| 36 |
0200036 |
1 |
MAIN SPRING SCREW |
| 51 |
0100051 |
1 |
GRIP PIN |
| 53 |
0240053 |
1 |
MAIN SPRING ADJ.SCREW |
| 55 |
A0240055 |
1 |
W73 CARBINE REAR ASSEMBLY |
| 57 |
0240057 |
1 |
W73 CARBINE BUTT STOCK |
| 58 |
0240058 |
1 |
BUTT PLATE |
| 62 |
0200062 |
4 |
BUTT PLATE SCREW |
| 63 |
0240063 |
1 |
TANG SCREW |
| 67 |
0240067 |
1 |
FIRING PIN EXTENSION |
| 68 |
0200068 |
1 |
FOREND |
| 73 |
0240073 |
1 |
RIGHT SIDE PLATE |
| 74 |
0240074 |
1 |
LEFT SIDE PLATE |
| 79 |
0250079 |
1 |
EXTRACTOR |
| 80 |
0240080 |
1 |
FRONT BAND |
| 81 |
0200081 |
1 |
FOREND BAND |
| 83 |
0220083 |
1 |
RIGHT REAR LINK |
| 84 |
0220084 |
1 |
LEFT REAR LINK |
| 85 |
0220085 |
1 |
RIGHT FRONT LINK |
| 86 |
0220086 |
1 |
LEFT FRONT LINK |
| 87 |
0240087 |
1 |
TRIGGER |
| 88 |
0240088 |
1 |
PLAIN SEAR |
| 89 |
0240089 |
1 |
LEVER |
| 90 |
0200090 |
1 |
LIFTER ARM |
| 91 |
0240091 |
1 |
SAFETY BAR |
| 92 |
0200092 |
1 |
RIGHT LEVER SPRING |
| 93 |
0200093 |
1 |
LEFT LEVER SPRING |
| 94 |
0240094 |
1 |
SAFETY SPRING |
| 96 |
0230096 |
1 |
MAGAZINE SPRING |
| 97 |
0220097 |
1 |
BREECH BLOCK |
| 98 |
0220098 |
1 |
FIRING PIN |
| 101 |
0240101 |
1 |
LEVER SCREW |
| 105 |
0200105 |
2 |
REAR LINK PIN |
| 107 |
0200107 |
2 |
LEVER PIN |
| 108 |
0220108 |
1 |
EXTRACTOR PIN |
| 111 |
0240111 |
1 |
SAFETY SPRING PIN |
| 112 |
0200112 |
1 |
HAMMER LINK PIN |
| 113 |
0220113 |
1 |
MAGAZINE FOLLOWER |
| 114 |
0230114 |
1 |
MAGAZINE TUBE PLUG |
| 115 |
0200115 |
1 |
STIRRUP |
| 118 |
0230118 |
1 |
MAGAZINE TUBE |
| 121 |
0200121 |
1 |
BAND SCREW |
| 122 |
0200122 |
1 |
FOREND SCREW |
| 124 |
0200124 |
2 |
LEVER SPRING SCREW |
| 127 |
0240127 |
1 |
LADLE |
| 128 |
0240128 |
1 |
LADLE SCREW |
| 134 |
0400134 |
2 |
GATE CATCH |
| 137 |
4500137 |
1 |
BASE PIN SPRING |
| 167 |
0240167 |
2 |
TRIGGERGUARD SCREW |
| 218 |
0240218 |
1 |
PROTECTION RUNNING |
| 224 |
0240224 |
1 |
PROTECTION RUNNING GUIDE |
| 233 |
0240233 |
1 |
PROTECTION RUNNING SCREW |
| 237 |
0240237 |
1 |
LEVER HOOK SPRING |
| 238 |
0240238 |
1 |
LEVER HOOK PIN |
| 240 |
0240240 |
1 |
TRIGGER & LEVER SCREW |
| 284 |
0240284 |
1 |
PROTECTION RUNNING SPHERE |
| 542 |
0240542 |
1 |
LEVER HOOK |
| 721 |
0220721 |
1 |
FIRING PIN EXTENSION STOP |
| 0255 |
73 SPORTING RIFLE .32-20 24.1/4″ CAT.10509 |
24.1/4” |
32-20 |

| N. |
Code No. |
Q.ty |
Description |
| 1 |
0250001 |
1 |
FRAME |
| 2 |
0240002 |
1 |
HAMMER |
| 3 |
0255003 |
1 |
BARREL 24.1/4″ .32-20 |
| 7 |
0220007 |
1 |
CARRIER BLOCK .38SP/.357MAG. |
| 15 |
0202015 |
1 |
SIGHT |
| 16 |
0070016 |
1 |
SPRING |
| 19 |
0240019 |
1 |
TRIGGER SPRING |
| 20 |
0200020 |
1 |
MAIN SPRING |
| 26 |
0240026 |
1 |
TRIGGERGUARD |
| 36 |
0200036 |
1 |
MAIN SPRING SCREW |
| 51 |
0100051 |
1 |
GRIP PIN |
| 53 |
0240053 |
1 |
MAIN SPRING ADJ.SCREW |
| 55 |
0242055 |
1 |
REAR |
| 57 |
0242057 |
1 |
W73 RIFLE BUTT STOCK |
| 58 |
0242058 |
1 |
BUTT PLATE |
| 61 |
0242061 |
1 |
REAR SIGHT |
| 62 |
0200062 |
4 |
BUTT PLATE SCREW |
| 63 |
0240063 |
1 |
TANG SCREW |
| 67 |
0240067 |
1 |
FIRING PIN EXTENSION |
| 68 |
0202068 |
1 |
FOREND |
| 73 |
0240073 |
1 |
RIGHT SIDE PLATE |
| 74 |
0240074 |
1 |
LEFT SIDE PLATE |
| 79 |
0250079 |
1 |
EXTRACTOR |
| 83 |
0220083 |
1 |
RIGHT REAR LINK |
| 84 |
0220084 |
1 |
LEFT REAR LINK |
| 85 |
0220085 |
1 |
RIGHT FRONT LINK |
| 86 |
0220086 |
1 |
LEFT FRONT LINK |
| 87 |
0240087 |
1 |
TRIGGER |
| 88 |
0240088 |
1 |
PLAIN SEAR |
| 89 |
0240089 |
1 |
LEVER |
| 90 |
0200090 |
1 |
LIFTER ARM |
| 91 |
0240091 |
1 |
SAFETY BAR |
| 92 |
0200092 |
1 |
RIGHT LEVER SPRING |
| 93 |
0200093 |
1 |
LEFT LEVER SPRING |
| 94 |
0240094 |
1 |
SAFETY SPRING |
| 96 |
0232096 |
1 |
MAGAZINE SPRING |
| 97 |
0220097 |
1 |
BREECH BLOCK |
| 98 |
0220098 |
1 |
FIRING PIN |
| 101 |
0240101 |
1 |
LEVER SCREW |
| 105 |
0200105 |
2 |
REAR LINK PIN |
| 107 |
0200107 |
2 |
LEVER PIN |
| 108 |
0220108 |
1 |
EXTRACTOR PIN |
| 111 |
0240111 |
1 |
SAFETY SPRING PIN |
| 112 |
0200112 |
1 |
HAMMER LINK PIN |
| 113 |
0220113 |
1 |
MAGAZINE FOLLOWER |
| 114 |
0230114 |
1 |
MAGAZINE TUBE PLUG |
| 115 |
0200115 |
1 |
STIRRUP |
| 118 |
0232118 |
1 |
MAGAZINE TUBE |
| 123 |
0240123 |
1 |
SIDE PLATE SCREW |
| 124 |
0200124 |
2 |
LEVER SPRING SCREW |
| 127 |
0240127 |
1 |
LADLE |
| 128 |
0240128 |
1 |
LADLE SCREW |
| 134 |
0400134 |
2 |
GATE CATCH |
| 137 |
4500137 |
1 |
BASE PIN SPRING |
| 167 |
0240167 |
2 |
TRIGGERGUARD SCREW |
| 216 |
0242216 |
1 |
FOREND PROTECTION |
| 218 |
0240218 |
1 |
PROTECTION RUNNING |
| 224 |
0240224 |
1 |
PROTECTION RUNNING GUIDE |
| 225 |
0202225 |
1 |
FOREND PROTECTION BEARING |
| 233 |
0240233 |
1 |
PROTECTION RUNNING SCREW |
| 237 |
0240237 |
1 |
LEVER HOOK SPRING |
| 238 |
0240238 |
1 |
LEVER HOOK PIN |
| 240 |
0240240 |
1 |
TRIGGER & LEVER SCREW |
| 275 |
0202275 |
1 |
MAGAZINE TUBE BEARING |
| 281 |
0202281 |
1 |
MAGAZINE TUBE BEARING PIN |
| 283 |
0202283 |
2 |
FOREND PROTECTION SCREW |
| 284 |
0240284 |
1 |
PROTECTION RUNNING SPHERE |
| 542 |
0240542 |
1 |
LEVER HOOK |
| 692 |
0400692 |
2 |
HAND PIN SCREW |
| 721 |
0220721 |
1 |
FIRING PIN EXTENSION STOP |
| 0258 |
1873 SPORTING RIFLE-HALF BBL.45COLT 24.1/4″ CAT.4722 |
24.1/4” |
45LC |

| N. |
Code No. |
Q.ty |
Description |
| 1 |
0240001 |
1 |
FRAME |
| 2 |
0240002 |
1 |
HAMMER |
| 3 |
0266003 |
1 |
BARREL HALF .45LC |
| 7 |
0230007 |
1 |
CARRIER BLOCK |
| 15 |
0202015 |
1 |
SIGHT |
| 16 |
0070016 |
1 |
SPRING |
| 19 |
0240019 |
1 |
TRIGGER SPRING |
| 20 |
0200020 |
1 |
MAIN SPRING |
| 26 |
0240026 |
1 |
TRIGGERGUARD |
| 36 |
0200036 |
1 |
MAIN SPRING SCREW |
| 51 |
0100051 |
1 |
GRIP PIN |
| 53 |
0240053 |
1 |
MAIN SPRING ADJ.SCREW |
| 55 |
0242055 |
1 |
REAR |
| 57 |
0242057 |
1 |
W73 RIFLE BUTT STOCK |
| 58 |
0242058 |
1 |
BUTT PLATE |
| 61 |
0242061 |
1 |
REAR SIGHT |
| 62 |
0200062 |
4 |
BUTT PLATE SCREW |
| 63 |
0240063 |
1 |
TANG SCREW |
| 67 |
0240067 |
1 |
FIRING PIN EXTENSION |
| 68 |
0202068 |
1 |
FOREND |
| 73 |
0240073 |
1 |
RIGHT SIDE PLATE |
| 74 |
0240074 |
1 |
LEFT SIDE PLATE |
| 79 |
0240079 |
1 |
EXTRACTOR |
| 83 |
0220083 |
1 |
RIGHT REAR LINK |
| 84 |
0220084 |
1 |
LEFT REAR LINK |
| 85 |
0220085 |
1 |
RIGHT FRONT LINK |
| 86 |
0220086 |
1 |
LEFT FRONT LINK |
| 87 |
0240087 |
1 |
TRIGGER |
| 88 |
0240088 |
1 |
PLAIN SEAR |
| 89 |
0240089 |
1 |
LEVER |
| 90 |
0200090 |
1 |
LIFTER ARM |
| 91 |
0240091 |
1 |
SAFETY BAR |
| 92 |
0200092 |
1 |
RIGHT LEVER SPRING |
| 93 |
0200093 |
1 |
LEFT LEVER SPRING |
| 94 |
0240094 |
1 |
SAFETY SPRING |
| 96 |
0232096 |
1 |
MAGAZINE SPRING |
| 97 |
0230097 |
1 |
BREECH BLOCK |
| 98 |
0220098 |
1 |
FIRING PIN |
| 101 |
0240101 |
1 |
LEVER SCREW |
| 105 |
0200105 |
2 |
REAR LINK PIN |
| 107 |
0200107 |
2 |
LEVER PIN |
| 108 |
0230108 |
1 |
EXTRACTOR PIN |
| 111 |
0240111 |
1 |
SAFETY SPRING PIN |
| 112 |
0200112 |
1 |
HAMMER LINK PIN |
| 113 |
0230113 |
1 |
MAGAZINE FOLLOWER |
| 114 |
0230114 |
1 |
MAGAZINE TUBE PLUG |
| 115 |
0200115 |
1 |
STIRRUP |
| 118 |
0232118 |
1 |
MAGAZINE TUBE |
| 123 |
0240123 |
1 |
SIDE PLATE SCREW |
| 124 |
0200124 |
2 |
LEVER SPRING SCREW |
| 127 |
0240127 |
1 |
LADLE |
| 128 |
0240128 |
1 |
LADLE SCREW |
| 134 |
0400134 |
2 |
GATE CATCH |
| 137 |
4500137 |
1 |
BASE PIN SPRING |
| 167 |
0240167 |
2 |
TRIGGERGUARD SCREW |
| 216 |
0242216 |
1 |
FOREND PROTECTION |
| 218 |
0240218 |
1 |
PROTECTION RUNNING |
| 224 |
0240224 |
1 |
PROTECTION RUNNING GUIDE |
| 225 |
0202225 |
1 |
FOREND PROTECTION BEARING |
| 233 |
0240233 |
1 |
PROTECTION RUNNING SCREW |
| 237 |
0240237 |
1 |
LEVER HOOK SPRING |
| 238 |
0240238 |
1 |
LEVER HOOK PIN |
| 240 |
0240240 |
1 |
TRIGGER & LEVER SCREW |
| 283 |
0202283 |
2 |
FOREND PROTECTION SCREW |
| 284 |
0240284 |
1 |
PROTECTION RUNNING SPHERE |
| 542 |
0240542 |
1 |
LEVER HOOK |
| 692 |
0400692 |
2 |
HAND PIN SCREW |
| 721 |
0220721 |
1 |
FIRING PIN EXTENSION STOP |
| 0259 |
1873 SPORTING RIFLE-HALF BBL.44/40 24.1/4″CAT.1583 |
24.1/4” |
44-40 |

| N. |
Code No. |
Q.ty |
Description |
| 1 |
0240001 |
1 |
FRAME |
| 2 |
0240002 |
1 |
HAMMER |
| 3 |
0268003 |
1 |
BARREL HALF .44/40 |
| 7 |
0230007 |
1 |
CARRIER BLOCK |
| 15 |
0202015 |
1 |
SIGHT |
| 16 |
0070016 |
1 |
SPRING |
| 19 |
0240019 |
1 |
TRIGGER SPRING |
| 20 |
0200020 |
1 |
MAIN SPRING |
| 26 |
0240026 |
1 |
TRIGGERGUARD |
| 36 |
0200036 |
1 |
MAIN SPRING SCREW |
| 51 |
0100051 |
1 |
GRIP PIN |
| 53 |
0240053 |
1 |
MAIN SPRING ADJ.SCREW |
| 55 |
0242055 |
1 |
REAR |
| 57 |
0242057 |
1 |
W73 RIFLE BUTT STOCK |
| 58 |
0242058 |
1 |
BUTT PLATE |
| 61 |
0242061 |
1 |
REAR SIGHT |
| 62 |
0200062 |
4 |
BUTT PLATE SCREW |
| 63 |
0240063 |
1 |
TANG SCREW |
| 67 |
0240067 |
1 |
FIRING PIN EXTENSION |
| 68 |
0202068 |
1 |
FOREND |
| 73 |
0240073 |
1 |
RIGHT SIDE PLATE |
| 74 |
0240074 |
1 |
LEFT SIDE PLATE |
| 79 |
0240079 |
1 |
EXTRACTOR |
| 83 |
0220083 |
1 |
RIGHT REAR LINK |
| 84 |
0220084 |
1 |
LEFT REAR LINK |
| 85 |
0220085 |
1 |
RIGHT FRONT LINK |
| 86 |
0220086 |
1 |
LEFT FRONT LINK |
| 87 |
0240087 |
1 |
TRIGGER |
| 88 |
0240088 |
1 |
PLAIN SEAR |
| 89 |
0240089 |
1 |
LEVER |
| 90 |
0200090 |
1 |
LIFTER ARM |
| 91 |
0240091 |
1 |
SAFETY BAR |
| 92 |
0200092 |
1 |
RIGHT LEVER SPRING |
| 93 |
0200093 |
1 |
LEFT LEVER SPRING |
| 94 |
0240094 |
1 |
SAFETY SPRING |
| 96 |
0232096 |
1 |
MAGAZINE SPRING |
| 97 |
0230097 |
1 |
BREECH BLOCK |
| 98 |
0220098 |
1 |
FIRING PIN |
| 101 |
0240101 |
1 |
LEVER SCREW |
| 105 |
0200105 |
2 |
REAR LINK PIN |
| 107 |
0200107 |
2 |
LEVER PIN |
| 108 |
0230108 |
1 |
EXTRACTOR PIN |
| 111 |
0240111 |
1 |
SAFETY SPRING PIN |
| 112 |
0200112 |
1 |
HAMMER LINK PIN |
| 113 |
0230113 |
1 |
MAGAZINE FOLLOWER |
| 114 |
0230114 |
1 |
MAGAZINE TUBE PLUG |
| 115 |
0200115 |
1 |
STIRRUP |
| 118 |
0232118 |
1 |
MAGAZINE TUBE |
| 123 |
0240123 |
1 |
SIDE PLATE SCREW |
| 124 |
0200124 |
2 |
LEVER SPRING SCREW |
| 127 |
0240127 |
1 |
LADLE |
| 128 |
0240128 |
1 |
LADLE SCREW |
| 134 |
0400134 |
2 |
GATE CATCH |
| 137 |
4500137 |
1 |
BASE PIN SPRING |
| 167 |
0240167 |
2 |
TRIGGERGUARD SCREW |
| 216 |
0242216 |
1 |
FOREND PROTECTION |
| 218 |
0240218 |
1 |
PROTECTION RUNNING |
| 224 |
0240224 |
1 |
PROTECTION RUNNING GUIDE |
| 225 |
0202225 |
1 |
FOREND PROTECTION BEARING |
| 233 |
0240233 |
1 |
PROTECTION RUNNING SCREW |
| 237 |
0240237 |
1 |
LEVER HOOK SPRING |
| 238 |
0240238 |
1 |
LEVER HOOK PIN |
| 240 |
0240240 |
1 |
TRIGGER & LEVER SCREW |
| 283 |
0202283 |
2 |
FOREND PROTECTION SCREW |
| 284 |
0240284 |
1 |
PROTECTION RUNNING SPHERE |
| 542 |
0240542 |
1 |
LEVER HOOK |
| 692 |
0400692 |
2 |
HAND PIN SCREW |
| 721 |
0220721 |
1 |
FIRING PIN EXTENSION STOP |
| 0261 |
1873 SPORTING RIFLE-HALF BBL.357MAG 24.1/4″ CAT.1584 |
24.1/4” |
357MAG |
| N. |
Code No. |
Q.ty |
Description |
| 1 |
0250001 |
1 |
FRAME |
| 2 |
0240002 |
1 |
HAMMER |
| 3 |
0269003 |
1 |
BARREL HALF .357MAG |
| 7 |
0220007 |
1 |
CARRIER BLOCK .38SP/.357MAG. |
| 15 |
0202015 |
1 |
SIGHT |
| 16 |
0070016 |
1 |
SPRING |
| 19 |
0240019 |
1 |
TRIGGER SPRING |
| 20 |
0200020 |
1 |
MAIN SPRING |
| 26 |
0240026 |
1 |
TRIGGERGUARD |
| 36 |
0200036 |
1 |
MAIN SPRING SCREW |
| 51 |
0100051 |
1 |
GRIP PIN |
| 53 |
0240053 |
1 |
MAIN SPRING ADJ.SCREW |
| 55 |
0242055 |
1 |
REAR |
| 57 |
0242057 |
1 |
W73 RIFLE BUTT STOCK |
| 58 |
0242058 |
1 |
BUTT PLATE |
| 61 |
0242061 |
1 |
REAR SIGHT |
| 62 |
0200062 |
4 |
BUTT PLATE SCREW |
| 63 |
0240063 |
1 |
TANG SCREW |
| 67 |
0240067 |
1 |
FIRING PIN EXTENSION |
| 68 |
0202068 |
1 |
FOREND |
| 73 |
0240073 |
1 |
RIGHT SIDE PLATE |
| 74 |
0240074 |
1 |
LEFT SIDE PLATE |
| 79 |
0250079 |
1 |
EXTRACTOR |
| 83 |
0220083 |
1 |
RIGHT REAR LINK |
| 84 |
0220084 |
1 |
LEFT REAR LINK |
| 85 |
0220085 |
1 |
RIGHT FRONT LINK |
| 86 |
0220086 |
1 |
LEFT FRONT LINK |
| 87 |
0240087 |
1 |
TRIGGER |
| 88 |
0240088 |
1 |
PLAIN SEAR |
| 89 |
0240089 |
1 |
LEVER |
| 90 |
0200090 |
1 |
LIFTER ARM |
| 91 |
0240091 |
1 |
SAFETY BAR |
| 92 |
0200092 |
1 |
RIGHT LEVER SPRING |
| 93 |
0200093 |
1 |
LEFT LEVER SPRING |
| 94 |
0240094 |
1 |
SAFETY SPRING |
| 96 |
0232096 |
1 |
MAGAZINE SPRING |
| 97 |
0220097 |
1 |
BREECH BLOCK |
| 98 |
0220098 |
1 |
FIRING PIN |
| 101 |
0240101 |
1 |
LEVER SCREW |
| 105 |
0200105 |
2 |
REAR LINK PIN |
| 107 |
0200107 |
2 |
LEVER PIN |
| 108 |
0220108 |
1 |
EXTRACTOR PIN |
| 111 |
0240111 |
1 |
SAFETY SPRING PIN |
| 112 |
0200112 |
1 |
HAMMER LINK PIN |
| 113 |
0220113 |
1 |
MAGAZINE FOLLOWER |
| 114 |
0230114 |
1 |
MAGAZINE TUBE PLUG |
| 115 |
0200115 |
1 |
STIRRUP |
| 118 |
0232118 |
1 |
MAGAZINE TUBE |
| 123 |
0240123 |
1 |
SIDE PLATE SCREW |
| 124 |
0200124 |
2 |
LEVER SPRING SCREW |
| 127 |
0240127 |
1 |
LADLE |
| 128 |
0240128 |
1 |
LADLE SCREW |
| 134 |
0400134 |
2 |
GATE CATCH |
| 137 |
4500137 |
1 |
BASE PIN SPRING |
| 167 |
0240167 |
2 |
TRIGGERGUARD SCREW |
| 216 |
0242216 |
1 |
FOREND PROTECTION |
| 218 |
0240218 |
1 |
PROTECTION RUNNING |
| 224 |
0240224 |
1 |
PROTECTION RUNNING GUIDE |
| 225 |
0202225 |
1 |
FOREND PROTECTION BEARING |
| 233 |
0240233 |
1 |
PROTECTION RUNNING SCREW |
| 237 |
0240237 |
1 |
LEVER HOOK SPRING |
| 238 |
0240238 |
1 |
LEVER HOOK PIN |
| 240 |
0240240 |
1 |
TRIGGER & LEVER SCREW |
| 283 |
0202283 |
2 |
FOREND PROTECTION SCREW |
| 284 |
0240284 |
1 |
PROTECTION RUNNING SPHERE |
| 542 |
0240542 |
1 |
LEVER HOOK |
| 692 |
0400692 |
2 |
HAND PIN SCREW |
| 721 |
0220721 |
1 |
FIRING PIN EXTENSION STOP |
| 0264 |
73 SPORTING RIFLE .38-40 24.1/4″ CAT.11710 |
24.1/4 |
38-40 |
![0020[1]](http://dscom.it/uberti/wp-content/uploads/2014/04/00201-984x1024.jpg)
| N. |
Code No. |
Q.ty |
Description |
| 1 |
0250001 |
1 |
FRAME |
| 2 |
0240002 |
1 |
HAMMER |
| 3 |
0264003 |
1 |
BARREL 24.1/4″ .38/40 |
| 7 |
0220007 |
1 |
CARRIER BLOCK .38SP/.357MAG. |
| 15 |
0202015 |
1 |
SIGHT |
| 16 |
0070016 |
1 |
SPRING |
| 19 |
0240019 |
1 |
TRIGGER SPRING |
| 20 |
0200020 |
1 |
MAIN SPRING |
| 26 |
0240026 |
1 |
TRIGGERGUARD |
| 36 |
0200036 |
1 |
MAIN SPRING SCREW |
| 51 |
0100051 |
1 |
GRIP PIN |
| 53 |
0240053 |
1 |
MAIN SPRING ADJ.SCREW |
| 55 |
0242055 |
1 |
REAR |
| 57 |
0242057 |
1 |
W73 RIFLE BUTT STOCK |
| 58 |
0242058 |
1 |
BUTT PLATE |
| 61 |
0242061 |
1 |
REAR SIGHT |
| 62 |
0200062 |
4 |
BUTT PLATE SCREW |
| 63 |
0240063 |
1 |
TANG SCREW |
| 67 |
0240067 |
1 |
FIRING PIN EXTENSION |
| 68 |
0202068 |
1 |
FOREND |
| 73 |
0240073 |
1 |
RIGHT SIDE PLATE |
| 74 |
0240074 |
1 |
LEFT SIDE PLATE |
| 79 |
0250079 |
1 |
EXTRACTOR |
| 83 |
0220083 |
1 |
RIGHT REAR LINK |
| 84 |
0220084 |
1 |
LEFT REAR LINK |
| 85 |
0220085 |
1 |
RIGHT FRONT LINK |
| 86 |
0220086 |
1 |
LEFT FRONT LINK |
| 87 |
0240087 |
1 |
TRIGGER |
| 88 |
0240088 |
1 |
PLAIN SEAR |
| 89 |
0240089 |
1 |
LEVER |
| 90 |
0200090 |
1 |
LIFTER ARM |
| 91 |
0240091 |
1 |
SAFETY BAR |
| 92 |
0200092 |
1 |
RIGHT LEVER SPRING |
| 93 |
0200093 |
1 |
LEFT LEVER SPRING |
| 94 |
0240094 |
1 |
SAFETY SPRING |
| 96 |
0232096 |
1 |
MAGAZINE SPRING |
| 97 |
0220097 |
1 |
BREECH BLOCK |
| 98 |
0220098 |
1 |
FIRING PIN |
| 101 |
0240101 |
1 |
LEVER SCREW |
| 105 |
0200105 |
2 |
REAR LINK PIN |
| 107 |
0200107 |
2 |
LEVER PIN |
| 108 |
0220108 |
1 |
EXTRACTOR PIN |
| 111 |
0240111 |
1 |
SAFETY SPRING PIN |
| 112 |
0200112 |
1 |
HAMMER LINK PIN |
| 113 |
0220113 |
1 |
MAGAZINE FOLLOWER |
| 114 |
0230114 |
1 |
MAGAZINE TUBE PLUG |
| 115 |
0200115 |
1 |
STIRRUP |
| 118 |
0232118 |
1 |
MAGAZINE TUBE |
| 123 |
0240123 |
1 |
SIDE PLATE SCREW |
| 124 |
0200124 |
2 |
LEVER SPRING SCREW |
| 127 |
0240127 |
1 |
LADLE |
| 128 |
0240128 |
1 |
LADLE SCREW |
| 134 |
0400134 |
2 |
GATE CATCH |
| 137 |
4500137 |
1 |
BASE PIN SPRING |
| 167 |
0240167 |
2 |
TRIGGERGUARD SCREW |
| 216 |
0242216 |
1 |
FOREND PROTECTION |
| 218 |
0240218 |
1 |
PROTECTION RUNNING |
| 224 |
0240224 |
1 |
PROTECTION RUNNING GUIDE |
| 225 |
0202225 |
1 |
FOREND PROTECTION BEARING |
| 233 |
0240233 |
1 |
PROTECTION RUNNING SCREW |
| 237 |
0240237 |
1 |
LEVER HOOK SPRING |
| 238 |
0240238 |
1 |
LEVER HOOK PIN |
| 240 |
0240240 |
1 |
TRIGGER & LEVER SCREW |
| 275 |
0202275 |
1 |
MAGAZINE TUBE BEARING |
| 281 |
0202281 |
1 |
MAGAZINE TUBE BEARING PIN |
| 283 |
0202283 |
2 |
FOREND PROTECTION SCREW |
| 284 |
0240284 |
1 |
PROTECTION RUNNING SPHERE |
| 542 |
0240542 |
1 |
LEVER HOOK |
| 692 |
0400692 |
2 |
HAND PIN SCREW |
| 721 |
0220721 |
1 |
FIRING PIN EXTENSION STOP |
| 0266 |
1873 SPORTING RIFLE-HALF BBL.45COLT WITH CHECKERED PISTOL GRIP 24.1/4″ CAT.4722 |
24.1/4” |
45LC |

| N. |
Code No. |
Q.ty |
Description |
| 1 |
0240001 |
1 |
FRAME |
| 2 |
0240002 |
1 |
HAMMER |
| 3 |
0266003 |
1 |
BARREL HALF .45LC |
| 7 |
0230007 |
1 |
CARRIER BLOCK |
| 15 |
0202015 |
1 |
SIGHT |
| 16 |
0070016 |
1 |
SPRING |
| 19 |
0240019 |
1 |
TRIGGER SPRING |
| 20 |
0200020 |
1 |
MAIN SPRING |
| 26 |
0275026 |
1 |
PISTOL GRIP TRIGGERGUARD |
| 36 |
0200036 |
1 |
MAIN SPRING SCREW |
| 51 |
0100051 |
1 |
GRIP PIN |
| 53 |
0240053 |
1 |
MAIN SPRING ADJ.SCREW |
| 55 |
0242055 |
1 |
REAR |
| 57 |
0275057 |
1 |
W73 RIFLE CKECHERED PISTOL GRIP BUTT STOCK |
| 58 |
0242058 |
1 |
BUTT PLATE |
| 61 |
0242061 |
1 |
REAR SIGHT |
| 62 |
0200062 |
4 |
BUTT PLATE SCREW |
| 63 |
0275063 |
1 |
PISTOL GRIP TANG SCREW |
| 67 |
0240067 |
1 |
FIRING PIN EXTENSION |
| 68 |
0202068 |
1 |
FOREND |
| 73 |
0240073 |
1 |
RIGHT SIDE PLATE |
| 74 |
0240074 |
1 |
LEFT SIDE PLATE |
| 79 |
0240079 |
1 |
EXTRACTOR |
| 83 |
0220083 |
1 |
RIGHT REAR LINK |
| 84 |
0220084 |
1 |
LEFT REAR LINK |
| 85 |
0220085 |
1 |
RIGHT FRONT LINK |
| 86 |
0220086 |
1 |
LEFT FRONT LINK |
| 87 |
0240087 |
1 |
TRIGGER |
| 88 |
0240088 |
1 |
PLAIN SEAR |
| 89 |
0240089 |
1 |
LEVER |
| 90 |
0200090 |
1 |
LIFTER ARM |
| 91 |
0240091 |
1 |
SAFETY BAR |
| 92 |
0200092 |
1 |
RIGHT LEVER SPRING |
| 93 |
0200093 |
1 |
LEFT LEVER SPRING |
| 94 |
0240094 |
1 |
SAFETY SPRING |
| 96 |
0232096 |
1 |
MAGAZINE SPRING |
| 97 |
0230097 |
1 |
BREECH BLOCK |
| 98 |
0220098 |
1 |
FIRING PIN |
| 101 |
0240101 |
1 |
LEVER SCREW |
| 105 |
0200105 |
2 |
REAR LINK PIN |
| 107 |
0200107 |
2 |
LEVER PIN |
| 108 |
0230108 |
1 |
EXTRACTOR PIN |
| 111 |
0240111 |
1 |
SAFETY SPRING PIN |
| 112 |
0200112 |
1 |
HAMMER LINK PIN |
| 113 |
0230113 |
1 |
MAGAZINE FOLLOWER |
| 114 |
0230114 |
1 |
MAGAZINE TUBE PLUG |
| 115 |
0200115 |
1 |
STIRRUP |
| 118 |
0232118 |
1 |
MAGAZINE TUBE |
| 123 |
0240123 |
1 |
SIDE PLATE SCREW |
| 124 |
0200124 |
2 |
LEVER SPRING SCREW |
| 127 |
0240127 |
1 |
LADLE |
| 128 |
0240128 |
1 |
LADLE SCREW |
| 134 |
0400134 |
2 |
GATE CATCH |
| 137 |
4500137 |
1 |
BASE PIN SPRING |
| 167 |
0240167 |
2 |
TRIGGERGUARD SCREW |
| 216 |
0242216 |
1 |
FOREND PROTECTION |
| 218 |
0240218 |
1 |
PROTECTION RUNNING |
| 224 |
0240224 |
1 |
PROTECTION RUNNING GUIDE |
| 225 |
0202225 |
1 |
FOREND PROTECTION BEARING |
| 233 |
0240233 |
1 |
PROTECTION RUNNING SCREW |
| 237 |
0240237 |
1 |
LEVER HOOK SPRING |
| 238 |
0240238 |
1 |
LEVER HOOK PIN |
| 240 |
0240240 |
1 |
TRIGGER & LEVER SCREW |
| 283 |
0202283 |
2 |
FOREND PROTECTION SCREW |
| 284 |
0240284 |
1 |
PROTECTION RUNNING SPHERE |
| 542 |
0240542 |
1 |
LEVER HOOK |
| 692 |
0400692 |
2 |
HAND PIN SCREW |
| 721 |
0220721 |
1 |
FIRING PIN EXTENSION STOP |
| 0268 |
1873 SPORTING RIFLE-HALF BBL.44/40 WITH CHECKERED PISTOL GRIP 24.1/4″ CAT.1583 |
24.1/4” |
44-40 |

| N. |
Code No. |
Q.ty |
Description |
| 1 |
0240001 |
1 |
FRAME |
| 2 |
0240002 |
1 |
HAMMER |
| 3 |
0268003 |
1 |
BARREL HALF .44/40 |
| 7 |
0230007 |
1 |
CARRIER BLOCK |
| 15 |
0202015 |
1 |
SIGHT |
| 16 |
0070016 |
1 |
SPRING |
| 19 |
0240019 |
1 |
TRIGGER SPRING |
| 20 |
0200020 |
1 |
MAIN SPRING |
| 26 |
0275026 |
1 |
PISTOL GRIP TRIGGERGUARD |
| 36 |
0200036 |
1 |
MAIN SPRING SCREW |
| 51 |
0100051 |
1 |
GRIP PIN |
| 53 |
0240053 |
1 |
MAIN SPRING ADJ.SCREW |
| 55 |
0242055 |
1 |
REAR |
| 57 |
0275057 |
1 |
W73 RIFLE CKECHERED PISTOL GRIP BUTT STOCK |
| 58 |
0242058 |
1 |
BUTT PLATE |
| 61 |
0242061 |
1 |
REAR SIGHT |
| 62 |
0200062 |
4 |
BUTT PLATE SCREW |
| 63 |
0275063 |
1 |
PISTOL GRIP TANG SCREW |
| 67 |
0240067 |
1 |
FIRING PIN EXTENSION |
| 68 |
0202068 |
1 |
FOREND |
| 73 |
0240073 |
1 |
RIGHT SIDE PLATE |
| 74 |
0240074 |
1 |
LEFT SIDE PLATE |
| 79 |
0240079 |
1 |
EXTRACTOR |
| 83 |
0220083 |
1 |
RIGHT REAR LINK |
| 84 |
0220084 |
1 |
LEFT REAR LINK |
| 85 |
0220085 |
1 |
RIGHT FRONT LINK |
| 86 |
0220086 |
1 |
LEFT FRONT LINK |
| 87 |
0240087 |
1 |
TRIGGER |
| 88 |
0240088 |
1 |
PLAIN SEAR |
| 89 |
0240089 |
1 |
LEVER |
| 90 |
0200090 |
1 |
LIFTER ARM |
| 91 |
0240091 |
1 |
SAFETY BAR |
| 92 |
0200092 |
1 |
RIGHT LEVER SPRING |
| 93 |
0200093 |
1 |
LEFT LEVER SPRING |
| 94 |
0240094 |
1 |
SAFETY SPRING |
| 96 |
0232096 |
1 |
MAGAZINE SPRING |
| 97 |
0230097 |
1 |
BREECH BLOCK |
| 98 |
0220098 |
1 |
FIRING PIN |
| 101 |
0240101 |
1 |
LEVER SCREW |
| 105 |
0200105 |
2 |
REAR LINK PIN |
| 107 |
0200107 |
2 |
LEVER PIN |
| 108 |
0230108 |
1 |
EXTRACTOR PIN |
| 111 |
0240111 |
1 |
SAFETY SPRING PIN |
| 112 |
0200112 |
1 |
HAMMER LINK PIN |
| 113 |
0230113 |
1 |
MAGAZINE FOLLOWER |
| 114 |
0230114 |
1 |
MAGAZINE TUBE PLUG |
| 115 |
0200115 |
1 |
STIRRUP |
| 118 |
0232118 |
1 |
MAGAZINE TUBE |
| 123 |
0240123 |
1 |
SIDE PLATE SCREW |
| 124 |
0200124 |
2 |
LEVER SPRING SCREW |
| 127 |
0240127 |
1 |
LADLE |
| 128 |
0240128 |
1 |
LADLE SCREW |
| 134 |
0400134 |
2 |
GATE CATCH |
| 137 |
4500137 |
1 |
BASE PIN SPRING |
| 167 |
0240167 |
2 |
TRIGGERGUARD SCREW |
| 216 |
0242216 |
1 |
FOREND PROTECTION |
| 218 |
0240218 |
1 |
PROTECTION RUNNING |
| 224 |
0240224 |
1 |
PROTECTION RUNNING GUIDE |
| 225 |
0202225 |
1 |
FOREND PROTECTION BEARING |
| 233 |
0240233 |
1 |
PROTECTION RUNNING SCREW |
| 237 |
0240237 |
1 |
LEVER HOOK SPRING |
| 238 |
0240238 |
1 |
LEVER HOOK PIN |
| 240 |
0240240 |
1 |
TRIGGER & LEVER SCREW |
| 283 |
0202283 |
2 |
FOREND PROTECTION SCREW |
| 284 |
0240284 |
1 |
PROTECTION RUNNING SPHERE |
| 542 |
0240542 |
1 |
LEVER HOOK |
| 692 |
0400692 |
2 |
HAND PIN SCREW |
| 721 |
0220721 |
1 |
FIRING PIN EXTENSION STOP |
| 0269 |
1873 SPORTING RIFLE-HALF BBL.357MAG WITH CHECKERED PISTOL GRIP 24.1/4″ CAT.1584 |
24.1/4” |
357MAG |

| N. |
Code No. |
Q.ty |
Description |
| 1 |
0250001 |
1 |
FRAME |
| 2 |
0240002 |
1 |
HAMMER |
| 3 |
0269003 |
1 |
BARREL HALF .357MAG |
| 7 |
0220007 |
1 |
CARRIER BLOCK .38SP/.357MAG. |
| 15 |
0202015 |
1 |
SIGHT |
| 16 |
0070016 |
1 |
SPRING |
| 19 |
0240019 |
1 |
TRIGGER SPRING |
| 20 |
0200020 |
1 |
MAIN SPRING |
| 26 |
0275026 |
1 |
PISTOL GRIP TRIGGERGUARD |
| 36 |
0200036 |
1 |
MAIN SPRING SCREW |
| 51 |
0100051 |
1 |
GRIP PIN |
| 53 |
0240053 |
1 |
MAIN SPRING ADJ.SCREW |
| 55 |
0242055 |
1 |
REAR |
| 57 |
0275057 |
1 |
W73 RIFLE CKECHERED PISTOL GRIP BUTT STOCK |
| 58 |
0242058 |
1 |
BUTT PLATE |
| 61 |
0242061 |
1 |
REAR SIGHT |
| 62 |
0200062 |
4 |
BUTT PLATE SCREW |
| 63 |
0275063 |
1 |
PISTOL GRIP TANG SCREW |
| 67 |
0240067 |
1 |
FIRING PIN EXTENSION |
| 68 |
0202068 |
1 |
FOREND |
| 73 |
0240073 |
1 |
RIGHT SIDE PLATE |
| 74 |
0240074 |
1 |
LEFT SIDE PLATE |
| 79 |
0250079 |
1 |
EXTRACTOR |
| 83 |
0220083 |
1 |
RIGHT REAR LINK |
| 84 |
0220084 |
1 |
LEFT REAR LINK |
| 85 |
0220085 |
1 |
RIGHT FRONT LINK |
| 86 |
0220086 |
1 |
LEFT FRONT LINK |
| 87 |
0240087 |
1 |
TRIGGER |
| 88 |
0240088 |
1 |
PLAIN SEAR |
| 89 |
0240089 |
1 |
LEVER |
| 90 |
0200090 |
1 |
LIFTER ARM |
| 91 |
0240091 |
1 |
SAFETY BAR |
| 92 |
0200092 |
1 |
RIGHT LEVER SPRING |
| 93 |
0200093 |
1 |
LEFT LEVER SPRING |
| 94 |
0240094 |
1 |
SAFETY SPRING |
| 96 |
0232096 |
1 |
MAGAZINE SPRING |
| 97 |
0220097 |
1 |
BREECH BLOCK |
| 98 |
0220098 |
1 |
FIRING PIN |
| 101 |
0240101 |
1 |
LEVER SCREW |
| 105 |
0200105 |
2 |
REAR LINK PIN |
| 107 |
0200107 |
2 |
LEVER PIN |
| 108 |
0220108 |
1 |
EXTRACTOR PIN |
| 111 |
0240111 |
1 |
SAFETY SPRING PIN |
| 112 |
0200112 |
1 |
HAMMER LINK PIN |
| 113 |
0220113 |
1 |
MAGAZINE FOLLOWER |
| 114 |
0230114 |
1 |
MAGAZINE TUBE PLUG |
| 115 |
0200115 |
1 |
STIRRUP |
| 118 |
0232118 |
1 |
MAGAZINE TUBE |
| 123 |
0240123 |
1 |
SIDE PLATE SCREW |
| 124 |
0200124 |
2 |
LEVER SPRING SCREW |
| 127 |
0240127 |
1 |
LADLE |
| 128 |
0240128 |
1 |
LADLE SCREW |
| 134 |
0400134 |
2 |
GATE CATCH |
| 137 |
4500137 |
1 |
BASE PIN SPRING |
| 167 |
0240167 |
2 |
TRIGGERGUARD SCREW |
| 216 |
0242216 |
1 |
FOREND PROTECTION |
| 218 |
0240218 |
1 |
PROTECTION RUNNING |
| 224 |
0240224 |
1 |
PROTECTION RUNNING GUIDE |
| 225 |
0202225 |
1 |
FOREND PROTECTION BEARING |
| 233 |
0240233 |
1 |
PROTECTION RUNNING SCREW |
| 237 |
0240237 |
1 |
LEVER HOOK SPRING |
| 238 |
0240238 |
1 |
LEVER HOOK PIN |
| 240 |
0240240 |
1 |
TRIGGER & LEVER SCREW |
| 283 |
0202283 |
2 |
FOREND PROTECTION SCREW |
| 284 |
0240284 |
1 |
PROTECTION RUNNING SPHERE |
| 542 |
0240542 |
1 |
LEVER HOOK |
| 692 |
0400692 |
2 |
HAND PIN SCREW |
| 721 |
0220721 |
1 |
FIRING PIN EXTENSION STOP |
| 0270 |
73 MOD.CARBINE .357MAG 19″ CAT.1575 |
19” |
357MAG |

| N. |
Code No. |
Q.ty |
Description |
| 1 |
0250001 |
1 |
FRAME |
| 2 |
0240002 |
1 |
HAMMER |
| 3 |
0270003 |
1 |
BARREL 19″ .357MAG |
| 7 |
0220007 |
1 |
CARRIER BLOCK .38SP/.357MAG. |
| 16 |
0070016 |
1 |
SPRING |
| 19 |
0240019 |
1 |
TRIGGER SPRING |
| 20 |
0200020 |
1 |
MAIN SPRING |
| 26 |
0240026 |
1 |
TRIGGERGUARD |
| 36 |
0200036 |
1 |
MAIN SPRING SCREW |
| 51 |
0100051 |
1 |
GRIP PIN |
| 53 |
0240053 |
1 |
MAIN SPRING ADJ.SCREW |
| 55 |
A0240055 |
1 |
W73 CARBINE REAR ASSEMBLY |
| 57 |
0240057 |
1 |
W73 CARBINE BUTT STOCK |
| 58 |
0240058 |
1 |
BUTT PLATE |
| 62 |
0200062 |
4 |
BUTT PLATE SCREW |
| 63 |
0240063 |
1 |
TANG SCREW |
| 67 |
0240067 |
1 |
FIRING PIN EXTENSION |
| 68 |
0200068 |
1 |
FOREND |
| 73 |
0240073 |
1 |
RIGHT SIDE PLATE |
| 74 |
0240074 |
1 |
LEFT SIDE PLATE |
| 79 |
0250079 |
1 |
EXTRACTOR |
| 80 |
0240080 |
1 |
FRONT BAND |
| 81 |
0200081 |
1 |
FOREND BAND |
| 83 |
0220083 |
1 |
RIGHT REAR LINK |
| 84 |
0220084 |
1 |
LEFT REAR LINK |
| 85 |
0220085 |
1 |
RIGHT FRONT LINK |
| 86 |
0220086 |
1 |
LEFT FRONT LINK |
| 87 |
0240087 |
1 |
TRIGGER |
| 88 |
0240088 |
1 |
PLAIN SEAR |
| 89 |
0240089 |
1 |
LEVER |
| 90 |
0200090 |
1 |
LIFTER ARM |
| 91 |
0240091 |
1 |
SAFETY BAR |
| 92 |
0200092 |
1 |
RIGHT LEVER SPRING |
| 93 |
0200093 |
1 |
LEFT LEVER SPRING |
| 94 |
0240094 |
1 |
SAFETY SPRING |
| 96 |
0230096 |
1 |
MAGAZINE SPRING |
| 97 |
0220097 |
1 |
BREECH BLOCK |
| 98 |
0220098 |
1 |
FIRING PIN |
| 101 |
0240101 |
1 |
LEVER SCREW |
| 105 |
0200105 |
2 |
REAR LINK PIN |
| 107 |
0200107 |
2 |
LEVER PIN |
| 108 |
0220108 |
1 |
EXTRACTOR PIN |
| 111 |
0240111 |
1 |
SAFETY SPRING PIN |
| 112 |
0200112 |
1 |
HAMMER LINK PIN |
| 113 |
0220113 |
1 |
MAGAZINE FOLLOWER |
| 114 |
0230114 |
1 |
MAGAZINE TUBE PLUG |
| 115 |
0200115 |
1 |
STIRRUP |
| 118 |
0230118 |
1 |
MAGAZINE TUBE |
| 121 |
0200121 |
1 |
BAND SCREW |
| 122 |
0200122 |
1 |
FOREND SCREW |
| 124 |
0200124 |
2 |
LEVER SPRING SCREW |
| 127 |
0240127 |
1 |
LADLE |
| 128 |
0240128 |
1 |
LADLE SCREW |
| 134 |
0400134 |
2 |
GATE CATCH |
| 137 |
4500137 |
1 |
BASE PIN SPRING |
| 167 |
0240167 |
2 |
TRIGGERGUARD SCREW |
| 218 |
0240218 |
1 |
PROTECTION RUNNING |
| 224 |
0240224 |
1 |
PROTECTION RUNNING GUIDE |
| 233 |
0240233 |
1 |
PROTECTION RUNNING SCREW |
| 237 |
0240237 |
1 |
LEVER HOOK SPRING |
| 238 |
0240238 |
1 |
LEVER HOOK PIN |
| 240 |
0240240 |
1 |
TRIGGER & LEVER SCREW |
| 284 |
0240284 |
1 |
PROTECTION RUNNING SPHERE |
| 542 |
0240542 |
1 |
LEVER HOOK |
| 721 |
0220721 |
1 |
FIRING PIN EXTENSION STOP |
| 0271 |
73 SHORT RIFLE .357MAG 20″ CAT.5991 |
20” |
357MAG |

| N. |
Code No. |
Q.ty |
Description |
| 1 |
0250001 |
1 |
FRAME |
| 2 |
0240002 |
1 |
HAMMER |
| 3 |
|
1 |
|
| 7 |
0220007 |
1 |
CARRIER BLOCK .38SP/.357MAG. |
| 15 |
0202015 |
1 |
SIGHT |
| 16 |
0070016 |
1 |
SPRING |
| 19 |
0240019 |
1 |
TRIGGER SPRING |
| 20 |
0200020 |
1 |
MAIN SPRING |
| 26 |
0240026 |
1 |
TRIGGERGUARD |
| 36 |
0200036 |
1 |
MAIN SPRING SCREW |
| 51 |
0100051 |
1 |
GRIP PIN |
| 53 |
0240053 |
1 |
MAIN SPRING ADJ.SCREW |
| 55 |
0242055 |
1 |
REAR |
| 57 |
0242057 |
1 |
W73 RIFLE BUTT STOCK |
| 58 |
0242058 |
1 |
BUTT PLATE |
| 61 |
0242061 |
1 |
REAR SIGHT |
| 62 |
0200062 |
4 |
BUTT PLATE SCREW |
| 63 |
0240063 |
1 |
TANG SCREW |
| 67 |
0240067 |
1 |
FIRING PIN EXTENSION |
| 68 |
0241068 |
1 |
FOREND |
| 73 |
0240073 |
1 |
RIGHT SIDE PLATE |
| 74 |
0240074 |
1 |
LEFT SIDE PLATE |
| 79 |
0250079 |
1 |
EXTRACTOR |
| 83 |
0220083 |
1 |
RIGHT REAR LINK |
| 84 |
0220084 |
1 |
LEFT REAR LINK |
| 85 |
0220085 |
1 |
RIGHT FRONT LINK |
| 86 |
0220086 |
1 |
LEFT FRONT LINK |
| 87 |
0240087 |
1 |
TRIGGER |
| 88 |
0240088 |
1 |
PLAIN SEAR |
| 89 |
0240089 |
1 |
LEVER |
| 90 |
0200090 |
1 |
LIFTER ARM |
| 91 |
0240091 |
1 |
SAFETY BAR |
| 92 |
0200092 |
1 |
RIGHT LEVER SPRING |
| 93 |
0200093 |
1 |
LEFT LEVER SPRING |
| 94 |
0240094 |
1 |
SAFETY SPRING |
| 96 |
0230096 |
1 |
MAGAZINE SPRING |
| 97 |
0220097 |
1 |
BREECH BLOCK |
| 98 |
0220098 |
1 |
FIRING PIN |
| 101 |
0240101 |
1 |
LEVER SCREW |
| 105 |
0200105 |
2 |
REAR LINK PIN |
| 107 |
0200107 |
2 |
LEVER PIN |
| 108 |
0220108 |
1 |
EXTRACTOR PIN |
| 111 |
0240111 |
1 |
SAFETY SPRING PIN |
| 112 |
0200112 |
1 |
HAMMER LINK PIN |
| 113 |
0220113 |
1 |
MAGAZINE FOLLOWER |
| 114 |
0230114 |
1 |
MAGAZINE TUBE PLUG |
| 115 |
0200115 |
1 |
STIRRUP |
| 118 |
0241118 |
1 |
MAGAZINE TUBE |
| 123 |
0240123 |
1 |
SIDE PLATE SCREW |
| 124 |
0200124 |
2 |
LEVER SPRING SCREW |
| 127 |
0240127 |
1 |
LADLE |
| 128 |
0240128 |
1 |
LADLE SCREW |
| 134 |
0400134 |
2 |
GATE CATCH |
| 137 |
4500137 |
1 |
BASE PIN SPRING |
| 167 |
0240167 |
2 |
TRIGGERGUARD SCREW |
| 216 |
0242216 |
1 |
FOREND PROTECTION |
| 218 |
0240218 |
1 |
PROTECTION RUNNING |
| 224 |
0240224 |
1 |
PROTECTION RUNNING GUIDE |
| 225 |
0202225 |
1 |
FOREND PROTECTION BEARING |
| 233 |
0240233 |
1 |
PROTECTION RUNNING SCREW |
| 237 |
0240237 |
1 |
LEVER HOOK SPRING |
| 238 |
0240238 |
1 |
LEVER HOOK PIN |
| 240 |
0240240 |
1 |
TRIGGER & LEVER SCREW |
| 275 |
0202275 |
1 |
MAGAZINE TUBE BEARING |
| 281 |
0202281 |
1 |
MAGAZINE TUBE BEARING PIN |
| 283 |
0202283 |
2 |
FOREND PROTECTION SCREW |
| 284 |
0240284 |
1 |
PROTECTION RUNNING SPHERE |
| 542 |
0240542 |
1 |
LEVER HOOK |
| 692 |
0400692 |
2 |
HAND PIN SCREW |
| 721 |
0220721 |
1 |
FIRING PIN EXTENSION STOP |
| 0272 |
73 SPORTING RIFLE .357MAG 24.1/4″ CAT.1584 |
24.1/4” |
357MAG |

| N. |
Code No. |
Q.ty |
Description |
| 1 |
0250001 |
1 |
FRAME |
| 2 |
0240002 |
1 |
HAMMER |
| 3 |
0272003 |
1 |
BARREL 24.1/4″ .357MAG |
| 7 |
0220007 |
1 |
CARRIER BLOCK .38SP/.357MAG. |
| 15 |
0202015 |
1 |
SIGHT |
| 16 |
0070016 |
1 |
SPRING |
| 19 |
0240019 |
1 |
TRIGGER SPRING |
| 20 |
0200020 |
1 |
MAIN SPRING |
| 26 |
0240026 |
1 |
TRIGGERGUARD |
| 36 |
0200036 |
1 |
MAIN SPRING SCREW |
| 51 |
0100051 |
1 |
GRIP PIN |
| 53 |
0240053 |
1 |
MAIN SPRING ADJ.SCREW |
| 55 |
0242055 |
1 |
REAR |
| 57 |
0242057 |
1 |
W73 RIFLE BUTT STOCK |
| 58 |
0242058 |
1 |
BUTT PLATE |
| 61 |
0242061 |
1 |
REAR SIGHT |
| 62 |
0200062 |
4 |
BUTT PLATE SCREW |
| 63 |
0240063 |
1 |
TANG SCREW |
| 67 |
0240067 |
1 |
FIRING PIN EXTENSION |
| 68 |
0202068 |
1 |
FOREND |
| 73 |
0240073 |
1 |
RIGHT SIDE PLATE |
| 74 |
0240074 |
1 |
LEFT SIDE PLATE |
| 79 |
0250079 |
1 |
EXTRACTOR |
| 83 |
0220083 |
1 |
RIGHT REAR LINK |
| 84 |
0220084 |
1 |
LEFT REAR LINK |
| 85 |
0220085 |
1 |
RIGHT FRONT LINK |
| 86 |
0220086 |
1 |
LEFT FRONT LINK |
| 87 |
0240087 |
1 |
TRIGGER |
| 88 |
0240088 |
1 |
PLAIN SEAR |
| 89 |
0240089 |
1 |
LEVER |
| 90 |
0200090 |
1 |
LIFTER ARM |
| 91 |
0240091 |
1 |
SAFETY BAR |
| 92 |
0200092 |
1 |
RIGHT LEVER SPRING |
| 93 |
0200093 |
1 |
LEFT LEVER SPRING |
| 94 |
0240094 |
1 |
SAFETY SPRING |
| 96 |
0232096 |
1 |
MAGAZINE SPRING |
| 97 |
0220097 |
1 |
BREECH BLOCK |
| 98 |
0220098 |
1 |
FIRING PIN |
| 101 |
0240101 |
1 |
LEVER SCREW |
| 105 |
0200105 |
2 |
REAR LINK PIN |
| 107 |
0200107 |
2 |
LEVER PIN |
| 108 |
0220108 |
1 |
EXTRACTOR PIN |
| 111 |
0240111 |
1 |
SAFETY SPRING PIN |
| 112 |
0200112 |
1 |
HAMMER LINK PIN |
| 113 |
0220113 |
1 |
MAGAZINE FOLLOWER |
| 114 |
0230114 |
1 |
MAGAZINE TUBE PLUG |
| 115 |
0200115 |
1 |
STIRRUP |
| 118 |
0232118 |
1 |
MAGAZINE TUBE |
| 123 |
0240123 |
1 |
SIDE PLATE SCREW |
| 124 |
0200124 |
2 |
LEVER SPRING SCREW |
| 127 |
0240127 |
1 |
LADLE |
| 128 |
0240128 |
1 |
LADLE SCREW |
| 134 |
0400134 |
2 |
GATE CATCH |
| 137 |
4500137 |
1 |
BASE PIN SPRING |
| 167 |
0240167 |
2 |
TRIGGERGUARD SCREW |
| 216 |
0242216 |
1 |
FOREND PROTECTION |
| 218 |
0240218 |
1 |
PROTECTION RUNNING |
| 224 |
0240224 |
1 |
PROTECTION RUNNING GUIDE |
| 225 |
0202225 |
1 |
FOREND PROTECTION BEARING |
| 233 |
0240233 |
1 |
PROTECTION RUNNING SCREW |
| 237 |
0240237 |
1 |
LEVER HOOK SPRING |
| 238 |
0240238 |
1 |
LEVER HOOK PIN |
| 240 |
0240240 |
1 |
TRIGGER & LEVER SCREW |
| 275 |
0202275 |
1 |
MAGAZINE TUBE BEARING |
| 281 |
0202281 |
1 |
MAGAZINE TUBE BEARING PIN |
| 283 |
0202283 |
2 |
FOREND PROTECTION SCREW |
| 284 |
0240284 |
1 |
PROTECTION RUNNING SPHERE |
| 542 |
0240542 |
1 |
LEVER HOOK |
| 692 |
0400692 |
2 |
HAND PIN SCREW |
| 721 |
0220721 |
1 |
FIRING PIN EXTENSION STOP |
| 0273 |
73 MOD.CARB.TRAPPER .357MAG 16.1/8″ CAT.1579 |
16.1/8” |
357MAG |

| N. |
Code No. |
Q.ty |
Description |
| 1 |
0250001 |
1 |
FRAME |
| 2 |
0240002 |
1 |
HAMMER |
| 3 |
|
1 |
|
| 7 |
0220007 |
1 |
CARRIER BLOCK .38SP/.357MAG. |
| 16 |
0070016 |
1 |
SPRING |
| 19 |
0240019 |
1 |
TRIGGER SPRING |
| 20 |
0200020 |
1 |
MAIN SPRING |
| 26 |
0240026 |
1 |
TRIGGERGUARD |
| 36 |
0200036 |
1 |
MAIN SPRING SCREW |
| 51 |
0100051 |
1 |
GRIP PIN |
| 53 |
0240053 |
1 |
MAIN SPRING ADJ.SCREW |
| 55 |
A0240055 |
1 |
W73 CARBINE REAR ASSEMBLY |
| 57 |
0240057 |
1 |
W73 CARBINE BUTT STOCK |
| 58 |
0240058 |
1 |
BUTT PLATE |
| 62 |
0200062 |
4 |
BUTT PLATE SCREW |
| 63 |
0240063 |
1 |
TANG SCREW |
| 67 |
0240067 |
1 |
FIRING PIN EXTENSION |
| 68 |
0200068 |
1 |
FOREND |
| 73 |
0240073 |
1 |
RIGHT SIDE PLATE |
| 74 |
0240074 |
1 |
LEFT SIDE PLATE |
| 79 |
0250079 |
1 |
EXTRACTOR |
| 80 |
0240080 |
1 |
FRONT BAND |
| 81 |
0200081 |
1 |
FOREND BAND |
| 83 |
0220083 |
1 |
RIGHT REAR LINK |
| 84 |
0220084 |
1 |
LEFT REAR LINK |
| 85 |
0220085 |
1 |
RIGHT FRONT LINK |
| 86 |
0220086 |
1 |
LEFT FRONT LINK |
| 87 |
0240087 |
1 |
TRIGGER |
| 88 |
0240088 |
1 |
PLAIN SEAR |
| 89 |
0240089 |
1 |
LEVER |
| 90 |
0200090 |
1 |
LIFTER ARM |
| 91 |
0240091 |
1 |
SAFETY BAR |
| 92 |
0200092 |
1 |
RIGHT LEVER SPRING |
| 93 |
0200093 |
1 |
LEFT LEVER SPRING |
| 94 |
0240094 |
1 |
SAFETY SPRING |
| 96 |
0223096 |
1 |
MAGAZINE SPRING 16.1/8″ |
| 97 |
0220097 |
1 |
BREECH BLOCK |
| 98 |
0220098 |
1 |
FIRING PIN |
| 101 |
0240101 |
1 |
LEVER SCREW |
| 105 |
0200105 |
2 |
REAR LINK PIN |
| 107 |
0200107 |
2 |
LEVER PIN |
| 108 |
0220108 |
1 |
EXTRACTOR PIN |
| 111 |
0240111 |
1 |
SAFETY SPRING PIN |
| 112 |
0200112 |
1 |
HAMMER LINK PIN |
| 113 |
0220113 |
1 |
MAGAZINE FOLLOWER |
| 114 |
0230114 |
1 |
MAGAZINE TUBE PLUG |
| 115 |
0200115 |
1 |
STIRRUP |
| 118 |
0230118 |
1 |
MAGAZINE TUBE |
| 121 |
0200121 |
1 |
BAND SCREW |
| 122 |
0200122 |
1 |
FOREND SCREW |
| 124 |
0200124 |
2 |
LEVER SPRING SCREW |
| 127 |
0240127 |
1 |
LADLE |
| 128 |
0240128 |
1 |
LADLE SCREW |
| 134 |
0400134 |
2 |
GATE CATCH |
| 137 |
4500137 |
1 |
BASE PIN SPRING |
| 167 |
0240167 |
2 |
TRIGGERGUARD SCREW |
| 218 |
0240218 |
1 |
PROTECTION RUNNING |
| 224 |
0240224 |
1 |
PROTECTION RUNNING GUIDE |
| 233 |
0240233 |
1 |
PROTECTION RUNNING SCREW |
| 237 |
0240237 |
1 |
LEVER HOOK SPRING |
| 238 |
0240238 |
1 |
LEVER HOOK PIN |
| 240 |
0240240 |
1 |
TRIGGER & LEVER SCREW |
| 284 |
0240284 |
1 |
PROTECTION RUNNING SPHERE |
| 542 |
0240542 |
1 |
LEVER HOOK |
| 721 |
0220721 |
1 |
FIRING PIN EXTENSION STOP |
| 0275 |
73 MOD. SPORTING RIFLE .44/40 24.1/4″ WITH CHECKERED PISTOL GRIP CAT.1583 |
24.1/4” |
44-40 |

| N. |
Code No. |
Q.ty |
Description |
| 1 |
0240001 |
1 |
FRAME |
| 2 |
0240002 |
1 |
HAMMER |
| 3 |
0242003 |
1 |
BARREL 24.1/4″ .44/40 |
| 7 |
0230007 |
1 |
CARRIER BLOCK |
| 15 |
0202015 |
1 |
SIGHT |
| 16 |
0070016 |
1 |
SPRING |
| 19 |
0240019 |
1 |
TRIGGER SPRING |
| 20 |
0200020 |
1 |
MAIN SPRING |
| 26 |
0275026 |
1 |
PISTOL GRIP TRIGGERGUARD |
| 36 |
0200036 |
1 |
MAIN SPRING SCREW |
| 51 |
0100051 |
1 |
GRIP PIN |
| 53 |
0240053 |
1 |
MAIN SPRING ADJ.SCREW |
| 55 |
0242055 |
1 |
REAR |
| 57 |
0275057 |
1 |
W73 RIFLE CKECHERED PISTOL GRIP BUTT STOCK |
| 58 |
0242058 |
1 |
BUTT PLATE |
| 61 |
0242061 |
1 |
REAR SIGHT |
| 62 |
0200062 |
4 |
BUTT PLATE SCREW |
| 63 |
0275063 |
1 |
PISTOL GRIP TANG SCREW |
| 67 |
0240067 |
1 |
FIRING PIN EXTENSION |
| 68 |
0202068 |
1 |
FOREND |
| 73 |
0240073 |
1 |
RIGHT SIDE PLATE |
| 74 |
0240074 |
1 |
LEFT SIDE PLATE |
| 79 |
0240079 |
1 |
EXTRACTOR |
| 83 |
0220083 |
1 |
RIGHT REAR LINK |
| 84 |
0220084 |
1 |
LEFT REAR LINK |
| 85 |
0220085 |
1 |
RIGHT FRONT LINK |
| 86 |
0220086 |
1 |
LEFT FRONT LINK |
| 87 |
0240087 |
1 |
TRIGGER |
| 88 |
0240088 |
1 |
PLAIN SEAR |
| 89 |
0240089 |
1 |
LEVER |
| 90 |
0200090 |
1 |
LIFTER ARM |
| 91 |
0240091 |
1 |
SAFETY BAR |
| 92 |
0200092 |
1 |
RIGHT LEVER SPRING |
| 93 |
0200093 |
1 |
LEFT LEVER SPRING |
| 94 |
0240094 |
1 |
SAFETY SPRING |
| 96 |
0232096 |
1 |
MAGAZINE SPRING |
| 97 |
0230097 |
1 |
BREECH BLOCK |
| 98 |
0220098 |
1 |
FIRING PIN |
| 101 |
0240101 |
1 |
LEVER SCREW |
| 105 |
0200105 |
2 |
REAR LINK PIN |
| 107 |
0200107 |
2 |
LEVER PIN |
| 108 |
0230108 |
1 |
EXTRACTOR PIN |
| 111 |
0240111 |
1 |
SAFETY SPRING PIN |
| 112 |
0200112 |
1 |
HAMMER LINK PIN |
| 113 |
0230113 |
1 |
MAGAZINE FOLLOWER |
| 114 |
0230114 |
1 |
MAGAZINE TUBE PLUG |
| 115 |
0200115 |
1 |
STIRRUP |
| 118 |
0232118 |
1 |
MAGAZINE TUBE |
| 123 |
0240123 |
1 |
SIDE PLATE SCREW |
| 124 |
0200124 |
2 |
LEVER SPRING SCREW |
| 127 |
0240127 |
1 |
LADLE |
| 128 |
0240128 |
1 |
LADLE SCREW |
| 134 |
0400134 |
2 |
GATE CATCH |
| 137 |
4500137 |
1 |
BASE PIN SPRING |
| 167 |
0240167 |
2 |
TRIGGERGUARD SCREW |
| 216 |
0242216 |
1 |
FOREND PROTECTION |
| 218 |
0240218 |
1 |
PROTECTION RUNNING |
| 224 |
0240224 |
1 |
PROTECTION RUNNING GUIDE |
| 225 |
0202225 |
1 |
FOREND PROTECTION BEARING |
| 233 |
0240233 |
1 |
PROTECTION RUNNING SCREW |
| 237 |
0240237 |
1 |
LEVER HOOK SPRING |
| 238 |
0240238 |
1 |
LEVER HOOK PIN |
| 240 |
0240240 |
1 |
TRIGGER & LEVER SCREW |
| 275 |
0202275 |
1 |
MAGAZINE TUBE BEARING |
| 281 |
0202281 |
1 |
MAGAZINE TUBE BEARING PIN |
| 283 |
0202283 |
2 |
FOREND PROTECTION SCREW |
| 284 |
0240284 |
1 |
PROTECTION RUNNING SPHERE |
| 542 |
0240542 |
1 |
LEVER HOOK |
| 692 |
0400692 |
2 |
HAND PIN SCREW |
| 721 |
0220721 |
1 |
FIRING PIN EXTENSION STOP |
| 0276 |
73 MOD.SPORTING RIFLE .357MAG 24.1/4″ WITH CHECKERED PISTOL GRIP CAT.1584 |
24.1/4” |
357MAG |

| N. |
Code No. |
Q.ty |
Description |
| 1 |
0250001 |
1 |
FRAME |
| 2 |
0240002 |
1 |
HAMMER |
| 3 |
0272003 |
1 |
BARREL 24.1/4″ .357MAG |
| 7 |
0220007 |
1 |
CARRIER BLOCK .38SP/.357MAG. |
| 15 |
0202015 |
1 |
SIGHT |
| 16 |
0070016 |
1 |
SPRING |
| 19 |
0240019 |
1 |
TRIGGER SPRING |
| 20 |
0200020 |
1 |
MAIN SPRING |
| 26 |
0275026 |
1 |
PISTOL GRIP TRIGGERGUARD |
| 36 |
0200036 |
1 |
MAIN SPRING SCREW |
| 51 |
0100051 |
1 |
GRIP PIN |
| 53 |
0240053 |
1 |
MAIN SPRING ADJ.SCREW |
| 55 |
0242055 |
1 |
REAR |
| 57 |
0275057 |
1 |
W73 RIFLE CKECHERED PISTOL GRIP BUTT STOCK |
| 58 |
0242058 |
1 |
BUTT PLATE |
| 61 |
0242061 |
1 |
REAR SIGHT |
| 62 |
0200062 |
4 |
BUTT PLATE SCREW |
| 63 |
0275063 |
1 |
PISTOL GRIP TANG SCREW |
| 67 |
0240067 |
1 |
FIRING PIN EXTENSION |
| 68 |
0202068 |
1 |
FOREND |
| 73 |
0240073 |
1 |
RIGHT SIDE PLATE |
| 74 |
0240074 |
1 |
LEFT SIDE PLATE |
| 79 |
0250079 |
1 |
EXTRACTOR |
| 83 |
0220083 |
1 |
RIGHT REAR LINK |
| 84 |
0220084 |
1 |
LEFT REAR LINK |
| 85 |
0220085 |
1 |
RIGHT FRONT LINK |
| 86 |
0220086 |
1 |
LEFT FRONT LINK |
| 87 |
0240087 |
1 |
TRIGGER |
| 88 |
0240088 |
1 |
PLAIN SEAR |
| 89 |
0240089 |
1 |
LEVER |
| 90 |
0200090 |
1 |
LIFTER ARM |
| 91 |
0240091 |
1 |
SAFETY BAR |
| 92 |
0200092 |
1 |
RIGHT LEVER SPRING |
| 93 |
0200093 |
1 |
LEFT LEVER SPRING |
| 94 |
0240094 |
1 |
SAFETY SPRING |
| 96 |
0232096 |
1 |
MAGAZINE SPRING |
| 97 |
0220097 |
1 |
BREECH BLOCK |
| 98 |
0220098 |
1 |
FIRING PIN |
| 101 |
0240101 |
1 |
LEVER SCREW |
| 105 |
0200105 |
2 |
REAR LINK PIN |
| 107 |
0200107 |
2 |
LEVER PIN |
| 108 |
0220108 |
1 |
EXTRACTOR PIN |
| 111 |
0240111 |
1 |
SAFETY SPRING PIN |
| 112 |
0200112 |
1 |
HAMMER LINK PIN |
| 113 |
0220113 |
1 |
MAGAZINE FOLLOWER |
| 114 |
0230114 |
1 |
MAGAZINE TUBE PLUG |
| 115 |
0200115 |
1 |
STIRRUP |
| 118 |
0232118 |
1 |
MAGAZINE TUBE |
| 123 |
0240123 |
1 |
SIDE PLATE SCREW |
| 124 |
0200124 |
2 |
LEVER SPRING SCREW |
| 127 |
0240127 |
1 |
LADLE |
| 128 |
0240128 |
1 |
LADLE SCREW |
| 134 |
0400134 |
2 |
GATE CATCH |
| 137 |
4500137 |
1 |
BASE PIN SPRING |
| 167 |
0240167 |
2 |
TRIGGERGUARD SCREW |
| 216 |
0242216 |
1 |
FOREND PROTECTION |
| 218 |
0240218 |
1 |
PROTECTION RUNNING |
| 224 |
0240224 |
1 |
PROTECTION RUNNING GUIDE |
| 225 |
0202225 |
1 |
FOREND PROTECTION BEARING |
| 233 |
0240233 |
1 |
PROTECTION RUNNING SCREW |
| 237 |
0240237 |
1 |
LEVER HOOK SPRING |
| 238 |
0240238 |
1 |
LEVER HOOK PIN |
| 240 |
0240240 |
1 |
TRIGGER & LEVER SCREW |
| 275 |
0202275 |
1 |
MAGAZINE TUBE BEARING |
| 281 |
0202281 |
1 |
MAGAZINE TUBE BEARING PIN |
| 283 |
0202283 |
2 |
FOREND PROTECTION SCREW |
| 284 |
0240284 |
1 |
PROTECTION RUNNING SPHERE |
| 542 |
0240542 |
1 |
LEVER HOOK |
| 692 |
0400692 |
2 |
HAND PIN SCREW |
| 721 |
0220721 |
1 |
FIRING PIN EXTENSION STOP |
| 0277 |
73 MOD. SPORTING RIFLE .45LC 24.1/4 WITH CHECKERED PISTOL GRIP CAT.4722 |
24.1/4” |
45LC |

| N. |
Code No. |
Q.ty |
Description |
| 1 |
0240001 |
1 |
FRAME |
| 2 |
0240002 |
1 |
HAMMER |
| 3 |
0282003 |
1 |
BARREL 24.1/4″ .45LC |
| 7 |
0230007 |
1 |
CARRIER BLOCK |
| 15 |
0202015 |
1 |
SIGHT |
| 16 |
0070016 |
1 |
SPRING |
| 19 |
0240019 |
1 |
TRIGGER SPRING |
| 20 |
0200020 |
1 |
MAIN SPRING |
| 26 |
0275026 |
1 |
PISTOL GRIP TRIGGERGUARD |
| 36 |
0200036 |
1 |
MAIN SPRING SCREW |
| 51 |
0100051 |
1 |
GRIP PIN |
| 53 |
0240053 |
1 |
MAIN SPRING ADJ.SCREW |
| 55 |
0242055 |
1 |
REAR |
| 57 |
0275057 |
1 |
W73 RIFLE CKECHERED PISTOL GRIP BUTT STOCK |
| 58 |
0242058 |
1 |
BUTT PLATE |
| 61 |
0242061 |
1 |
REAR SIGHT |
| 62 |
0200062 |
4 |
BUTT PLATE SCREW |
| 63 |
0275063 |
1 |
PISTOL GRIP TANG SCREW |
| 67 |
0240067 |
1 |
FIRING PIN EXTENSION |
| 68 |
0202068 |
1 |
FOREND |
| 73 |
0240073 |
1 |
RIGHT SIDE PLATE |
| 74 |
0240074 |
1 |
LEFT SIDE PLATE |
| 79 |
0240079 |
1 |
EXTRACTOR |
| 83 |
0220083 |
1 |
RIGHT REAR LINK |
| 84 |
0220084 |
1 |
LEFT REAR LINK |
| 85 |
0220085 |
1 |
RIGHT FRONT LINK |
| 86 |
0220086 |
1 |
LEFT FRONT LINK |
| 87 |
0240087 |
1 |
TRIGGER |
| 88 |
0240088 |
1 |
PLAIN SEAR |
| 89 |
0240089 |
1 |
LEVER |
| 90 |
0200090 |
1 |
LIFTER ARM |
| 91 |
0240091 |
1 |
SAFETY BAR |
| 92 |
0200092 |
1 |
RIGHT LEVER SPRING |
| 93 |
0200093 |
1 |
LEFT LEVER SPRING |
| 94 |
0240094 |
1 |
SAFETY SPRING |
| 96 |
0232096 |
1 |
MAGAZINE SPRING |
| 97 |
0230097 |
1 |
BREECH BLOCK |
| 98 |
0220098 |
1 |
FIRING PIN |
| 101 |
0240101 |
1 |
LEVER SCREW |
| 105 |
0200105 |
2 |
REAR LINK PIN |
| 107 |
0200107 |
2 |
LEVER PIN |
| 108 |
0230108 |
1 |
EXTRACTOR PIN |
| 111 |
0240111 |
1 |
SAFETY SPRING PIN |
| 112 |
0200112 |
1 |
HAMMER LINK PIN |
| 113 |
0230113 |
1 |
MAGAZINE FOLLOWER |
| 114 |
0230114 |
1 |
MAGAZINE TUBE PLUG |
| 115 |
0200115 |
1 |
STIRRUP |
| 118 |
0232118 |
1 |
MAGAZINE TUBE |
| 123 |
0240123 |
1 |
SIDE PLATE SCREW |
| 124 |
0200124 |
2 |
LEVER SPRING SCREW |
| 127 |
0240127 |
1 |
LADLE |
| 128 |
0240128 |
1 |
LADLE SCREW |
| 134 |
0400134 |
2 |
GATE CATCH |
| 137 |
4500137 |
1 |
BASE PIN SPRING |
| 167 |
0240167 |
2 |
TRIGGERGUARD SCREW |
| 216 |
0242216 |
1 |
FOREND PROTECTION |
| 218 |
0240218 |
1 |
PROTECTION RUNNING |
| 224 |
0240224 |
1 |
PROTECTION RUNNING GUIDE |
| 225 |
0202225 |
1 |
FOREND PROTECTION BEARING |
| 233 |
0240233 |
1 |
PROTECTION RUNNING SCREW |
| 237 |
0240237 |
1 |
LEVER HOOK SPRING |
| 238 |
0240238 |
1 |
LEVER HOOK PIN |
| 240 |
0240240 |
1 |
TRIGGER & LEVER SCREW |
| 275 |
0202275 |
1 |
MAGAZINE TUBE BEARING |
| 281 |
0202281 |
1 |
MAGAZINE TUBE BEARING PIN |
| 283 |
0202283 |
2 |
FOREND PROTECTION SCREW |
| 284 |
0240284 |
1 |
PROTECTION RUNNING SPHERE |
| 542 |
0240542 |
1 |
LEVER HOOK |
| 692 |
0400692 |
2 |
HAND PIN SCREW |
| 721 |
0220721 |
1 |
FIRING PIN EXTENSION STOP |
| 0278 |
73 MOD.SPORTING RIFLE .44/40 30″ WITH CHECKERED PISTOL GRIP CAT.5988 |
30” |
44-40 |

| N. |
Code No. |
Q.ty |
Description |
| 1 |
0240001 |
1 |
FRAME |
| 2 |
0240002 |
1 |
HAMMER |
| 3 |
0244003 |
1 |
BARREL 30″ .44/40 |
| 7 |
0230007 |
1 |
CARRIER BLOCK |
| 15 |
|
1 |
|
| 16 |
0070016 |
1 |
SPRING |
| 19 |
0240019 |
1 |
TRIGGER SPRING |
| 20 |
0200020 |
1 |
MAIN SPRING |
| 26 |
0275026 |
1 |
PISTOL GRIP TRIGGERGUARD |
| 36 |
0200036 |
1 |
MAIN SPRING SCREW |
| 51 |
0100051 |
1 |
GRIP PIN |
| 53 |
0240053 |
1 |
MAIN SPRING ADJ.SCREW |
| 55 |
0242055 |
1 |
REAR |
| 57 |
0275057 |
1 |
W73 RIFLE CKECHERED PISTOL GRIP BUTT STOCK |
| 58 |
0242058 |
1 |
BUTT PLATE |
| 61 |
0242061 |
1 |
REAR SIGHT |
| 62 |
0200062 |
4 |
BUTT PLATE SCREW |
| 63 |
0275063 |
1 |
PISTOL GRIP TANG SCREW |
| 67 |
0240067 |
1 |
FIRING PIN EXTENSION |
| 68 |
0202068 |
1 |
FOREND |
| 73 |
0240073 |
1 |
RIGHT SIDE PLATE |
| 74 |
0240074 |
1 |
LEFT SIDE PLATE |
| 79 |
0240079 |
1 |
EXTRACTOR |
| 83 |
0220083 |
1 |
RIGHT REAR LINK |
| 84 |
0220084 |
1 |
LEFT REAR LINK |
| 85 |
0220085 |
1 |
RIGHT FRONT LINK |
| 86 |
0220086 |
1 |
LEFT FRONT LINK |
| 87 |
0240087 |
1 |
TRIGGER |
| 88 |
0240088 |
1 |
PLAIN SEAR |
| 89 |
0240089 |
1 |
LEVER |
| 90 |
0200090 |
1 |
LIFTER ARM |
| 91 |
0240091 |
1 |
SAFETY BAR |
| 92 |
0200092 |
1 |
RIGHT LEVER SPRING |
| 93 |
0200093 |
1 |
LEFT LEVER SPRING |
| 94 |
0240094 |
1 |
SAFETY SPRING |
| 96 |
0244096 |
1 |
MAGAZINE SPRING |
| 97 |
0230097 |
1 |
BREECH BLOCK |
| 98 |
0220098 |
1 |
FIRING PIN |
| 101 |
0240101 |
1 |
LEVER SCREW |
| 105 |
0200105 |
2 |
REAR LINK PIN |
| 107 |
0200107 |
2 |
LEVER PIN |
| 108 |
0230108 |
1 |
EXTRACTOR PIN |
| 111 |
0240111 |
1 |
SAFETY SPRING PIN |
| 112 |
0200112 |
1 |
HAMMER LINK PIN |
| 113 |
0230113 |
1 |
MAGAZINE FOLLOWER |
| 114 |
0230114 |
1 |
MAGAZINE TUBE PLUG |
| 115 |
0200115 |
1 |
STIRRUP |
| 118 |
0244118 |
1 |
MAGAZINE TUBE |
| 123 |
0240123 |
1 |
SIDE PLATE SCREW |
| 124 |
0200124 |
2 |
LEVER SPRING SCREW |
| 127 |
0240127 |
1 |
LADLE |
| 128 |
0240128 |
1 |
LADLE SCREW |
| 134 |
0400134 |
2 |
GATE CATCH |
| 137 |
4500137 |
1 |
BASE PIN SPRING |
| 167 |
0240167 |
2 |
TRIGGERGUARD SCREW |
| 216 |
0242216 |
1 |
FOREND PROTECTION |
| 218 |
0240218 |
1 |
PROTECTION RUNNING |
| 224 |
0240224 |
1 |
PROTECTION RUNNING GUIDE |
| 225 |
0202225 |
1 |
FOREND PROTECTION BEARING |
| 233 |
0240233 |
1 |
PROTECTION RUNNING SCREW |
| 237 |
0240237 |
1 |
LEVER HOOK SPRING |
| 238 |
0240238 |
1 |
LEVER HOOK PIN |
| 240 |
0240240 |
1 |
TRIGGER & LEVER SCREW |
| 275 |
0202275 |
1 |
MAGAZINE TUBE BEARING |
| 281 |
0202281 |
1 |
MAGAZINE TUBE BEARING PIN |
| 283 |
0202283 |
2 |
FOREND PROTECTION SCREW |
| 284 |
0240284 |
1 |
PROTECTION RUNNING SPHERE |
| 542 |
0240542 |
1 |
LEVER HOOK |
| 692 |
0400692 |
2 |
HAND PIN SCREW |
| 721 |
0220721 |
1 |
FIRING PIN EXTENSION STOP |
| 0279 |
73 MOD.SPORTING RIFLE .45LC 30″ WITH CHECKERED PISTOL GRIP CAT.5990 |
30” |
45LC |

| N. |
Code No. |
Q.ty |
Description |
| 1 |
0240001 |
1 |
FRAME |
| 2 |
0240002 |
1 |
HAMMER |
| 3 |
0284003 |
1 |
BARREL 30″ .45LC |
| 7 |
0230007 |
1 |
CARRIER BLOCK |
| 15 |
|
1 |
|
| 16 |
0070016 |
1 |
SPRING |
| 19 |
0240019 |
1 |
TRIGGER SPRING |
| 20 |
0200020 |
1 |
MAIN SPRING |
| 26 |
0275026 |
1 |
PISTOL GRIP TRIGGERGUARD |
| 36 |
0200036 |
1 |
MAIN SPRING SCREW |
| 51 |
0100051 |
1 |
GRIP PIN |
| 53 |
0240053 |
1 |
MAIN SPRING ADJ.SCREW |
| 55 |
0242055 |
1 |
REAR |
| 57 |
0275057 |
1 |
W73 RIFLE CKECHERED PISTOL GRIP BUTT STOCK |
| 58 |
0242058 |
1 |
BUTT PLATE |
| 61 |
0242061 |
1 |
REAR SIGHT |
| 62 |
0200062 |
4 |
BUTT PLATE SCREW |
| 63 |
0275063 |
1 |
PISTOL GRIP TANG SCREW |
| 67 |
0240067 |
1 |
FIRING PIN EXTENSION |
| 68 |
0202068 |
1 |
FOREND |
| 73 |
0240073 |
1 |
RIGHT SIDE PLATE |
| 74 |
0240074 |
1 |
LEFT SIDE PLATE |
| 79 |
0240079 |
1 |
EXTRACTOR |
| 83 |
0220083 |
1 |
RIGHT REAR LINK |
| 84 |
0220084 |
1 |
LEFT REAR LINK |
| 85 |
0220085 |
1 |
RIGHT FRONT LINK |
| 86 |
0220086 |
1 |
LEFT FRONT LINK |
| 87 |
0240087 |
1 |
TRIGGER |
| 88 |
0240088 |
1 |
PLAIN SEAR |
| 89 |
0240089 |
1 |
LEVER |
| 90 |
0200090 |
1 |
LIFTER ARM |
| 91 |
0240091 |
1 |
SAFETY BAR |
| 92 |
0200092 |
1 |
RIGHT LEVER SPRING |
| 93 |
0200093 |
1 |
LEFT LEVER SPRING |
| 94 |
0240094 |
1 |
SAFETY SPRING |
| 96 |
0244096 |
1 |
MAGAZINE SPRING |
| 97 |
0230097 |
1 |
BREECH BLOCK |
| 98 |
0220098 |
1 |
FIRING PIN |
| 101 |
0240101 |
1 |
LEVER SCREW |
| 105 |
0200105 |
2 |
REAR LINK PIN |
| 107 |
0200107 |
2 |
LEVER PIN |
| 108 |
0230108 |
1 |
EXTRACTOR PIN |
| 111 |
0240111 |
1 |
SAFETY SPRING PIN |
| 112 |
0200112 |
1 |
HAMMER LINK PIN |
| 113 |
0230113 |
1 |
MAGAZINE FOLLOWER |
| 114 |
0230114 |
1 |
MAGAZINE TUBE PLUG |
| 115 |
0200115 |
1 |
STIRRUP |
| 118 |
0244118 |
1 |
MAGAZINE TUBE |
| 123 |
0240123 |
1 |
SIDE PLATE SCREW |
| 124 |
0200124 |
2 |
LEVER SPRING SCREW |
| 127 |
0240127 |
1 |
LADLE |
| 128 |
0240128 |
1 |
LADLE SCREW |
| 134 |
0400134 |
2 |
GATE CATCH |
| 137 |
4500137 |
1 |
BASE PIN SPRING |
| 167 |
0240167 |
2 |
TRIGGERGUARD SCREW |
| 216 |
0242216 |
1 |
FOREND PROTECTION |
| 218 |
0240218 |
1 |
PROTECTION RUNNING |
| 224 |
0240224 |
1 |
PROTECTION RUNNING GUIDE |
| 225 |
0202225 |
1 |
FOREND PROTECTION BEARING |
| 233 |
0240233 |
1 |
PROTECTION RUNNING SCREW |
| 237 |
0240237 |
1 |
LEVER HOOK SPRING |
| 238 |
0240238 |
1 |
LEVER HOOK PIN |
| 240 |
0240240 |
1 |
TRIGGER & LEVER SCREW |
| 275 |
0202275 |
1 |
MAGAZINE TUBE BEARING |
| 281 |
0202281 |
1 |
MAGAZINE TUBE BEARING PIN |
| 283 |
0202283 |
2 |
FOREND PROTECTION SCREW |
| 284 |
0240284 |
1 |
PROTECTION RUNNING SPHERE |
| 542 |
0240542 |
1 |
LEVER HOOK |
| 692 |
0400692 |
2 |
HAND PIN SCREW |
| 721 |
0220721 |
1 |
FIRING PIN EXTENSION STOP |
| 0280 |
73 MOD.CARBINE .45LC 19″ CAT.4721 |
19” |
45LC |

| N. |
Code No. |
Q.ty |
Description |
| 1 |
0240001 |
1 |
FRAME |
| 2 |
0240002 |
1 |
HAMMER |
| 3 |
0280003 |
1 |
BARREL 19″ .45LC |
| 7 |
0230007 |
1 |
CARRIER BLOCK |
| 16 |
0070016 |
1 |
SPRING |
| 19 |
0240019 |
1 |
TRIGGER SPRING |
| 20 |
0200020 |
1 |
MAIN SPRING |
| 26 |
0240026 |
1 |
TRIGGERGUARD |
| 36 |
0200036 |
1 |
MAIN SPRING SCREW |
| 51 |
0100051 |
1 |
GRIP PIN |
| 53 |
0240053 |
1 |
MAIN SPRING ADJ.SCREW |
| 55 |
A0240055 |
1 |
W73 CARBINE REAR ASSEMBLY |
| 57 |
0240057 |
1 |
W73 CARBINE BUTT STOCK |
| 58 |
0240058 |
1 |
BUTT PLATE |
| 62 |
0200062 |
3 |
BUTT PLATE SCREW |
| 63 |
0240063 |
1 |
TANG SCREW |
| 67 |
0240067 |
1 |
FIRING PIN EXTENSION |
| 68 |
0200068 |
1 |
FOREND |
| 73 |
0240073 |
1 |
RIGHT SIDE PLATE |
| 74 |
0240074 |
1 |
LEFT SIDE PLATE |
| 79 |
0240079 |
1 |
EXTRACTOR |
| 80 |
0240080 |
1 |
FRONT BAND |
| 81 |
0200081 |
1 |
FOREND BAND |
| 83 |
0220083 |
1 |
RIGHT REAR LINK |
| 84 |
0220084 |
1 |
LEFT REAR LINK |
| 85 |
0220085 |
1 |
RIGHT FRONT LINK |
| 86 |
0220086 |
1 |
LEFT FRONT LINK |
| 87 |
0240087 |
1 |
TRIGGER |
| 88 |
0240088 |
1 |
PLAIN SEAR |
| 89 |
0240089 |
1 |
LEVER |
| 90 |
0200090 |
1 |
LIFTER ARM |
| 91 |
0240091 |
1 |
SAFETY BAR |
| 92 |
0200092 |
1 |
RIGHT LEVER SPRING |
| 93 |
0200093 |
1 |
LEFT LEVER SPRING |
| 94 |
0240094 |
1 |
SAFETY SPRING |
| 96 |
0230096 |
1 |
MAGAZINE SPRING |
| 97 |
0230097 |
1 |
BREECH BLOCK |
| 98 |
0220098 |
1 |
FIRING PIN |
| 101 |
0240101 |
1 |
LEVER SCREW |
| 105 |
0200105 |
2 |
REAR LINK PIN |
| 107 |
0200107 |
2 |
LEVER PIN |
| 108 |
0230108 |
1 |
EXTRACTOR PIN |
| 111 |
0240111 |
1 |
SAFETY SPRING PIN |
| 112 |
0200112 |
1 |
HAMMER LINK PIN |
| 113 |
0230113 |
1 |
MAGAZINE FOLLOWER |
| 114 |
0230114 |
1 |
MAGAZINE TUBE PLUG |
| 115 |
0200115 |
1 |
STIRRUP |
| 118 |
0230118 |
1 |
MAGAZINE TUBE |
| 121 |
0200121 |
1 |
BAND SCREW |
| 122 |
0200122 |
1 |
FOREND SCREW |
| 123 |
0240123 |
1 |
SIDE PLATE SCREW |
| 124 |
0200124 |
2 |
LEVER SPRING SCREW |
| 127 |
0240127 |
1 |
LADLE |
| 128 |
0240128 |
1 |
LADLE SCREW |
| 134 |
0400134 |
2 |
GATE CATCH |
| 137 |
4500137 |
1 |
BASE PIN SPRING |
| 167 |
0240167 |
2 |
TRIGGERGUARD SCREW |
| 218 |
0240218 |
1 |
PROTECTION RUNNING |
| 224 |
0240224 |
1 |
PROTECTION RUNNING GUIDE |
| 233 |
0240233 |
1 |
PROTECTION RUNNING SCREW |
| 237 |
0240237 |
1 |
LEVER HOOK SPRING |
| 238 |
0240238 |
1 |
LEVER HOOK PIN |
| 240 |
0240240 |
1 |
TRIGGER & LEVER SCREW |
| 284 |
0240284 |
1 |
PROTECTION RUNNING SPHERE |
| 542 |
0240542 |
1 |
LEVER HOOK |
| 721 |
0220721 |
1 |
FIRING PIN EXTENSION STOP |
| 0281 |
73 MOD. SHORT RIFLE .45LC 20″ CAT.5989 |
20” |
45LC |

| N. |
Code No. |
Q.ty |
Description |
| 1 |
0240001 |
1 |
FRAME |
| 2 |
0240002 |
1 |
HAMMER |
| 3 |
0281003 |
1 |
BARREL SHORT 20″ .45LC |
| 7 |
0230007 |
1 |
CARRIER BLOCK |
| 15 |
0202015 |
1 |
SIGHT |
| 16 |
0070016 |
1 |
SPRING |
| 19 |
0240019 |
1 |
TRIGGER SPRING |
| 20 |
0200020 |
1 |
MAIN SPRING |
| 26 |
0240026 |
1 |
TRIGGERGUARD |
| 36 |
0200036 |
1 |
MAIN SPRING SCREW |
| 51 |
0100051 |
1 |
GRIP PIN |
| 53 |
0240053 |
1 |
MAIN SPRING ADJ.SCREW |
| 55 |
0242055 |
1 |
REAR |
| 57 |
0242057 |
1 |
W73 RIFLE BUTT STOCK |
| 58 |
0242058 |
1 |
BUTT PLATE |
| 61 |
0242061 |
1 |
REAR SIGHT |
| 62 |
0200062 |
4 |
BUTT PLATE SCREW |
| 63 |
0240063 |
1 |
TANG SCREW |
| 67 |
0240067 |
1 |
FIRING PIN EXTENSION |
| 68 |
0241068 |
1 |
FOREND |
| 73 |
0240073 |
1 |
RIGHT SIDE PLATE |
| 74 |
0240074 |
1 |
LEFT SIDE PLATE |
| 79 |
0240079 |
1 |
EXTRACTOR |
| 83 |
0220083 |
1 |
RIGHT REAR LINK |
| 84 |
0220084 |
1 |
LEFT REAR LINK |
| 85 |
0220085 |
1 |
RIGHT FRONT LINK |
| 86 |
0220086 |
1 |
LEFT FRONT LINK |
| 87 |
0240087 |
1 |
TRIGGER |
| 88 |
0240088 |
1 |
PLAIN SEAR |
| 89 |
0240089 |
1 |
LEVER |
| 90 |
0200090 |
1 |
LIFTER ARM |
| 91 |
0240091 |
1 |
SAFETY BAR |
| 92 |
0200092 |
1 |
RIGHT LEVER SPRING |
| 93 |
0200093 |
1 |
LEFT LEVER SPRING |
| 94 |
0240094 |
1 |
SAFETY SPRING |
| 96 |
0230096 |
1 |
MAGAZINE SPRING |
| 97 |
0230097 |
1 |
BREECH BLOCK |
| 98 |
0220098 |
1 |
FIRING PIN |
| 101 |
0240101 |
1 |
LEVER SCREW |
| 105 |
0200105 |
2 |
REAR LINK PIN |
| 107 |
0200107 |
2 |
LEVER PIN |
| 108 |
0230108 |
1 |
EXTRACTOR PIN |
| 111 |
0240111 |
1 |
SAFETY SPRING PIN |
| 112 |
0200112 |
1 |
HAMMER LINK PIN |
| 113 |
0230113 |
1 |
MAGAZINE FOLLOWER |
| 114 |
0230114 |
1 |
MAGAZINE TUBE PLUG |
| 115 |
0200115 |
1 |
STIRRUP |
| 118 |
0241118 |
1 |
MAGAZINE TUBE |
| 123 |
0240123 |
1 |
SIDE PLATE SCREW |
| 124 |
0200124 |
2 |
LEVER SPRING SCREW |
| 127 |
0240127 |
1 |
LADLE |
| 128 |
0240128 |
1 |
LADLE SCREW |
| 134 |
0400134 |
2 |
GATE CATCH |
| 137 |
4500137 |
1 |
BASE PIN SPRING |
| 167 |
0240167 |
2 |
TRIGGERGUARD SCREW |
| 216 |
0242216 |
1 |
FOREND PROTECTION |
| 218 |
0240218 |
1 |
PROTECTION RUNNING |
| 224 |
0240224 |
1 |
PROTECTION RUNNING GUIDE |
| 225 |
0202225 |
1 |
FOREND PROTECTION BEARING |
| 233 |
0240233 |
1 |
PROTECTION RUNNING SCREW |
| 237 |
0240237 |
1 |
LEVER HOOK SPRING |
| 238 |
0240238 |
1 |
LEVER HOOK PIN |
| 240 |
0240240 |
1 |
TRIGGER & LEVER SCREW |
| 275 |
0202275 |
1 |
MAGAZINE TUBE BEARING |
| 281 |
0202281 |
1 |
MAGAZINE TUBE BEARING PIN |
| 283 |
0202283 |
2 |
FOREND PROTECTION SCREW |
| 284 |
0240284 |
1 |
PROTECTION RUNNING SPHERE |
| 542 |
0240542 |
1 |
LEVER HOOK |
| 692 |
0400692 |
2 |
HAND PIN SCREW |
| 721 |
0220721 |
1 |
FIRING PIN EXTENSION STOP |
| 0282 |
73 SPORTING RIFLE .45LC 24.1/4″ CAT.4722 |
24.1/4” |
45LC |

| N. |
Code No. |
Q.ty |
Description |
| 1 |
0240001 |
1 |
FRAME |
| 2 |
0240002 |
1 |
HAMMER |
| 3 |
0282003 |
1 |
BARREL 24.1/4″ .45LC |
| 7 |
0230007 |
1 |
CARRIER BLOCK |
| 15 |
0202015 |
1 |
SIGHT |
| 16 |
0070016 |
1 |
SPRING |
| 19 |
0240019 |
1 |
TRIGGER SPRING |
| 20 |
0200020 |
1 |
MAIN SPRING |
| 26 |
0240026 |
1 |
TRIGGERGUARD |
| 36 |
0200036 |
1 |
MAIN SPRING SCREW |
| 51 |
0100051 |
1 |
GRIP PIN |
| 53 |
0240053 |
1 |
MAIN SPRING ADJ.SCREW |
| 55 |
0242055 |
1 |
REAR |
| 57 |
0242057 |
1 |
W73 RIFLE BUTT STOCK |
| 58 |
0242058 |
1 |
BUTT PLATE |
| 61 |
0242061 |
1 |
REAR SIGHT |
| 62 |
0200062 |
4 |
BUTT PLATE SCREW |
| 63 |
0240063 |
1 |
TANG SCREW |
| 67 |
0240067 |
1 |
FIRING PIN EXTENSION |
| 68 |
0202068 |
1 |
FOREND |
| 73 |
0240073 |
1 |
RIGHT SIDE PLATE |
| 74 |
0240074 |
1 |
LEFT SIDE PLATE |
| 79 |
0240079 |
1 |
EXTRACTOR |
| 83 |
0220083 |
1 |
RIGHT REAR LINK |
| 84 |
0220084 |
1 |
LEFT REAR LINK |
| 85 |
0220085 |
1 |
RIGHT FRONT LINK |
| 86 |
0220086 |
1 |
LEFT FRONT LINK |
| 87 |
0240087 |
1 |
TRIGGER |
| 88 |
0240088 |
1 |
PLAIN SEAR |
| 89 |
0240089 |
1 |
LEVER |
| 90 |
0200090 |
1 |
LIFTER ARM |
| 91 |
0240091 |
1 |
SAFETY BAR |
| 92 |
0200092 |
1 |
RIGHT LEVER SPRING |
| 93 |
0200093 |
1 |
LEFT LEVER SPRING |
| 94 |
0240094 |
1 |
SAFETY SPRING |
| 96 |
0232096 |
1 |
MAGAZINE SPRING |
| 97 |
0230097 |
1 |
BREECH BLOCK |
| 98 |
0220098 |
1 |
FIRING PIN |
| 101 |
0240101 |
1 |
LEVER SCREW |
| 105 |
0200105 |
2 |
REAR LINK PIN |
| 107 |
0200107 |
2 |
LEVER PIN |
| 108 |
0230108 |
1 |
EXTRACTOR PIN |
| 111 |
0240111 |
1 |
SAFETY SPRING PIN |
| 112 |
0200112 |
1 |
HAMMER LINK PIN |
| 113 |
0230113 |
1 |
MAGAZINE FOLLOWER |
| 114 |
0230114 |
1 |
MAGAZINE TUBE PLUG |
| 115 |
0200115 |
1 |
STIRRUP |
| 118 |
0232118 |
1 |
MAGAZINE TUBE |
| 123 |
0240123 |
1 |
SIDE PLATE SCREW |
| 124 |
0200124 |
2 |
LEVER SPRING SCREW |
| 127 |
0240127 |
1 |
LADLE |
| 128 |
0240128 |
1 |
LADLE SCREW |
| 134 |
0400134 |
2 |
GATE CATCH |
| 137 |
4500137 |
1 |
BASE PIN SPRING |
| 167 |
0240167 |
2 |
TRIGGERGUARD SCREW |
| 216 |
0242216 |
1 |
FOREND PROTECTION |
| 218 |
0240218 |
1 |
PROTECTION RUNNING |
| 224 |
0240224 |
1 |
PROTECTION RUNNING GUIDE |
| 225 |
0202225 |
1 |
FOREND PROTECTION BEARING |
| 233 |
0240233 |
1 |
PROTECTION RUNNING SCREW |
| 237 |
0240237 |
1 |
LEVER HOOK SPRING |
| 238 |
0240238 |
1 |
LEVER HOOK PIN |
| 240 |
0240240 |
1 |
TRIGGER & LEVER SCREW |
| 275 |
0202275 |
1 |
MAGAZINE TUBE BEARING |
| 281 |
0202281 |
1 |
MAGAZINE TUBE BEARING PIN |
| 283 |
0202283 |
2 |
FOREND PROTECTION SCREW |
| 284 |
0240284 |
1 |
PROTECTION RUNNING SPHERE |
| 542 |
0240542 |
1 |
LEVER HOOK |
| 692 |
0400692 |
2 |
HAND PIN SCREW |
| 721 |
0220721 |
1 |
FIRING PIN EXTENSION STOP |
| 0283 |
73 SHORT RIFLE .38-40 20″ CAT.11708 |
20” |
38-40 |

| N. |
Code No. |
Q.ty |
Description |
| 1 |
0250001 |
1 |
FRAME |
| 2 |
0240002 |
1 |
HAMMER |
| 3 |
0283003 |
1 |
BARREL SHORT 20″ .38/40 |
| 7 |
0220007 |
1 |
CARRIER BLOCK .38SP/.357MAG. |
| 15 |
0202015 |
1 |
SIGHT |
| 16 |
0070016 |
1 |
SPRING |
| 19 |
0240019 |
1 |
TRIGGER SPRING |
| 20 |
0200020 |
1 |
MAIN SPRING |
| 26 |
0240026 |
1 |
TRIGGERGUARD |
| 36 |
0200036 |
1 |
MAIN SPRING SCREW |
| 51 |
0100051 |
1 |
GRIP PIN |
| 53 |
0240053 |
1 |
MAIN SPRING ADJ.SCREW |
| 55 |
0242055 |
1 |
REAR |
| 57 |
0242057 |
1 |
W73 RIFLE BUTT STOCK |
| 58 |
0242058 |
1 |
BUTT PLATE |
| 61 |
0242061 |
1 |
REAR SIGHT |
| 62 |
0200062 |
4 |
BUTT PLATE SCREW |
| 63 |
0240063 |
1 |
TANG SCREW |
| 67 |
0240067 |
1 |
FIRING PIN EXTENSION |
| 68 |
0241068 |
1 |
FOREND |
| 73 |
0240073 |
1 |
RIGHT SIDE PLATE |
| 74 |
0240074 |
1 |
LEFT SIDE PLATE |
| 79 |
0250079 |
1 |
EXTRACTOR |
| 83 |
0220083 |
1 |
RIGHT REAR LINK |
| 84 |
0220084 |
1 |
LEFT REAR LINK |
| 85 |
0220085 |
1 |
RIGHT FRONT LINK |
| 86 |
0220086 |
1 |
LEFT FRONT LINK |
| 87 |
0240087 |
1 |
TRIGGER |
| 88 |
0240088 |
1 |
PLAIN SEAR |
| 89 |
0240089 |
1 |
LEVER |
| 90 |
0200090 |
1 |
LIFTER ARM |
| 91 |
0240091 |
1 |
SAFETY BAR |
| 92 |
0200092 |
1 |
RIGHT LEVER SPRING |
| 93 |
0200093 |
1 |
LEFT LEVER SPRING |
| 94 |
0240094 |
1 |
SAFETY SPRING |
| 96 |
0230096 |
1 |
MAGAZINE SPRING |
| 97 |
0220097 |
1 |
BREECH BLOCK |
| 98 |
0220098 |
1 |
FIRING PIN |
| 101 |
0240101 |
1 |
LEVER SCREW |
| 105 |
0200105 |
2 |
REAR LINK PIN |
| 107 |
0200107 |
2 |
LEVER PIN |
| 108 |
0220108 |
1 |
EXTRACTOR PIN |
| 111 |
0240111 |
1 |
SAFETY SPRING PIN |
| 112 |
0200112 |
1 |
HAMMER LINK PIN |
| 113 |
0220113 |
1 |
MAGAZINE FOLLOWER |
| 114 |
0230114 |
1 |
MAGAZINE TUBE PLUG |
| 115 |
0200115 |
1 |
STIRRUP |
| 118 |
0241118 |
1 |
MAGAZINE TUBE |
| 123 |
0240123 |
1 |
SIDE PLATE SCREW |
| 124 |
0200124 |
2 |
LEVER SPRING SCREW |
| 127 |
0240127 |
1 |
LADLE |
| 128 |
0240128 |
1 |
LADLE SCREW |
| 134 |
0400134 |
2 |
GATE CATCH |
| 137 |
4500137 |
1 |
BASE PIN SPRING |
| 167 |
0240167 |
2 |
TRIGGERGUARD SCREW |
| 216 |
0242216 |
1 |
FOREND PROTECTION |
| 218 |
0240218 |
1 |
PROTECTION RUNNING |
| 224 |
0240224 |
1 |
PROTECTION RUNNING GUIDE |
| 225 |
0202225 |
1 |
FOREND PROTECTION BEARING |
| 233 |
0240233 |
1 |
PROTECTION RUNNING SCREW |
| 237 |
0240237 |
1 |
LEVER HOOK SPRING |
| 238 |
0240238 |
1 |
LEVER HOOK PIN |
| 240 |
0240240 |
1 |
TRIGGER & LEVER SCREW |
| 275 |
0202275 |
1 |
MAGAZINE TUBE BEARING |
| 281 |
0202281 |
1 |
MAGAZINE TUBE BEARING PIN |
| 283 |
0202283 |
2 |
FOREND PROTECTION SCREW |
| 284 |
0240284 |
1 |
PROTECTION RUNNING SPHERE |
| 542 |
0240542 |
1 |
LEVER HOOK |
| 692 |
0400692 |
2 |
HAND PIN SCREW |
| 721 |
0220721 |
1 |
FIRING PIN EXTENSION STOP |
| 0284 |
73 MOD.SPORTING RIFLE .45LC 30″ CAT.5990 |
30” |
45LC |

| N. |
Code No. |
Q.ty |
Description |
| 1 |
0240001 |
1 |
FRAME |
| 2 |
0240002 |
1 |
HAMMER |
| 3 |
0284003 |
1 |
BARREL 30″ .45LC |
| 7 |
0230007 |
1 |
CARRIER BLOCK |
| 15 |
|
1 |
|
| 16 |
0070016 |
1 |
SPRING |
| 19 |
0240019 |
1 |
TRIGGER SPRING |
| 20 |
0200020 |
1 |
MAIN SPRING |
| 26 |
0240026 |
1 |
TRIGGERGUARD |
| 36 |
0200036 |
1 |
MAIN SPRING SCREW |
| 51 |
0100051 |
1 |
GRIP PIN |
| 53 |
0240053 |
1 |
MAIN SPRING ADJ.SCREW |
| 55 |
0242055 |
1 |
REAR |
| 57 |
0242057 |
1 |
W73 RIFLE BUTT STOCK |
| 58 |
0242058 |
1 |
BUTT PLATE |
| 61 |
0242061 |
1 |
REAR SIGHT |
| 62 |
0200062 |
4 |
BUTT PLATE SCREW |
| 63 |
0240063 |
1 |
TANG SCREW |
| 67 |
0240067 |
1 |
FIRING PIN EXTENSION |
| 68 |
0202068 |
1 |
FOREND |
| 73 |
0240073 |
1 |
RIGHT SIDE PLATE |
| 74 |
0240074 |
1 |
LEFT SIDE PLATE |
| 79 |
0240079 |
1 |
EXTRACTOR |
| 83 |
0220083 |
1 |
RIGHT REAR LINK |
| 84 |
0220084 |
1 |
LEFT REAR LINK |
| 85 |
0220085 |
1 |
RIGHT FRONT LINK |
| 86 |
0220086 |
1 |
LEFT FRONT LINK |
| 87 |
0240087 |
1 |
TRIGGER |
| 88 |
0240088 |
1 |
PLAIN SEAR |
| 89 |
0240089 |
1 |
LEVER |
| 90 |
0200090 |
1 |
LIFTER ARM |
| 91 |
0240091 |
1 |
SAFETY BAR |
| 92 |
0200092 |
1 |
RIGHT LEVER SPRING |
| 93 |
0200093 |
1 |
LEFT LEVER SPRING |
| 94 |
0240094 |
1 |
SAFETY SPRING |
| 96 |
0244096 |
1 |
MAGAZINE SPRING |
| 97 |
0230097 |
1 |
BREECH BLOCK |
| 98 |
0220098 |
1 |
FIRING PIN |
| 101 |
0240101 |
1 |
LEVER SCREW |
| 105 |
0200105 |
2 |
REAR LINK PIN |
| 107 |
0200107 |
2 |
LEVER PIN |
| 108 |
0230108 |
1 |
EXTRACTOR PIN |
| 111 |
0240111 |
1 |
SAFETY SPRING PIN |
| 112 |
0200112 |
1 |
HAMMER LINK PIN |
| 113 |
0230113 |
1 |
MAGAZINE FOLLOWER |
| 114 |
0230114 |
1 |
MAGAZINE TUBE PLUG |
| 115 |
0200115 |
1 |
STIRRUP |
| 118 |
0244118 |
1 |
MAGAZINE TUBE |
| 123 |
0240123 |
1 |
SIDE PLATE SCREW |
| 124 |
0200124 |
2 |
LEVER SPRING SCREW |
| 127 |
0240127 |
1 |
LADLE |
| 128 |
0240128 |
1 |
LADLE SCREW |
| 134 |
0400134 |
2 |
GATE CATCH |
| 137 |
4500137 |
1 |
BASE PIN SPRING |
| 167 |
0240167 |
2 |
TRIGGERGUARD SCREW |
| 216 |
0242216 |
1 |
FOREND PROTECTION |
| 218 |
0240218 |
1 |
PROTECTION RUNNING |
| 224 |
0240224 |
1 |
PROTECTION RUNNING GUIDE |
| 225 |
0202225 |
1 |
FOREND PROTECTION BEARING |
| 233 |
0240233 |
1 |
PROTECTION RUNNING SCREW |
| 237 |
0240237 |
1 |
LEVER HOOK SPRING |
| 238 |
0240238 |
1 |
LEVER HOOK PIN |
| 240 |
0240240 |
1 |
TRIGGER & LEVER SCREW |
| 275 |
0202275 |
1 |
MAGAZINE TUBE BEARING |
| 281 |
0202281 |
1 |
MAGAZINE TUBE BEARING PIN |
| 283 |
0202283 |
2 |
FOREND PROTECTION SCREW |
| 284 |
0240284 |
1 |
PROTECTION RUNNING SPHERE |
| 542 |
0240542 |
1 |
LEVER HOOK |
| 692 |
0400692 |
2 |
HAND PIN SCREW |
| 721 |
0220721 |
1 |
FIRING PIN EXTENSION STOP |
| 0285 |
73 SHORT RIFLE .44SP. 20″ CAT.11712 |
20” |
44SPEC. |

| N. |
Code No. |
Q.ty |
Description |
| 1 |
0240001 |
1 |
FRAME |
| 2 |
0240002 |
1 |
HAMMER |
| 3 |
0285003 |
1 |
BARREL SHORT 20″ .44SPEC. |
| 7 |
0230007 |
1 |
CARRIER BLOCK |
| 15 |
0202015 |
1 |
SIGHT |
| 16 |
0070016 |
1 |
SPRING |
| 19 |
0240019 |
1 |
TRIGGER SPRING |
| 20 |
0200020 |
1 |
MAIN SPRING |
| 26 |
0240026 |
1 |
TRIGGERGUARD |
| 36 |
0200036 |
1 |
MAIN SPRING SCREW |
| 51 |
0100051 |
1 |
GRIP PIN |
| 53 |
0240053 |
1 |
MAIN SPRING ADJ.SCREW |
| 55 |
0242055 |
1 |
REAR |
| 57 |
0242057 |
1 |
W73 RIFLE BUTT STOCK |
| 58 |
0242058 |
1 |
BUTT PLATE |
| 61 |
0242061 |
1 |
REAR SIGHT |
| 62 |
0200062 |
4 |
BUTT PLATE SCREW |
| 63 |
0240063 |
1 |
TANG SCREW |
| 67 |
0240067 |
1 |
FIRING PIN EXTENSION |
| 68 |
0241068 |
1 |
FOREND |
| 73 |
0240073 |
1 |
RIGHT SIDE PLATE |
| 74 |
0240074 |
1 |
LEFT SIDE PLATE |
| 79 |
0240079 |
1 |
EXTRACTOR |
| 83 |
0220083 |
1 |
RIGHT REAR LINK |
| 84 |
0220084 |
1 |
LEFT REAR LINK |
| 85 |
0220085 |
1 |
RIGHT FRONT LINK |
| 86 |
0220086 |
1 |
LEFT FRONT LINK |
| 87 |
0240087 |
1 |
TRIGGER |
| 88 |
0240088 |
1 |
PLAIN SEAR |
| 89 |
0240089 |
1 |
LEVER |
| 90 |
0200090 |
1 |
LIFTER ARM |
| 91 |
0240091 |
1 |
SAFETY BAR |
| 92 |
0200092 |
1 |
RIGHT LEVER SPRING |
| 93 |
0200093 |
1 |
LEFT LEVER SPRING |
| 94 |
0240094 |
1 |
SAFETY SPRING |
| 96 |
0230096 |
1 |
MAGAZINE SPRING |
| 97 |
0230097 |
1 |
BREECH BLOCK |
| 98 |
0220098 |
1 |
FIRING PIN |
| 101 |
0240101 |
1 |
LEVER SCREW |
| 105 |
0200105 |
2 |
REAR LINK PIN |
| 107 |
0200107 |
2 |
LEVER PIN |
| 108 |
0230108 |
1 |
EXTRACTOR PIN |
| 111 |
0240111 |
1 |
SAFETY SPRING PIN |
| 112 |
0200112 |
1 |
HAMMER LINK PIN |
| 113 |
0230113 |
1 |
MAGAZINE FOLLOWER |
| 114 |
0230114 |
1 |
MAGAZINE TUBE PLUG |
| 115 |
0200115 |
1 |
STIRRUP |
| 118 |
0241118 |
1 |
MAGAZINE TUBE |
| 123 |
0240123 |
1 |
SIDE PLATE SCREW |
| 124 |
0200124 |
2 |
LEVER SPRING SCREW |
| 127 |
0240127 |
1 |
LADLE |
| 128 |
0240128 |
1 |
LADLE SCREW |
| 134 |
0400134 |
2 |
GATE CATCH |
| 137 |
4500137 |
1 |
BASE PIN SPRING |
| 167 |
0240167 |
2 |
TRIGGERGUARD SCREW |
| 216 |
0242216 |
1 |
FOREND PROTECTION |
| 218 |
0240218 |
1 |
PROTECTION RUNNING |
| 224 |
0240224 |
1 |
PROTECTION RUNNING GUIDE |
| 225 |
0202225 |
1 |
FOREND PROTECTION BEARING |
| 233 |
0240233 |
1 |
PROTECTION RUNNING SCREW |
| 237 |
0240237 |
1 |
LEVER HOOK SPRING |
| 238 |
0240238 |
1 |
LEVER HOOK PIN |
| 240 |
0240240 |
1 |
TRIGGER & LEVER SCREW |
| 275 |
0202275 |
1 |
MAGAZINE TUBE BEARING |
| 281 |
0202281 |
1 |
MAGAZINE TUBE BEARING PIN |
| 283 |
0202283 |
2 |
FOREND PROTECTION SCREW |
| 284 |
0240284 |
1 |
PROTECTION RUNNING SPHERE |
| 542 |
0240542 |
1 |
LEVER HOOK |
| 692 |
0400692 |
2 |
HAND PIN SCREW |
| 721 |
0220721 |
1 |
FIRING PIN EXTENSION STOP |
| 0293 |
73 SHORT RIFLE .32-20 20″ CAT.11706 |
20” |
32-20 |

| N. |
Code No. |
Q.ty |
Description |
| 1 |
0250001 |
1 |
FRAME |
| 2 |
0240002 |
1 |
HAMMER |
| 3 |
0293003 |
1 |
BARREL SHORT 20″ .32/20 |
| 7 |
0220007 |
1 |
CARRIER BLOCK .38SP/.357MAG. |
| 15 |
0202015 |
1 |
SIGHT |
| 16 |
0070016 |
1 |
SPRING |
| 19 |
0240019 |
1 |
TRIGGER SPRING |
| 20 |
0200020 |
1 |
MAIN SPRING |
| 26 |
0240026 |
1 |
TRIGGERGUARD |
| 36 |
0200036 |
1 |
MAIN SPRING SCREW |
| 51 |
0100051 |
1 |
GRIP PIN |
| 53 |
0240053 |
1 |
MAIN SPRING ADJ.SCREW |
| 55 |
0242055 |
1 |
REAR |
| 57 |
0242057 |
1 |
W73 RIFLE BUTT STOCK |
| 58 |
0242058 |
1 |
BUTT PLATE |
| 61 |
0242061 |
1 |
REAR SIGHT |
| 62 |
0200062 |
4 |
BUTT PLATE SCREW |
| 63 |
0240063 |
1 |
TANG SCREW |
| 67 |
0240067 |
1 |
FIRING PIN EXTENSION |
| 68 |
0241068 |
1 |
FOREND |
| 73 |
0240073 |
1 |
RIGHT SIDE PLATE |
| 74 |
0240074 |
1 |
LEFT SIDE PLATE |
| 79 |
0250079 |
1 |
EXTRACTOR |
| 83 |
0220083 |
1 |
RIGHT REAR LINK |
| 84 |
0220084 |
1 |
LEFT REAR LINK |
| 85 |
0220085 |
1 |
RIGHT FRONT LINK |
| 86 |
0220086 |
1 |
LEFT FRONT LINK |
| 87 |
0240087 |
1 |
TRIGGER |
| 88 |
0240088 |
1 |
PLAIN SEAR |
| 89 |
0240089 |
1 |
LEVER |
| 90 |
0200090 |
1 |
LIFTER ARM |
| 91 |
0240091 |
1 |
SAFETY BAR |
| 92 |
0200092 |
1 |
RIGHT LEVER SPRING |
| 93 |
0200093 |
1 |
LEFT LEVER SPRING |
| 94 |
0240094 |
1 |
SAFETY SPRING |
| 96 |
0230096 |
1 |
MAGAZINE SPRING |
| 97 |
0220097 |
1 |
BREECH BLOCK |
| 98 |
0220098 |
1 |
FIRING PIN |
| 101 |
0240101 |
1 |
LEVER SCREW |
| 105 |
0200105 |
2 |
REAR LINK PIN |
| 107 |
0200107 |
2 |
LEVER PIN |
| 108 |
0220108 |
1 |
EXTRACTOR PIN |
| 111 |
0240111 |
1 |
SAFETY SPRING PIN |
| 112 |
0200112 |
1 |
HAMMER LINK PIN |
| 113 |
0220113 |
1 |
MAGAZINE FOLLOWER |
| 114 |
0230114 |
1 |
MAGAZINE TUBE PLUG |
| 115 |
0200115 |
1 |
STIRRUP |
| 118 |
0241118 |
1 |
MAGAZINE TUBE |
| 123 |
0240123 |
1 |
SIDE PLATE SCREW |
| 124 |
0200124 |
2 |
LEVER SPRING SCREW |
| 127 |
0240127 |
1 |
LADLE |
| 128 |
0240128 |
1 |
LADLE SCREW |
| 134 |
0400134 |
2 |
GATE CATCH |
| 137 |
4500137 |
1 |
BASE PIN SPRING |
| 167 |
0240167 |
2 |
TRIGGERGUARD SCREW |
| 216 |
0242216 |
1 |
FOREND PROTECTION |
| 218 |
0240218 |
1 |
PROTECTION RUNNING |
| 224 |
0240224 |
1 |
PROTECTION RUNNING GUIDE |
| 225 |
0202225 |
1 |
FOREND PROTECTION BEARING |
| 233 |
0240233 |
1 |
PROTECTION RUNNING SCREW |
| 237 |
0240237 |
1 |
LEVER HOOK SPRING |
| 238 |
0240238 |
1 |
LEVER HOOK PIN |
| 240 |
0240240 |
1 |
TRIGGER & LEVER SCREW |
| 275 |
0202275 |
1 |
MAGAZINE TUBE BEARING |
| 281 |
0202281 |
1 |
MAGAZINE TUBE BEARING PIN |
| 283 |
0202283 |
2 |
FOREND PROTECTION SCREW |
| 284 |
0240284 |
1 |
PROTECTION RUNNING SPHERE |
| 542 |
0240542 |
1 |
LEVER HOOK |
| 721 |
0220721 |
1 |
FIRING PIN EXTENSION STOP |
| 0294 |
73 MOD. SPORTING RIFLE .44 SPEC. 24.1/4″ WITH CHECKERED PISTOL GRIP CAT.7355 |
24.1/4” |
44SPEC. |

| N. |
Code No. |
Q.ty |
Description |
| 1 |
0240001 |
1 |
FRAME |
| 2 |
0240002 |
1 |
HAMMER |
| 3 |
0249003 |
1 |
BARREL 24.1/4″ .44SPEC. |
| 7 |
0230007 |
1 |
CARRIER BLOCK |
| 15 |
0202015 |
1 |
SIGHT |
| 16 |
0070016 |
1 |
SPRING |
| 19 |
0240019 |
1 |
TRIGGER SPRING |
| 20 |
0200020 |
1 |
MAIN SPRING |
| 26 |
0275026 |
1 |
PISTOL GRIP TRIGGERGUARD |
| 36 |
0200036 |
1 |
MAIN SPRING SCREW |
| 51 |
0100051 |
1 |
GRIP PIN |
| 53 |
0240053 |
1 |
MAIN SPRING ADJ.SCREW |
| 55 |
0242055 |
1 |
REAR |
| 57 |
0275057 |
1 |
W73 RIFLE CKECHERED PISTOL GRIP BUTT STOCK |
| 58 |
0242058 |
1 |
BUTT PLATE |
| 61 |
0242061 |
1 |
REAR SIGHT |
| 62 |
0200062 |
4 |
BUTT PLATE SCREW |
| 63 |
0275063 |
1 |
PISTOL GRIP TANG SCREW |
| 67 |
0240067 |
1 |
FIRING PIN EXTENSION |
| 68 |
0202068 |
1 |
FOREND |
| 73 |
0240073 |
1 |
RIGHT SIDE PLATE |
| 74 |
0240074 |
1 |
LEFT SIDE PLATE |
| 79 |
0240079 |
1 |
EXTRACTOR |
| 83 |
0220083 |
1 |
RIGHT REAR LINK |
| 84 |
0220084 |
1 |
LEFT REAR LINK |
| 85 |
0220085 |
1 |
RIGHT FRONT LINK |
| 86 |
0220086 |
1 |
LEFT FRONT LINK |
| 87 |
0240087 |
1 |
TRIGGER |
| 88 |
0240088 |
1 |
PLAIN SEAR |
| 89 |
0240089 |
1 |
LEVER |
| 90 |
0200090 |
1 |
LIFTER ARM |
| 91 |
0240091 |
1 |
SAFETY BAR |
| 92 |
0200092 |
1 |
RIGHT LEVER SPRING |
| 93 |
0200093 |
1 |
LEFT LEVER SPRING |
| 94 |
0240094 |
1 |
SAFETY SPRING |
| 96 |
0232096 |
1 |
MAGAZINE SPRING |
| 97 |
0230097 |
1 |
BREECH BLOCK |
| 98 |
0220098 |
1 |
FIRING PIN |
| 101 |
0240101 |
1 |
LEVER SCREW |
| 105 |
0200105 |
2 |
REAR LINK PIN |
| 107 |
0200107 |
2 |
LEVER PIN |
| 108 |
0230108 |
1 |
EXTRACTOR PIN |
| 111 |
0240111 |
1 |
SAFETY SPRING PIN |
| 112 |
0200112 |
1 |
HAMMER LINK PIN |
| 113 |
0230113 |
1 |
MAGAZINE FOLLOWER |
| 114 |
0230114 |
1 |
MAGAZINE TUBE PLUG |
| 115 |
0200115 |
1 |
STIRRUP |
| 118 |
0232118 |
1 |
MAGAZINE TUBE |
| 123 |
0240123 |
1 |
SIDE PLATE SCREW |
| 124 |
0200124 |
2 |
LEVER SPRING SCREW |
| 127 |
0240127 |
1 |
LADLE |
| 128 |
0240128 |
1 |
LADLE SCREW |
| 134 |
0400134 |
2 |
GATE CATCH |
| 137 |
4500137 |
1 |
BASE PIN SPRING |
| 167 |
0240167 |
2 |
TRIGGERGUARD SCREW |
| 216 |
0242216 |
1 |
FOREND PROTECTION |
| 218 |
0240218 |
1 |
PROTECTION RUNNING |
| 224 |
0240224 |
1 |
PROTECTION RUNNING GUIDE |
| 225 |
0202225 |
1 |
FOREND PROTECTION BEARING |
| 233 |
0240233 |
1 |
PROTECTION RUNNING SCREW |
| 237 |
0240237 |
1 |
LEVER HOOK SPRING |
| 238 |
0240238 |
1 |
LEVER HOOK PIN |
| 240 |
0240240 |
1 |
TRIGGER & LEVER SCREW |
| 275 |
0202275 |
1 |
MAGAZINE TUBE BEARING |
| 281 |
0202281 |
1 |
MAGAZINE TUBE BEARING PIN |
| 283 |
0202283 |
2 |
FOREND PROTECTION SCREW |
| 284 |
0240284 |
1 |
PROTECTION RUNNING SPHERE |
| 542 |
0240542 |
1 |
LEVER HOOK |
| 721 |
0220721 |
1 |
FIRING PIN EXTENSION STOP |
| 0295 |
73 MOD. SPORTING RIFLE .38/40 24.1/4″ WITH CHECKERED PISTOL GRIP CAT.11710 |
24.1/4” |
38-40 |

| N. |
Code No. |
Q.ty |
Description |
| 1 |
0250001 |
1 |
FRAME |
| 2 |
0240002 |
1 |
HAMMER |
| 3 |
0264003 |
1 |
BARREL 24.1/4″ .38/40 |
| 7 |
0220007 |
1 |
CARRIER BLOCK .38SP/.357MAG. |
| 15 |
0202015 |
1 |
SIGHT |
| 16 |
0070016 |
1 |
SPRING |
| 19 |
0240019 |
1 |
TRIGGER SPRING |
| 20 |
0200020 |
1 |
MAIN SPRING |
| 26 |
0275026 |
1 |
PISTOL GRIP TRIGGERGUARD |
| 36 |
0200036 |
1 |
MAIN SPRING SCREW |
| 51 |
0100051 |
1 |
GRIP PIN |
| 53 |
0240053 |
1 |
MAIN SPRING ADJ.SCREW |
| 55 |
0242055 |
1 |
REAR |
| 57 |
0275057 |
1 |
W73 RIFLE CKECHERED PISTOL GRIP BUTT STOCK |
| 58 |
0242058 |
1 |
BUTT PLATE |
| 61 |
0242061 |
1 |
REAR SIGHT |
| 62 |
0200062 |
4 |
BUTT PLATE SCREW |
| 63 |
0275063 |
1 |
PISTOL GRIP TANG SCREW |
| 67 |
0240067 |
1 |
FIRING PIN EXTENSION |
| 68 |
0202068 |
1 |
FOREND |
| 73 |
0240073 |
1 |
RIGHT SIDE PLATE |
| 74 |
0240074 |
1 |
LEFT SIDE PLATE |
| 79 |
0250079 |
1 |
EXTRACTOR |
| 83 |
0220083 |
1 |
RIGHT REAR LINK |
| 84 |
0220084 |
1 |
LEFT REAR LINK |
| 85 |
0220085 |
1 |
RIGHT FRONT LINK |
| 86 |
0220086 |
1 |
LEFT FRONT LINK |
| 87 |
0240087 |
1 |
TRIGGER |
| 88 |
0240088 |
1 |
PLAIN SEAR |
| 89 |
0240089 |
1 |
LEVER |
| 90 |
0200090 |
1 |
LIFTER ARM |
| 91 |
0240091 |
1 |
SAFETY BAR |
| 92 |
0200092 |
1 |
RIGHT LEVER SPRING |
| 93 |
0200093 |
1 |
LEFT LEVER SPRING |
| 94 |
0240094 |
1 |
SAFETY SPRING |
| 96 |
0232096 |
1 |
MAGAZINE SPRING |
| 97 |
0220097 |
1 |
BREECH BLOCK |
| 98 |
0220098 |
1 |
FIRING PIN |
| 101 |
0240101 |
1 |
LEVER SCREW |
| 105 |
0200105 |
2 |
REAR LINK PIN |
| 107 |
0200107 |
2 |
LEVER PIN |
| 108 |
0220108 |
1 |
EXTRACTOR PIN |
| 111 |
0240111 |
1 |
SAFETY SPRING PIN |
| 112 |
0200112 |
1 |
HAMMER LINK PIN |
| 113 |
0220113 |
1 |
MAGAZINE FOLLOWER |
| 114 |
0230114 |
1 |
MAGAZINE TUBE PLUG |
| 115 |
0200115 |
1 |
STIRRUP |
| 118 |
0232118 |
1 |
MAGAZINE TUBE |
| 123 |
0240123 |
1 |
SIDE PLATE SCREW |
| 124 |
0200124 |
2 |
LEVER SPRING SCREW |
| 127 |
0240127 |
1 |
LADLE |
| 128 |
0240128 |
1 |
LADLE SCREW |
| 134 |
0400134 |
2 |
GATE CATCH |
| 137 |
4500137 |
1 |
BASE PIN SPRING |
| 167 |
0240167 |
2 |
TRIGGERGUARD SCREW |
| 216 |
0242216 |
1 |
FOREND PROTECTION |
| 218 |
0240218 |
1 |
PROTECTION RUNNING |
| 224 |
0240224 |
1 |
PROTECTION RUNNING GUIDE |
| 225 |
0202225 |
1 |
FOREND PROTECTION BEARING |
| 233 |
0240233 |
1 |
PROTECTION RUNNING SCREW |
| 237 |
0240237 |
1 |
LEVER HOOK SPRING |
| 238 |
0240238 |
1 |
LEVER HOOK PIN |
| 240 |
0240240 |
1 |
TRIGGER & LEVER SCREW |
| 275 |
0202275 |
1 |
MAGAZINE TUBE BEARING |
| 281 |
0202281 |
1 |
MAGAZINE TUBE BEARING PIN |
| 283 |
0202283 |
2 |
FOREND PROTECTION SCREW |
| 284 |
0240284 |
1 |
PROTECTION RUNNING SPHERE |
| 542 |
0240542 |
1 |
LEVER HOOK |
| 721 |
0220721 |
1 |
FIRING PIN EXTENSION STOP |
| 0296 |
73 MOD. SPORTING RIFLE .32/20 24.1/4″ WITH CHECKERED PISTOL GRIP CAT.10509 |
24.1/4” |
32-20 |

| N. |
Code No. |
Q.ty |
Description |
| 1 |
0250001 |
1 |
FRAME |
| 2 |
0240002 |
1 |
HAMMER |
| 3 |
0255003 |
1 |
BARREL 24.1/4″ .32-20 |
| 7 |
0220007 |
1 |
CARRIER BLOCK .38SP/.357MAG. |
| 15 |
0202015 |
1 |
SIGHT |
| 16 |
0070016 |
1 |
SPRING |
| 19 |
0240019 |
1 |
TRIGGER SPRING |
| 20 |
0200020 |
1 |
MAIN SPRING |
| 26 |
0275026 |
1 |
PISTOL GRIP TRIGGERGUARD |
| 36 |
0200036 |
1 |
MAIN SPRING SCREW |
| 51 |
0100051 |
1 |
GRIP PIN |
| 53 |
0240053 |
1 |
MAIN SPRING ADJ.SCREW |
| 55 |
0242055 |
1 |
REAR |
| 57 |
0275057 |
1 |
W73 RIFLE CKECHERED PISTOL GRIP BUTT STOCK |
| 58 |
0242058 |
1 |
BUTT PLATE |
| 61 |
0242061 |
1 |
REAR SIGHT |
| 62 |
0200062 |
4 |
BUTT PLATE SCREW |
| 63 |
0275063 |
1 |
PISTOL GRIP TANG SCREW |
| 67 |
0240067 |
1 |
FIRING PIN EXTENSION |
| 68 |
0202068 |
1 |
FOREND |
| 73 |
0240073 |
1 |
RIGHT SIDE PLATE |
| 74 |
0240074 |
1 |
LEFT SIDE PLATE |
| 79 |
0250079 |
1 |
EXTRACTOR |
| 83 |
0220083 |
1 |
RIGHT REAR LINK |
| 84 |
0220084 |
1 |
LEFT REAR LINK |
| 85 |
0220085 |
1 |
RIGHT FRONT LINK |
| 86 |
0220086 |
1 |
LEFT FRONT LINK |
| 87 |
0240087 |
1 |
TRIGGER |
| 88 |
0240088 |
1 |
PLAIN SEAR |
| 89 |
0240089 |
1 |
LEVER |
| 90 |
0200090 |
1 |
LIFTER ARM |
| 91 |
0240091 |
1 |
SAFETY BAR |
| 92 |
0200092 |
1 |
RIGHT LEVER SPRING |
| 93 |
0200093 |
1 |
LEFT LEVER SPRING |
| 94 |
0240094 |
1 |
SAFETY SPRING |
| 96 |
0232096 |
1 |
MAGAZINE SPRING |
| 97 |
0220097 |
1 |
BREECH BLOCK |
| 98 |
0220098 |
1 |
FIRING PIN |
| 101 |
0240101 |
1 |
LEVER SCREW |
| 105 |
0200105 |
2 |
REAR LINK PIN |
| 107 |
0200107 |
2 |
LEVER PIN |
| 108 |
0220108 |
1 |
EXTRACTOR PIN |
| 111 |
0240111 |
1 |
SAFETY SPRING PIN |
| 112 |
0200112 |
1 |
HAMMER LINK PIN |
| 113 |
0220113 |
1 |
MAGAZINE FOLLOWER |
| 114 |
0230114 |
1 |
MAGAZINE TUBE PLUG |
| 115 |
0200115 |
1 |
STIRRUP |
| 118 |
0232118 |
1 |
MAGAZINE TUBE |
| 123 |
0240123 |
1 |
SIDE PLATE SCREW |
| 124 |
0200124 |
2 |
LEVER SPRING SCREW |
| 127 |
0240127 |
1 |
LADLE |
| 128 |
0240128 |
1 |
LADLE SCREW |
| 134 |
0400134 |
2 |
GATE CATCH |
| 137 |
4500137 |
1 |
BASE PIN SPRING |
| 167 |
0240167 |
2 |
TRIGGERGUARD SCREW |
| 216 |
0242216 |
1 |
FOREND PROTECTION |
| 218 |
0240218 |
1 |
PROTECTION RUNNING |
| 224 |
0240224 |
1 |
PROTECTION RUNNING GUIDE |
| 225 |
0202225 |
1 |
FOREND PROTECTION BEARING |
| 233 |
0240233 |
1 |
PROTECTION RUNNING SCREW |
| 237 |
0240237 |
1 |
LEVER HOOK SPRING |
| 238 |
0240238 |
1 |
LEVER HOOK PIN |
| 240 |
0240240 |
1 |
TRIGGER & LEVER SCREW |
| 275 |
0202275 |
1 |
MAGAZINE TUBE BEARING |
| 281 |
0202281 |
1 |
MAGAZINE TUBE BEARING PIN |
| 283 |
0202283 |
2 |
FOREND PROTECTION SCREW |
| 284 |
0240284 |
1 |
PROTECTION RUNNING SPHERE |
| 542 |
0240542 |
1 |
LEVER HOOK |
| 721 |
0220721 |
1 |
FIRING PIN EXTENSION STOP |
| 2008 |
1873 SPORTING RIFLE .44-40 18″ CAT.15671 |
18″ |
44-40 |

| N. |
Code No. |
Q.ty |
Description |
| 1 |
0240001 |
1 |
FRAME |
| 2 |
0240002 |
1 |
HAMMER |
| 3 |
2008003 |
1 |
BARREL 18″ .44/40 |
| 7 |
0230007 |
1 |
CARRIER BLOCK |
| 15 |
0202015 |
1 |
SIGHT |
| 16 |
0070016 |
1 |
SPRING |
| 19 |
0240019 |
1 |
TRIGGER SPRING |
| 20 |
0200020 |
1 |
MAIN SPRING |
| 26 |
0240026 |
1 |
TRIGGERGUARD |
| 36 |
0200036 |
1 |
MAIN SPRING SCREW |
| 51 |
0100051 |
1 |
GRIP PIN |
| 53 |
0240053 |
1 |
MAIN SPRING ADJ.SCREW |
| 55 |
0242055 |
1 |
REAR |
| 57 |
0242057 |
1 |
W73 RIFLE BUTT STOCK |
| 58 |
0242058 |
1 |
BUTT PLATE |
| 61 |
0242061 |
1 |
REAR SIGHT |
| 62 |
0200062 |
4 |
BUTT PLATE SCREW |
| 63 |
0240063 |
1 |
TANG SCREW |
| 67 |
0240067 |
1 |
FIRING PIN EXTENSION |
| 68 |
0241068 |
1 |
FOREND |
| 73 |
0240073 |
1 |
RIGHT SIDE PLATE |
| 74 |
0240074 |
1 |
LEFT SIDE PLATE |
| 79 |
0240079 |
1 |
EXTRACTOR |
| 83 |
0220083 |
1 |
RIGHT REAR LINK |
| 84 |
0220084 |
1 |
LEFT REAR LINK |
| 85 |
0220085 |
1 |
RIGHT FRONT LINK |
| 86 |
0220086 |
1 |
LEFT FRONT LINK |
| 87 |
0240087 |
1 |
TRIGGER |
| 88 |
0240088 |
1 |
PLAIN SEAR |
| 89 |
0240089 |
1 |
LEVER |
| 90 |
0200090 |
1 |
LIFTER ARM |
| 91 |
0240091 |
1 |
SAFETY BAR |
| 92 |
0200092 |
1 |
RIGHT LEVER SPRING |
| 93 |
0200093 |
1 |
LEFT LEVER SPRING |
| 94 |
0240094 |
1 |
SAFETY SPRING |
| 96 |
0230096 |
1 |
MAGAZINE SPRING |
| 97 |
0230097 |
1 |
BREECH BLOCK |
| 98 |
0220098 |
1 |
FIRING PIN |
| 101 |
0240101 |
1 |
LEVER SCREW |
| 105 |
0200105 |
2 |
REAR LINK PIN |
| 107 |
0200107 |
2 |
LEVER PIN |
| 108 |
0230108 |
1 |
EXTRACTOR PIN |
| 111 |
0240111 |
1 |
SAFETY SPRING PIN |
| 112 |
0200112 |
1 |
HAMMER LINK PIN |
| 113 |
0230113 |
1 |
MAGAZINE FOLLOWER |
| 114 |
0230114 |
1 |
MAGAZINE TUBE PLUG |
| 115 |
0200115 |
1 |
STIRRUP |
| 118 |
2008118 |
1 |
MAGAZINE TUBE |
| 123 |
0240123 |
1 |
SIDE PLATE SCREW |
| 124 |
0200124 |
2 |
LEVER SPRING SCREW |
| 127 |
0240127 |
1 |
LADLE |
| 128 |
0240128 |
1 |
LADLE SCREW |
| 134 |
0400134 |
2 |
GATE CATCH |
| 137 |
4500137 |
1 |
BASE PIN SPRING |
| 167 |
0240167 |
2 |
TRIGGERGUARD SCREW |
| 216 |
0242216 |
1 |
FOREND PROTECTION |
| 218 |
0240218 |
1 |
PROTECTION RUNNING |
| 224 |
0240224 |
1 |
PROTECTION RUNNING GUIDE |
| 225 |
0202225 |
1 |
FOREND PROTECTION BEARING |
| 233 |
0240233 |
1 |
PROTECTION RUNNING SCREW |
| 237 |
0240237 |
1 |
LEVER HOOK SPRING |
| 238 |
0240238 |
1 |
LEVER HOOK PIN |
| 240 |
0240240 |
1 |
TRIGGER & LEVER SCREW |
| 275 |
0202275 |
1 |
MAGAZINE TUBE BEARING |
| 281 |
0202281 |
1 |
MAGAZINE TUBE BEARING PIN |
| 283 |
0202283 |
2 |
FOREND PROTECTION SCREW |
| 284 |
0240284 |
1 |
PROTECTION RUNNING SPHERE |
| 542 |
0240542 |
1 |
LEVER HOOK |
| 692 |
0400692 |
2 |
HAND PIN SCREW |
| 721 |
0220721 |
1 |
FIRING PIN EXTENSION STOP |
| 2009 |
1873 SPORTING RIFLE .44/40 WITH CHECKERED PISTOL GRIP 18″ CAT.15671 |
18″ |
44-40 |

| N. |
Code No. |
Q.ty |
Description |
| 1 |
0240001 |
1 |
FRAME |
| 2 |
0240002 |
1 |
HAMMER |
| 3 |
2008003 |
1 |
BARREL 18″ .44/40 |
| 7 |
0230007 |
1 |
CARRIER BLOCK |
| 15 |
0202015 |
1 |
SIGHT |
| 16 |
0070016 |
1 |
SPRING |
| 19 |
0240019 |
1 |
TRIGGER SPRING |
| 20 |
0200020 |
1 |
MAIN SPRING |
| 26 |
0275026 |
1 |
PISTOL GRIP TRIGGERGUARD |
| 36 |
0200036 |
1 |
MAIN SPRING SCREW |
| 51 |
0100051 |
1 |
GRIP PIN |
| 53 |
0240053 |
1 |
MAIN SPRING ADJ.SCREW |
| 55 |
0242055 |
1 |
REAR |
| 57 |
0275057 |
1 |
W73 RIFLE CKECHERED PISTOL GRIP BUTT STOCK |
| 58 |
0242058 |
1 |
BUTT PLATE |
| 61 |
0242061 |
1 |
REAR SIGHT |
| 62 |
0200062 |
4 |
BUTT PLATE SCREW |
| 63 |
0275063 |
1 |
PISTOL GRIP TANG SCREW |
| 67 |
0240067 |
1 |
FIRING PIN EXTENSION |
| 68 |
0241068 |
1 |
FOREND |
| 73 |
0240073 |
1 |
RIGHT SIDE PLATE |
| 74 |
0240074 |
1 |
LEFT SIDE PLATE |
| 79 |
0240079 |
1 |
EXTRACTOR |
| 83 |
0220083 |
1 |
RIGHT REAR LINK |
| 84 |
0220084 |
1 |
LEFT REAR LINK |
| 85 |
0220085 |
1 |
RIGHT FRONT LINK |
| 86 |
0220086 |
1 |
LEFT FRONT LINK |
| 87 |
0240087 |
1 |
TRIGGER |
| 88 |
0240088 |
1 |
PLAIN SEAR |
| 89 |
0240089 |
1 |
LEVER |
| 90 |
0200090 |
1 |
LIFTER ARM |
| 91 |
0240091 |
1 |
SAFETY BAR |
| 92 |
0200092 |
1 |
RIGHT LEVER SPRING |
| 93 |
0200093 |
1 |
LEFT LEVER SPRING |
| 94 |
0240094 |
1 |
SAFETY SPRING |
| 96 |
0230096 |
1 |
MAGAZINE SPRING |
| 97 |
0230097 |
1 |
BREECH BLOCK |
| 98 |
0220098 |
1 |
FIRING PIN |
| 101 |
0240101 |
1 |
LEVER SCREW |
| 105 |
0200105 |
2 |
REAR LINK PIN |
| 107 |
0200107 |
2 |
LEVER PIN |
| 108 |
0230108 |
1 |
EXTRACTOR PIN |
| 111 |
0240111 |
1 |
SAFETY SPRING PIN |
| 112 |
0200112 |
1 |
HAMMER LINK PIN |
| 113 |
0230113 |
1 |
MAGAZINE FOLLOWER |
| 114 |
0230114 |
1 |
MAGAZINE TUBE PLUG |
| 115 |
0200115 |
1 |
STIRRUP |
| 118 |
2008118 |
1 |
MAGAZINE TUBE |
| 123 |
0240123 |
1 |
SIDE PLATE SCREW |
| 124 |
0200124 |
2 |
LEVER SPRING SCREW |
| 127 |
0240127 |
1 |
LADLE |
| 128 |
0240128 |
1 |
LADLE SCREW |
| 134 |
0400134 |
2 |
GATE CATCH |
| 137 |
4500137 |
1 |
BASE PIN SPRING |
| 167 |
0240167 |
2 |
TRIGGERGUARD SCREW |
| 216 |
0242216 |
1 |
FOREND PROTECTION |
| 218 |
0240218 |
1 |
PROTECTION RUNNING |
| 224 |
0240224 |
1 |
PROTECTION RUNNING GUIDE |
| 225 |
0202225 |
1 |
FOREND PROTECTION BEARING |
| 233 |
0240233 |
1 |
PROTECTION RUNNING SCREW |
| 237 |
0240237 |
1 |
LEVER HOOK SPRING |
| 238 |
0240238 |
1 |
LEVER HOOK PIN |
| 240 |
0240240 |
1 |
TRIGGER & LEVER SCREW |
| 275 |
0202275 |
1 |
MAGAZINE TUBE BEARING |
| 281 |
0202281 |
1 |
MAGAZINE TUBE BEARING PIN |
| 283 |
0202283 |
2 |
FOREND PROTECTION SCREW |
| 284 |
0240284 |
1 |
PROTECTION RUNNING SPHERE |
| 542 |
0240542 |
1 |
LEVER HOOK |
| 721 |
0220721 |
1 |
FIRING PIN EXTENSION STOP |
| 2010 |
1873 SPORTING RIFLE .357MAG 18″ CAT.15673 |
18″ |
357MAG |

| N. |
Code No. |
Q.ty |
Description |
| 1 |
0250001 |
1 |
FRAME |
| 2 |
0240002 |
1 |
HAMMER |
| 3 |
2010003 |
1 |
BARREL 18″ .357MAG |
| 7 |
0220007 |
1 |
CARRIER BLOCK .38SP/.357MAG. |
| 15 |
0202015 |
1 |
SIGHT |
| 16 |
0070016 |
1 |
SPRING |
| 19 |
0240019 |
1 |
TRIGGER SPRING |
| 20 |
0200020 |
1 |
MAIN SPRING |
| 26 |
0240026 |
1 |
TRIGGERGUARD |
| 36 |
0200036 |
1 |
MAIN SPRING SCREW |
| 51 |
0100051 |
1 |
GRIP PIN |
| 53 |
0240053 |
1 |
MAIN SPRING ADJ.SCREW |
| 55 |
0242055 |
1 |
REAR |
| 57 |
0242057 |
1 |
W73 RIFLE BUTT STOCK |
| 58 |
0242058 |
1 |
BUTT PLATE |
| 61 |
0242061 |
1 |
REAR SIGHT |
| 62 |
0200062 |
4 |
BUTT PLATE SCREW |
| 63 |
0240063 |
1 |
TANG SCREW |
| 67 |
0240067 |
1 |
FIRING PIN EXTENSION |
| 68 |
0241068 |
1 |
FOREND |
| 73 |
0240073 |
1 |
RIGHT SIDE PLATE |
| 74 |
0240074 |
1 |
LEFT SIDE PLATE |
| 79 |
0250079 |
1 |
EXTRACTOR |
| 83 |
0220083 |
1 |
RIGHT REAR LINK |
| 84 |
0220084 |
1 |
LEFT REAR LINK |
| 85 |
0220085 |
1 |
RIGHT FRONT LINK |
| 86 |
0220086 |
1 |
LEFT FRONT LINK |
| 87 |
0240087 |
1 |
TRIGGER |
| 88 |
0240088 |
1 |
PLAIN SEAR |
| 89 |
0240089 |
1 |
LEVER |
| 90 |
0200090 |
1 |
LIFTER ARM |
| 91 |
0240091 |
1 |
SAFETY BAR |
| 92 |
0200092 |
1 |
RIGHT LEVER SPRING |
| 93 |
0200093 |
1 |
LEFT LEVER SPRING |
| 94 |
0240094 |
1 |
SAFETY SPRING |
| 96 |
0230096 |
1 |
MAGAZINE SPRING |
| 97 |
0220097 |
1 |
BREECH BLOCK |
| 98 |
0220098 |
1 |
FIRING PIN |
| 101 |
0240101 |
1 |
LEVER SCREW |
| 105 |
0200105 |
2 |
REAR LINK PIN |
| 107 |
0200107 |
2 |
LEVER PIN |
| 108 |
0220108 |
1 |
EXTRACTOR PIN |
| 111 |
0240111 |
1 |
SAFETY SPRING PIN |
| 112 |
0200112 |
1 |
HAMMER LINK PIN |
| 113 |
0220113 |
1 |
MAGAZINE FOLLOWER |
| 114 |
0230114 |
1 |
MAGAZINE TUBE PLUG |
| 115 |
0200115 |
1 |
STIRRUP |
| 118 |
2008118 |
1 |
MAGAZINE TUBE |
| 123 |
0240123 |
1 |
SIDE PLATE SCREW |
| 124 |
0200124 |
2 |
LEVER SPRING SCREW |
| 127 |
0240127 |
1 |
LADLE |
| 128 |
0240128 |
1 |
LADLE SCREW |
| 134 |
0400134 |
2 |
GATE CATCH |
| 137 |
4500137 |
1 |
BASE PIN SPRING |
| 167 |
0240167 |
2 |
TRIGGERGUARD SCREW |
| 216 |
0242216 |
1 |
FOREND PROTECTION |
| 218 |
0240218 |
1 |
PROTECTION RUNNING |
| 224 |
0240224 |
1 |
PROTECTION RUNNING GUIDE |
| 225 |
0202225 |
1 |
FOREND PROTECTION BEARING |
| 233 |
0240233 |
1 |
PROTECTION RUNNING SCREW |
| 237 |
0240237 |
1 |
LEVER HOOK SPRING |
| 238 |
0240238 |
1 |
LEVER HOOK PIN |
| 240 |
0240240 |
1 |
TRIGGER & LEVER SCREW |
| 275 |
0202275 |
1 |
MAGAZINE TUBE BEARING |
| 281 |
0202281 |
1 |
MAGAZINE TUBE BEARING PIN |
| 283 |
0202283 |
2 |
FOREND PROTECTION SCREW |
| 284 |
0240284 |
1 |
PROTECTION RUNNING SPHERE |
| 542 |
0240542 |
1 |
LEVER HOOK |
| 692 |
0400692 |
2 |
HAND PIN SCREW |
| 721 |
0220721 |
1 |
FIRING PIN EXTENSION STOP |
| 2011 |
1873 SPORTING RIFLE .45COLT 18″ CAT.15672 |
18″ |
45LC |

| N. |
Code No. |
Q.ty |
Description |
| 1 |
0240001 |
1 |
FRAME |
| 2 |
0240002 |
1 |
HAMMER |
| 3 |
2011003 |
1 |
BARREL 18″ .45LC |
| 7 |
0230007 |
1 |
CARRIER BLOCK |
| 15 |
0202015 |
1 |
SIGHT |
| 16 |
0070016 |
1 |
SPRING |
| 19 |
0240019 |
1 |
TRIGGER SPRING |
| 20 |
0200020 |
1 |
MAIN SPRING |
| 26 |
0240026 |
1 |
TRIGGERGUARD |
| 36 |
0200036 |
1 |
MAIN SPRING SCREW |
| 51 |
0100051 |
1 |
GRIP PIN |
| 53 |
0240053 |
1 |
MAIN SPRING ADJ.SCREW |
| 55 |
0242055 |
1 |
REAR |
| 57 |
0242057 |
1 |
W73 RIFLE BUTT STOCK |
| 58 |
0242058 |
1 |
BUTT PLATE |
| 61 |
0242061 |
1 |
REAR SIGHT |
| 62 |
0200062 |
4 |
BUTT PLATE SCREW |
| 63 |
0240063 |
1 |
TANG SCREW |
| 67 |
0240067 |
1 |
FIRING PIN EXTENSION |
| 68 |
0241068 |
1 |
FOREND |
| 73 |
0240073 |
1 |
RIGHT SIDE PLATE |
| 74 |
0240074 |
1 |
LEFT SIDE PLATE |
| 79 |
0240079 |
1 |
EXTRACTOR |
| 83 |
0220083 |
1 |
RIGHT REAR LINK |
| 84 |
0220084 |
1 |
LEFT REAR LINK |
| 85 |
0220085 |
1 |
RIGHT FRONT LINK |
| 86 |
0220086 |
1 |
LEFT FRONT LINK |
| 87 |
0240087 |
1 |
TRIGGER |
| 88 |
0240088 |
1 |
PLAIN SEAR |
| 89 |
0240089 |
1 |
LEVER |
| 90 |
0200090 |
1 |
LIFTER ARM |
| 91 |
0240091 |
1 |
SAFETY BAR |
| 92 |
0200092 |
1 |
RIGHT LEVER SPRING |
| 93 |
0200093 |
1 |
LEFT LEVER SPRING |
| 94 |
0240094 |
1 |
SAFETY SPRING |
| 96 |
0230096 |
1 |
MAGAZINE SPRING |
| 97 |
0230097 |
1 |
BREECH BLOCK |
| 98 |
0220098 |
1 |
FIRING PIN |
| 101 |
0240101 |
1 |
LEVER SCREW |
| 105 |
0200105 |
2 |
REAR LINK PIN |
| 107 |
0200107 |
2 |
LEVER PIN |
| 108 |
0230108 |
1 |
EXTRACTOR PIN |
| 111 |
0240111 |
1 |
SAFETY SPRING PIN |
| 112 |
0200112 |
1 |
HAMMER LINK PIN |
| 113 |
0230113 |
1 |
MAGAZINE FOLLOWER |
| 114 |
0230114 |
1 |
MAGAZINE TUBE PLUG |
| 115 |
0200115 |
1 |
STIRRUP |
| 118 |
2008118 |
1 |
MAGAZINE TUBE |
| 123 |
0240123 |
1 |
SIDE PLATE SCREW |
| 124 |
0200124 |
2 |
LEVER SPRING SCREW |
| 127 |
0240127 |
1 |
LADLE |
| 128 |
0240128 |
1 |
LADLE SCREW |
| 134 |
0400134 |
2 |
GATE CATCH |
| 137 |
4500137 |
1 |
BASE PIN SPRING |
| 167 |
0240167 |
2 |
TRIGGERGUARD SCREW |
| 216 |
0242216 |
1 |
FOREND PROTECTION |
| 218 |
0240218 |
1 |
PROTECTION RUNNING |
| 224 |
0240224 |
1 |
PROTECTION RUNNING GUIDE |
| 225 |
0202225 |
1 |
FOREND PROTECTION BEARING |
| 233 |
0240233 |
1 |
PROTECTION RUNNING SCREW |
| 237 |
0240237 |
1 |
LEVER HOOK SPRING |
| 238 |
0240238 |
1 |
LEVER HOOK PIN |
| 240 |
0240240 |
1 |
TRIGGER & LEVER SCREW |
| 275 |
0202275 |
1 |
MAGAZINE TUBE BEARING |
| 281 |
0202281 |
1 |
MAGAZINE TUBE BEARING PIN |
| 283 |
0202283 |
2 |
FOREND PROTECTION SCREW |
| 284 |
0240284 |
1 |
PROTECTION RUNNING SPHERE |
| 542 |
0240542 |
1 |
LEVER HOOK |
| 692 |
0400692 |
2 |
HAND PIN SCREW |
| 721 |
0220721 |
1 |
FIRING PIN EXTENSION STOP |
| 2012 |
1873 SPORTING RIFLE .357MAG WITH CHECKERED PISTOL GRIP 18″ CAT.15673 |
18″ |
357MAG |

| N. |
Code No. |
Q.ty |
Description |
| 1 |
0250001 |
1 |
FRAME |
| 2 |
0240002 |
1 |
HAMMER |
| 3 |
2010003 |
1 |
BARREL 18″ .357MAG |
| 7 |
0220007 |
1 |
CARRIER BLOCK .38SP/.357MAG. |
| 15 |
0202015 |
1 |
SIGHT |
| 16 |
0070016 |
1 |
SPRING |
| 19 |
0240019 |
1 |
TRIGGER SPRING |
| 20 |
0200020 |
1 |
MAIN SPRING |
| 26 |
0275026 |
1 |
PISTOL GRIP TRIGGERGUARD |
| 36 |
0200036 |
1 |
MAIN SPRING SCREW |
| 51 |
0100051 |
1 |
GRIP PIN |
| 53 |
0240053 |
1 |
MAIN SPRING ADJ.SCREW |
| 55 |
0242055 |
1 |
REAR |
| 57 |
0275057 |
1 |
W73 RIFLE CKECHERED PISTOL GRIP BUTT STOCK |
| 58 |
0242058 |
1 |
BUTT PLATE |
| 61 |
0242061 |
1 |
REAR SIGHT |
| 62 |
0200062 |
4 |
BUTT PLATE SCREW |
| 63 |
0275063 |
1 |
PISTOL GRIP TANG SCREW |
| 67 |
0240067 |
1 |
FIRING PIN EXTENSION |
| 68 |
0241068 |
1 |
FOREND |
| 73 |
0240073 |
1 |
RIGHT SIDE PLATE |
| 74 |
0240074 |
1 |
LEFT SIDE PLATE |
| 79 |
0250079 |
1 |
EXTRACTOR |
| 83 |
0220083 |
1 |
RIGHT REAR LINK |
| 84 |
0220084 |
1 |
LEFT REAR LINK |
| 85 |
0220085 |
1 |
RIGHT FRONT LINK |
| 86 |
0220086 |
1 |
LEFT FRONT LINK |
| 87 |
0240087 |
1 |
TRIGGER |
| 88 |
0240088 |
1 |
PLAIN SEAR |
| 89 |
0240089 |
1 |
LEVER |
| 90 |
0200090 |
1 |
LIFTER ARM |
| 91 |
0240091 |
1 |
SAFETY BAR |
| 92 |
0200092 |
1 |
RIGHT LEVER SPRING |
| 93 |
0200093 |
1 |
LEFT LEVER SPRING |
| 94 |
0240094 |
1 |
SAFETY SPRING |
| 96 |
0230096 |
1 |
MAGAZINE SPRING |
| 97 |
0220097 |
1 |
BREECH BLOCK |
| 98 |
0220098 |
1 |
FIRING PIN |
| 101 |
0240101 |
1 |
LEVER SCREW |
| 105 |
0200105 |
2 |
REAR LINK PIN |
| 107 |
0200107 |
2 |
LEVER PIN |
| 108 |
0220108 |
1 |
EXTRACTOR PIN |
| 111 |
0240111 |
1 |
SAFETY SPRING PIN |
| 112 |
0200112 |
1 |
HAMMER LINK PIN |
| 113 |
0220113 |
1 |
MAGAZINE FOLLOWER |
| 114 |
0230114 |
1 |
MAGAZINE TUBE PLUG |
| 115 |
0200115 |
1 |
STIRRUP |
| 118 |
2008118 |
1 |
MAGAZINE TUBE |
| 123 |
0240123 |
1 |
SIDE PLATE SCREW |
| 124 |
0200124 |
2 |
LEVER SPRING SCREW |
| 127 |
0240127 |
1 |
LADLE |
| 128 |
0240128 |
1 |
LADLE SCREW |
| 134 |
0400134 |
2 |
GATE CATCH |
| 137 |
4500137 |
1 |
BASE PIN SPRING |
| 167 |
0240167 |
2 |
TRIGGERGUARD SCREW |
| 216 |
0242216 |
1 |
FOREND PROTECTION |
| 218 |
0240218 |
1 |
PROTECTION RUNNING |
| 224 |
0240224 |
1 |
PROTECTION RUNNING GUIDE |
| 225 |
0202225 |
1 |
FOREND PROTECTION BEARING |
| 233 |
0240233 |
1 |
PROTECTION RUNNING SCREW |
| 237 |
0240237 |
1 |
LEVER HOOK SPRING |
| 238 |
0240238 |
1 |
LEVER HOOK PIN |
| 240 |
0240240 |
1 |
TRIGGER & LEVER SCREW |
| 275 |
0202275 |
1 |
MAGAZINE TUBE BEARING |
| 281 |
0202281 |
1 |
MAGAZINE TUBE BEARING PIN |
| 283 |
0202283 |
2 |
FOREND PROTECTION SCREW |
| 284 |
0240284 |
1 |
PROTECTION RUNNING SPHERE |
| 542 |
0240542 |
1 |
LEVER HOOK |
| 721 |
0220721 |
1 |
FIRING PIN EXTENSION STOP |
| 2013 |
1873 SPORTING RIFLE .45COLT WITH CHECKERED PISTOL GRIP 18″ CAT.15672 |
18″ |
45LC |

| N. |
Code No. |
Q.ty |
Description |
| 1 |
0240001 |
1 |
FRAME |
| 2 |
0240002 |
1 |
HAMMER |
| 3 |
2011003 |
1 |
BARREL 18″ .45LC |
| 7 |
0230007 |
1 |
CARRIER BLOCK |
| 15 |
0202015 |
1 |
SIGHT |
| 16 |
0070016 |
1 |
SPRING |
| 19 |
0240019 |
1 |
TRIGGER SPRING |
| 20 |
0200020 |
1 |
MAIN SPRING |
| 26 |
0275026 |
1 |
PISTOL GRIP TRIGGERGUARD |
| 36 |
0200036 |
1 |
MAIN SPRING SCREW |
| 51 |
0100051 |
1 |
GRIP PIN |
| 53 |
0240053 |
1 |
MAIN SPRING ADJ.SCREW |
| 55 |
0242055 |
1 |
REAR |
| 57 |
0275057 |
1 |
W73 RIFLE CKECHERED PISTOL GRIP BUTT STOCK |
| 58 |
0242058 |
1 |
BUTT PLATE |
| 61 |
0242061 |
1 |
REAR SIGHT |
| 62 |
0200062 |
4 |
BUTT PLATE SCREW |
| 63 |
0275063 |
1 |
PISTOL GRIP TANG SCREW |
| 67 |
0240067 |
1 |
FIRING PIN EXTENSION |
| 68 |
0241068 |
1 |
FOREND |
| 73 |
0240073 |
1 |
RIGHT SIDE PLATE |
| 74 |
0240074 |
1 |
LEFT SIDE PLATE |
| 79 |
0240079 |
1 |
EXTRACTOR |
| 83 |
0220083 |
1 |
RIGHT REAR LINK |
| 84 |
0220084 |
1 |
LEFT REAR LINK |
| 85 |
0220085 |
1 |
RIGHT FRONT LINK |
| 86 |
0220086 |
1 |
LEFT FRONT LINK |
| 87 |
0240087 |
1 |
TRIGGER |
| 88 |
0240088 |
1 |
PLAIN SEAR |
| 89 |
0240089 |
1 |
LEVER |
| 90 |
0200090 |
1 |
LIFTER ARM |
| 91 |
0240091 |
1 |
SAFETY BAR |
| 92 |
0200092 |
1 |
RIGHT LEVER SPRING |
| 93 |
0200093 |
1 |
LEFT LEVER SPRING |
| 94 |
0240094 |
1 |
SAFETY SPRING |
| 96 |
0230096 |
1 |
MAGAZINE SPRING |
| 97 |
0230097 |
1 |
BREECH BLOCK |
| 98 |
0220098 |
1 |
FIRING PIN |
| 101 |
0240101 |
1 |
LEVER SCREW |
| 105 |
0200105 |
2 |
REAR LINK PIN |
| 107 |
0200107 |
2 |
LEVER PIN |
| 108 |
0230108 |
1 |
EXTRACTOR PIN |
| 111 |
0240111 |
1 |
SAFETY SPRING PIN |
| 112 |
0200112 |
1 |
HAMMER LINK PIN |
| 113 |
0230113 |
1 |
MAGAZINE FOLLOWER |
| 114 |
0230114 |
1 |
MAGAZINE TUBE PLUG |
| 115 |
0200115 |
1 |
STIRRUP |
| 118 |
2008118 |
1 |
MAGAZINE TUBE |
| 123 |
0240123 |
1 |
SIDE PLATE SCREW |
| 124 |
0200124 |
2 |
LEVER SPRING SCREW |
| 127 |
0240127 |
1 |
LADLE |
| 128 |
0240128 |
1 |
LADLE SCREW |
| 134 |
0400134 |
2 |
GATE CATCH |
| 137 |
4500137 |
1 |
BASE PIN SPRING |
| 167 |
0240167 |
2 |
TRIGGERGUARD SCREW |
| 216 |
0242216 |
1 |
FOREND PROTECTION |
| 218 |
0240218 |
1 |
PROTECTION RUNNING |
| 224 |
0240224 |
1 |
PROTECTION RUNNING GUIDE |
| 225 |
0202225 |
1 |
FOREND PROTECTION BEARING |
| 233 |
0240233 |
1 |
PROTECTION RUNNING SCREW |
| 237 |
0240237 |
1 |
LEVER HOOK SPRING |
| 238 |
0240238 |
1 |
LEVER HOOK PIN |
| 240 |
0240240 |
1 |
TRIGGER & LEVER SCREW |
| 275 |
0202275 |
1 |
MAGAZINE TUBE BEARING |
| 281 |
0202281 |
1 |
MAGAZINE TUBE BEARING PIN |
| 283 |
0202283 |
2 |
FOREND PROTECTION SCREW |
| 284 |
0240284 |
1 |
PROTECTION RUNNING SPHERE |
| 542 |
0240542 |
1 |
LEVER HOOK |
| 721 |
0220721 |
1 |
FIRING PIN EXTENSION STOP |
| 2014 |
1873 SPORTING RIFLE-HALF BBL.45COLT 20″ CAT.5989 |
20″ |
45LC |

| N. |
Code No. |
Q.ty |
Description |
| 1 |
0240001 |
1 |
FRAME |
| 2 |
0240002 |
1 |
HAMMER |
| 3 |
2014003 |
1 |
BARREL HALF .45LC 20″ |
| 7 |
0230007 |
1 |
CARRIER BLOCK |
| 15 |
0202015 |
1 |
SIGHT |
| 16 |
0070016 |
1 |
SPRING |
| 19 |
0240019 |
1 |
TRIGGER SPRING |
| 20 |
0200020 |
1 |
MAIN SPRING |
| 26 |
0240026 |
1 |
TRIGGERGUARD |
| 36 |
0200036 |
1 |
MAIN SPRING SCREW |
| 51 |
0100051 |
1 |
GRIP PIN |
| 53 |
0240053 |
1 |
MAIN SPRING ADJ.SCREW |
| 55 |
0242055 |
1 |
REAR |
| 57 |
0242057 |
1 |
W73 RIFLE BUTT STOCK |
| 58 |
0242058 |
1 |
BUTT PLATE |
| 61 |
0242061 |
1 |
REAR SIGHT |
| 62 |
0200062 |
4 |
BUTT PLATE SCREW |
| 63 |
0240063 |
1 |
TANG SCREW |
| 67 |
0240067 |
1 |
FIRING PIN EXTENSION |
| 68 |
0241068 |
1 |
FOREND |
| 73 |
0240073 |
1 |
RIGHT SIDE PLATE |
| 74 |
0240074 |
1 |
LEFT SIDE PLATE |
| 79 |
0240079 |
1 |
EXTRACTOR |
| 83 |
0220083 |
1 |
RIGHT REAR LINK |
| 84 |
0220084 |
1 |
LEFT REAR LINK |
| 85 |
0220085 |
1 |
RIGHT FRONT LINK |
| 86 |
0220086 |
1 |
LEFT FRONT LINK |
| 87 |
0240087 |
1 |
TRIGGER |
| 88 |
0240088 |
1 |
PLAIN SEAR |
| 89 |
0240089 |
1 |
LEVER |
| 90 |
0200090 |
1 |
LIFTER ARM |
| 91 |
0240091 |
1 |
SAFETY BAR |
| 92 |
0200092 |
1 |
RIGHT LEVER SPRING |
| 93 |
0200093 |
1 |
LEFT LEVER SPRING |
| 94 |
0240094 |
1 |
SAFETY SPRING |
| 96 |
0230096 |
1 |
MAGAZINE SPRING |
| 97 |
0230097 |
1 |
BREECH BLOCK |
| 98 |
0220098 |
1 |
FIRING PIN |
| 101 |
0240101 |
1 |
LEVER SCREW |
| 105 |
0200105 |
2 |
REAR LINK PIN |
| 107 |
0200107 |
2 |
LEVER PIN |
| 108 |
0230108 |
1 |
EXTRACTOR PIN |
| 111 |
0240111 |
1 |
SAFETY SPRING PIN |
| 112 |
0200112 |
1 |
HAMMER LINK PIN |
| 113 |
0230113 |
1 |
MAGAZINE FOLLOWER |
| 114 |
0230114 |
1 |
MAGAZINE TUBE PLUG |
| 115 |
0200115 |
1 |
STIRRUP |
| 118 |
0241118 |
1 |
MAGAZINE TUBE |
| 123 |
0240123 |
1 |
SIDE PLATE SCREW |
| 124 |
0200124 |
2 |
LEVER SPRING SCREW |
| 127 |
0240127 |
1 |
LADLE |
| 128 |
0240128 |
1 |
LADLE SCREW |
| 134 |
0400134 |
2 |
GATE CATCH |
| 137 |
4500137 |
1 |
BASE PIN SPRING |
| 167 |
0240167 |
2 |
TRIGGERGUARD SCREW |
| 216 |
0242216 |
1 |
FOREND PROTECTION |
| 218 |
0240218 |
1 |
PROTECTION RUNNING |
| 224 |
0240224 |
1 |
PROTECTION RUNNING GUIDE |
| 225 |
0202225 |
1 |
FOREND PROTECTION BEARING |
| 233 |
0240233 |
1 |
PROTECTION RUNNING SCREW |
| 237 |
0240237 |
1 |
LEVER HOOK SPRING |
| 238 |
0240238 |
1 |
LEVER HOOK PIN |
| 240 |
0240240 |
1 |
TRIGGER & LEVER SCREW |
| 283 |
0202283 |
2 |
FOREND PROTECTION SCREW |
| 284 |
0240284 |
1 |
PROTECTION RUNNING SPHERE |
| 542 |
0240542 |
1 |
LEVER HOOK |
| 692 |
0400692 |
2 |
HAND PIN SCREW |
| 721 |
0220721 |
1 |
FIRING PIN EXTENSION STOP |
| 2015 |
1873 SPORTING RIFLE-HALF BBL.44-40 20″ CAT.5987 |
20″ |
44-40 |

| N. |
Code No. |
Q.ty |
Description |
| 1 |
0240001 |
1 |
FRAME |
| 2 |
0240002 |
1 |
HAMMER |
| 3 |
2015003 |
1 |
BARREL HALF .44/40 20″ |
| 7 |
0230007 |
1 |
CARRIER BLOCK |
| 15 |
0202015 |
1 |
SIGHT |
| 16 |
0070016 |
1 |
SPRING |
| 19 |
0240019 |
1 |
TRIGGER SPRING |
| 20 |
0200020 |
1 |
MAIN SPRING |
| 26 |
0240026 |
1 |
TRIGGERGUARD |
| 36 |
0200036 |
1 |
MAIN SPRING SCREW |
| 51 |
0100051 |
1 |
GRIP PIN |
| 53 |
0240053 |
1 |
MAIN SPRING ADJ.SCREW |
| 55 |
0242055 |
1 |
REAR |
| 57 |
0242057 |
1 |
W73 RIFLE BUTT STOCK |
| 58 |
0242058 |
1 |
BUTT PLATE |
| 61 |
0242061 |
1 |
REAR SIGHT |
| 62 |
0200062 |
4 |
BUTT PLATE SCREW |
| 63 |
0240063 |
1 |
TANG SCREW |
| 67 |
0240067 |
1 |
FIRING PIN EXTENSION |
| 68 |
0241068 |
1 |
FOREND |
| 73 |
0240073 |
1 |
RIGHT SIDE PLATE |
| 74 |
0240074 |
1 |
LEFT SIDE PLATE |
| 79 |
0240079 |
1 |
EXTRACTOR |
| 83 |
0220083 |
1 |
RIGHT REAR LINK |
| 84 |
0220084 |
1 |
LEFT REAR LINK |
| 85 |
0220085 |
1 |
RIGHT FRONT LINK |
| 86 |
0220086 |
1 |
LEFT FRONT LINK |
| 87 |
0240087 |
1 |
TRIGGER |
| 88 |
0240088 |
1 |
PLAIN SEAR |
| 89 |
0240089 |
1 |
LEVER |
| 90 |
0200090 |
1 |
LIFTER ARM |
| 91 |
0240091 |
1 |
SAFETY BAR |
| 92 |
0200092 |
1 |
RIGHT LEVER SPRING |
| 93 |
0200093 |
1 |
LEFT LEVER SPRING |
| 94 |
0240094 |
1 |
SAFETY SPRING |
| 96 |
0230096 |
1 |
MAGAZINE SPRING |
| 97 |
0230097 |
1 |
BREECH BLOCK |
| 98 |
0220098 |
1 |
FIRING PIN |
| 101 |
0240101 |
1 |
LEVER SCREW |
| 105 |
0200105 |
2 |
REAR LINK PIN |
| 107 |
0200107 |
2 |
LEVER PIN |
| 108 |
0230108 |
1 |
EXTRACTOR PIN |
| 111 |
0240111 |
1 |
SAFETY SPRING PIN |
| 112 |
0200112 |
1 |
HAMMER LINK PIN |
| 113 |
0230113 |
1 |
MAGAZINE FOLLOWER |
| 114 |
0230114 |
1 |
MAGAZINE TUBE PLUG |
| 115 |
0200115 |
1 |
STIRRUP |
| 118 |
0241118 |
1 |
MAGAZINE TUBE |
| 123 |
0240123 |
1 |
SIDE PLATE SCREW |
| 124 |
0200124 |
2 |
LEVER SPRING SCREW |
| 127 |
0240127 |
1 |
LADLE |
| 128 |
0240128 |
1 |
LADLE SCREW |
| 134 |
0400134 |
2 |
GATE CATCH |
| 137 |
4500137 |
1 |
BASE PIN SPRING |
| 167 |
0240167 |
2 |
TRIGGERGUARD SCREW |
| 216 |
0242216 |
1 |
FOREND PROTECTION |
| 218 |
0240218 |
1 |
PROTECTION RUNNING |
| 224 |
0240224 |
1 |
PROTECTION RUNNING GUIDE |
| 225 |
0202225 |
1 |
FOREND PROTECTION BEARING |
| 233 |
0240233 |
1 |
PROTECTION RUNNING SCREW |
| 237 |
0240237 |
1 |
LEVER HOOK SPRING |
| 238 |
0240238 |
1 |
LEVER HOOK PIN |
| 240 |
0240240 |
1 |
TRIGGER & LEVER SCREW |
| 283 |
0202283 |
2 |
FOREND PROTECTION SCREW |
| 284 |
0240284 |
1 |
PROTECTION RUNNING SPHERE |
| 542 |
0240542 |
1 |
LEVER HOOK |
| 692 |
0400692 |
2 |
HAND PIN SCREW |
| 721 |
0220721 |
1 |
FIRING PIN EXTENSION STOP |
| 2016 |
1873 SPORTING RIFLE-HALF BBL.357MAG 20″ CAT.5991 |
20″ |
357MAG |

| N. |
Code No. |
Q.ty |
Description |
| 1 |
0250001 |
1 |
FRAME |
| 2 |
0240002 |
1 |
HAMMER |
| 3 |
2016003 |
1 |
BARREL HALF .357MAG 20″ |
| 7 |
0220007 |
1 |
CARRIER BLOCK .38SP/.357MAG. |
| 15 |
0202015 |
1 |
SIGHT |
| 16 |
0070016 |
1 |
SPRING |
| 19 |
0240019 |
1 |
TRIGGER SPRING |
| 20 |
0200020 |
1 |
MAIN SPRING |
| 26 |
0240026 |
1 |
TRIGGERGUARD |
| 36 |
0200036 |
1 |
MAIN SPRING SCREW |
| 51 |
0100051 |
1 |
GRIP PIN |
| 53 |
0240053 |
1 |
MAIN SPRING ADJ.SCREW |
| 55 |
0242055 |
1 |
REAR |
| 57 |
0242057 |
1 |
W73 RIFLE BUTT STOCK |
| 58 |
0242058 |
1 |
BUTT PLATE |
| 61 |
0242061 |
1 |
REAR SIGHT |
| 62 |
0200062 |
4 |
BUTT PLATE SCREW |
| 63 |
0240063 |
1 |
TANG SCREW |
| 67 |
0240067 |
1 |
FIRING PIN EXTENSION |
| 68 |
0241068 |
1 |
FOREND |
| 73 |
0240073 |
1 |
RIGHT SIDE PLATE |
| 74 |
0240074 |
1 |
LEFT SIDE PLATE |
| 79 |
0250079 |
1 |
EXTRACTOR |
| 83 |
0220083 |
1 |
RIGHT REAR LINK |
| 84 |
0220084 |
1 |
LEFT REAR LINK |
| 85 |
0220085 |
1 |
RIGHT FRONT LINK |
| 86 |
0220086 |
1 |
LEFT FRONT LINK |
| 87 |
0240087 |
1 |
TRIGGER |
| 88 |
0240088 |
1 |
PLAIN SEAR |
| 89 |
0240089 |
1 |
LEVER |
| 90 |
0200090 |
1 |
LIFTER ARM |
| 91 |
0240091 |
1 |
SAFETY BAR |
| 92 |
0200092 |
1 |
RIGHT LEVER SPRING |
| 93 |
0200093 |
1 |
LEFT LEVER SPRING |
| 94 |
0240094 |
1 |
SAFETY SPRING |
| 96 |
0230096 |
1 |
MAGAZINE SPRING |
| 97 |
0220097 |
1 |
BREECH BLOCK |
| 98 |
0220098 |
1 |
FIRING PIN |
| 101 |
0240101 |
1 |
LEVER SCREW |
| 105 |
0200105 |
2 |
REAR LINK PIN |
| 107 |
0200107 |
2 |
LEVER PIN |
| 108 |
0220108 |
1 |
EXTRACTOR PIN |
| 111 |
0240111 |
1 |
SAFETY SPRING PIN |
| 112 |
0200112 |
1 |
HAMMER LINK PIN |
| 113 |
0220113 |
1 |
MAGAZINE FOLLOWER |
| 114 |
0230114 |
1 |
MAGAZINE TUBE PLUG |
| 115 |
0200115 |
1 |
STIRRUP |
| 118 |
0241118 |
1 |
MAGAZINE TUBE |
| 123 |
0240123 |
1 |
SIDE PLATE SCREW |
| 124 |
0200124 |
2 |
LEVER SPRING SCREW |
| 127 |
0240127 |
1 |
LADLE |
| 128 |
0240128 |
1 |
LADLE SCREW |
| 134 |
0400134 |
2 |
GATE CATCH |
| 137 |
4500137 |
1 |
BASE PIN SPRING |
| 167 |
0240167 |
2 |
TRIGGERGUARD SCREW |
| 216 |
0242216 |
1 |
FOREND PROTECTION |
| 218 |
0240218 |
1 |
PROTECTION RUNNING |
| 224 |
0240224 |
1 |
PROTECTION RUNNING GUIDE |
| 225 |
0202225 |
1 |
FOREND PROTECTION BEARING |
| 233 |
0240233 |
1 |
PROTECTION RUNNING SCREW |
| 237 |
0240237 |
1 |
LEVER HOOK SPRING |
| 238 |
0240238 |
1 |
LEVER HOOK PIN |
| 240 |
0240240 |
1 |
TRIGGER & LEVER SCREW |
| 283 |
0202283 |
2 |
FOREND PROTECTION SCREW |
| 284 |
0240284 |
1 |
PROTECTION RUNNING SPHERE |
| 542 |
0240542 |
1 |
LEVER HOOK |
| 692 |
0400692 |
2 |
HAND PIN SCREW |
| 721 |
0220721 |
1 |
FIRING PIN EXTENSION STOP |
| 2017 |
1873 SPORTING RIFLE-HALF BBL.45COLT WITH CHECKERED PISTOL GRIP 20″ CAT.5989 |
20″ |
45LC |

| N. |
Code No. |
Q.ty |
Description |
| 1 |
0240001 |
1 |
FRAME |
| 2 |
0240002 |
1 |
HAMMER |
| 3 |
2014003 |
1 |
BARREL HALF .45LC 20″ |
| 7 |
0230007 |
1 |
CARRIER BLOCK |
| 15 |
0202015 |
1 |
SIGHT |
| 16 |
0070016 |
1 |
SPRING |
| 19 |
0240019 |
1 |
TRIGGER SPRING |
| 20 |
0200020 |
1 |
MAIN SPRING |
| 26 |
0275026 |
1 |
PISTOL GRIP TRIGGERGUARD |
| 36 |
0200036 |
1 |
MAIN SPRING SCREW |
| 51 |
0100051 |
1 |
GRIP PIN |
| 53 |
0240053 |
1 |
MAIN SPRING ADJ.SCREW |
| 55 |
0242055 |
1 |
REAR |
| 57 |
0275057 |
1 |
W73 RIFLE CKECHERED PISTOL GRIP BUTT STOCK |
| 58 |
0242058 |
1 |
BUTT PLATE |
| 61 |
0242061 |
1 |
REAR SIGHT |
| 62 |
0200062 |
4 |
BUTT PLATE SCREW |
| 63 |
0275063 |
1 |
PISTOL GRIP TANG SCREW |
| 67 |
0240067 |
1 |
FIRING PIN EXTENSION |
| 68 |
0241068 |
1 |
FOREND |
| 73 |
0240073 |
1 |
RIGHT SIDE PLATE |
| 74 |
0240074 |
1 |
LEFT SIDE PLATE |
| 79 |
0240079 |
1 |
EXTRACTOR |
| 83 |
0220083 |
1 |
RIGHT REAR LINK |
| 84 |
0220084 |
1 |
LEFT REAR LINK |
| 85 |
0220085 |
1 |
RIGHT FRONT LINK |
| 86 |
0220086 |
1 |
LEFT FRONT LINK |
| 87 |
0240087 |
1 |
TRIGGER |
| 88 |
0240088 |
1 |
PLAIN SEAR |
| 89 |
0240089 |
1 |
LEVER |
| 90 |
0200090 |
1 |
LIFTER ARM |
| 91 |
0240091 |
1 |
SAFETY BAR |
| 92 |
0200092 |
1 |
RIGHT LEVER SPRING |
| 93 |
0200093 |
1 |
LEFT LEVER SPRING |
| 94 |
0240094 |
1 |
SAFETY SPRING |
| 96 |
0230096 |
1 |
MAGAZINE SPRING |
| 97 |
0230097 |
1 |
BREECH BLOCK |
| 98 |
0220098 |
1 |
FIRING PIN |
| 101 |
0240101 |
1 |
LEVER SCREW |
| 105 |
0200105 |
2 |
REAR LINK PIN |
| 107 |
0200107 |
2 |
LEVER PIN |
| 108 |
0230108 |
1 |
EXTRACTOR PIN |
| 111 |
0240111 |
1 |
SAFETY SPRING PIN |
| 112 |
0200112 |
1 |
HAMMER LINK PIN |
| 113 |
0230113 |
1 |
MAGAZINE FOLLOWER |
| 114 |
0230114 |
1 |
MAGAZINE TUBE PLUG |
| 115 |
0200115 |
1 |
STIRRUP |
| 118 |
0241118 |
1 |
MAGAZINE TUBE |
| 123 |
0240123 |
1 |
SIDE PLATE SCREW |
| 124 |
0200124 |
2 |
LEVER SPRING SCREW |
| 127 |
0240127 |
1 |
LADLE |
| 128 |
0240128 |
1 |
LADLE SCREW |
| 134 |
0400134 |
2 |
GATE CATCH |
| 137 |
4500137 |
1 |
BASE PIN SPRING |
| 167 |
0240167 |
2 |
TRIGGERGUARD SCREW |
| 216 |
0242216 |
1 |
FOREND PROTECTION |
| 218 |
0240218 |
1 |
PROTECTION RUNNING |
| 224 |
0240224 |
1 |
PROTECTION RUNNING GUIDE |
| 225 |
0202225 |
1 |
FOREND PROTECTION BEARING |
| 233 |
0240233 |
1 |
PROTECTION RUNNING SCREW |
| 237 |
0240237 |
1 |
LEVER HOOK SPRING |
| 238 |
0240238 |
1 |
LEVER HOOK PIN |
| 240 |
0240240 |
1 |
TRIGGER & LEVER SCREW |
| 283 |
0202283 |
2 |
FOREND PROTECTION SCREW |
| 284 |
0240284 |
1 |
PROTECTION RUNNING SPHERE |
| 542 |
0240542 |
1 |
LEVER HOOK |
| 692 |
0400692 |
2 |
HAND PIN SCREW |
| 721 |
0220721 |
1 |
FIRING PIN EXTENSION STOP |
| 2018 |
1873 SPORTING RIFLE-HALF BBL.44/40 WITH CHECKERED PISTOL GRIP 20″ CAT.5987 |
20″ |
44-40 |

| N. |
Code No. |
Q.ty |
Description |
| 1 |
0240001 |
1 |
FRAME |
| 2 |
0240002 |
1 |
HAMMER |
| 3 |
2015003 |
1 |
BARREL HALF .44/40 20″ |
| 7 |
0230007 |
1 |
CARRIER BLOCK |
| 15 |
0202015 |
1 |
SIGHT |
| 16 |
0070016 |
1 |
SPRING |
| 19 |
0240019 |
1 |
TRIGGER SPRING |
| 20 |
0200020 |
1 |
MAIN SPRING |
| 26 |
0275026 |
1 |
PISTOL GRIP TRIGGERGUARD |
| 36 |
0200036 |
1 |
MAIN SPRING SCREW |
| 51 |
0100051 |
1 |
GRIP PIN |
| 53 |
0240053 |
1 |
MAIN SPRING ADJ.SCREW |
| 55 |
0242055 |
1 |
REAR |
| 57 |
0275057 |
1 |
W73 RIFLE CKECHERED PISTOL GRIP BUTT STOCK |
| 58 |
0242058 |
1 |
BUTT PLATE |
| 61 |
0242061 |
1 |
REAR SIGHT |
| 62 |
0200062 |
4 |
BUTT PLATE SCREW |
| 63 |
0275063 |
1 |
PISTOL GRIP TANG SCREW |
| 67 |
0240067 |
1 |
FIRING PIN EXTENSION |
| 68 |
0241068 |
1 |
FOREND |
| 73 |
0240073 |
1 |
RIGHT SIDE PLATE |
| 74 |
0240074 |
1 |
LEFT SIDE PLATE |
| 79 |
0240079 |
1 |
EXTRACTOR |
| 83 |
0220083 |
1 |
RIGHT REAR LINK |
| 84 |
0220084 |
1 |
LEFT REAR LINK |
| 85 |
0220085 |
1 |
RIGHT FRONT LINK |
| 86 |
0220086 |
1 |
LEFT FRONT LINK |
| 87 |
0240087 |
1 |
TRIGGER |
| 88 |
0240088 |
1 |
PLAIN SEAR |
| 89 |
0240089 |
1 |
LEVER |
| 90 |
0200090 |
1 |
LIFTER ARM |
| 91 |
0240091 |
1 |
SAFETY BAR |
| 92 |
0200092 |
1 |
RIGHT LEVER SPRING |
| 93 |
0200093 |
1 |
LEFT LEVER SPRING |
| 94 |
0240094 |
1 |
SAFETY SPRING |
| 96 |
0230096 |
1 |
MAGAZINE SPRING |
| 97 |
0230097 |
1 |
BREECH BLOCK |
| 98 |
0220098 |
1 |
FIRING PIN |
| 101 |
0240101 |
1 |
LEVER SCREW |
| 105 |
0200105 |
2 |
REAR LINK PIN |
| 107 |
0200107 |
2 |
LEVER PIN |
| 108 |
0230108 |
1 |
EXTRACTOR PIN |
| 111 |
0240111 |
1 |
SAFETY SPRING PIN |
| 112 |
0200112 |
1 |
HAMMER LINK PIN |
| 113 |
0230113 |
1 |
MAGAZINE FOLLOWER |
| 114 |
0230114 |
1 |
MAGAZINE TUBE PLUG |
| 115 |
0200115 |
1 |
STIRRUP |
| 118 |
0241118 |
1 |
MAGAZINE TUBE |
| 123 |
0240123 |
1 |
SIDE PLATE SCREW |
| 124 |
0200124 |
2 |
LEVER SPRING SCREW |
| 127 |
0240127 |
1 |
LADLE |
| 128 |
0240128 |
1 |
LADLE SCREW |
| 134 |
0400134 |
2 |
GATE CATCH |
| 137 |
4500137 |
1 |
BASE PIN SPRING |
| 167 |
0240167 |
2 |
TRIGGERGUARD SCREW |
| 216 |
0242216 |
1 |
FOREND PROTECTION |
| 218 |
0240218 |
1 |
PROTECTION RUNNING |
| 224 |
0240224 |
1 |
PROTECTION RUNNING GUIDE |
| 225 |
0202225 |
1 |
FOREND PROTECTION BEARING |
| 233 |
0240233 |
1 |
PROTECTION RUNNING SCREW |
| 237 |
0240237 |
1 |
LEVER HOOK SPRING |
| 238 |
0240238 |
1 |
LEVER HOOK PIN |
| 240 |
0240240 |
1 |
TRIGGER & LEVER SCREW |
| 283 |
0202283 |
2 |
FOREND PROTECTION SCREW |
| 284 |
0240284 |
1 |
PROTECTION RUNNING SPHERE |
| 542 |
0240542 |
1 |
LEVER HOOK |
| 692 |
0400692 |
2 |
HAND PIN SCREW |
| 721 |
0220721 |
1 |
FIRING PIN EXTENSION STOP |
| 2019 |
1873 SPORTING RIFLE-HALF BBL.357MAG WITH CHECKERED PISTOL GRIP 20″ CAT.5991 |
20″ |
357MAG |

| N. |
Code No. |
Q.ty |
Description |
| 1 |
0250001 |
1 |
FRAME |
| 2 |
0240002 |
1 |
HAMMER |
| 3 |
2016003 |
1 |
BARREL HALF .357MAG 20″ |
| 7 |
0220007 |
1 |
CARRIER BLOCK .38SP/.357MAG. |
| 15 |
0202015 |
1 |
SIGHT |
| 16 |
0070016 |
1 |
SPRING |
| 19 |
0240019 |
1 |
TRIGGER SPRING |
| 20 |
0200020 |
1 |
MAIN SPRING |
| 26 |
0275026 |
1 |
PISTOL GRIP TRIGGERGUARD |
| 36 |
0200036 |
1 |
MAIN SPRING SCREW |
| 51 |
0100051 |
1 |
GRIP PIN |
| 53 |
0240053 |
1 |
MAIN SPRING ADJ.SCREW |
| 55 |
0242055 |
1 |
REAR |
| 57 |
0275057 |
1 |
W73 RIFLE CKECHERED PISTOL GRIP BUTT STOCK |
| 58 |
0242058 |
1 |
BUTT PLATE |
| 61 |
0242061 |
1 |
REAR SIGHT |
| 62 |
0200062 |
4 |
BUTT PLATE SCREW |
| 63 |
0275063 |
1 |
PISTOL GRIP TANG SCREW |
| 67 |
0240067 |
1 |
FIRING PIN EXTENSION |
| 68 |
0241068 |
1 |
FOREND |
| 73 |
0240073 |
1 |
RIGHT SIDE PLATE |
| 74 |
0240074 |
1 |
LEFT SIDE PLATE |
| 79 |
0250079 |
1 |
EXTRACTOR |
| 83 |
0220083 |
1 |
RIGHT REAR LINK |
| 84 |
0220084 |
1 |
LEFT REAR LINK |
| 85 |
0220085 |
1 |
RIGHT FRONT LINK |
| 86 |
0220086 |
1 |
LEFT FRONT LINK |
| 87 |
0240087 |
1 |
TRIGGER |
| 88 |
0240088 |
1 |
PLAIN SEAR |
| 89 |
0240089 |
1 |
LEVER |
| 90 |
0200090 |
1 |
LIFTER ARM |
| 91 |
0240091 |
1 |
SAFETY BAR |
| 92 |
0200092 |
1 |
RIGHT LEVER SPRING |
| 93 |
0200093 |
1 |
LEFT LEVER SPRING |
| 94 |
0240094 |
1 |
SAFETY SPRING |
| 96 |
0230096 |
1 |
MAGAZINE SPRING |
| 97 |
0220097 |
1 |
BREECH BLOCK |
| 98 |
0220098 |
1 |
FIRING PIN |
| 101 |
0240101 |
1 |
LEVER SCREW |
| 105 |
0200105 |
2 |
REAR LINK PIN |
| 107 |
0200107 |
2 |
LEVER PIN |
| 108 |
0220108 |
1 |
EXTRACTOR PIN |
| 111 |
0240111 |
1 |
SAFETY SPRING PIN |
| 112 |
0200112 |
1 |
HAMMER LINK PIN |
| 113 |
0220113 |
1 |
MAGAZINE FOLLOWER |
| 114 |
0230114 |
1 |
MAGAZINE TUBE PLUG |
| 115 |
0200115 |
1 |
STIRRUP |
| 118 |
0241118 |
1 |
MAGAZINE TUBE |
| 123 |
0240123 |
1 |
SIDE PLATE SCREW |
| 124 |
0200124 |
2 |
LEVER SPRING SCREW |
| 127 |
0240127 |
1 |
LADLE |
| 128 |
0240128 |
1 |
LADLE SCREW |
| 134 |
0400134 |
2 |
GATE CATCH |
| 137 |
4500137 |
1 |
BASE PIN SPRING |
| 167 |
0240167 |
2 |
TRIGGERGUARD SCREW |
| 216 |
0242216 |
1 |
FOREND PROTECTION |
| 218 |
0240218 |
1 |
PROTECTION RUNNING |
| 224 |
0240224 |
1 |
PROTECTION RUNNING GUIDE |
| 225 |
0202225 |
1 |
FOREND PROTECTION BEARING |
| 233 |
0240233 |
1 |
PROTECTION RUNNING SCREW |
| 237 |
0240237 |
1 |
LEVER HOOK SPRING |
| 238 |
0240238 |
1 |
LEVER HOOK PIN |
| 240 |
0240240 |
1 |
TRIGGER & LEVER SCREW |
| 283 |
0202283 |
2 |
FOREND PROTECTION SCREW |
| 284 |
0240284 |
1 |
PROTECTION RUNNING SPHERE |
| 542 |
0240542 |
1 |
LEVER HOOK |
| 692 |
0400692 |
2 |
HAND PIN SCREW |
| 721 |
0220721 |
1 |
FIRING PIN EXTENSION STOP |
| 2020 |
1873 SPORTING RIFLE-HALF BBL.45COLT 18″ CAT.15672 |
18″ |
45LC |

| N. |
Code No. |
Q.ty |
Description |
| 1 |
0240001 |
1 |
FRAME |
| 2 |
0240002 |
1 |
HAMMER |
| 3 |
2020003 |
1 |
BARREL HALF .45LC 18″ |
| 7 |
0230007 |
1 |
CARRIER BLOCK |
| 15 |
0202015 |
1 |
SIGHT |
| 16 |
0070016 |
1 |
SPRING |
| 19 |
0240019 |
1 |
TRIGGER SPRING |
| 20 |
0200020 |
1 |
MAIN SPRING |
| 26 |
0240026 |
1 |
TRIGGERGUARD |
| 36 |
0200036 |
1 |
MAIN SPRING SCREW |
| 51 |
0100051 |
1 |
GRIP PIN |
| 53 |
0240053 |
1 |
MAIN SPRING ADJ.SCREW |
| 55 |
0242055 |
1 |
REAR |
| 57 |
0242057 |
1 |
W73 RIFLE BUTT STOCK |
| 58 |
0242058 |
1 |
BUTT PLATE |
| 61 |
0242061 |
1 |
REAR SIGHT |
| 62 |
0200062 |
4 |
BUTT PLATE SCREW |
| 63 |
0240063 |
1 |
TANG SCREW |
| 67 |
0240067 |
1 |
FIRING PIN EXTENSION |
| 68 |
0241068 |
1 |
FOREND |
| 73 |
0240073 |
1 |
RIGHT SIDE PLATE |
| 74 |
0240074 |
1 |
LEFT SIDE PLATE |
| 79 |
0240079 |
1 |
EXTRACTOR |
| 83 |
0220083 |
1 |
RIGHT REAR LINK |
| 84 |
0220084 |
1 |
LEFT REAR LINK |
| 85 |
0220085 |
1 |
RIGHT FRONT LINK |
| 86 |
0220086 |
1 |
LEFT FRONT LINK |
| 87 |
0240087 |
1 |
TRIGGER |
| 88 |
0240088 |
1 |
PLAIN SEAR |
| 89 |
0240089 |
1 |
LEVER |
| 90 |
0200090 |
1 |
LIFTER ARM |
| 91 |
0240091 |
1 |
SAFETY BAR |
| 92 |
0200092 |
1 |
RIGHT LEVER SPRING |
| 93 |
0200093 |
1 |
LEFT LEVER SPRING |
| 94 |
0240094 |
1 |
SAFETY SPRING |
| 96 |
0230096 |
1 |
MAGAZINE SPRING |
| 97 |
0230097 |
1 |
BREECH BLOCK |
| 98 |
0220098 |
1 |
FIRING PIN |
| 101 |
0240101 |
1 |
LEVER SCREW |
| 105 |
0200105 |
2 |
REAR LINK PIN |
| 107 |
0200107 |
2 |
LEVER PIN |
| 108 |
0230108 |
1 |
EXTRACTOR PIN |
| 111 |
0240111 |
1 |
SAFETY SPRING PIN |
| 112 |
0200112 |
1 |
HAMMER LINK PIN |
| 113 |
0230113 |
1 |
MAGAZINE FOLLOWER |
| 114 |
0230114 |
1 |
MAGAZINE TUBE PLUG |
| 115 |
0200115 |
1 |
STIRRUP |
| 118 |
2008118 |
1 |
MAGAZINE TUBE |
| 123 |
0240123 |
1 |
SIDE PLATE SCREW |
| 124 |
0200124 |
2 |
LEVER SPRING SCREW |
| 127 |
0240127 |
1 |
LADLE |
| 128 |
0240128 |
1 |
LADLE SCREW |
| 134 |
0400134 |
2 |
GATE CATCH |
| 137 |
4500137 |
1 |
BASE PIN SPRING |
| 167 |
0240167 |
2 |
TRIGGERGUARD SCREW |
| 216 |
0242216 |
1 |
FOREND PROTECTION |
| 218 |
0240218 |
1 |
PROTECTION RUNNING |
| 224 |
0240224 |
1 |
PROTECTION RUNNING GUIDE |
| 225 |
0202225 |
1 |
FOREND PROTECTION BEARING |
| 233 |
0240233 |
1 |
PROTECTION RUNNING SCREW |
| 237 |
0240237 |
1 |
LEVER HOOK SPRING |
| 238 |
0240238 |
1 |
LEVER HOOK PIN |
| 240 |
0240240 |
1 |
TRIGGER & LEVER SCREW |
| 283 |
0202283 |
2 |
FOREND PROTECTION SCREW |
| 284 |
0240284 |
1 |
PROTECTION RUNNING SPHERE |
| 542 |
0240542 |
1 |
LEVER HOOK |
| 692 |
0400692 |
2 |
HAND PIN SCREW |
| 721 |
0220721 |
1 |
FIRING PIN EXTENSION STOP |
| 2021 |
1873 SPORTING RIFLE-HALF BBL.44-40 18″ CAT.15671 |
18″ |
44-40 |

| N. |
Code No. |
Q.ty |
Description |
| 1 |
0240001 |
1 |
FRAME |
| 2 |
0240002 |
1 |
HAMMER |
| 3 |
2021003 |
1 |
BARREL HALF .44/40 18″ |
| 7 |
0230007 |
1 |
CARRIER BLOCK |
| 15 |
0202015 |
1 |
SIGHT |
| 16 |
0070016 |
1 |
SPRING |
| 19 |
0240019 |
1 |
TRIGGER SPRING |
| 20 |
0200020 |
1 |
MAIN SPRING |
| 26 |
0240026 |
1 |
TRIGGERGUARD |
| 36 |
0200036 |
1 |
MAIN SPRING SCREW |
| 51 |
0100051 |
1 |
GRIP PIN |
| 53 |
0240053 |
1 |
MAIN SPRING ADJ.SCREW |
| 55 |
0242055 |
1 |
REAR |
| 57 |
0242057 |
1 |
W73 RIFLE BUTT STOCK |
| 58 |
0242058 |
1 |
BUTT PLATE |
| 61 |
0242061 |
1 |
REAR SIGHT |
| 62 |
0200062 |
4 |
BUTT PLATE SCREW |
| 63 |
0240063 |
1 |
TANG SCREW |
| 67 |
0240067 |
1 |
FIRING PIN EXTENSION |
| 68 |
0241068 |
1 |
FOREND |
| 73 |
0240073 |
1 |
RIGHT SIDE PLATE |
| 74 |
0240074 |
1 |
LEFT SIDE PLATE |
| 79 |
0240079 |
1 |
EXTRACTOR |
| 83 |
0220083 |
1 |
RIGHT REAR LINK |
| 84 |
0220084 |
1 |
LEFT REAR LINK |
| 85 |
0220085 |
1 |
RIGHT FRONT LINK |
| 86 |
0220086 |
1 |
LEFT FRONT LINK |
| 87 |
0240087 |
1 |
TRIGGER |
| 88 |
0240088 |
1 |
PLAIN SEAR |
| 89 |
0240089 |
1 |
LEVER |
| 90 |
0200090 |
1 |
LIFTER ARM |
| 91 |
0240091 |
1 |
SAFETY BAR |
| 92 |
0200092 |
1 |
RIGHT LEVER SPRING |
| 93 |
0200093 |
1 |
LEFT LEVER SPRING |
| 94 |
0240094 |
1 |
SAFETY SPRING |
| 96 |
0230096 |
1 |
MAGAZINE SPRING |
| 97 |
0230097 |
1 |
BREECH BLOCK |
| 98 |
0220098 |
1 |
FIRING PIN |
| 101 |
0240101 |
1 |
LEVER SCREW |
| 105 |
0200105 |
2 |
REAR LINK PIN |
| 107 |
0200107 |
2 |
LEVER PIN |
| 108 |
0230108 |
1 |
EXTRACTOR PIN |
| 111 |
0240111 |
1 |
SAFETY SPRING PIN |
| 112 |
0200112 |
1 |
HAMMER LINK PIN |
| 113 |
0230113 |
1 |
MAGAZINE FOLLOWER |
| 114 |
0230114 |
1 |
MAGAZINE TUBE PLUG |
| 115 |
0200115 |
1 |
STIRRUP |
| 118 |
2008118 |
1 |
MAGAZINE TUBE |
| 123 |
0240123 |
1 |
SIDE PLATE SCREW |
| 124 |
0200124 |
2 |
LEVER SPRING SCREW |
| 127 |
0240127 |
1 |
LADLE |
| 128 |
0240128 |
1 |
LADLE SCREW |
| 134 |
0400134 |
2 |
GATE CATCH |
| 137 |
4500137 |
1 |
BASE PIN SPRING |
| 167 |
0240167 |
2 |
TRIGGERGUARD SCREW |
| 216 |
0242216 |
1 |
FOREND PROTECTION |
| 218 |
0240218 |
1 |
PROTECTION RUNNING |
| 224 |
0240224 |
1 |
PROTECTION RUNNING GUIDE |
| 225 |
0202225 |
1 |
FOREND PROTECTION BEARING |
| 233 |
0240233 |
1 |
PROTECTION RUNNING SCREW |
| 237 |
0240237 |
1 |
LEVER HOOK SPRING |
| 238 |
0240238 |
1 |
LEVER HOOK PIN |
| 240 |
0240240 |
1 |
TRIGGER & LEVER SCREW |
| 283 |
0202283 |
2 |
FOREND PROTECTION SCREW |
| 284 |
0240284 |
1 |
PROTECTION RUNNING SPHERE |
| 542 |
0240542 |
1 |
LEVER HOOK |
| 692 |
0400692 |
2 |
HAND PIN SCREW |
| 721 |
0220721 |
1 |
FIRING PIN EXTENSION STOP |
| 2022 |
1873 SPORTING RIFLE-HALF BBL.357MAG 18″ CAT.15673 |
18″ |
357MAG |

| N. |
Code No. |
Q.ty |
Description |
| 1 |
0250001 |
1 |
FRAME |
| 2 |
0240002 |
1 |
HAMMER |
| 3 |
2022003 |
1 |
BARREL HALF .357MAG 18″ |
| 7 |
0220007 |
1 |
CARRIER BLOCK .38SP/.357MAG. |
| 15 |
0202015 |
1 |
SIGHT |
| 16 |
0070016 |
1 |
SPRING |
| 19 |
0240019 |
1 |
TRIGGER SPRING |
| 20 |
0200020 |
1 |
MAIN SPRING |
| 26 |
0240026 |
1 |
TRIGGERGUARD |
| 36 |
0200036 |
1 |
MAIN SPRING SCREW |
| 51 |
0100051 |
1 |
GRIP PIN |
| 53 |
0240053 |
1 |
MAIN SPRING ADJ.SCREW |
| 55 |
0242055 |
1 |
REAR |
| 57 |
0242057 |
1 |
W73 RIFLE BUTT STOCK |
| 58 |
0242058 |
1 |
BUTT PLATE |
| 61 |
0242061 |
1 |
REAR SIGHT |
| 62 |
0200062 |
4 |
BUTT PLATE SCREW |
| 63 |
0240063 |
1 |
TANG SCREW |
| 67 |
0240067 |
1 |
FIRING PIN EXTENSION |
| 68 |
0241068 |
1 |
FOREND |
| 73 |
0240073 |
1 |
RIGHT SIDE PLATE |
| 74 |
0240074 |
1 |
LEFT SIDE PLATE |
| 79 |
0250079 |
1 |
EXTRACTOR |
| 83 |
0220083 |
1 |
RIGHT REAR LINK |
| 84 |
0220084 |
1 |
LEFT REAR LINK |
| 85 |
0220085 |
1 |
RIGHT FRONT LINK |
| 86 |
0220086 |
1 |
LEFT FRONT LINK |
| 87 |
0240087 |
1 |
TRIGGER |
| 88 |
0240088 |
1 |
PLAIN SEAR |
| 89 |
0240089 |
1 |
LEVER |
| 90 |
0200090 |
1 |
LIFTER ARM |
| 91 |
0240091 |
1 |
SAFETY BAR |
| 92 |
0200092 |
1 |
RIGHT LEVER SPRING |
| 93 |
0200093 |
1 |
LEFT LEVER SPRING |
| 94 |
0240094 |
1 |
SAFETY SPRING |
| 96 |
0230096 |
1 |
MAGAZINE SPRING |
| 97 |
0220097 |
1 |
BREECH BLOCK |
| 98 |
0220098 |
1 |
FIRING PIN |
| 101 |
0240101 |
1 |
LEVER SCREW |
| 105 |
0200105 |
2 |
REAR LINK PIN |
| 107 |
0200107 |
2 |
LEVER PIN |
| 108 |
0220108 |
1 |
EXTRACTOR PIN |
| 111 |
0240111 |
1 |
SAFETY SPRING PIN |
| 112 |
0200112 |
1 |
HAMMER LINK PIN |
| 113 |
0220113 |
1 |
MAGAZINE FOLLOWER |
| 114 |
0230114 |
1 |
MAGAZINE TUBE PLUG |
| 115 |
0200115 |
1 |
STIRRUP |
| 118 |
2008118 |
1 |
MAGAZINE TUBE |
| 123 |
0240123 |
1 |
SIDE PLATE SCREW |
| 124 |
0200124 |
2 |
LEVER SPRING SCREW |
| 127 |
0240127 |
1 |
LADLE |
| 128 |
0240128 |
1 |
LADLE SCREW |
| 134 |
0400134 |
2 |
GATE CATCH |
| 137 |
4500137 |
1 |
BASE PIN SPRING |
| 167 |
0240167 |
2 |
TRIGGERGUARD SCREW |
| 216 |
0242216 |
1 |
FOREND PROTECTION |
| 218 |
0240218 |
1 |
PROTECTION RUNNING |
| 224 |
0240224 |
1 |
PROTECTION RUNNING GUIDE |
| 225 |
0202225 |
1 |
FOREND PROTECTION BEARING |
| 233 |
0240233 |
1 |
PROTECTION RUNNING SCREW |
| 237 |
0240237 |
1 |
LEVER HOOK SPRING |
| 238 |
0240238 |
1 |
LEVER HOOK PIN |
| 240 |
0240240 |
1 |
TRIGGER & LEVER SCREW |
| 283 |
0202283 |
2 |
FOREND PROTECTION SCREW |
| 284 |
0240284 |
1 |
PROTECTION RUNNING SPHERE |
| 542 |
0240542 |
1 |
LEVER HOOK |
| 692 |
0400692 |
2 |
HAND PIN SCREW |
| 721 |
0220721 |
1 |
FIRING PIN EXTENSION STOP |
| 2023 |
1873 SPORTING RIFLE-HALF BBL.45COLT WITH CHECKERED PISTOL GRIP 18″ CAT.15672 |
18″ |
45LC |

| N. |
Code No. |
Q.ty |
Description |
| 1 |
0240001 |
1 |
FRAME |
| 2 |
0240002 |
1 |
HAMMER |
| 3 |
2020003 |
1 |
BARREL HALF .45LC 18″ |
| 7 |
0230007 |
1 |
CARRIER BLOCK |
| 15 |
0202015 |
1 |
SIGHT |
| 16 |
0070016 |
1 |
SPRING |
| 19 |
0240019 |
1 |
TRIGGER SPRING |
| 20 |
0200020 |
1 |
MAIN SPRING |
| 26 |
0275026 |
1 |
PISTOL GRIP TRIGGERGUARD |
| 36 |
0200036 |
1 |
MAIN SPRING SCREW |
| 51 |
0100051 |
1 |
GRIP PIN |
| 53 |
0240053 |
1 |
MAIN SPRING ADJ.SCREW |
| 55 |
0242055 |
1 |
REAR |
| 57 |
0275057 |
1 |
W73 RIFLE CKECHERED PISTOL GRIP BUTT STOCK |
| 58 |
0242058 |
1 |
BUTT PLATE |
| 61 |
0242061 |
1 |
REAR SIGHT |
| 62 |
0200062 |
4 |
BUTT PLATE SCREW |
| 63 |
0275063 |
1 |
PISTOL GRIP TANG SCREW |
| 67 |
0240067 |
1 |
FIRING PIN EXTENSION |
| 68 |
0241068 |
1 |
FOREND |
| 73 |
0240073 |
1 |
RIGHT SIDE PLATE |
| 74 |
0240074 |
1 |
LEFT SIDE PLATE |
| 79 |
0240079 |
1 |
EXTRACTOR |
| 83 |
0220083 |
1 |
RIGHT REAR LINK |
| 84 |
0220084 |
1 |
LEFT REAR LINK |
| 85 |
0220085 |
1 |
RIGHT FRONT LINK |
| 86 |
0220086 |
1 |
LEFT FRONT LINK |
| 87 |
0240087 |
1 |
TRIGGER |
| 88 |
0240088 |
1 |
PLAIN SEAR |
| 89 |
0240089 |
1 |
LEVER |
| 90 |
0200090 |
1 |
LIFTER ARM |
| 91 |
0240091 |
1 |
SAFETY BAR |
| 92 |
0200092 |
1 |
RIGHT LEVER SPRING |
| 93 |
0200093 |
1 |
LEFT LEVER SPRING |
| 94 |
0240094 |
1 |
SAFETY SPRING |
| 96 |
0230096 |
1 |
MAGAZINE SPRING |
| 97 |
0230097 |
1 |
BREECH BLOCK |
| 98 |
0220098 |
1 |
FIRING PIN |
| 101 |
0240101 |
1 |
LEVER SCREW |
| 105 |
0200105 |
2 |
REAR LINK PIN |
| 107 |
0200107 |
2 |
LEVER PIN |
| 108 |
0230108 |
1 |
EXTRACTOR PIN |
| 111 |
0240111 |
1 |
SAFETY SPRING PIN |
| 112 |
0200112 |
1 |
HAMMER LINK PIN |
| 113 |
0230113 |
1 |
MAGAZINE FOLLOWER |
| 114 |
0230114 |
1 |
MAGAZINE TUBE PLUG |
| 115 |
0200115 |
1 |
STIRRUP |
| 118 |
2008118 |
1 |
MAGAZINE TUBE |
| 123 |
0240123 |
1 |
SIDE PLATE SCREW |
| 124 |
0200124 |
2 |
LEVER SPRING SCREW |
| 127 |
0240127 |
1 |
LADLE |
| 128 |
0240128 |
1 |
LADLE SCREW |
| 134 |
0400134 |
2 |
GATE CATCH |
| 137 |
4500137 |
1 |
BASE PIN SPRING |
| 167 |
0240167 |
2 |
TRIGGERGUARD SCREW |
| 216 |
0242216 |
1 |
FOREND PROTECTION |
| 218 |
0240218 |
1 |
PROTECTION RUNNING |
| 224 |
0240224 |
1 |
PROTECTION RUNNING GUIDE |
| 225 |
0202225 |
1 |
FOREND PROTECTION BEARING |
| 233 |
0240233 |
1 |
PROTECTION RUNNING SCREW |
| 237 |
0240237 |
1 |
LEVER HOOK SPRING |
| 238 |
0240238 |
1 |
LEVER HOOK PIN |
| 240 |
0240240 |
1 |
TRIGGER & LEVER SCREW |
| 283 |
0202283 |
2 |
FOREND PROTECTION SCREW |
| 284 |
0240284 |
1 |
PROTECTION RUNNING SPHERE |
| 542 |
0240542 |
1 |
LEVER HOOK |
| 692 |
0400692 |
2 |
HAND PIN SCREW |
| 721 |
0220721 |
1 |
FIRING PIN EXTENSION STOP |
| 2024 |
1873 SPORTING RIFLE-HALF BBL.44/40 WITH CHECKERED PISTOL GRIP 18″ CAT.15671 |
18″ |
44-40 |

| N. |
Code No. |
Q.ty |
Description |
| 1 |
0240001 |
1 |
FRAME |
| 2 |
0240002 |
1 |
HAMMER |
| 3 |
2021003 |
1 |
BARREL HALF .44/40 18″ |
| 7 |
0230007 |
1 |
CARRIER BLOCK |
| 15 |
0202015 |
1 |
SIGHT |
| 16 |
0070016 |
1 |
SPRING |
| 19 |
0240019 |
1 |
TRIGGER SPRING |
| 20 |
0200020 |
1 |
MAIN SPRING |
| 26 |
0275026 |
1 |
PISTOL GRIP TRIGGERGUARD |
| 36 |
0200036 |
1 |
MAIN SPRING SCREW |
| 51 |
0100051 |
1 |
GRIP PIN |
| 53 |
0240053 |
1 |
MAIN SPRING ADJ.SCREW |
| 55 |
0242055 |
1 |
REAR |
| 57 |
0275057 |
1 |
W73 RIFLE CKECHERED PISTOL GRIP BUTT STOCK |
| 58 |
0242058 |
1 |
BUTT PLATE |
| 61 |
0242061 |
1 |
REAR SIGHT |
| 62 |
0200062 |
4 |
BUTT PLATE SCREW |
| 63 |
0275063 |
1 |
PISTOL GRIP TANG SCREW |
| 67 |
0240067 |
1 |
FIRING PIN EXTENSION |
| 68 |
0241068 |
1 |
FOREND |
| 73 |
0240073 |
1 |
RIGHT SIDE PLATE |
| 74 |
0240074 |
1 |
LEFT SIDE PLATE |
| 79 |
0240079 |
1 |
EXTRACTOR |
| 83 |
0220083 |
1 |
RIGHT REAR LINK |
| 84 |
0220084 |
1 |
LEFT REAR LINK |
| 85 |
0220085 |
1 |
RIGHT FRONT LINK |
| 86 |
0220086 |
1 |
LEFT FRONT LINK |
| 87 |
0240087 |
1 |
TRIGGER |
| 88 |
0240088 |
1 |
PLAIN SEAR |
| 89 |
0240089 |
1 |
LEVER |
| 90 |
0200090 |
1 |
LIFTER ARM |
| 91 |
0240091 |
1 |
SAFETY BAR |
| 92 |
0200092 |
1 |
RIGHT LEVER SPRING |
| 93 |
0200093 |
1 |
LEFT LEVER SPRING |
| 94 |
0240094 |
1 |
SAFETY SPRING |
| 96 |
0230096 |
1 |
MAGAZINE SPRING |
| 97 |
0230097 |
1 |
BREECH BLOCK |
| 98 |
0220098 |
1 |
FIRING PIN |
| 101 |
0240101 |
1 |
LEVER SCREW |
| 105 |
0200105 |
2 |
REAR LINK PIN |
| 107 |
0200107 |
2 |
LEVER PIN |
| 108 |
0230108 |
1 |
EXTRACTOR PIN |
| 111 |
0240111 |
1 |
SAFETY SPRING PIN |
| 112 |
0200112 |
1 |
HAMMER LINK PIN |
| 113 |
0230113 |
1 |
MAGAZINE FOLLOWER |
| 114 |
0230114 |
1 |
MAGAZINE TUBE PLUG |
| 115 |
0200115 |
1 |
STIRRUP |
| 118 |
2008118 |
1 |
MAGAZINE TUBE |
| 123 |
0240123 |
1 |
SIDE PLATE SCREW |
| 124 |
0200124 |
2 |
LEVER SPRING SCREW |
| 127 |
0240127 |
1 |
LADLE |
| 128 |
0240128 |
1 |
LADLE SCREW |
| 134 |
0400134 |
2 |
GATE CATCH |
| 137 |
4500137 |
1 |
BASE PIN SPRING |
| 167 |
0240167 |
2 |
TRIGGERGUARD SCREW |
| 216 |
0242216 |
1 |
FOREND PROTECTION |
| 218 |
0240218 |
1 |
PROTECTION RUNNING |
| 224 |
0240224 |
1 |
PROTECTION RUNNING GUIDE |
| 225 |
0202225 |
1 |
FOREND PROTECTION BEARING |
| 233 |
0240233 |
1 |
PROTECTION RUNNING SCREW |
| 237 |
0240237 |
1 |
LEVER HOOK SPRING |
| 238 |
0240238 |
1 |
LEVER HOOK PIN |
| 240 |
0240240 |
1 |
TRIGGER & LEVER SCREW |
| 283 |
0202283 |
2 |
FOREND PROTECTION SCREW |
| 284 |
0240284 |
1 |
PROTECTION RUNNING SPHERE |
| 542 |
0240542 |
1 |
LEVER HOOK |
| 692 |
0400692 |
2 |
HAND PIN SCREW |
| 721 |
0220721 |
1 |
FIRING PIN EXTENSION STOP |
| 2025 |
1873 SPORTING RIFLE-HALF BBL.357MAG WITH CHECKERED PISTOL GRIP 18″ CAT.15673 |
18″ |
357MAG |

| N. |
Code No. |
Q.ty |
Description |
| 1 |
0250001 |
1 |
FRAME |
| 2 |
0240002 |
1 |
HAMMER |
| 3 |
2022003 |
1 |
BARREL HALF .357MAG 18″ |
| 7 |
0220007 |
1 |
CARRIER BLOCK .38SP/.357MAG. |
| 15 |
0202015 |
1 |
SIGHT |
| 16 |
0070016 |
1 |
SPRING |
| 19 |
0240019 |
1 |
TRIGGER SPRING |
| 20 |
0200020 |
1 |
MAIN SPRING |
| 26 |
0275026 |
1 |
PISTOL GRIP TRIGGERGUARD |
| 36 |
0200036 |
1 |
MAIN SPRING SCREW |
| 51 |
0100051 |
1 |
GRIP PIN |
| 53 |
0240053 |
1 |
MAIN SPRING ADJ.SCREW |
| 55 |
0242055 |
1 |
REAR |
| 57 |
0275057 |
1 |
W73 RIFLE CKECHERED PISTOL GRIP BUTT STOCK |
| 58 |
0242058 |
1 |
BUTT PLATE |
| 61 |
0242061 |
1 |
REAR SIGHT |
| 62 |
0200062 |
4 |
BUTT PLATE SCREW |
| 63 |
0275063 |
1 |
PISTOL GRIP TANG SCREW |
| 67 |
0240067 |
1 |
FIRING PIN EXTENSION |
| 68 |
0241068 |
1 |
FOREND |
| 73 |
0240073 |
1 |
RIGHT SIDE PLATE |
| 74 |
0240074 |
1 |
LEFT SIDE PLATE |
| 79 |
0250079 |
1 |
EXTRACTOR |
| 83 |
0220083 |
1 |
RIGHT REAR LINK |
| 84 |
0220084 |
1 |
LEFT REAR LINK |
| 85 |
0220085 |
1 |
RIGHT FRONT LINK |
| 86 |
0220086 |
1 |
LEFT FRONT LINK |
| 87 |
0240087 |
1 |
TRIGGER |
| 88 |
0240088 |
1 |
PLAIN SEAR |
| 89 |
0240089 |
1 |
LEVER |
| 90 |
0200090 |
1 |
LIFTER ARM |
| 91 |
0240091 |
1 |
SAFETY BAR |
| 92 |
0200092 |
1 |
RIGHT LEVER SPRING |
| 93 |
0200093 |
1 |
LEFT LEVER SPRING |
| 94 |
0240094 |
1 |
SAFETY SPRING |
| 96 |
0230096 |
1 |
MAGAZINE SPRING |
| 97 |
0220097 |
1 |
BREECH BLOCK |
| 98 |
0220098 |
1 |
FIRING PIN |
| 101 |
0240101 |
1 |
LEVER SCREW |
| 105 |
0200105 |
2 |
REAR LINK PIN |
| 107 |
0200107 |
2 |
LEVER PIN |
| 108 |
0220108 |
1 |
EXTRACTOR PIN |
| 111 |
0240111 |
1 |
SAFETY SPRING PIN |
| 112 |
0200112 |
1 |
HAMMER LINK PIN |
| 113 |
0220113 |
1 |
MAGAZINE FOLLOWER |
| 114 |
0230114 |
1 |
MAGAZINE TUBE PLUG |
| 115 |
0200115 |
1 |
STIRRUP |
| 118 |
2008118 |
1 |
MAGAZINE TUBE |
| 123 |
0240123 |
1 |
SIDE PLATE SCREW |
| 124 |
0200124 |
2 |
LEVER SPRING SCREW |
| 127 |
0240127 |
1 |
LADLE |
| 128 |
0240128 |
1 |
LADLE SCREW |
| 134 |
0400134 |
2 |
GATE CATCH |
| 137 |
4500137 |
1 |
BASE PIN SPRING |
| 167 |
0240167 |
2 |
TRIGGERGUARD SCREW |
| 216 |
0242216 |
1 |
FOREND PROTECTION |
| 218 |
0240218 |
1 |
PROTECTION RUNNING |
| 224 |
0240224 |
1 |
PROTECTION RUNNING GUIDE |
| 225 |
0202225 |
1 |
FOREND PROTECTION BEARING |
| 233 |
0240233 |
1 |
PROTECTION RUNNING SCREW |
| 237 |
0240237 |
1 |
LEVER HOOK SPRING |
| 238 |
0240238 |
1 |
LEVER HOOK PIN |
| 240 |
0240240 |
1 |
TRIGGER & LEVER SCREW |
| 283 |
0202283 |
2 |
FOREND PROTECTION SCREW |
| 284 |
0240284 |
1 |
PROTECTION RUNNING SPHERE |
| 542 |
0240542 |
1 |
LEVER HOOK |
| 692 |
0400692 |
2 |
HAND PIN SCREW |
| 721 |
0220721 |
1 |
FIRING PIN EXTENSION STOP |
| 2050 |
73 MOD.CARBINE .44MAG.19″ CAT.17785 |
19″ |
44 MAG. |

| N. |
Code No. |
Q.ty |
Description |
| 1 |
0240001 |
1 |
FRAME |
| 2 |
0240002 |
1 |
HAMMER |
| 3 |
2050003 |
1 |
BARREL 19″ .44MAG. |
| 7 |
0230007 |
1 |
CARRIER BLOCK |
| 16 |
0070016 |
1 |
SPRING |
| 19 |
0240019 |
1 |
TRIGGER SPRING |
| 20 |
0200020 |
1 |
MAIN SPRING |
| 26 |
0240026 |
1 |
TRIGGERGUARD |
| 36 |
0200036 |
1 |
MAIN SPRING SCREW |
| 51 |
0100051 |
1 |
GRIP PIN |
| 53 |
0240053 |
1 |
MAIN SPRING ADJ.SCREW |
| 55 |
A0240055 |
1 |
W73 CARBINE REAR ASSEMBLY |
| 57 |
0240057 |
1 |
W73 CARBINE BUTT STOCK |
| 58 |
0240058 |
1 |
BUTT PLATE |
| 62 |
0200062 |
3 |
BUTT PLATE SCREW |
| 63 |
0240063 |
1 |
TANG SCREW |
| 67 |
0240067 |
1 |
FIRING PIN EXTENSION |
| 68 |
0200068 |
1 |
FOREND |
| 73 |
0240073 |
1 |
RIGHT SIDE PLATE |
| 74 |
0240074 |
1 |
LEFT SIDE PLATE |
| 79 |
0240079 |
1 |
EXTRACTOR |
| 80 |
0240080 |
1 |
FRONT BAND |
| 81 |
0200081 |
1 |
FOREND BAND |
| 83 |
0220083 |
1 |
RIGHT REAR LINK |
| 84 |
0220084 |
1 |
LEFT REAR LINK |
| 85 |
0220085 |
1 |
RIGHT FRONT LINK |
| 86 |
0220086 |
1 |
LEFT FRONT LINK |
| 87 |
0240087 |
1 |
TRIGGER |
| 88 |
0240088 |
1 |
PLAIN SEAR |
| 89 |
0240089 |
1 |
LEVER |
| 90 |
0200090 |
1 |
LIFTER ARM |
| 91 |
0240091 |
1 |
SAFETY BAR |
| 92 |
0200092 |
1 |
RIGHT LEVER SPRING |
| 93 |
0200093 |
1 |
LEFT LEVER SPRING |
| 94 |
0240094 |
1 |
SAFETY SPRING |
| 96 |
0230096 |
1 |
MAGAZINE SPRING |
| 97 |
0230097 |
1 |
BREECH BLOCK |
| 98 |
0220098 |
1 |
FIRING PIN |
| 101 |
0240101 |
1 |
LEVER SCREW |
| 105 |
0200105 |
2 |
REAR LINK PIN |
| 107 |
0200107 |
2 |
LEVER PIN |
| 108 |
0230108 |
1 |
EXTRACTOR PIN |
| 111 |
0240111 |
1 |
SAFETY SPRING PIN |
| 112 |
0200112 |
1 |
HAMMER LINK PIN |
| 113 |
0230113 |
1 |
MAGAZINE FOLLOWER |
| 114 |
0230114 |
1 |
MAGAZINE TUBE PLUG |
| 115 |
0200115 |
1 |
STIRRUP |
| 118 |
0230118 |
1 |
MAGAZINE TUBE |
| 121 |
0200121 |
1 |
BAND SCREW |
| 122 |
0200122 |
1 |
FOREND SCREW |
| 123 |
0240123 |
1 |
SIDE PLATE SCREW |
| 124 |
0200124 |
2 |
LEVER SPRING SCREW |
| 127 |
0240127 |
1 |
LADLE |
| 128 |
0240128 |
1 |
LADLE SCREW |
| 134 |
0400134 |
2 |
GATE CATCH |
| 137 |
4500137 |
1 |
BASE PIN SPRING |
| 167 |
0240167 |
2 |
TRIGGERGUARD SCREW |
| 218 |
0240218 |
1 |
PROTECTION RUNNING |
| 224 |
0240224 |
1 |
PROTECTION RUNNING GUIDE |
| 233 |
0240233 |
1 |
PROTECTION RUNNING SCREW |
| 237 |
0240237 |
1 |
LEVER HOOK SPRING |
| 238 |
0240238 |
1 |
LEVER HOOK PIN |
| 240 |
0240240 |
1 |
TRIGGER & LEVER SCREW |
| 284 |
0240284 |
1 |
PROTECTION RUNNING SPHERE |
| 542 |
0240542 |
1 |
LEVER HOOK |
| 721 |
0220721 |
1 |
FIRING PIN EXTENSION STOP |
| 2051 |
73 SPORTING RIFLE .44MAG. 24.1/4″ CAT.17787 |
24.1/4” |
44 MAG. |

| N. |
Code No. |
Q.ty |
Description |
| 1 |
0240001 |
1 |
FRAME |
| 2 |
0240002 |
1 |
HAMMER |
| 3 |
2051003 |
1 |
BARREL 24.1/4″ .44MAG. |
| 7 |
0230007 |
1 |
CARRIER BLOCK |
| 15 |
0202015 |
1 |
SIGHT |
| 16 |
0070016 |
1 |
SPRING |
| 19 |
0240019 |
1 |
TRIGGER SPRING |
| 20 |
0200020 |
1 |
MAIN SPRING |
| 26 |
0240026 |
1 |
TRIGGERGUARD |
| 36 |
0200036 |
1 |
MAIN SPRING SCREW |
| 51 |
0100051 |
1 |
GRIP PIN |
| 53 |
0240053 |
1 |
MAIN SPRING ADJ.SCREW |
| 55 |
0242055 |
1 |
REAR |
| 57 |
0242057 |
1 |
W73 RIFLE BUTT STOCK |
| 58 |
0242058 |
1 |
BUTT PLATE |
| 61 |
0242061 |
1 |
REAR SIGHT |
| 62 |
0200062 |
4 |
BUTT PLATE SCREW |
| 63 |
0240063 |
1 |
TANG SCREW |
| 67 |
0240067 |
1 |
FIRING PIN EXTENSION |
| 68 |
0202068 |
1 |
FOREND |
| 73 |
0240073 |
1 |
RIGHT SIDE PLATE |
| 74 |
0240074 |
1 |
LEFT SIDE PLATE |
| 79 |
0240079 |
1 |
EXTRACTOR |
| 83 |
0220083 |
1 |
RIGHT REAR LINK |
| 84 |
0220084 |
1 |
LEFT REAR LINK |
| 85 |
0220085 |
1 |
RIGHT FRONT LINK |
| 86 |
0220086 |
1 |
LEFT FRONT LINK |
| 87 |
0240087 |
1 |
TRIGGER |
| 88 |
0240088 |
1 |
PLAIN SEAR |
| 89 |
0240089 |
1 |
LEVER |
| 90 |
0200090 |
1 |
LIFTER ARM |
| 91 |
0240091 |
1 |
SAFETY BAR |
| 92 |
0200092 |
1 |
RIGHT LEVER SPRING |
| 93 |
0200093 |
1 |
LEFT LEVER SPRING |
| 94 |
0240094 |
1 |
SAFETY SPRING |
| 96 |
0232096 |
1 |
MAGAZINE SPRING |
| 97 |
0230097 |
1 |
BREECH BLOCK |
| 98 |
0220098 |
1 |
FIRING PIN |
| 101 |
0240101 |
1 |
LEVER SCREW |
| 105 |
0200105 |
2 |
REAR LINK PIN |
| 107 |
0200107 |
2 |
LEVER PIN |
| 108 |
0230108 |
1 |
EXTRACTOR PIN |
| 111 |
0240111 |
1 |
SAFETY SPRING PIN |
| 112 |
0200112 |
1 |
HAMMER LINK PIN |
| 113 |
0230113 |
1 |
MAGAZINE FOLLOWER |
| 114 |
0230114 |
1 |
MAGAZINE TUBE PLUG |
| 115 |
0200115 |
1 |
STIRRUP |
| 118 |
0232118 |
1 |
MAGAZINE TUBE |
| 123 |
0240123 |
1 |
SIDE PLATE SCREW |
| 124 |
0200124 |
2 |
LEVER SPRING SCREW |
| 127 |
0240127 |
1 |
LADLE |
| 128 |
0240128 |
1 |
LADLE SCREW |
| 134 |
0400134 |
2 |
GATE CATCH |
| 137 |
4500137 |
1 |
BASE PIN SPRING |
| 167 |
0240167 |
2 |
TRIGGERGUARD SCREW |
| 216 |
0242216 |
1 |
FOREND PROTECTION |
| 218 |
0240218 |
1 |
PROTECTION RUNNING |
| 224 |
0240224 |
1 |
PROTECTION RUNNING GUIDE |
| 225 |
0202225 |
1 |
FOREND PROTECTION BEARING |
| 233 |
0240233 |
1 |
PROTECTION RUNNING SCREW |
| 237 |
0240237 |
1 |
LEVER HOOK SPRING |
| 238 |
0240238 |
1 |
LEVER HOOK PIN |
| 240 |
0240240 |
1 |
TRIGGER & LEVER SCREW |
| 275 |
0202275 |
1 |
MAGAZINE TUBE BEARING |
| 281 |
0202281 |
1 |
MAGAZINE TUBE BEARING PIN |
| 283 |
0202283 |
2 |
FOREND PROTECTION SCREW |
| 284 |
0240284 |
1 |
PROTECTION RUNNING SPHERE |
| 542 |
0240542 |
1 |
LEVER HOOK |
| 692 |
0400692 |
2 |
HAND PIN SCREW |
| 721 |
0220721 |
1 |
FIRING PIN EXTENSION STOP |