Remingtons`s attempt to compete with the highly successful Colt Single Action Revolver produced the model 1875. It is known that these revolvers saw much use on the American Frontier including in the hands of Frank and Jesse James. Available in the most common of barrel lengths 7 1/2″ as well as being offered in the extremely rare length of 5 1/2″ A. Uberti and Company now produces this classic American Firearm complete with our all new steel trigger guard and blade front sight.
FinishesTechnicalParts and Schematics
| 000: |
STANDARD |
| A00: |
OLD WEST ANTIQUE PATINA FINISH REV. |
| As4: |
SADDLE RING FOR 1875 |
| C07: |
CHARCOAL BLUE FINISH |
| W00: |
WHITE FINISH FOR REV. |
| N00: |
NICKEL PLATING FOR REV. |
| E08: |
STANDARD ENGRAVING |
| L02: |
STANDARD LASER ENGRAVING |
| Caliber: |
.357MAG. – .44/40 – .45LC – .45ACP |
| Length of Barrel: |
5½” – 7½” |
| Overall Length: |
bbl.7½ 12.8″ |
| Weight: |
bbl.7½ 2.64 lbs |
| Barrel: |
Forged steel |
| Frame: |
Casted steel and color case |
| Twist: |
Left |
| Cylinder: |
Fluted |
| Grip: |
Two pieces walnut |
| Cylinder: |
6 |
| Barrel Shape: |
Round Tapered |
| Sight: |
Fixed |
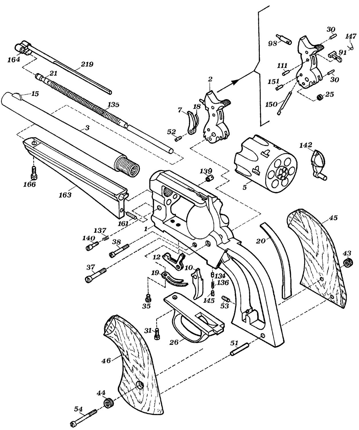
| Item |
Model |
Barrel |
Length cal. |
| 0150 |
1875 S.A.ARMY OUTLAW .357MAG REV. 7.1/2″ CAT.1545 |
7.1/2” |
357MAG |

| N. |
Code No. |
Q.ty |
Description |
| 1 |
0150001 |
1 |
FRAME |
| 2 |
A0150002 |
1 |
RGT75 HAMMER ASSEMBLY |
| 3 |
0150003 |
1 |
BARREL 7.1/2″ .357MAG |
| 5 |
0150005 |
1 |
CYLINDER .357MAG |
| 7 |
A0150007 |
1 |
RGT75 HAND ASSEMBLY |
| 10 |
0150010 |
1 |
TRIGGER |
| 12 |
0150012 |
1 |
BOLT |
| 15 |
0400015 |
1 |
FRONT SIGHT |
| 19 |
0100019 |
1 |
TRIGGER BOLT SPRING |
| 20 |
0100020 |
1 |
MAIN SPRING |
| 21 |
0150021 |
1 |
BASE PIN |
| 26 |
0150026 |
1 |
TRIGGERGUARD |
| 31 |
0150031 |
1 |
TG. SCREW |
| 35 |
0150035 |
1 |
BOLT SPRING SCREW |
| 37 |
0150037 |
1 |
HAMMER SCREW |
| 38 |
0150038 |
1 |
TRIGGER SCREW |
| 43 |
0150043 |
1 |
RIGHT GRIP NUT |
| 44 |
0150044 |
1 |
LEFT GRIP NUT |
| 45 |
0150045 |
1 |
RIGHT GRIP |
| 46 |
0150046 |
1 |
LEFT GRIP |
| 51 |
0100051 |
1 |
GRIP PIN |
| 52 |
0100052 |
1 |
HAND SCREW |
| 53 |
1000053 |
1 |
MAIN SPRING SCREW |
| 54 |
0150054 |
1 |
GRIP SCREW |
| 134 |
0150134 |
1 |
GATE CATCH |
| 135 |
0150135 |
1 |
EJECTOR SPRING |
| 136 |
0150136 |
1 |
GATE SPRING |
| 137 |
4500137 |
1 |
BASE PIN SPRING |
| 139 |
0400139 |
1 |
BASE PIN NUT |
| 140 |
0400140 |
1 |
BASE PIN SCREW |
| 142 |
0150142 |
1 |
GATE |
| 145 |
0150145 |
1 |
GATE CATCH SCREW |
| 161 |
0150161 |
1 |
SUPPORT EJECTOR PIN |
| 163 |
0150163 |
1 |
SUPPORT EJECTOR |
| 166 |
0150166 |
1 |
SUPPORT EJECTOR SCREW |
| 219 |
A0150219 |
1 |
RGT75 EJECTOR 7.1/2″ ASSEMBLY |
| 0151 |
1875 S.A. ARMY OUTLAW .45LC REV. 7.1/2″ CAT.1544 |
7.1/2” |
45LC |

| N. |
Code No. |
Q.ty |
Description |
| 1 |
0150001 |
1 |
FRAME |
| 2 |
A0150002 |
1 |
RGT75 HAMMER ASSEMBLY |
| 3 |
0151003 |
1 |
BARREL 7.1/2″ .45LC |
| 5 |
0151005 |
1 |
CYLINDER .45LC |
| 7 |
A0150007 |
1 |
RGT75 HAND ASSEMBLY |
| 10 |
0150010 |
1 |
TRIGGER |
| 12 |
0150012 |
1 |
BOLT |
| 15 |
0410015 |
1 |
FRONT SIGHT |
| 19 |
0100019 |
1 |
TRIGGER BOLT SPRING |
| 20 |
0100020 |
1 |
MAIN SPRING |
| 21 |
0150021 |
1 |
BASE PIN |
| 26 |
0150026 |
1 |
TRIGGERGUARD |
| 31 |
0150031 |
1 |
TG. SCREW |
| 35 |
0150035 |
1 |
BOLT SPRING SCREW |
| 37 |
0150037 |
1 |
HAMMER SCREW |
| 38 |
0150038 |
1 |
TRIGGER SCREW |
| 43 |
0150043 |
1 |
RIGHT GRIP NUT |
| 44 |
0150044 |
1 |
LEFT GRIP NUT |
| 45 |
0150045 |
1 |
RIGHT GRIP |
| 46 |
0150046 |
1 |
LEFT GRIP |
| 51 |
0100051 |
1 |
GRIP PIN |
| 52 |
0100052 |
1 |
HAND SCREW |
| 53 |
1000053 |
1 |
MAIN SPRING SCREW |
| 54 |
0150054 |
1 |
GRIP SCREW |
| 134 |
0150134 |
1 |
GATE CATCH |
| 135 |
0150135 |
1 |
EJECTOR SPRING |
| 136 |
0150136 |
1 |
GATE SPRING |
| 137 |
4500137 |
1 |
BASE PIN SPRING |
| 139 |
0400139 |
1 |
BASE PIN NUT |
| 140 |
0400140 |
1 |
BASE PIN SCREW |
| 142 |
0150142 |
1 |
GATE |
| 145 |
0150145 |
1 |
GATE CATCH SCREW |
| 161 |
0150161 |
1 |
SUPPORT EJECTOR PIN |
| 163 |
0150163 |
1 |
SUPPORT EJECTOR |
| 166 |
0150166 |
1 |
SUPPORT EJECTOR SCREW |
| 219 |
A0150219 |
1 |
RGT75 EJECTOR 7.1/2″ ASSEMBLY |
| 0152 |
1875 S.A. ARMY OUTLAW .45ACP REV. 7.1/2″ CAT.6799 |
7.1/2” |
45ACP |

| N. |
Code No. |
Q.ty |
Description |
| 1 |
0150001 |
1 |
FRAME |
| 2 |
A0150002 |
1 |
RGT75 HAMMER ASSEMBLY |
| 3 |
0151003 |
1 |
BARREL 7.1/2″ .45LC |
| 5 |
0152005 |
1 |
CYLINDER .45ACP |
| 7 |
A0150007 |
1 |
RGT75 HAND ASSEMBLY |
| 10 |
0150010 |
1 |
TRIGGER |
| 12 |
0150012 |
1 |
BOLT |
| 15 |
0410015 |
1 |
FRONT SIGHT |
| 19 |
0100019 |
1 |
TRIGGER BOLT SPRING |
| 20 |
0100020 |
1 |
MAIN SPRING |
| 21 |
0150021 |
1 |
BASE PIN |
| 26 |
0150026 |
1 |
TRIGGERGUARD |
| 31 |
0150031 |
1 |
TG. SCREW |
| 35 |
0150035 |
1 |
BOLT SPRING SCREW |
| 37 |
0150037 |
1 |
HAMMER SCREW |
| 38 |
0150038 |
1 |
TRIGGER SCREW |
| 43 |
0150043 |
1 |
RIGHT GRIP NUT |
| 44 |
0150044 |
1 |
LEFT GRIP NUT |
| 45 |
0150045 |
1 |
RIGHT GRIP |
| 46 |
0150046 |
1 |
LEFT GRIP |
| 51 |
0100051 |
1 |
GRIP PIN |
| 52 |
0100052 |
1 |
HAND SCREW |
| 53 |
1000053 |
1 |
MAIN SPRING SCREW |
| 54 |
0150054 |
1 |
GRIP SCREW |
| 134 |
0150134 |
1 |
GATE CATCH |
| 135 |
0150135 |
1 |
EJECTOR SPRING |
| 136 |
0150136 |
1 |
GATE SPRING |
| 137 |
4500137 |
1 |
BASE PIN SPRING |
| 139 |
0400139 |
1 |
BASE PIN NUT |
| 140 |
0400140 |
1 |
BASE PIN SCREW |
| 142 |
0150142 |
1 |
GATE |
| 145 |
0150145 |
1 |
GATE CATCH SCREW |
| 161 |
0150161 |
1 |
SUPPORT EJECTOR PIN |
| 163 |
0150163 |
1 |
SUPPORT EJECTOR |
| 166 |
0150166 |
1 |
SUPPORT EJECTOR SCREW |
| 219 |
A0150219 |
1 |
RGT75 EJECTOR 7.1/2″ ASSEMBLY |
| 0153 |
1875 S.A.ARMY OUTLAW .44/40 REV. 7.1/2″ CAT.1543 |
7.1/2” |
44-40 |

| N. |
Code No. |
Q.ty |
Description |
| 1 |
0150001 |
1 |
FRAME |
| 2 |
A0150002 |
1 |
RGT75 HAMMER ASSEMBLY |
| 3 |
0153003 |
1 |
BARREL 7.1/2″ .44/40 |
| 5 |
0153005 |
1 |
CYLINDER .44/40 |
| 7 |
A0150007 |
1 |
RGT75 HAND ASSEMBLY |
| 10 |
0150010 |
1 |
TRIGGER |
| 12 |
0150012 |
1 |
BOLT |
| 15 |
0410015 |
1 |
FRONT SIGHT |
| 19 |
0100019 |
1 |
TRIGGER BOLT SPRING |
| 20 |
0100020 |
1 |
MAIN SPRING |
| 21 |
0150021 |
1 |
BASE PIN |
| 26 |
0150026 |
1 |
TRIGGERGUARD |
| 31 |
0150031 |
1 |
TG. SCREW |
| 35 |
0150035 |
1 |
BOLT SPRING SCREW |
| 37 |
0150037 |
1 |
HAMMER SCREW |
| 38 |
0150038 |
1 |
TRIGGER SCREW |
| 43 |
0150043 |
1 |
RIGHT GRIP NUT |
| 44 |
0150044 |
1 |
LEFT GRIP NUT |
| 45 |
0150045 |
1 |
RIGHT GRIP |
| 46 |
0150046 |
1 |
LEFT GRIP |
| 51 |
0100051 |
1 |
GRIP PIN |
| 52 |
0100052 |
1 |
HAND SCREW |
| 53 |
1000053 |
1 |
MAIN SPRING SCREW |
| 54 |
0150054 |
1 |
GRIP SCREW |
| 134 |
0150134 |
1 |
GATE CATCH |
| 135 |
0150135 |
1 |
EJECTOR SPRING |
| 136 |
0150136 |
1 |
GATE SPRING |
| 137 |
4500137 |
1 |
BASE PIN SPRING |
| 139 |
0400139 |
1 |
BASE PIN NUT |
| 140 |
0400140 |
1 |
BASE PIN SCREW |
| 142 |
0150142 |
1 |
GATE |
| 145 |
0150145 |
1 |
GATE CATCH SCREW |
| 161 |
0150161 |
1 |
SUPPORT EJECTOR PIN |
| 163 |
0150163 |
1 |
SUPPORT EJECTOR |
| 166 |
0150166 |
1 |
SUPPORT EJECTOR SCREW |
| 219 |
A0150219 |
1 |
RGT75 EJECTOR 7.1/2″ ASSEMBLY |
| 0154 |
1875 S.A.ARMY OUTLAW .45LC/ACP REV. WITH EXTRA CYL.-CAT.6799 |
7.1/2” |
45ACP/LC |

| N. |
Code No. |
Q.ty |
Description |
| 1 |
0150001 |
1 |
FRAME |
| 2 |
A0150002 |
1 |
RGT75 HAMMER ASSEMBLY |
| 3 |
0151003 |
1 |
BARREL 7.1/2″ .45LC |
| 5 |
0151005 |
1 |
CYLINDER .45LC |
| 5 |
0152005 |
1 |
CYLINDER .45ACP |
| 7 |
A0150007 |
1 |
RGT75 HAND ASSEMBLY |
| 10 |
0150010 |
1 |
TRIGGER |
| 12 |
0150012 |
1 |
BOLT |
| 15 |
0410015 |
1 |
FRONT SIGHT |
| 19 |
0100019 |
1 |
TRIGGER BOLT SPRING |
| 20 |
0100020 |
1 |
MAIN SPRING |
| 21 |
0150021 |
1 |
BASE PIN |
| 26 |
0150026 |
1 |
TRIGGERGUARD |
| 31 |
0150031 |
1 |
TG. SCREW |
| 35 |
0150035 |
1 |
BOLT SPRING SCREW |
| 37 |
0150037 |
1 |
HAMMER SCREW |
| 38 |
0150038 |
1 |
TRIGGER SCREW |
| 43 |
0150043 |
1 |
RIGHT GRIP NUT |
| 44 |
0150044 |
1 |
LEFT GRIP NUT |
| 45 |
0150045 |
1 |
RIGHT GRIP |
| 46 |
0150046 |
1 |
LEFT GRIP |
| 51 |
0100051 |
1 |
GRIP PIN |
| 52 |
0100052 |
1 |
HAND SCREW |
| 53 |
1000053 |
1 |
MAIN SPRING SCREW |
| 54 |
0150054 |
1 |
GRIP SCREW |
| 134 |
0150134 |
1 |
GATE CATCH |
| 135 |
0150135 |
1 |
EJECTOR SPRING |
| 136 |
0150136 |
1 |
GATE SPRING |
| 137 |
4500137 |
1 |
BASE PIN SPRING |
| 139 |
0400139 |
1 |
BASE PIN NUT |
| 140 |
0400140 |
1 |
BASE PIN SCREW |
| 142 |
0150142 |
1 |
GATE |
| 145 |
0150145 |
1 |
GATE CATCH SCREW |
| 161 |
0150161 |
1 |
SUPPORT EJECTOR PIN |
| 163 |
0150163 |
1 |
SUPPORT EJECTOR |
| 166 |
0150166 |
1 |
SUPPORT EJECTOR SCREW |
| 219 |
A0150219 |
1 |
RGT75 EJECTOR 7.1/2″ ASSEMBLY |
| 0166 |
1875 SA ARMY OUTLAW .45LC REV. 5.1/2″ CAT.4188 |
5.1/2” |
45LC |

| N. |
Code No. |
Q.ty |
Description |
| 1 |
0150001 |
1 |
FRAME |
| 2 |
A0150002 |
1 |
RGT75 HAMMER ASSEMBLY |
| 3 |
0155003 |
1 |
BARREL 5.1/2″ .45LC |
| 5 |
0151005 |
1 |
CYLINDER .45LC |
| 7 |
A0150007 |
1 |
RGT75 HAND ASSEMBLY |
| 10 |
0150010 |
1 |
TRIGGER |
| 12 |
0150012 |
1 |
BOLT |
| 15 |
0410015 |
1 |
FRONT SIGHT |
| 19 |
0100019 |
1 |
TRIGGER BOLT SPRING |
| 20 |
0100020 |
1 |
MAIN SPRING |
| 21 |
0150021 |
1 |
BASE PIN |
| 26 |
0150026 |
1 |
TRIGGERGUARD |
| 31 |
0150031 |
1 |
TG. SCREW |
| 35 |
0150035 |
1 |
BOLT SPRING SCREW |
| 37 |
0150037 |
1 |
HAMMER SCREW |
| 38 |
0150038 |
1 |
TRIGGER SCREW |
| 43 |
0150043 |
1 |
RIGHT GRIP NUT |
| 44 |
0150044 |
1 |
LEFT GRIP NUT |
| 45 |
0150045 |
1 |
RIGHT GRIP |
| 46 |
0150046 |
1 |
LEFT GRIP |
| 51 |
0100051 |
1 |
GRIP PIN |
| 52 |
0100052 |
1 |
HAND SCREW |
| 53 |
1000053 |
1 |
MAIN SPRING SCREW |
| 54 |
0150054 |
1 |
GRIP SCREW |
| 134 |
0150134 |
1 |
GATE CATCH |
| 135 |
0150135 |
1 |
EJECTOR SPRING |
| 136 |
0150136 |
1 |
GATE SPRING |
| 137 |
4500137 |
1 |
BASE PIN SPRING |
| 139 |
0400139 |
1 |
BASE PIN NUT |
| 140 |
0400140 |
1 |
BASE PIN SCREW |
| 142 |
0150142 |
1 |
GATE |
| 145 |
0150145 |
1 |
GATE CATCH SCREW |
| 161 |
0150161 |
1 |
SUPPORT EJECTOR PIN |
| 163 |
0150163 |
1 |
SUPPORT EJECTOR |
| 166 |
0150166 |
1 |
SUPPORT EJECTOR SCREW |
| 219 |
A0150219 |
1 |
RGT75 EJECTOR 7.1/2″ ASSEMBLY |
| 0167 |
1875 SA ARMY OUTLAW .44/40 REV. 5.1/2″ CAT.4189 |
5.1/2” |
44-40 |

| N. |
Code No. |
Q.ty |
Description |
| 1 |
0150001 |
1 |
FRAME |
| 2 |
A0150002 |
1 |
RGT75 HAMMER ASSEMBLY |
| 3 |
0156003 |
1 |
BARREL 5.1/2″ .44/40 |
| 5 |
0153005 |
1 |
CYLINDER .44/40 |
| 7 |
A0150007 |
1 |
RGT75 HAND ASSEMBLY |
| 10 |
0150010 |
1 |
TRIGGER |
| 12 |
0150012 |
1 |
BOLT |
| 15 |
0410015 |
1 |
FRONT SIGHT |
| 19 |
0100019 |
1 |
TRIGGER BOLT SPRING |
| 20 |
0100020 |
1 |
MAIN SPRING |
| 21 |
0150021 |
1 |
BASE PIN |
| 26 |
0150026 |
1 |
TRIGGERGUARD |
| 31 |
0150031 |
1 |
TG. SCREW |
| 35 |
0150035 |
1 |
BOLT SPRING SCREW |
| 37 |
0150037 |
1 |
HAMMER SCREW |
| 38 |
0150038 |
1 |
TRIGGER SCREW |
| 43 |
0150043 |
1 |
RIGHT GRIP NUT |
| 44 |
0150044 |
1 |
LEFT GRIP NUT |
| 45 |
0150045 |
1 |
RIGHT GRIP |
| 46 |
0150046 |
1 |
LEFT GRIP |
| 51 |
0100051 |
1 |
GRIP PIN |
| 52 |
0100052 |
1 |
HAND SCREW |
| 53 |
1000053 |
1 |
MAIN SPRING SCREW |
| 54 |
0150054 |
1 |
GRIP SCREW |
| 134 |
0150134 |
1 |
GATE CATCH |
| 135 |
0150135 |
1 |
EJECTOR SPRING |
| 136 |
0150136 |
1 |
GATE SPRING |
| 137 |
4500137 |
1 |
BASE PIN SPRING |
| 139 |
0400139 |
1 |
BASE PIN NUT |
| 140 |
0400140 |
1 |
BASE PIN SCREW |
| 142 |
0150142 |
1 |
GATE |
| 145 |
0150145 |
1 |
GATE CATCH SCREW |
| 161 |
0150161 |
1 |
SUPPORT EJECTOR PIN |
| 163 |
0150163 |
1 |
SUPPORT EJECTOR |
| 166 |
0150166 |
1 |
SUPPORT EJECTOR SCREW |
| 219 |
A0150219 |
1 |
RGT75 EJECTOR 7.1/2″ ASSEMBLY |
| 0168 |
1875 SA ARMY OUTLAW .357MAG REV. 5.1/2″ CAT.4190 |
5.1/2” |
357MAG |

| N. |
Code No. |
Q.ty |
Description |
| 1 |
0150001 |
1 |
FRAME |
| 2 |
A0150002 |
1 |
RGT75 HAMMER ASSEMBLY |
| 3 |
0157003 |
1 |
BARREL 5.1/2″ .357MAG |
| 5 |
0150005 |
1 |
CYLINDER .357MAG |
| 7 |
A0150007 |
1 |
RGT75 HAND ASSEMBLY |
| 10 |
0150010 |
1 |
TRIGGER |
| 12 |
0150012 |
1 |
BOLT |
| 15 |
0400015 |
1 |
FRONT SIGHT |
| 19 |
0100019 |
1 |
TRIGGER BOLT SPRING |
| 20 |
0100020 |
1 |
MAIN SPRING |
| 21 |
0150021 |
1 |
BASE PIN |
| 26 |
0150026 |
1 |
TRIGGERGUARD |
| 31 |
0150031 |
1 |
TG. SCREW |
| 35 |
0150035 |
1 |
BOLT SPRING SCREW |
| 37 |
0150037 |
1 |
HAMMER SCREW |
| 38 |
0150038 |
1 |
TRIGGER SCREW |
| 43 |
0150043 |
1 |
RIGHT GRIP NUT |
| 44 |
0150044 |
1 |
LEFT GRIP NUT |
| 45 |
0150045 |
1 |
RIGHT GRIP |
| 46 |
0150046 |
1 |
LEFT GRIP |
| 51 |
0100051 |
1 |
GRIP PIN |
| 52 |
0100052 |
1 |
HAND SCREW |
| 53 |
1000053 |
1 |
MAIN SPRING SCREW |
| 54 |
0150054 |
1 |
GRIP SCREW |
| 134 |
0150134 |
1 |
GATE CATCH |
| 135 |
0150135 |
1 |
EJECTOR SPRING |
| 136 |
0150136 |
1 |
GATE SPRING |
| 137 |
4500137 |
1 |
BASE PIN SPRING |
| 139 |
0400139 |
1 |
BASE PIN NUT |
| 140 |
0400140 |
1 |
BASE PIN SCREW |
| 142 |
0150142 |
1 |
GATE |
| 145 |
0150145 |
1 |
GATE CATCH SCREW |
| 161 |
0150161 |
1 |
SUPPORT EJECTOR PIN |
| 163 |
0150163 |
1 |
SUPPORT EJECTOR |
| 166 |
0150166 |
1 |
SUPPORT EJECTOR SCREW |
| 219 |
A0150219 |
1 |
RGT75 EJECTOR 7.1/2″ ASSEMBLY |