The 1872 Colt Open Top Revolvers were produced simultanneously with the Richards and Richards-Mason Conversion. Between February 1872 until June 1873 a total of 7 000 pieces were produced. This Colt revolver is not a conversion but was produced for metallic cartridfges: the barrel cylinder and frame were made intentionally whereas parts such as the grip assembly and the internal components were adapted from the Navy `51 and the Army `60. Production stopped abruptly when the Single Action was introduced.
FinishesTechnicalParts and Schematics
| 000: |
STANDARD |
| A00: |
OLD WEST ANTIQUE PATINA FINISH REV. |
| C00: |
CHARCOAL BLUE FINISH |
| W00: |
WHITE FINISH FOR REV. |
| N00: |
NICKEL PLATING FOR REV. |
| Caliber: |
.38SP – .38Colt – .44Colt – .44SP – .45LC -.45Scho |
| Length of Barrel: |
4 ¾” – 5 ½” – 7½” |
| Overall Length: |
13.30″ (BBl 5 ½”) |
| Weight: |
2.51 lbs (BBl 5 ½”) |
| Barrel: |
Forged steel |
| Frame: |
Forged steel and color case |
| Twist: |
Right |
| Triggerguard: |
Steel |
| Grip: |
One piece walnut |
| Cylinder: |
6 |
| Barrel Shape: |
Round Tapered |
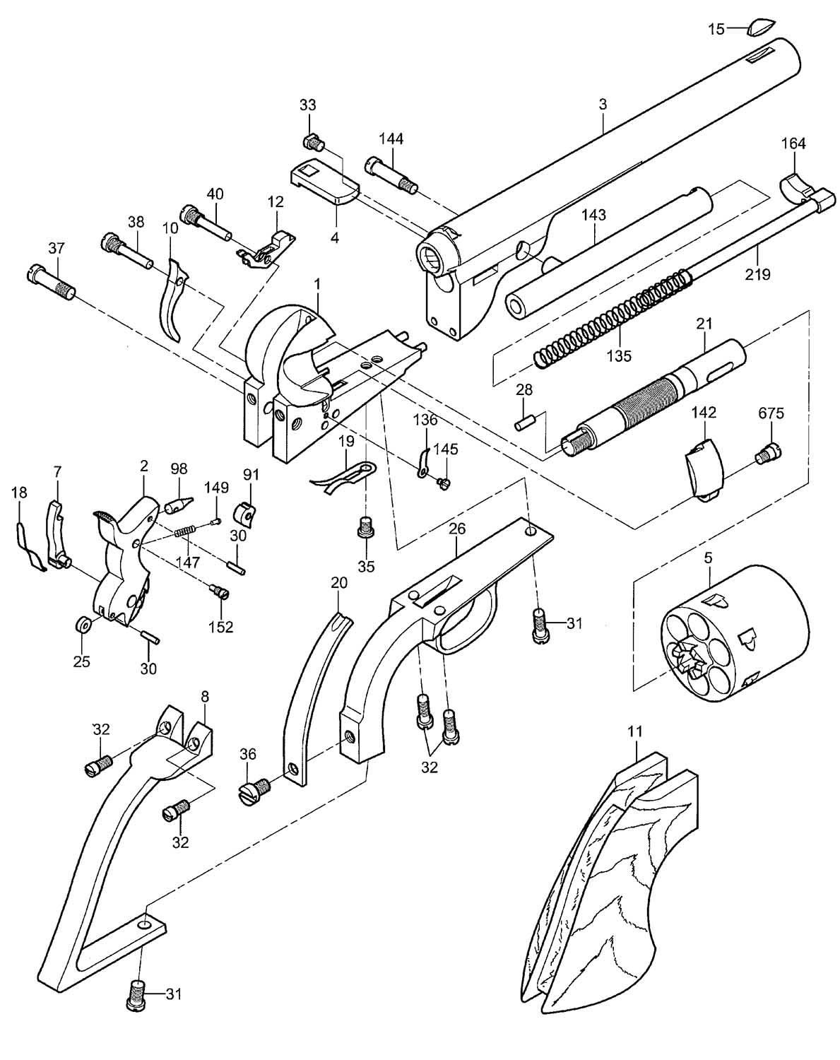
| Item |
Model |
Barrel |
Length cal. |
| 0905 |
OPEN TOP REV.5.1/2″.44COLT CAT11113 EARLY MODEL |
5.1/2” |
44 COLT |

| N. |
Code No. |
Q.ty |
Description |
| 1 |
A0900001 |
1 |
OPEN TOP FRAME ASSEMBLY |
| 2 |
A0900002 |
1 |
OPEN TOP HAMMER ASSEMBLY |
| 3 |
0905003 |
1 |
BARREL .44 5,1/2″ |
| 4 |
0900004 |
1 |
WEDGE |
| 5 |
0900005 |
1 |
CYLINDER .44 |
| 7 |
A0900007 |
1 |
OPEN TOP HAND ASSEMBLY |
| 8 |
0000008 |
1 |
CIVIL BRASS BACKSTRAP |
| 10 |
0000010 |
1 |
TRIGGER |
| 11 |
0000011 |
1 |
GRIP |
| 12 |
0900012 |
1 |
BOLT |
| 15 |
0900015 |
1 |
SIGHT |
| 19 |
0000019 |
1 |
TRIGGER BOLT SPRING |
| 20 |
0400020 |
1 |
MAINSPRING |
| 26 |
0000026 |
1 |
CIVIL BRASS TRIGGERGUARD |
| 28 |
0000028 |
1 |
CYLINDER LOCK PIN |
| 31 |
0070031 |
2 |
FRONT TRIGGERGUARD SCREW |
| 32 |
0000032 |
4 |
REAR BACKSTRAP SCREW |
| 33 |
0900033 |
2 |
WEDGE SCREW |
| 35 |
0000035 |
1 |
SCREW |
| 36 |
0000036 |
1 |
MAIN SPRING SCREW |
| 37 |
0000037 |
1 |
HAMMER SCREW |
| 38 |
0000038 |
1 |
TRIGGER SCREW |
| 40 |
0000040 |
1 |
BOLT SCREW |
| 136 |
0900136 |
1 |
GATE SPRING |
| 142 |
0900142 |
1 |
GATE |
| 143 |
A0900143 |
1 |
OPEN TOP EJECTOR ROD TUBE ASS. |
| 144 |
0900144 |
1 |
EJECTOR ROD TUBE SCREW |
| 145 |
0900145 |
1 |
GATE CATCH SCREW |
| 675 |
0900675 |
1 |
GATE SCREW |
| 0907 |
OPEN TOP REV.5.1/2″.45SCHOF.CT11114 EARLY MODEL |
5.1/2” |
45S.& W. |

| N. |
Code No. |
Q.ty |
Description |
| 1 |
A0900001 |
1 |
OPEN TOP FRAME ASSEMBLY |
| 2 |
A0900002 |
1 |
OPEN TOP HAMMER ASSEMBLY |
| 3 |
0907003 |
1 |
BARREL .45 5,1/2″ |
| 4 |
0900004 |
1 |
WEDGE |
| 5 |
0916005 |
1 |
CYLINDER .45COLT |
| 7 |
A0900007 |
1 |
OPEN TOP HAND ASSEMBLY |
| 8 |
0000008 |
1 |
CIVIL BRASS BACKSTRAP |
| 10 |
0000010 |
1 |
TRIGGER |
| 11 |
0000011 |
1 |
GRIP |
| 12 |
0900012 |
1 |
BOLT |
| 15 |
0900015 |
1 |
SIGHT |
| 19 |
0000019 |
1 |
TRIGGER BOLT SPRING |
| 20 |
0400020 |
1 |
MAINSPRING |
| 26 |
0000026 |
1 |
CIVIL BRASS TRIGGERGUARD |
| 28 |
0000028 |
1 |
CYLINDER LOCK PIN |
| 31 |
0070031 |
2 |
FRONT TRIGGERGUARD SCREW |
| 32 |
0000032 |
4 |
REAR BACKSTRAP SCREW |
| 33 |
0900033 |
2 |
WEDGE SCREW |
| 35 |
0000035 |
1 |
SCREW |
| 36 |
0000036 |
1 |
MAIN SPRING SCREW |
| 37 |
0000037 |
1 |
HAMMER SCREW |
| 38 |
0000038 |
1 |
TRIGGER SCREW |
| 40 |
0000040 |
1 |
BOLT SCREW |
| 136 |
0900136 |
1 |
GATE SPRING |
| 142 |
0900142 |
1 |
GATE |
| 143 |
A0900143 |
1 |
OPEN TOP EJECTOR ROD TUBE ASS. |
| 144 |
0900144 |
1 |
EJECTOR ROD TUBE SCREW |
| 145 |
0900145 |
1 |
GATE CATCH SCREW |
| 675 |
0900675 |
1 |
GATE SCREW |
| 0908 |
OPEN TOP REV.5.1/2″.38SPEC.CAT11115 EARLY MODEL |
5.1/2” |
38 SPEC. |

| N. |
Code No. |
Q.ty |
Description |
| 1 |
A0900001 |
1 |
OPEN TOP FRAME ASSEMBLY |
| 2 |
A0900002 |
1 |
OPEN TOP HAMMER ASSEMBLY |
| 3 |
0908003 |
1 |
BARREL .38 5,1/2″ |
| 4 |
0900004 |
1 |
WEDGE |
| 5 |
0903005 |
1 |
CYLINDER .38SP. |
| 7 |
A0900007 |
1 |
OPEN TOP HAND ASSEMBLY |
| 8 |
0000008 |
1 |
CIVIL BRASS BACKSTRAP |
| 10 |
0000010 |
1 |
TRIGGER |
| 11 |
0000011 |
1 |
GRIP |
| 12 |
0900012 |
1 |
BOLT |
| 15 |
0900015 |
1 |
SIGHT |
| 19 |
0000019 |
1 |
TRIGGER BOLT SPRING |
| 20 |
0400020 |
1 |
MAINSPRING |
| 26 |
0000026 |
1 |
CIVIL BRASS TRIGGERGUARD |
| 28 |
0000028 |
1 |
CYLINDER LOCK PIN |
| 31 |
0070031 |
2 |
FRONT TRIGGERGUARD SCREW |
| 32 |
0000032 |
4 |
REAR BACKSTRAP SCREW |
| 33 |
0900033 |
2 |
WEDGE SCREW |
| 35 |
0000035 |
1 |
SCREW |
| 36 |
0000036 |
1 |
MAIN SPRING SCREW |
| 37 |
0000037 |
1 |
HAMMER SCREW |
| 38 |
0000038 |
1 |
TRIGGER SCREW |
| 40 |
0000040 |
1 |
BOLT SCREW |
| 136 |
0900136 |
1 |
GATE SPRING |
| 142 |
0900142 |
1 |
GATE |
| 143 |
A0900143 |
1 |
OPEN TOP EJECTOR ROD TUBE ASS. |
| 144 |
0900144 |
1 |
EJECTOR ROD TUBE SCREW |
| 145 |
0900145 |
1 |
GATE CATCH SCREW |
| 675 |
0900675 |
1 |
GATE SCREW |
| 0909 |
OPEN TOP REV. 5.1/2″.38LC CAT11112 EARLY MODEL |
5.1/2” |
38LC |

| N. |
Code No. |
Q.ty |
Description |
| 1 |
A0900001 |
1 |
OPEN TOP FRAME ASSEMBLY |
| 2 |
A0900002 |
1 |
OPEN TOP HAMMER ASSEMBLY |
| 3 |
0908003 |
1 |
BARREL .38 5,1/2″ |
| 4 |
0900004 |
1 |
WEDGE |
| 5 |
0903005 |
1 |
CYLINDER .38SP. |
| 7 |
A0900007 |
1 |
OPEN TOP HAND ASSEMBLY |
| 8 |
0000008 |
1 |
CIVIL BRASS BACKSTRAP |
| 10 |
0000010 |
1 |
TRIGGER |
| 11 |
0000011 |
1 |
GRIP |
| 12 |
0900012 |
1 |
BOLT |
| 15 |
0900015 |
1 |
SIGHT |
| 19 |
0000019 |
1 |
TRIGGER BOLT SPRING |
| 20 |
0400020 |
1 |
MAINSPRING |
| 26 |
0000026 |
1 |
CIVIL BRASS TRIGGERGUARD |
| 28 |
0000028 |
1 |
CYLINDER LOCK PIN |
| 31 |
0070031 |
2 |
FRONT TRIGGERGUARD SCREW |
| 32 |
0000032 |
4 |
REAR BACKSTRAP SCREW |
| 33 |
0900033 |
2 |
WEDGE SCREW |
| 35 |
0000035 |
1 |
SCREW |
| 36 |
0000036 |
1 |
MAIN SPRING SCREW |
| 37 |
0000037 |
1 |
HAMMER SCREW |
| 38 |
0000038 |
1 |
TRIGGER SCREW |
| 40 |
0000040 |
1 |
BOLT SCREW |
| 136 |
0900136 |
1 |
GATE SPRING |
| 142 |
0900142 |
1 |
GATE |
| 143 |
A0900143 |
1 |
OPEN TOP EJECTOR ROD TUBE ASS. |
| 144 |
0900144 |
1 |
EJECTOR ROD TUBE SCREW |
| 145 |
0900145 |
1 |
GATE CATCH SCREW |
| 675 |
0900675 |
1 |
GATE SCREW |
| 0910 |
OPEN TOP REV.7.1/2″.44SPEC.CAT11589 LATE MODEL |
7.1/2” |
44SPEC. |

| N. |
Code No. |
Q.ty |
Description |
| 1 |
A0900001 |
1 |
OPEN TOP FRAME ASSEMBLY |
| 2 |
A0900002 |
1 |
OPEN TOP HAMMER ASSEMBLY |
| 3 |
0900003 |
1 |
BARREL .44 7,1/2″ |
| 4 |
0900004 |
1 |
WEDGE |
| 5 |
0900005 |
1 |
CYLINDER .44 |
| 7 |
A0900007 |
1 |
OPEN TOP HAND ASSEMBLY |
| 8 |
0047008 |
1 |
STEEL CIVIL BACKSTRAP |
| 10 |
0000010 |
1 |
TRIGGER |
| 11 |
0040011 |
1 |
GRIP |
| 12 |
0900012 |
1 |
BOLT |
| 15 |
0900015 |
1 |
SIGHT |
| 19 |
0000019 |
1 |
TRIGGER BOLT SPRING |
| 20 |
0400020 |
1 |
MAINSPRING |
| 26 |
0360026 |
1 |
STEEL TRIGGERGUARD |
| 28 |
0000028 |
1 |
CYLINDER LOCK PIN |
| 31 |
0070031 |
1 |
FRONT TRIGGERGUARD SCREW |
| 32 |
0000032 |
4 |
REAR BACKSTRAP SCREW |
| 33 |
0900033 |
2 |
WEDGE SCREW |
| 35 |
0000035 |
1 |
SCREW |
| 36 |
0000036 |
1 |
MAIN SPRING SCREW |
| 37 |
0000037 |
1 |
HAMMER SCREW |
| 38 |
0000038 |
1 |
TRIGGER SCREW |
| 40 |
0000040 |
1 |
BOLT SCREW |
| 136 |
0900136 |
1 |
GATE SPRING |
| 142 |
0900142 |
1 |
GATE |
| 143 |
A0900143 |
1 |
OPEN TOP EJECTOR ROD TUBE ASS. |
| 144 |
0900144 |
1 |
EJECTOR ROD TUBE SCREW |
| 145 |
0900145 |
1 |
GATE CATCH SCREW |
| 455 |
0040455 |
1 |
CONNECT.SCREW |
| 675 |
0900675 |
1 |
GATE SCREW |
| 0911 |
OPEN TOP REV.5.1/2″.44SPEC.CAT11588 EARLY MODEL |
5.1/2” |
44SPEC. |

| N. |
Code No. |
Q.ty |
Description |
| 1 |
A0900001 |
1 |
OPEN TOP FRAME ASSEMBLY |
| 2 |
A0900002 |
1 |
OPEN TOP HAMMER ASSEMBLY |
| 3 |
0905003 |
1 |
BARREL .44 5,1/2″ |
| 4 |
0900004 |
1 |
WEDGE |
| 5 |
0900005 |
1 |
CYLINDER .44 |
| 7 |
A0900007 |
1 |
OPEN TOP HAND ASSEMBLY |
| 8 |
0000008 |
1 |
CIVIL BRASS BACKSTRAP |
| 10 |
0000010 |
1 |
TRIGGER |
| 11 |
0000011 |
1 |
GRIP |
| 12 |
0900012 |
1 |
BOLT |
| 15 |
0900015 |
1 |
SIGHT |
| 19 |
0000019 |
1 |
TRIGGER BOLT SPRING |
| 20 |
0400020 |
1 |
MAINSPRING |
| 26 |
0000026 |
1 |
CIVIL BRASS TRIGGERGUARD |
| 28 |
0000028 |
1 |
CYLINDER LOCK PIN |
| 31 |
0070031 |
2 |
FRONT TRIGGERGUARD SCREW |
| 32 |
0000032 |
4 |
REAR BACKSTRAP SCREW |
| 33 |
0900033 |
2 |
WEDGE SCREW |
| 35 |
0000035 |
1 |
SCREW |
| 36 |
0000036 |
1 |
MAIN SPRING SCREW |
| 37 |
0000037 |
1 |
HAMMER SCREW |
| 38 |
0000038 |
1 |
TRIGGER SCREW |
| 40 |
0000040 |
1 |
BOLT SCREW |
| 136 |
0900136 |
1 |
GATE SPRING |
| 142 |
0900142 |
1 |
GATE |
| 143 |
A0900143 |
1 |
OPEN TOP EJECTOR ROD TUBE ASS. |
| 144 |
0900144 |
1 |
EJECTOR ROD TUBE SCREW |
| 145 |
0900145 |
1 |
GATE CATCH SCREW |
| 675 |
0900675 |
1 |
GATE SCREW |
| 0912 |
OPEN TOP REV.7.1/2″.44COLT CAT11098 EARLY MODEL |
7.1/2” |
44 COLT |

| N. |
Code No. |
Q.ty |
Description |
| 1 |
A0900001 |
1 |
OPEN TOP FRAME ASSEMBLY |
| 2 |
A0900002 |
1 |
OPEN TOP HAMMER ASSEMBLY |
| 3 |
0900003 |
1 |
BARREL .44 7,1/2″ |
| 4 |
0900004 |
1 |
WEDGE |
| 5 |
0900005 |
1 |
CYLINDER .44 |
| 7 |
A0900007 |
1 |
OPEN TOP HAND ASSEMBLY |
| 8 |
0000008 |
1 |
CIVIL BRASS BACKSTRAP |
| 10 |
0000010 |
1 |
TRIGGER |
| 11 |
0000011 |
1 |
GRIP |
| 12 |
0900012 |
1 |
BOLT |
| 15 |
0900015 |
1 |
SIGHT |
| 19 |
0000019 |
1 |
TRIGGER BOLT SPRING |
| 20 |
0400020 |
1 |
MAINSPRING |
| 26 |
0000026 |
1 |
CIVIL BRASS TRIGGERGUARD |
| 28 |
0000028 |
1 |
CYLINDER LOCK PIN |
| 31 |
0070031 |
2 |
FRONT TRIGGERGUARD SCREW |
| 32 |
0000032 |
4 |
REAR BACKSTRAP SCREW |
| 33 |
0900033 |
2 |
WEDGE SCREW |
| 35 |
0000035 |
1 |
SCREW |
| 36 |
0000036 |
1 |
MAIN SPRING SCREW |
| 37 |
0000037 |
1 |
HAMMER SCREW |
| 38 |
0000038 |
1 |
TRIGGER SCREW |
| 40 |
0000040 |
1 |
BOLT SCREW |
| 136 |
0900136 |
1 |
GATE SPRING |
| 142 |
0900142 |
1 |
GATE |
| 143 |
A0900143 |
1 |
OPEN TOP EJECTOR ROD TUBE ASS. |
| 144 |
0900144 |
1 |
EJECTOR ROD TUBE SCREW |
| 145 |
0900145 |
1 |
GATE CATCH SCREW |
| 675 |
0900675 |
1 |
GATE SCREW |
| 0913 |
OPEN TOP REV.7.1/2″.44SPEC.CAT11589 EARLY MODEL |
7.1/2” |
44SPEC. |

| N. |
Code No. |
Q.ty |
Description |
| 1 |
A0900001 |
1 |
OPEN TOP FRAME ASSEMBLY |
| 2 |
A0900002 |
1 |
OPEN TOP HAMMER ASSEMBLY |
| 3 |
0900003 |
1 |
BARREL .44 7,1/2″ |
| 4 |
0900004 |
1 |
WEDGE |
| 5 |
0900005 |
1 |
CYLINDER .44 |
| 7 |
A0900007 |
1 |
OPEN TOP HAND ASSEMBLY |
| 8 |
0000008 |
1 |
CIVIL BRASS BACKSTRAP |
| 10 |
0000010 |
1 |
TRIGGER |
| 11 |
0000011 |
1 |
GRIP |
| 12 |
0900012 |
1 |
BOLT |
| 15 |
0900015 |
1 |
SIGHT |
| 19 |
0000019 |
1 |
TRIGGER BOLT SPRING |
| 20 |
0400020 |
1 |
MAINSPRING |
| 26 |
0000026 |
1 |
CIVIL BRASS TRIGGERGUARD |
| 28 |
0000028 |
1 |
CYLINDER LOCK PIN |
| 31 |
0070031 |
2 |
FRONT TRIGGERGUARD SCREW |
| 32 |
0000032 |
4 |
REAR BACKSTRAP SCREW |
| 33 |
0900033 |
2 |
WEDGE SCREW |
| 35 |
0000035 |
1 |
SCREW |
| 36 |
0000036 |
1 |
MAIN SPRING SCREW |
| 37 |
0000037 |
1 |
HAMMER SCREW |
| 38 |
0000038 |
1 |
TRIGGER SCREW |
| 40 |
0000040 |
1 |
BOLT SCREW |
| 136 |
0900136 |
1 |
GATE SPRING |
| 142 |
0900142 |
1 |
GATE |
| 143 |
A0900143 |
1 |
OPEN TOP EJECTOR ROD TUBE ASS. |
| 144 |
0900144 |
1 |
EJECTOR ROD TUBE SCREW |
| 145 |
0900145 |
1 |
GATE CATCH SCREW |
| 675 |
0900675 |
1 |
GATE SCREW |
| 0914 |
OPEN TOP REV.7.1/2″.38SPEC.CAT11100 EARLY MODEL |
7.1/2” |
38 SPEC. |

| N. |
Code No. |
Q.ty |
Description |
| 1 |
A0900001 |
1 |
OPEN TOP FRAME ASSEMBLY |
| 2 |
A0900002 |
1 |
OPEN TOP HAMMER ASSEMBLY |
| 3 |
0903003 |
1 |
BARREL .38. 7,1/2″ |
| 4 |
0900004 |
1 |
WEDGE |
| 5 |
0903005 |
1 |
CYLINDER .38SP. |
| 7 |
A0900007 |
1 |
OPEN TOP HAND ASSEMBLY |
| 8 |
0000008 |
1 |
CIVIL BRASS BACKSTRAP |
| 10 |
0000010 |
1 |
TRIGGER |
| 11 |
0000011 |
1 |
GRIP |
| 12 |
0900012 |
1 |
BOLT |
| 15 |
0900015 |
1 |
SIGHT |
| 19 |
0000019 |
1 |
TRIGGER BOLT SPRING |
| 20 |
0400020 |
1 |
MAINSPRING |
| 26 |
0000026 |
1 |
CIVIL BRASS TRIGGERGUARD |
| 28 |
0000028 |
1 |
CYLINDER LOCK PIN |
| 31 |
0070031 |
2 |
FRONT TRIGGERGUARD SCREW |
| 32 |
0000032 |
4 |
REAR BACKSTRAP SCREW |
| 33 |
0900033 |
2 |
WEDGE SCREW |
| 35 |
0000035 |
1 |
SCREW |
| 36 |
0000036 |
1 |
MAIN SPRING SCREW |
| 37 |
0000037 |
1 |
HAMMER SCREW |
| 38 |
0000038 |
1 |
TRIGGER SCREW |
| 40 |
0000040 |
1 |
BOLT SCREW |
| 136 |
0900136 |
1 |
GATE SPRING |
| 142 |
0900142 |
1 |
GATE |
| 143 |
A0900143 |
1 |
OPEN TOP EJECTOR ROD TUBE ASS. |
| 144 |
0900144 |
1 |
EJECTOR ROD TUBE SCREW |
| 145 |
0900145 |
1 |
GATE CATCH SCREW |
| 675 |
0900675 |
1 |
GATE SCREW |
| 0917 |
OPEN TOP REV.5.1/2″.45COLT CAT12666 EARLY MODEL |
5.1/2” |
45LC |

| N. |
Code No. |
Q.ty |
Description |
| 1 |
A0900001 |
1 |
OPEN TOP FRAME ASSEMBLY |
| 2 |
A0900002 |
1 |
OPEN TOP HAMMER ASSEMBLY |
| 3 |
0907003 |
1 |
BARREL .45 5,1/2″ |
| 4 |
0900004 |
1 |
WEDGE |
| 5 |
0916005 |
1 |
CYLINDER .45COLT |
| 7 |
A0900007 |
1 |
OPEN TOP HAND ASSEMBLY |
| 8 |
0000008 |
1 |
CIVIL BRASS BACKSTRAP |
| 10 |
0000010 |
1 |
TRIGGER |
| 11 |
0000011 |
1 |
GRIP |
| 12 |
0900012 |
1 |
BOLT |
| 15 |
0900015 |
1 |
SIGHT |
| 19 |
0000019 |
1 |
TRIGGER BOLT SPRING |
| 20 |
0400020 |
1 |
MAINSPRING |
| 26 |
0000026 |
1 |
CIVIL BRASS TRIGGERGUARD |
| 28 |
0000028 |
1 |
CYLINDER LOCK PIN |
| 31 |
0070031 |
2 |
FRONT TRIGGERGUARD SCREW |
| 32 |
0000032 |
4 |
REAR BACKSTRAP SCREW |
| 33 |
0900033 |
2 |
WEDGE SCREW |
| 35 |
0000035 |
1 |
SCREW |
| 36 |
0000036 |
1 |
MAIN SPRING SCREW |
| 37 |
0000037 |
1 |
HAMMER SCREW |
| 38 |
0000038 |
1 |
TRIGGER SCREW |
| 40 |
0000040 |
1 |
BOLT SCREW |
| 136 |
0900136 |
1 |
GATE SPRING |
| 142 |
0900142 |
1 |
GATE |
| 143 |
A0900143 |
1 |
OPEN TOP EJECTOR ROD TUBE ASS. |
| 144 |
0900144 |
1 |
EJECTOR ROD TUBE SCREW |
| 145 |
0900145 |
1 |
GATE CATCH SCREW |
| 675 |
0900675 |
1 |
GATE SCREW |
| 0921 |
OPEN TOP REV.7.1/2″.45SCHOF.CT11099 EARLY MODEL |
7.1/2” |
45S.& W. |

| N. |
Code No. |
Q.ty |
Description |
| 1 |
A0900001 |
1 |
OPEN TOP FRAME ASSEMBLY |
| 2 |
A0900002 |
1 |
OPEN TOP HAMMER ASSEMBLY |
| 3 |
0902003 |
1 |
BARREL .45 7,1/2″ |
| 4 |
0900004 |
1 |
WEDGE |
| 5 |
0916005 |
1 |
CYLINDER .45COLT |
| 7 |
A0900007 |
1 |
OPEN TOP HAND ASSEMBLY |
| 8 |
0000008 |
1 |
CIVIL BRASS BACKSTRAP |
| 10 |
0000010 |
1 |
TRIGGER |
| 11 |
0000011 |
1 |
GRIP |
| 12 |
0900012 |
1 |
BOLT |
| 15 |
0900015 |
1 |
SIGHT |
| 19 |
0000019 |
1 |
TRIGGER BOLT SPRING |
| 20 |
0400020 |
1 |
MAINSPRING |
| 26 |
0000026 |
1 |
CIVIL BRASS TRIGGERGUARD |
| 28 |
0000028 |
1 |
CYLINDER LOCK PIN |
| 31 |
0070031 |
2 |
FRONT TRIGGERGUARD SCREW |
| 32 |
0000032 |
4 |
REAR BACKSTRAP SCREW |
| 33 |
0900033 |
2 |
WEDGE SCREW |
| 35 |
0000035 |
1 |
SCREW |
| 36 |
0000036 |
1 |
MAIN SPRING SCREW |
| 37 |
0000037 |
1 |
HAMMER SCREW |
| 38 |
0000038 |
1 |
TRIGGER SCREW |
| 40 |
0000040 |
1 |
BOLT SCREW |
| 136 |
0900136 |
1 |
GATE SPRING |
| 142 |
0900142 |
1 |
GATE |
| 143 |
A0900143 |
1 |
OPEN TOP EJECTOR ROD TUBE ASS. |
| 144 |
0900144 |
1 |
EJECTOR ROD TUBE SCREW |
| 145 |
0900145 |
1 |
GATE CATCH SCREW |
| 675 |
0900675 |
1 |
GATE SCREW |
| 0922 |
OPEN TOP REV.7.1/2″.45COLT CAT12309 EARLY MODEL |
7.1/2” |
45LC |

| N. |
Code No. |
Q.ty |
Description |
| 1 |
A0900001 |
1 |
OPEN TOP FRAME ASSEMBLY |
| 2 |
A0900002 |
1 |
OPEN TOP HAMMER ASSEMBLY |
| 3 |
0902003 |
1 |
BARREL .45 7,1/2″ |
| 4 |
0900004 |
1 |
WEDGE |
| 5 |
0916005 |
1 |
CYLINDER .45COLT |
| 7 |
A0900007 |
1 |
OPEN TOP HAND ASSEMBLY |
| 8 |
0000008 |
1 |
CIVIL BRASS BACKSTRAP |
| 10 |
0000010 |
1 |
TRIGGER |
| 11 |
0000011 |
1 |
GRIP |
| 12 |
0900012 |
1 |
BOLT |
| 15 |
0900015 |
1 |
SIGHT |
| 19 |
0000019 |
1 |
TRIGGER BOLT SPRING |
| 20 |
0400020 |
1 |
MAINSPRING |
| 26 |
0000026 |
1 |
CIVIL BRASS TRIGGERGUARD |
| 28 |
0000028 |
1 |
CYLINDER LOCK PIN |
| 31 |
0070031 |
2 |
FRONT TRIGGERGUARD SCREW |
| 32 |
0000032 |
4 |
REAR BACKSTRAP SCREW |
| 33 |
0900033 |
2 |
WEDGE SCREW |
| 35 |
0000035 |
1 |
SCREW |
| 36 |
0000036 |
1 |
MAIN SPRING SCREW |
| 37 |
0000037 |
1 |
HAMMER SCREW |
| 38 |
0000038 |
1 |
TRIGGER SCREW |
| 40 |
0000040 |
1 |
BOLT SCREW |
| 136 |
0900136 |
1 |
GATE SPRING |
| 142 |
0900142 |
1 |
GATE |
| 143 |
A0900143 |
1 |
OPEN TOP EJECTOR ROD TUBE ASS. |
| 144 |
0900144 |
1 |
EJECTOR ROD TUBE SCREW |
| 145 |
0900145 |
1 |
GATE CATCH SCREW |
| 675 |
0900675 |
1 |
GATE SCREW |
| 0923 |
OPEN TOP REV.7.1/2″.38L.C. CAT11096 EARLY MODEL |
7.1/2” |
38LC |

| N. |
Code No. |
Q.ty |
Description |
| 1 |
A0900001 |
1 |
OPEN TOP FRAME ASSEMBLY |
| 2 |
A0900002 |
1 |
OPEN TOP HAMMER ASSEMBLY |
| 3 |
0903003 |
1 |
BARREL .38. 7,1/2″ |
| 4 |
0900004 |
1 |
WEDGE |
| 5 |
0903005 |
1 |
CYLINDER .38SP. |
| 7 |
A0900007 |
1 |
OPEN TOP HAND ASSEMBLY |
| 8 |
0000008 |
1 |
CIVIL BRASS BACKSTRAP |
| 10 |
0000010 |
1 |
TRIGGER |
| 11 |
0000011 |
1 |
GRIP |
| 12 |
0900012 |
1 |
BOLT |
| 15 |
0900015 |
1 |
SIGHT |
| 19 |
0000019 |
1 |
TRIGGER BOLT SPRING |
| 20 |
0400020 |
1 |
MAINSPRING |
| 26 |
0000026 |
1 |
CIVIL BRASS TRIGGERGUARD |
| 28 |
0000028 |
1 |
CYLINDER LOCK PIN |
| 31 |
0070031 |
2 |
FRONT TRIGGERGUARD SCREW |
| 32 |
0000032 |
4 |
REAR BACKSTRAP SCREW |
| 33 |
0900033 |
2 |
WEDGE SCREW |
| 35 |
0000035 |
1 |
SCREW |
| 36 |
0000036 |
1 |
MAIN SPRING SCREW |
| 37 |
0000037 |
1 |
HAMMER SCREW |
| 38 |
0000038 |
1 |
TRIGGER SCREW |
| 40 |
0000040 |
1 |
BOLT SCREW |
| 136 |
0900136 |
1 |
GATE SPRING |
| 142 |
0900142 |
1 |
GATE |
| 143 |
A0900143 |
1 |
OPEN TOP EJECTOR ROD TUBE ASS. |
| 144 |
0900144 |
1 |
EJECTOR ROD TUBE SCREW |
| 145 |
0900145 |
1 |
GATE CATCH SCREW |
| 675 |
0900675 |
1 |
GATE SCREW |
| 9000 |
OPEN TOP REV.4.3/4″.44COLT CAT13731 EARLY MODEL |
4.3/4” |
44 COLT |

| N. |
Code No. |
Q.ty |
Description |
| 1 |
A0900001 |
1 |
OPEN TOP FRAME ASSEMBLY |
| 2 |
A0900002 |
1 |
OPEN TOP HAMMER ASSEMBLY |
| 3 |
9000003 |
1 |
BARREL .44 4.3/4″ |
| 4 |
0900004 |
1 |
WEDGE |
| 5 |
0900005 |
1 |
CYLINDER .44 |
| 7 |
A0900007 |
1 |
OPEN TOP HAND ASSEMBLY |
| 8 |
0000008 |
1 |
CIVIL BRASS BACKSTRAP |
| 10 |
0000010 |
1 |
TRIGGER |
| 11 |
0000011 |
1 |
GRIP |
| 12 |
0900012 |
1 |
BOLT |
| 15 |
0900015 |
1 |
SIGHT |
| 19 |
0000019 |
1 |
TRIGGER BOLT SPRING |
| 20 |
0400020 |
1 |
MAINSPRING |
| 26 |
0000026 |
1 |
CIVIL BRASS TRIGGERGUARD |
| 28 |
0000028 |
1 |
CYLINDER LOCK PIN |
| 31 |
0070031 |
1 |
FRONT TRIGGERGUARD SCREW |
| 32 |
0000032 |
4 |
REAR BACKSTRAP SCREW |
| 33 |
0900033 |
2 |
WEDGE SCREW |
| 35 |
0000035 |
1 |
SCREW |
| 36 |
0000036 |
1 |
MAIN SPRING SCREW |
| 37 |
0000037 |
1 |
HAMMER SCREW |
| 38 |
0000038 |
1 |
TRIGGER SCREW |
| 40 |
0000040 |
1 |
BOLT SCREW |
| 136 |
0900136 |
1 |
GATE SPRING |
| 142 |
0900142 |
1 |
GATE |
| 143 |
A0900143 |
1 |
OPEN TOP EJECTOR ROD TUBE ASS. |
| 144 |
0900144 |
1 |
EJECTOR ROD TUBE SCREW |
| 145 |
0900145 |
1 |
GATE CATCH SCREW |
| 675 |
0900675 |
1 |
GATE SCREW |
| 9001 |
OPEN TOP REV.4.3/4″.38LC CAT 13729 EARLY MODEL |
4.3/4” |
38LC |

| N. |
Code No. |
Q.ty |
Description |
| 1 |
A0900001 |
1 |
OPEN TOP FRAME ASSEMBLY |
| 2 |
A0900002 |
1 |
OPEN TOP HAMMER ASSEMBLY |
| 3 |
9001003 |
1 |
BARREL .38 4.3/4″ |
| 4 |
0900004 |
1 |
WEDGE |
| 5 |
0903005 |
1 |
CYLINDER .38SP. |
| 7 |
A0900007 |
1 |
OPEN TOP HAND ASSEMBLY |
| 8 |
0000008 |
1 |
CIVIL BRASS BACKSTRAP |
| 10 |
0000010 |
1 |
TRIGGER |
| 11 |
0000011 |
1 |
GRIP |
| 12 |
0900012 |
1 |
BOLT |
| 15 |
0900015 |
1 |
SIGHT |
| 19 |
0000019 |
1 |
TRIGGER BOLT SPRING |
| 20 |
0400020 |
1 |
MAINSPRING |
| 26 |
0000026 |
1 |
CIVIL BRASS TRIGGERGUARD |
| 28 |
0000028 |
1 |
CYLINDER LOCK PIN |
| 31 |
0070031 |
1 |
FRONT TRIGGERGUARD SCREW |
| 32 |
0000032 |
4 |
REAR BACKSTRAP SCREW |
| 33 |
0900033 |
2 |
WEDGE SCREW |
| 35 |
0000035 |
1 |
SCREW |
| 36 |
0000036 |
1 |
MAIN SPRING SCREW |
| 37 |
0000037 |
1 |
HAMMER SCREW |
| 38 |
0000038 |
1 |
TRIGGER SCREW |
| 40 |
0000040 |
1 |
BOLT SCREW |
| 136 |
0900136 |
1 |
GATE SPRING |
| 142 |
0900142 |
1 |
GATE |
| 143 |
A0900143 |
1 |
OPEN TOP EJECTOR ROD TUBE ASS. |
| 144 |
0900144 |
1 |
EJECTOR ROD TUBE SCREW |
| 145 |
0900145 |
1 |
GATE CATCH SCREW |
| 675 |
0900675 |
1 |
GATE SCREW |
| 9002 |
OPEN TOP REV.4.3/4″.45COLT CAT13733 EARLY MODEL |
4.3/4” |
45LC |

| N. |
Code No. |
Q.ty |
Description |
| 1 |
A0900001 |
1 |
OPEN TOP FRAME ASSEMBLY |
| 2 |
A0900002 |
1 |
OPEN TOP HAMMER ASSEMBLY |
| 3 |
9002003 |
1 |
BARREL .45 4.3/4″ |
| 4 |
0900004 |
1 |
WEDGE |
| 5 |
0916005 |
1 |
CYLINDER .45COLT |
| 7 |
A0900007 |
1 |
OPEN TOP HAND ASSEMBLY |
| 8 |
0000008 |
1 |
CIVIL BRASS BACKSTRAP |
| 10 |
0000010 |
1 |
TRIGGER |
| 11 |
0000011 |
1 |
GRIP |
| 12 |
0900012 |
1 |
BOLT |
| 15 |
0900015 |
1 |
SIGHT |
| 19 |
0000019 |
1 |
TRIGGER BOLT SPRING |
| 20 |
0400020 |
1 |
MAINSPRING |
| 26 |
0000026 |
1 |
CIVIL BRASS TRIGGERGUARD |
| 28 |
0000028 |
1 |
CYLINDER LOCK PIN |
| 31 |
0070031 |
1 |
FRONT TRIGGERGUARD SCREW |
| 32 |
0000032 |
4 |
REAR BACKSTRAP SCREW |
| 33 |
0900033 |
2 |
WEDGE SCREW |
| 35 |
0000035 |
1 |
SCREW |
| 36 |
0000036 |
1 |
MAIN SPRING SCREW |
| 37 |
0000037 |
1 |
HAMMER SCREW |
| 38 |
0000038 |
1 |
TRIGGER SCREW |
| 40 |
0000040 |
1 |
BOLT SCREW |
| 136 |
0900136 |
1 |
GATE SPRING |
| 142 |
0900142 |
1 |
GATE |
| 143 |
A0900143 |
1 |
OPEN TOP EJECTOR ROD TUBE ASS. |
| 144 |
0900144 |
1 |
EJECTOR ROD TUBE SCREW |
| 145 |
0900145 |
1 |
GATE CATCH SCREW |
| 675 |
0900675 |
1 |
GATE SCREW |
| 9003 |
OPEN TOP REV.4.3/4″.44SPEC.CAT13732 EARLY MODEL |
4.3/4” |
44SPEC. |

| N. |
Code No. |
Q.ty |
Description |
| 1 |
A0900001 |
1 |
OPEN TOP FRAME ASSEMBLY |
| 2 |
A0900002 |
1 |
OPEN TOP HAMMER ASSEMBLY |
| 3 |
9000003 |
1 |
BARREL .44 4.3/4″ |
| 4 |
0900004 |
1 |
WEDGE |
| 5 |
0900005 |
1 |
CYLINDER .44 |
| 7 |
A0900007 |
1 |
OPEN TOP HAND ASSEMBLY |
| 8 |
0000008 |
1 |
CIVIL BRASS BACKSTRAP |
| 10 |
0000010 |
1 |
TRIGGER |
| 11 |
0000011 |
1 |
GRIP |
| 12 |
0900012 |
1 |
BOLT |
| 15 |
0900015 |
1 |
SIGHT |
| 19 |
0000019 |
1 |
TRIGGER BOLT SPRING |
| 20 |
0400020 |
1 |
MAINSPRING |
| 26 |
0000026 |
1 |
CIVIL BRASS TRIGGERGUARD |
| 28 |
0000028 |
1 |
CYLINDER LOCK PIN |
| 31 |
0070031 |
1 |
FRONT TRIGGERGUARD SCREW |
| 32 |
0000032 |
4 |
REAR BACKSTRAP SCREW |
| 33 |
0900033 |
2 |
WEDGE SCREW |
| 35 |
0000035 |
1 |
SCREW |
| 36 |
0000036 |
1 |
MAIN SPRING SCREW |
| 37 |
0000037 |
1 |
HAMMER SCREW |
| 38 |
0000038 |
1 |
TRIGGER SCREW |
| 40 |
0000040 |
1 |
BOLT SCREW |
| 136 |
0900136 |
1 |
GATE SPRING |
| 142 |
0900142 |
1 |
GATE |
| 143 |
A0900143 |
1 |
OPEN TOP EJECTOR ROD TUBE ASS. |
| 144 |
0900144 |
1 |
EJECTOR ROD TUBE SCREW |
| 145 |
0900145 |
1 |
GATE CATCH SCREW |
| 675 |
0900675 |
1 |
GATE SCREW |
| 9004 |
OPEN TOP REV.4,3/4″.38SPEC.CAT13730 EARLY MODEL |
4.3/4” |
38 SPEC. |
![0020[1]](http://dscom.it/uberti/wp-content/uploads/2014/04/00201-984x1024.jpg)
| N. |
Code No. |
Q.ty |
Description |
| 1 |
A0900001 |
1 |
OPEN TOP FRAME ASSEMBLY |
| 2 |
A0900002 |
1 |
OPEN TOP HAMMER ASSEMBLY |
| 3 |
9001003 |
1 |
BARREL .38 4.3/4″ |
| 4 |
0900004 |
1 |
WEDGE |
| 5 |
0903005 |
1 |
CYLINDER .38SP. |
| 7 |
A0900007 |
1 |
OPEN TOP HAND ASSEMBLY |
| 8 |
0000008 |
1 |
CIVIL BRASS BACKSTRAP |
| 10 |
0000010 |
1 |
TRIGGER |
| 11 |
0000011 |
1 |
GRIP |
| 12 |
0900012 |
1 |
BOLT |
| 15 |
0900015 |
1 |
SIGHT |
| 19 |
0000019 |
1 |
TRIGGER BOLT SPRING |
| 20 |
0400020 |
1 |
MAINSPRING |
| 26 |
0000026 |
1 |
CIVIL BRASS TRIGGERGUARD |
| 28 |
0000028 |
1 |
CYLINDER LOCK PIN |
| 31 |
0070031 |
1 |
FRONT TRIGGERGUARD SCREW |
| 32 |
0000032 |
4 |
REAR BACKSTRAP SCREW |
| 33 |
0900033 |
2 |
WEDGE SCREW |
| 35 |
0000035 |
1 |
SCREW |
| 36 |
0000036 |
1 |
MAIN SPRING SCREW |
| 37 |
0000037 |
1 |
HAMMER SCREW |
| 38 |
0000038 |
1 |
TRIGGER SCREW |
| 40 |
0000040 |
1 |
BOLT SCREW |
| 136 |
0900136 |
1 |
GATE SPRING |
| 142 |
0900142 |
1 |
GATE |
| 143 |
A0900143 |
1 |
OPEN TOP EJECTOR ROD TUBE ASS. |
| 144 |
0900144 |
1 |
EJECTOR ROD TUBE SCREW |
| 145 |
0900145 |
1 |
GATE CATCH SCREW |
| 675 |
0900675 |
1 |
GATE SCREW |